青岛垚鑫智能科技有限公司
宣传

位置:中冶有色 >

有色技术频道 >

> 固/危废处置技术

分类:
全部
矿山技术
冶金技术
材料制备及加工技术
环境保护技术
分析检测技术
 
全部
废水处理技术
大气治理技术
固/危废处置技术
土壤修复技术
地区:
全部
北京
天津
上海
重庆
河北
山西
辽宁
吉林
黑龙江
江苏
浙江
安徽
福建
江西
山东
河南
湖北
湖南
广东
海南
四川
贵州
云南
陕西
甘肃
青海
内蒙
广西
西藏
宁夏
新疆
其他
其他
展开
 
全部
成都
自贡
攀枝花
泸州
德阳
绵阳
广元
遂宁
内江
乐山
南充
眉山
宜宾
广安
达州
雅安
巴中
资阳
阿坝藏族羌族自治州
甘孜藏族自治州
凉山彝族自治州

四川成都有色金属固/危废处置技术理论与应用

免费发布技术信息>>
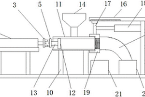
石材加工废液快速分离系统

本实用新型公开一种石材加工废液快速分离系统,系统包括:支架、旋转分离部、压滤部、分离液收集池,所述旋转分离部和所述压滤部设置于所述支架上,所述旋转分离部、所述压滤部、所述分离液收集池由上至下顺次设置。本实用新型中将过滤板倾斜放置,利用自重力方式物理分离,无需添加任何物质,方式简单经济,混合液流经过滤介质,固体停留在滤布上,并逐渐在滤布上堆积形成过滤浆饼。本实用新型中过滤板上的过滤布方便拆卸,根据需要对过滤布进行更换,实现了过滤板能够根据过滤对象进行灵活设置。本实用新型进行固液分离,对无害固体和水资源进行回收利用,对分离后的有害物质进行单独处理,避免了对环境造成污染。

标签:
固废
四川 - 成都 来源:中冶有色网 2023-03-19
石材加工废液快速分离系统及方法

本发明公开一种石材加工废液快速分离系统及方法,系统包括:支架、旋转分离部、压滤部、分离液收集池,所述旋转分离部和所述压滤部设置于所述支架上,所述旋转分离部、所述压滤部、所述分离液收集池由上至下顺次设置。本发明中将过滤板倾斜放置,利用自重力方式物理分离,无需添加任何物质,方式简单经济,混合液流经过滤介质,固体停留在滤布上,并逐渐在滤布上堆积形成过滤浆饼。本发明中过滤板上的过滤布方便拆卸,根据需要对过滤布进行更换,实现了过滤板能够根据过滤对象进行灵活设置。本发明进行固液分离,对无害固体和水资源进行回收利用,对分离后的有害物质进行单独处理,避免了对环境造成污染。

标签:
固废
四川 - 成都 来源:中冶有色网 2023-03-19
工程废泥浆无害化处治方法

本发明公开了一种工程废弃泥浆无害化处治方法,涉及多个领域;利用水溶性有机物为主体,添加溶解于泥浆中,产生吸附、絮凝作用,再采用交联手段形成网络并包裹、固定泥浆中的悬浮物,形成一种有机/黏土复合水凝胶“软固结体”(粘弹性固体)。产生的“软固结体”中包含有部分凝胶约束水,且“软固结体”不可再次溶解,使得其中包裹的黏土颗粒等悬浮物不会在外来水体中二次扩散造成污染。软固结体可直接进行挖掘、搬运,快速的进行废弃泥浆的处治作业。

标签:
固废
四川 - 成都 来源:中冶有色网 2023-03-19
多级高效的废气处理装置

一种多级高效的废气处理装置,包括本体;所述本体侧壁下端设有进气管和排液管,进气管与本体相切;所述进气管连通有锥形降尘器,锥形沉降器侧壁设有均匀分布的静电板;所述锥形沉降器的顶部连通有排气管,排气管内设有防尘布袋,防尘布袋与锥形沉降器顶部连通;所述换热管上方设有挡液板;所述挡液板上方设有喷头,喷头连通有水管,水管延伸至本体的上方并连接有斜齿轮组,斜齿轮组通过转轴连接有第二变频电机。本实用新型能高效的吸附沉降废气中的固体粉尘,并通过旋转喷淋装置对气体中的酸性气体进行中和吸收,且本实用新型能轻易的清除沉降的粉尘和中和后的混合液。

标签:
固废
四川 - 成都 来源:中冶有色网 2023-03-19
工业废气脱硝复合滤料及制备方法

本发明涉及空气净化领域,公开了一种工业废气脱硝复合滤料及制备方法。包括如下制备过程:(1)将聚苯硫醚树脂加入N‑甲基吡咯烷酮中,高温溶液法制得聚苯硫醚颗粒;(2)依次加入对甲苯磺酰氯、正硅酸乙酯、乙醇和氢氧化钠溶液,超声振荡处理制得二氧化硅膜包覆的聚苯硫醚颗粒;(3)将颗粒浸泡于高锰酸钾溶液后将分离出的固体物质高温煅烧,制得工业废气脱硝复合滤料。本发明通过将聚苯硫醚颗粒用生长有二氧化锰的二氧化硅膜包覆形成核壳结构的复合滤料,使得二氧化锰在滤料均匀牢固地负载,脱硝功能优异,同时制备方法简单,化学稳定性高,材料的使用寿命,对于空气净化脱硝具有广阔的应用前景。

标签:
固废
四川 - 成都 来源:中冶有色网 2023-03-19
硫酸法生产钛白粉中酸性废水处理工艺及系统

本发明公开了一种硫酸法生产钛白粉中的酸性废水处理工艺及其系统,包括:将酸性废水通过一级耐酸纳滤膜过滤得到第一酸性滤液;将第一酸性滤液通过二级耐酸纳滤膜过滤得到第二酸性滤液,二级耐酸纳滤膜拦截所得浓缩液返至一级耐酸纳滤膜再次进行过滤;将第二酸性滤液通过耐酸反渗透膜过滤得到电导率小于10的纯水以及拦截浓缩得到20‑25%纯稀酸。本发明减少了现有技术中造成的资源浪费,并且回水能够得到有效利用,能够有效对酸溶液中的固体杂质进行去除,又能够将溶液中的离子态杂质去除并减少蒸发水量。

标签:
固废
四川 - 成都 来源:中冶有色网 2023-03-19
工程菌-植物联合修复废弃油基钻井液沉积物的方法

一种工程菌‑植物联合修复废弃油基钻井液沉积物的方法,先将清洁土壤与废弃油基钻井液沉积物制成混合土壤;将植物预种植20天;在混合土壤中加入两种工程菌及NH4NO3、KH2PO4和表面活性剂;然后种植植物30~300天,在种植后的7~10天内,将NH4NO3固体粉末和KH2PO4分别配制成浓度为0.05~1.2mg/kg、0.05~1.5mg/kg的水溶液,并均匀喷施到土壤中,喷施量为1m3的混合土壤喷施0.5~2.0L的水溶液。本发明能够解决现有技术处理效率低、容易造成二次污染的问题。

标签:
固废
四川 - 成都 来源:中冶有色网 2023-03-19
生物酶纯化用废液收集装置

本发明公开了一种生物酶纯化用废液收集装置,包括第一支撑架,所述第一支撑架的顶端固定安装有水平设置的第一气缸,第一气缸的输出轴固定连接有竖直设置的第一推板,第一推板远离第一气缸的一侧固定连接有水平设置的固定杆,第一推板远离第一气缸的一侧设有竖直设置的第二推板,第二推板靠近第一推板的一侧固定连接有水平设置的第一滑动杆,固定杆上设有滑动腔,第一滑动杆的一端延伸至滑动腔内,且第一滑动杆的一端与滑动腔的内壁之间固定连接有水平设置的弹簧,第一推板靠近第二推板的一侧还固定安装有水平设置的挤压杆。本发明结构巧妙,使用方便,可自动将废液中的固体残渣分离出来然后分别进行收集。

标签:
固废
四川 - 成都 来源:中冶有色网 2023-03-19
工业废油无害化处理用萃取剂的制备方法

本发明公开了一种工业废油无害化处理用萃取剂的制备方法,包括以下步骤:向连有搅拌装置的三口烧瓶中依次加入30?80毫升N, N?二甲基甲酰胺,最好60毫升、10?12gβ?环糊精,最好11.35g,和7?9g?2?羟基?均丙三羧酸,最好8g,搅拌并在60?90℃下,最好80℃下回流反应20?50小时,最好24小时,冷却过滤,滤饼用丙酮洗3次,50℃干燥24小时,便得环糊精?2?羟基?均丙三羧酸酯白色固体粉末9.0?11.0g;取上述实现制得的环糊精?2?羟基?均丙三羧酸酯0.5?1.5g,以及正己烷20?30g、正辛烷28?32g、环己烷38?45g、乙醇1.5?2.0g和0.1?1.0g水于250mL三口烧瓶中,25℃?30℃下搅拌15分钟,制得工业废油无害化处理用萃取剂。本发明通过引入环糊精?2?羟基?均丙三羧酸酯0.5?1.5g,提高对油包水结构的破乳能力,同时能有效避免油中的微小固相颗粒。

标签:
固废
四川 - 成都 来源:中冶有色网 2023-03-19
钻井废液的高效清洁处理系统

本实用新型公开了一种钻井废液的高效清洁处理系统,涉及开采领域,包括脱水装置、有害物质处理系统和振动分离系统,脱水装置包括带筛孔的内筒和套在内筒外的外筒,内筒与外筒之间形成外腔,内筒形成内腔,脱水装置还包括进料管、固相出料口和液相出料管,液相出料管与外腔连通,进料管和固相出料口分别与内腔连通,内筒内设置有螺旋杆,螺旋杆上还均匀设置有用于挤压的螺旋叶片,螺旋杆的一端与一转轴相连,该转轴与一电机相连,进料管与有害物质处理系统相连,液相出料管的出口伸入振动分离系统。本实用新型处理钻井废液后,油基干岩屑直接拉运至发电厂燃烧发电,从固相出口排出的固体用于铺路等,从贮液槽经液体循环管流出的液体回收继续参与钻井循环。

标签:
固废
四川 - 成都 来源:中冶有色网 2023-03-19
多功能废水处理装置
多功能废水处理装置 910     
 0

本实用新型公开了一种多功能废水处理装置,主要包括:反应池、搅拌机、空压机、提升泵、底座、气浮装置、溶气罐、自动控制柜、排泥口、吸附过滤器、砂滤器、过滤泵、清水池、中间水池、加药装置。本实用新型具有设备的成套化,集反应、中和、混凝、气浮、沉淀以及过滤于一体,采用加压浮上,砂滤和活性炭吸附,能分离油类、纤维悬浮状固体、脱色及降低废水中污染物,该装置是一种占地面积小、高效节能的废水处理设备。

标签:
固废
四川 - 成都 来源:中冶有色网 2023-03-19
电镀工业废水处理再利用装置

本实用新型属于废水处理再利用装置技术领域,具体公开了一种电镀工业废水处理再利用装置,包括支撑杆和沉淀区,所述支撑杆的上方设置有罐体,所述支撑杆的一侧设置有沉淀盒,且沉淀盒的外侧安装有阀门,所述沉淀区设置于罐体的内部,且沉淀区的右侧设置有隔膜,所述隔膜的右侧设置有回流区,且回流区的内部安装有水泵,所述回流区的上方设置有出水口。该电镀工业废水处理再利用装置过滤网,过滤网与罐体之间为卡扣连接,且过滤网的中心线与罐体的中心线相互重合,过滤网可以将大颗粒的残渣抵挡下来,水由于重力向下流动,使得水中的离子不会去除,只是去除水中的固体杂质,当装置不使用时,通过打开盖子,清理过滤网上的颗粒物。

标签:
固废
四川 - 成都 来源:中冶有色网 2023-03-19
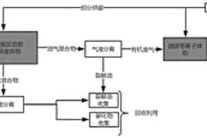
基于微波的医疗废物处理装置

本实用新型涉及微波应用领域,是一种基于微波的医疗废物处理装置,其目的在于提供一种高效充分解决医疗废物的处理装置。本实用新型包括医疗废物运送系统、微波源、微波谐振腔、等离子处理系统和可燃气体燃效室,所述等离子处理系统包括压缩波导,所述压缩波导为两侧窄边缓慢变窄的波导。本实用新型通过压缩波导结合短路面产生较大的电场强度和较高的功率密度,以有利于激发等离子体;微波等离子体直接作用于医疗固体垃圾对其进行裂解,于此同时也裂解了所产生的有害气体。本实用新型结构简单,工艺步骤精简,增强了系统的可靠性和稳定性,更有利于设备的产业化;减少微波源的个数,从而提高了能源的使用效率,并有效地降低了成本。

标签:
固废
四川 - 成都 来源:中冶有色网 2023-03-19
废水处理用组合加药装置

本实用新型涉及技术领域,公开了一种废水处理用组合加药装置,包括进水池,所述进水池上设有漏水孔,所述漏水孔内设有药剂添加部件,所述进水池的下方设有药剂调和池,所述药剂添加部件包括设于漏水孔侧壁上的连接件,所述连接件上设有隔水筒,所述隔水筒内设有电机,所述电机的输出轴设有伸入药剂调和池内的置药框,所述置药框上设有若干渗水孔。该组合加药装置,通过进水池引进废水并通过漏水孔进入药剂调和池,将固体药剂放置于隔水筒里,电机带动隔水筒在药剂调和池内转动,通过这种动态转动的方式与废水溶解,溶解效率更高,可有效避免未溶解的药剂快速被水冲走,可重复溶解。

标签:
固废
四川 - 成都 来源:中冶有色网 2023-03-19
用于工业废水处理的多级降压消声阀门

本实用新型公开了一种用于工业废水处理的多级降压消声阀门,包括阀体,阀体中部设有闸板槽与多级消音装置,所述闸板槽内设有闸板,闸板上端连接开启机构,下端与多级消音装置贴合。本实用新型通过在闸板下增加了多级消音装置,在关闭阀体时,使工业废水在通过阀体时有一定的缓冲,从而不会发出较大的声音,此缓冲作用还可延长阀体的使用寿命;通过将阀体由橡胶制成,远比钢、铁及其它各种金属材料耐磨,当输送液体带有固体颗粒介质时,其磨损极其微小,并能在不同化学介质侵蚀条件下长期使用,管形的阀体两端可以有法兰,当阀门与管道连接时,不需要另加密封垫圈,阀体上无跑、冒、滴、漏等不良现象发生。

标签:
固废
四川 - 成都 来源:中冶有色网 2023-03-19
浓缩废酸的方法及装置

本发明公开了一种浓缩废酸的方法及装置,所述方法包括:利用连续酸解尾气对废酸进行预浓缩,获得质量百分比浓度为36%~39%的第一浓缩酸;分离所述第一浓缩酸中的固体杂质;利用循环加热设备对分离后的所述第一浓缩酸进行二次浓缩,获得第二浓缩酸;以及对所述第二浓缩酸进行熟化、过滤,获得浓缩酸成品。本发明的浓缩废酸的方法及装置能够减少浓缩设备结垢,从而延长运行周期、提高浓缩效率、降低维护成本。

标签:
固废
四川 - 成都 来源:中冶有色网 2023-03-19
绿色建筑施工用废水处理装置

本实用新型涉及物料包装技术领域,特别是一种绿色建筑施工用废水处理装置,包括底座、箱体、活性炭盒、水泵、回收箱、过滤板、震动组件、开合组件和粉碎组件,所述水泵、箱体和回收箱均安装在底座上,箱体位于水泵和回收箱之间,水泵的输入端与箱体的一侧贯通,粉碎组件、过滤板、震动组件和活性炭盒依次由上而下安装在箱体内,箱体的另一侧外壁设有一个出沙口,过滤板呈倾斜状设置,过滤板的一端穿过出沙口延伸至回收箱的上方处。本实用新型的优点在于:可以做到对废水中固体杂质进行处理,能够在过滤后的砂石进行回收处理,并且避免在处理废水时堵塞设备。

标签:
固废
四川 - 成都 来源:中冶有色网 2023-03-19
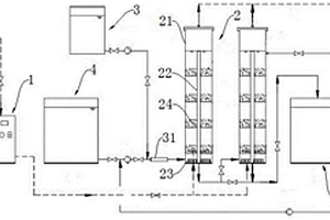
自动化废物微波处理装置

本实用新型涉及微波应用领域,是一种自动化废物微波处理装置,其目的在于提供一种高效充分解决废物的处理装置。本实用新型包括废物运送系统、微波源、微波裂解谐振腔、微波等离子处理系统和可燃气体燃烧室,微控制系统和供电系统,流量监测系统;阀门系统;微控制系统连接流量监测系统和阀门系统。本实用新型通过微波裂解谐振腔直接作用于固体垃圾对其进行裂解,通过微波等离子体裂解有害气体。实时监测气体流量和温度,增强了系统应用过程的稳定性和高效性;提高了能源的使用效率,并有效地降低了成本;通过设置连接可燃气体燃烧室的自供电系统,适应各种移动场景和补充用电场景,能量再利用,降低能耗。

标签:
固废
四川 - 成都 来源:中冶有色网 2023-03-19
有机废水臭氧催化氧化处理系统及方法

本发明公开了有机废水臭氧催化氧化处理系统及处理方法,涉及污水处理技术领域,处理系统包括臭氧发生器、反应器和产水箱;反应器连接进水箱,二者之间设置加药装置;反应器配备固体催化剂A,加药装置配备液体催化剂B;反应器包括壳体,底部设置有进水口和进气口,分别与水箱和臭氧发生器连通;顶部设置连接至尾气处理装置的排气口和连接至进水口的回流管;处理方法基于该处理系统。本发明联用固态和液态催化剂,提高系统的氧化效率,将废水中的有机物彻底氧化分解,出水稳定达标;利用产水回流对进水进行稀释,降低进水COD浓度,降低系统的处理负荷,提高系统的氧化效率;另一方面对水中残余的臭氧和羟基自由基循环利用,提高臭氧利用率。

标签:
固废
四川 - 成都 来源:中冶有色网 2023-03-19
适用于厨余废料的处理系统

本发明公开了适用于厨余废料的处理系统,包括通过管道依次连接的厨余垃圾集装箱、油脂分离器、过滤器、粪化池,还包括与过滤器通过传输带依次连接的切割系统、清洗系统、脱水机、高温消毒箱、干燥室,还包括与干燥室通过管道依次连接的磨粉机、装袋机,其中:所述厨余垃圾集装箱输送厨余混合物到油脂分离器;所述油脂分离器接收厨余垃圾集装箱输送的厨余混合物,分离油脂,输送去油混合物到过滤器;所述过滤器接收油脂分离器输送的去油混合物,输送液体到粪化池,同时输送固体混合物到切割系统;本发明实现了一种将厨余垃圾重新回收利用、变废为宝的系统的目的。

标签:
固废
四川 - 成都 来源:中冶有色网 2023-03-19
生活小区固液废弃物综合处理系统

本实用新型公开了一种生活小区固液废弃物综合处理系统,包括依次连接的沼气发生池、生物曝气池、沉淀池、蓄水池,沼气发生池分为固体区和液体区,固体区和液体区之间设置滤网,沼气发生池顶部设置沼气集气管,沼气集气管与沼气发电机组连接,液体区通过管道与生物曝气池的进水口连接,生物曝气池的出水口连接沉淀池,沉淀池与蓄水池连接,沉淀池与蓄水池之间设置活性炭过滤器。本实用新型特别针对生活小区设计,可有效的资源化利用生活垃圾中的生物质,并对废水进行处理。占地面积小、投资省,运行费用低,技术稳定可靠,操作与管理相对简单的工艺。

标签:
固废
四川 - 成都 来源:中冶有色网 2023-03-19
废旧塑料挤出造粒机
废旧塑料挤出造粒机 772     
 0

本实用新型属于废旧塑料回收再利用技术领域,具体涉及一种废旧塑料挤出造粒机,包括依次连接的电磁分选漏斗、螺旋上料机、储料斗、单螺杆挤出机、双螺杆挤出机、冷却水槽、切粒机和振动筛,储料斗与单螺杆挤出机的进料端连接,单螺杆挤出机的出料端设置有不停机换网器A,不停机换网器A的出料端与双螺杆挤出机的进料端连接,双螺杆挤出机的出料端设置有不停机换网器B相连,不停机换网器B的出料端与冷冷却水槽相连,在电磁分选漏斗底部设置有电磁筛网。本实用新型可以高效的除去废旧回收塑料中的金属杂质和其他不溶性的固体杂质,同时利用了单螺杆与双螺杆的优势,使原材料混合均匀并起到一定的增韧效果。

标签:
固废
四川 - 成都 来源:中冶有色网 2023-03-19
车间用废气净化装置
车间用废气净化装置 921     
 0

本实用新型公开了一种车间用废气净化装置,包括底板,所述底板的顶部固定连接有箱体,所述箱体内腔顶部的左侧和底部的右侧均固定连接有隔板,两个隔板相对一侧的顶部设置有硅藻纯颗粒网板,两个隔板相对一侧的底部设置有ULPA滤网,所述箱体内腔左侧的顶部固定连接有固定框,所述固定框内腔的底部固定连接有抽气机。通过设置排气管、框体、蓄水箱、雾化器、进气管、抽气机、集尘框、辅蓄电池、小型静电吸尘器、滤网、透气微孔和固体清新剂配合使用,解决了现有的废气净化装置无法对净化处理的灰尘颗粒进行收集清理,且不具有加湿和清新的功能,不能满足使用者的多种需求,降低了废气净化装置实用性的问题。

标签:
固废
四川 - 成都 来源:中冶有色网 2023-03-19
利废的X型空心/复合节能型砌块

本发明公开了一种利废的X型空心/复合自保温节能型砌块。该空心节能型砌块的基体采用粉煤灰、炉渣、建筑垃圾等固体废弃物和水泥按照一定级配拌合后压制而成。内部肋架呈X型对角线排列,将内部空腔分为四个体积相近的“三角形”腔体,最佳孔洞率为50~60%,从而提高了砌块的保温性能和块体的受力性能。本发明的利废X型空心/复合自保温节能型砌块热路不均匀度小、减少了冷热桥,当不复合任何保温材料时,其节能效果比普通砌块高20%;当在两个封闭孔洞中复合保温材料后,其节能效果比普通砌块高55%;若全部孔洞均复合保温材料,其节能效果将高出普通砌块80%,在不同地区可节省50%-80%的采暖能耗,砌筑的墙体不需要做其它保温措施即可满足节能设计标准要求。

标签:
固废
四川 - 成都 来源:中冶有色网 2023-03-19
水基钻井废水处理回收装置

本实用新型公开了一种水基钻井废水处理回收装置,包括主体、主体一侧的过滤机构和主体底端的连接机构,所述过滤机构包括过滤网,所述主体的中间固定连接有底座,所述底座的一侧中间固定连接有接水口,所述过滤网位于接水口的内侧中间,所述接水口的顶端中间对应于过滤网的位置处开设有固定槽,所述过滤网的顶端一侧固定连接有第一限位柱,所述接水口的内侧对应于第一限位柱的位置处设有相吻合的第一限位卡槽;通过过滤网与连接底板的设置,极大的对输入的废水进行大幅度过滤,通过过滤网与连接底板的配合使用,可将废水进入回收装置前进行过滤,对垃圾和固体颗粒有效的控制在回收装置外侧,同时清理简单便捷。

标签:
固废
四川 - 成都 来源:中冶有色网 2023-03-19
电极箔化成工段磷酸废液处理工艺

本发明公开了电极箔化成工段磷酸废液处理工艺,本发明主要由以下步骤构成:(1)用氢氧化钠调节电极箔化成工段排出的磷酸废液的pH值至3~4,持续搅拌并加入聚丙酰胺后进行固液分离;(2)分离的固相即为初级磷酸铝,分离的液相通入二级反应釜内,加入硫酸亚铁搅拌均匀后再加入双氧水;(3)进行固液分离,固相即为初级磷酸铁,液相通入三级收集池;(4)用氢氧化钠将三级收集池内液体的pH值调节至6~6.5后沉淀,沉淀的固体返回二级反应釜内,液体通过石灰水调节pH值至8~9后排放。本发明可生产出具有较高价值的物质,操作简单,无污染。

标签:
固废
四川 - 成都 来源:中冶有色网 2023-03-19
草铵膦副产废渣制备次磷酸铝的方法

本发明公开了一种草铵膦副产废渣制备次磷酸铝的方法,包括以下步骤:(1)将草铵膦工业副产物缓慢加入水中后,充分搅拌后,进行过滤,除去滤渣,滤液备用;将次磷酸钠溶于水中制备次磷酸钠溶液,然后加入盐酸,调节次磷酸钠溶液的pH值介于3‑6;(2)按照次磷酸钠:氯化铝=(4‑5):1的反应物摩尔投料比例取用滤液、次磷酸钠溶液;(3)将次磷酸钠溶液置于配装有蛇形冷凝管的容器内,加热至30‑50℃后,在高速搅拌的情况下,滴加滤液;滤液滴加结束后,缓慢搅拌下反应结束;(4)将步骤(3)所得到的反应产物依次经过分离、洗涤、干燥可得粉末状白色固体,该粉末状白色固体即为含次磷酸铝制品。因此,本发明通过优化草铵膦副产废渣制备次磷酸铝的工艺,使得反应体系具有反应温和、反应速率快的优点。

标签:
固废
四川 - 成都 来源:中冶有色网 2023-03-19
卵磷脂生产过程的废弃过滤杂质的回收装置

本实用新型公开了一种卵磷脂生产过程的废弃过滤杂质的回收装置,包括蒸馏装置、冷凝装置、焚烧装置、清洗蒸发罐及刮渣机。蒸馏装置用于在不同的温度工况下蒸馏出废弃过滤杂质中的低沸点有机物,冷凝装置用于冷凝并收集蒸馏排出的乙醇;焚烧装置用于将蒸馏装置蒸馏后的剩余固体焚烧;清洗蒸发罐接收并清洗焚烧装置焚烧后的残渣,刮渣机用于刮去清洗蒸发罐中盛有溶液时的上层杂质。本实用新型的装置根据废弃过滤介质中各杂质的性质进行了有针对性的去除,并对其中量大且价值较高的乙醇和氧化铝进行了回收,满足节能减排的要求。通过对装置的进一步优化提升了装置运行能耗,提高了装置的适用性。

标签:
固废
四川 - 成都 来源:中冶有色网 2023-03-19
空调废水回收利用装置
空调废水回收利用装置 1004     
 0

本实用新型公开了一种空调废水回收利用装置,包括净化器和固定安装在净化器顶部的集水器,所述净化器内沿水平方向依次顺序固定安装有集水箱、固液分离箱、沉淀箱和再过滤箱,所述集水箱顶部与集水器通过进水管连通,所述集水箱与固液分离箱之间通过第一输水管连通,所述固液分离箱与沉淀箱通过第二输水管连通,所述沉淀箱与再过滤箱通过第三输水管连通,所述第二输水管上固定安装有电控阀。本实用新型所述的空调废水回收利用装置具有净化空调废水、防止固体颗粒堵塞和减少水资源浪费的优点。

标签:
固废
四川 - 成都 来源:中冶有色网 2023-03-19
用于魔芋粉生产的废料收集装置

本实用新型属于食品技术领域,公开了一种用于魔芋粉生产的废料收集装置,包括支撑台和滑动连接在支撑台上的回收装置;所述回收装置,包括顶端开口的下框,所述下框包括竖直设置的前侧板、后侧板、左侧板、右侧板和底板,前侧板、左侧板、后侧板和右侧板依次两两连接,前侧板、后侧板、左侧板和右侧板的底端均与底板连接;所述下框内设置有第二隔板,第二隔板将下框分成用来回收固体和液体混合物的第一回收区域和用来回收固体的第二回收区域;所述下框的顶端滑动连接在滑轨上;所述第一回收区域内上下层叠设置有过滤网和抽屉。本方案解决了没有用于魔芋粉一体化生产的废料收集装置的问题。

标签:
固废
四川 - 成都 来源:中冶有色网 2023-03-19
上一页 38 39 40 41 42 ... 58 下一页
共58页    到第

中冶有色为您提供最新的四川成都有色金属固/危废处置技术理论与应用信息,涵盖发明专利、权利要求、说明书、技术领域、背景技术、实用新型内容及具体实施方式等有色技术内容。打造最具专业性的有色金属技术理论与应用平台!

全国热门有色金属设备推荐
展开更多 +
全国热门有色金属技术推荐
展开更多 +

 

江西省隆恩特环保设备有限公司
宣传

报名参会
更多+

报告下载

有色专家
更多+

矿冶科技集团江苏北矿金属循环利用科技有限公司
书记 / 总经理
中南大学
常务副校长
武汉理工大学
外籍院士/教授
武汉科技大学
院长 / 教授
重庆大学
副院长/教授
赤泥综合利用研究报告2025
推广

热门技术
更多+

推荐企业
更多+

福建省金龙稀土股份有限公司
宣传

发布

在线客服

公众号

电话

顶部
咨询电话:
010-88793500-807