青岛垚鑫智能科技有限公司
宣传

位置:北方有色 >

有色技术频道 >

> 加工技术

分类:
全部
矿山技术
冶金技术
材料制备及加工技术
环境保护技术
分析检测技术
 
全部
功能材料技术
复合材料技术
新能源材料技术
合金材料技术
加工技术
地区:
全部
北京
天津
上海
重庆
河北
山西
辽宁
吉林
黑龙江
江苏
浙江
安徽
福建
江西
山东
河南
湖北
湖南
广东
海南
四川
贵州
云南
陕西
甘肃
青海
内蒙
广西
西藏
宁夏
新疆
其他
其他
展开
 
全部
合肥
芜湖
蚌埠
淮南
马鞍山
淮北
铜陵
安庆
黄山
阜阳
宿州
滁州
六安
宣城
池州
亳州

安徽芜湖有色金属加工技术理论与应用

免费发布技术信息>>
锂电池卷芯
锂电池卷芯 945     
 0

本实用新型公开了一种锂电池卷芯,包括正极卷材、负极卷材、正极片、负极片,所述正极卷材和负极卷材之间设有用于绝缘的隔膜,正极片与正极卷材相连,负极片与负极卷材相连,所述正极片位于锂电池卷芯的中心位置处,所述负极片位于锂电池卷芯的边缘位置处。两者位置不在一起,结构简单,且负极片位于外圆周,便于散热。

标签:
加工技术
安徽 - 芜湖 来源:北方有色网 2023-03-18
锂离子电池电极片输送轮

本实用新型提供一种应用于锂离子电池生产设备技术领域的锂离子电池电极片输送轮,所述的锂离子电池电极片输送轮包括支撑杆(1),所述的支撑杆(1)一端安装在输送装置上,支撑杆(1)设置为水平布置的结构,所述的支撑杆(1)上活动套装筒状结构的轴体(2),轴体(2)一端活动套装左转轮(3),轴体(2)另一端活动套装右转轮(4),本实用新型的锂离子电池电极片输送轮,结构简单,只需要通过简单的操作,就能够实现不同宽度尺寸的电极带的输送,从而不再需要输送不同宽度尺寸的电极带就要更换输送轮,同时能够有效减少电极带与输送轮之间的摩擦,减少电极片边缘毛刺,提升锂离子电池质量。

标签:
加工技术
安徽 - 芜湖 来源:北方有色网 2023-03-18
基于DS2788的锂电池电量管理系统

本实用新型公开了一种基于DS2788的锂电池电量管理系统,属于电源技术领域,系统包括DS2788电量检测模块、霍尔电流检测模块、单片机模块、LED显示模块和电源模块,DS2788电量检测模块和霍尔电流检测模块连接在锂电池上用来检测锂电池的电量和放电电流,霍尔电流检测模块连接DS2788模块,DS2788电量检测模块连接单片机模块用来输出检测数据到单片机模块,LED显示模块连接在DS2788模块上用来显示锂电池的电量电流数据,电源模块连接管理系统内的各个电气模块提供电能支持。本实用新型解决了锂电池电量检测系统成本高,设计复杂,局限性大的问题,具有电路简单、成本低、测量范围广德优点。

标签:
加工技术
安徽 - 芜湖 来源:北方有色网 2023-03-18
包含内短路装置的锂离子电池、制作方法及触发方法

本发明公开了一种包含内短路装置的锂离子电池、制作方法及触发方法,锂离子电池包括阳极极片、阴极极片和隔离膜,所述内短路装置包括第一导电金属件、设于阳极极片和/或阴极极片内侧的第二导电金属件以及用于分隔第一导电金属件及第二导电金属件的绝缘石蜡层,所述第一导电金属件贯穿设于隔离膜上且通过绝缘石蜡层与第二导电金属件接触。本发明可以制造含有内短路装置的方形硬壳锂离子电池,可以控制四种不同内短路类型、控制不同短路面积,制造含有该类型电芯的模组和电池系统,并可以按需启动内短路装置。

标签:
加工技术
安徽 - 芜湖 来源:北方有色网 2023-03-18
基于新能源汽车的高稳定性锂电池组

本发明公开了一种基于新能源汽车的高稳定性锂电池组,包括固定箱,所述固定箱内部活动连接有电池箱,所述电池箱的内部靠近上端的位置固定连接有活动室,安装电池箱时,通过转动转把带动第一齿轮转动,使第一固定杆滑动至活动室内,将电池箱放入到固定箱内,然后逆时针转动转把,使第一固定杆滑动至弧形槽内,通过第一固定杆与弧形槽之间相互卡合,即可对锂电池进行固定,该装置便于对锂电池进行安装,有利于对锂电池进行更换维修,当电池箱发生震动时,在第二弹簧以及第三弹簧的缓冲作用下,可减小电池箱所受的冲击力,从而对电池箱进行保护,防止电池固定装置在受到外力撞击后造成电池损伤的问题发生。

标签:
加工技术
安徽 - 芜湖 来源:北方有色网 2023-03-18
磷酸铁锂动力电池的回收拆解方法

本发明公开了一种磷酸铁锂动力电池的回收拆解方法,包括回收拆解装置,所述回收拆解装置包括电池加料仓、电池拆解仓和氦气储气罐,所述电池加料仓设置有投料口和加料口,所述电池拆解仓设置有拆解料出口,所述拆解料出口和所述加料口之间设置有定位挤压辊、切割挤压辊和挤压拆解区;且包括以下步骤:对所述电池加料仓和所述电池拆解仓进行抽真空;使所述氦气储气罐和所述电池拆解仓连通,向所述电池加料仓中加入磷酸铁锂动力电池,对所述电池加料仓进行抽真空;使磷酸铁锂动力电池通过所述加料口进入到所述电池拆解仓中,使电解液与固体组件分离;使拆解后的电解液与固体组件排出所述电池拆解仓。能够自动完成磷酸铁锂动力电池的回收拆解作业。

标签:
加工技术
安徽 - 芜湖 来源:北方有色网 2023-03-18
花状三元锂离子电池正极材料及其制备方法

本发明公开了一种花状三元锂离子电池正极材料及其制备方法,包括以下步骤:(1)将含有镍盐、钴盐和锰盐的混合溶液和沉淀剂溶液在含有络合剂的溶液中进行反应,过滤,将沉淀物干燥,得前驱体;其中,镍盐、钴盐和锰盐的混合溶液中Ni、Co、Mn的摩尔比为:x:y:1‑x‑y,其中,0.3≤x≤0.35,0.3≤y≤0.35;(2)将前驱体与锂源化合物进行混合,预热,预热后升温,保温,冷却。本发明制得的材料纯净、无杂质生成;且花状锂离子电池正极材料比表面积大,与电解液接触面积更好,倍率性能好,可满足动力电池大电流充放电的需求。该方法操作简单、设备投入量少、便于市场化推广,前景广阔。

标签:
加工技术
安徽 - 芜湖 来源:北方有色网 2023-03-18
锂离子电池的热仿真方法

一种锂离子电池的热仿真方法,包括以下步骤:1)构建锂电池模型;2)根据所建模型利用“热‑电场耦合”计算电极的发热率和电阻值;3)根据输入的电池直流内阻数据,以及2)中获得的电极电极电阻值,获得卷心内阻值;4)根据卷心内阻计算卷心的发热率;5)根据电极的发热率、以及卷心的发热率计算电芯整体热分布。本发明的优点在于解决了不能分别考虑极柱和卷心部分的发热特征,在极柱位置采取“热‑电场耦合”模型,能准确计算极柱位置的过流和发热情况,卷心位置产热为电芯产热和极柱产热之差。此发明能精确预测锂离子电池极柱位置、卷心位置的温度分布,以达到电池包BMS能精确诊断电池温度的目的。

标签:
加工技术
安徽 - 芜湖 来源:北方有色网 2023-03-18
锂钒结合的船舶用电池模块

本发明提供一种锂钒结合的船舶用电池模块,包括电池组、输液管、电解液储罐一、正极电解液、管道、泵体一、泵体二、负极电解液、电解液储罐二、锂电池组以及AC/DC逆变器,两组所述输液管左端分别与电解液储罐一和电解液储罐二的上端面相连接,所述正极电解液储存在电解液储罐一内,所述负极电解液储存在电解液储罐二内,两组所述管道左端分别与电解液储罐一和电解液储罐二的下端面相连接,所述泵体一与泵体二分别安装在两组管道上,所述锂电池组通过电源线与AC/DC逆变器相连接,所述AC/DC逆变器通过电源线与电池组相连接,所述锂电池组通过电源线与插头相连接,本发明结构合理,蓄电能力强,充电时间短,安全性好,可靠性高。

标签:
加工技术
安徽 - 芜湖 来源:北方有色网 2023-03-18
锂离子电池真空自动注液装置

本实用新型公开了一种锂离子电池真空自动注液装置,包括夹持机械手和抽吸注液槽,所述夹持机械手包括升降移动座、夹持密封缸,所述夹持密封缸设置于所述升降移动座的底部,所述抽吸注液槽设置于所述夹持密封缸的下方,所述夹持密封缸包括底面的橡胶夹持部、顶面的金属顶壁部和设置于所述橡胶夹持部和所述金属顶壁部之间的金属缸体部,所述金属缸体部中设置有注液抽吸活塞,所述金属顶壁部固定安装有用于驱动所述注液抽吸活塞上下移动的活塞驱动液缸,所述橡胶夹持部设置有若干用于放置锂离子电池的电池夹持槽。本实用新型通过抽吸锂离子电池上端的注液孔使电解液从锂离子电池下端的注液孔中进入锂离子电池外壳中,整体结构精简、作业高效便捷。

标签:
加工技术
安徽 - 芜湖 来源:北方有色网 2023-03-18
艇载饱和潜水逃生舱锂电应急供电装置

本实用新型公开了一种艇载饱和潜水逃生舱锂电应急供电装置,属于饱和潜水领域,包括主电池箱和电池箱,电池箱设有多组,多组电池箱通过导线和主电池箱并联在一起,主电池箱上设置充电正极和充电负极,充电正极和充电负极用于连接充电线进行充电,主电池箱上还设置放电正极和放电负极,放电正极和放电负极连接艇内用电设备,所述主电池箱上还设置报警器和急停开关,急停开关用于紧急关闭主电池箱。本应急供电装置,锂电池箱采用分体式结构,有效利用艇内零碎空间,增大了内部人员可活动空间。应急电源选型为锂电池,占用空间小、使用寿命长。电池箱上设有急停开关,用于电池温度过高时在电池管理系统失效情况下紧急断电。

标签:
加工技术
安徽 - 芜湖 来源:北方有色网 2023-03-18
圆柱形锂电池外壳
圆柱形锂电池外壳 854     
 0

本发明公开了一种圆柱形锂电池外壳,包括由金属材料铝制成的上壳和下壳,上壳呈两端均为开口的圆筒状,上壳一端设有内螺纹,下壳为一端封闭,另一端开口的圆筒状,下壳开口端设有外螺纹,上壳和下壳通过螺纹可拆卸连接,下壳封闭端的中心向内凹陷并由中心向外部圆滑过度。本发明的下壳封闭端的中心向内凹陷,当锂电池内部气体压力增大时,下壳封闭端逐渐变为平面状态,避免发生爆炸,上壳和下壳通过螺纹可拆卸连接,当锂电池内部气压增大时,可通过拆卸下壳便可将气体排出,避免了发生爆炸而产生危险,提高了电池的使用寿命和安全性。此外下壳底部内侧设有多个限位柱,使得电池组件装配时易定位,不会在外壳内晃动。

标签:
加工技术
安徽 - 芜湖 来源:北方有色网 2023-03-18
提高锂离子电池模组末端电压一致性的方法及电池结构

本发明属于锂离子电池技术领域的提高锂离子电池模组末端电压一致性的方法,所述的提高锂离子电池模组末端电压一致性的方法的步骤为:对n个单体电池进行恒功率充放电;将每个单体电池根据恒功率放电最后一秒的电压进行筛选;将多个单体电池分为多组;在其中一个电池模组端板侧不加入气凝胶层,在其他组电池模组端板侧分别加入厚度不同的气凝胶层;对每个电池模组的末端电压分别进行记录,末端压差最小的一组电池模组的气凝胶层的厚度即为最佳气凝胶层厚度L。本发明所述的提高锂离子电池模组末端电压一致性的方法及提高锂离子电池模组末端电压一致性的电池结构,方便可靠实现电池模组的分组和配对组合,提升电池模组性能和使用寿命。

标签:
加工技术
安徽 - 芜湖 来源:北方有色网 2023-03-18
掺杂Ti、Mg、Al的球形钴酸锂的制备工艺

本发明涉及锂离子电池材料领域,特别涉及一种掺杂Ti、Mg、Al的球形钴酸锂的制备工艺。以纯水为底液,温度40~80℃,控制搅拌转速在60~180r/min,加入碳酸氢铵,调节底液的碱度5~30,将钴盐混合溶液和碳酸氢铵溶液连续并流泵入底液中,在40~80℃发生沉淀反应,控制反应体系的料浆固含量和碱度,反应料液由反应釜上部溢流口连续流出进入陈化釜,经洗涤压滤机洗涤和真空干燥机干燥,球形碳酸钴经一次焙烧后得到四氧化三钴,四氧化三钴配锂源经二次焙烧得到掺杂Ti、Mg、Al球形钴酸锂。本发明工艺流程简单,反应易于控制。生产成本低,产品应用范围广,具有较大的工业价值;球形钴酸锂,性能稳定,抗过充电性能较好。

标签:
加工技术
安徽 - 芜湖 来源:北方有色网 2023-03-18
液冷式锂电池模组
液冷式锂电池模组 918     
 0

本说明书一个或多个实施例提供一种液冷式锂电池模组,包括液冷管道,所述液冷管道包括进液口、出液口以及连通所述进液口和出液口的支管道,所述进液口通过液体冷却装置与所述出液口相连,所述进液口处设置有水泵,所述水泵将从所述液体冷却装置中冷却完毕的液体重新泵至所述容置仓内的液冷管道中。多个锂电池芯,设置于所述安装槽内。本发明提供的一种液冷式锂电池模组,通过在液冷管道的入液口设置推动冷却液体流动的水泵,加速了冷却液体在液冷管道内的流动速度,再通过单独的液体冷却装置将冷却液体更快的冷却,从而可以将锂电池芯产生的热量更快的带走,提高了锂电池模组的散热效率。

标签:
加工技术
安徽 - 芜湖 来源:北方有色网 2023-03-18
锂离子电池安全防护装置及方法

本发明的目的是提出一种锂离子电池安全防护装置及方法,以预防电池在高温陈化和长途运输中电池爆炸起火。本发明的锂离子电池安全防护装置包括一个绝缘塑性材料制成的容器,所述容器内盛装有防爆灭火液体。在高温陈化和长途运输时将锂离子电池安全防护装置放置于锂离子电池的上方。这样当电池爆炸时,容器破裂,容器内的防爆灭火液体直接注入到爆炸的电池,阻断燃烧和进一步的爆炸,从而达到防护效果。本发明的锂离子电池安全防护装置结构简单、成本低,其防护方法安全有效,可操作性强。

标签:
加工技术
安徽 - 芜湖 来源:北方有色网 2023-03-18
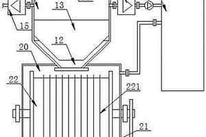
钴酸锂过筛除尘装置
钴酸锂过筛除尘装置 877     
 0

本实用新型涉及锂离子电池正极贮能材料生产过程中的一种除尘装置,具体是适用于锂电池原材料钴酸锂生产的过筛工序的除尘装置。钴酸锂过筛除尘装置,其特征在于,包括依次通过管道连接的风机、除尘器和过筛装置,所述过筛装置包括连接进料管道的超声振动筛、罩在超声振动筛外部的防尘罩,所述超声振动筛的出口设有除尘罩,除尘罩通过除尘管道与除尘器连通,除尘管道设有手动阀门。本实用新型钴酸锂过筛除尘装置,结构简单,操作便捷,各设备之间连接较为紧凑,能够显著降低粉尘的污染,改变工作环境,减少对工作人员的身体健康损害,同时减少物料浪费。

标签:
加工技术
安徽 - 芜湖 来源:北方有色网 2023-03-18
船体航行用锂电池组箱

本发明公开了一种船体航行用锂电池组箱,包括座体,座体设有安装槽,座体的侧壁设有扣板,扣板布置在安装槽位置,座体设有电池壳,电池壳设置在安装槽位置,电池壳的侧壁设有防滑槽,电池壳设有电池插口与固定孔。本发明可以将锂电池安装在电池壳内,通过电池插口方便电接线与锂电池对接,通过座体方便电池壳的安装,从而方便对锂电池进行安装在船体内。

标签:
加工技术
安徽 - 芜湖 来源:北方有色网 2023-03-18
锂电池规格筛选装置
锂电池规格筛选装置 852     
 0

本发明提供一种锂电池规格筛选装置,包括:四个底座,所述四个所述底座的顶部均固定连接有弹簧,四个所述弹簧的顶端共同固定连接有工作台,所述工作台顶部两侧靠近边缘处均固定连接有支撑座。本发明通过把需要筛选的锂电池放入到筛选筒中,通过两个第二液压缸、第二支撑板滑动到指定的锂电池对应规格的宽度,通过设置第一电机、螺杆、滑块、第一液压缸和毛刷左右移动,通过设置两个第三液压缸、两个固定架和横梁,两个第三液压缸前后移动,从而带动毛刷前后移动,这样可以让毛刷前后左右移动把锂电池通过第一通孔和第二通孔漏下。

标签:
加工技术
安徽 - 芜湖 来源:北方有色网 2023-03-18
车载锂电池智能充电方法及装置

本发明涉及一种车载锂电池智能充电方法及装置,能够对车载锂电池实现智能化充电。技术方案:交流电经滤波器滤波、经PFC电路转换成直流电后进入DC/DC转换器,其特征在于:DC/DC转换器输出电路的电压、电流信号反馈到单片机,单片机根据该信号对DC/DC转换器进行控制,使DC/DC转换器将PFC电路输出的直流电转换成适合充电的直流电输出给电池充电。

标签:
加工技术
安徽 - 芜湖 来源:北方有色网 2023-03-18
锂基膨润土
锂基膨润土 711     
 0

本发明提供一种锂基膨润土,所述膨润土制备工艺为:将膨润土矿中开采的膨润土原料进行筛选提纯去除杂质,得到膨润土原材加水,形成膨润土膏浆。往膨润土膏浆内加入酸化剂进行酸化。将酸化的膨润土膏浆进行水洗、过滤,直至洗液呈中性停止。向膨润土膏体内加入锂化剂,并进行加热搅拌。将膨润土膏浆进行干燥、磨粉。向膨润土内加入锂化剂,并进行加热搅拌。将加热搅拌均匀的膨润土进行陈化、过滤。将过滤后的膨润土进行干燥,磨粉,包装。本发明通过添加酸化剂对膨润土进行酸化增加活性,并且添加两次锂化剂加热搅拌进行改型,干法和湿法相结合,提高了膨润土的锂化效果和锂化效率,工艺简单。

标签:
加工技术
安徽 - 芜湖 来源:北方有色网 2023-03-18
液冷锂电池模组
液冷锂电池模组 978     
 0

本实用新型公开了一种液冷锂电池模组,涉及锂电池技术领域,包括底壳,所述底壳内放置有锂电池组,所述锂电池组上饶有冷却管,所述冷却管分为进液端与出液端,所述进液端连接在电动水泵上,所述进液端与出液端分别连接在散热箱的两端,所述出液端的底部还设有雾化拨轮,所述雾化拨轮安装在支架板内,所述支架板固定在散热箱内,所述底壳上还设有顶盖,本实用新型中设置的冷却管能够高效带走锂电池产生的热量,降低整个电池模组的工作温度;本实用新型中在出液端设置的雾化拨轮能将温度较高的出液端流出的冷却液打散、雾化,使成股的冷却液变成较小尺寸的液滴,帮助散热片更快的将热量带走。

标签:
加工技术
安徽 - 芜湖 来源:北方有色网 2023-03-18
锂电池串联焊接装置
锂电池串联焊接装置 730     
 0

本发明涉及锂电池串联焊接技术领域,具体是涉及一种锂电池串联焊接装置,包括底座和焊枪,底座上设置有滑动夹持组件,滑动夹持组件包括滑动支座、第一支架、第一夹持块、第二夹持块和第一螺纹杆。其通过转动第一螺纹杆,使得分隔块两侧相反的螺纹进行转动,从而使得第一夹持块和第二夹持块在第一螺纹杆上进行相向运动,从而使得第一夹持口和第二夹持口之间距离逐渐增大或者减小,从而便于进行夹持住不同型号的电池,并且使两个夹持口相互靠近,降低夹持卡槽的面积从而更便于夹紧锂电池。

标签:
加工技术
安徽 - 芜湖 来源:北方有色网 2023-03-18
锂电池与锌溴液流电池的混合储能管理系统

本发明公开了一种锂电池与锌溴液流电池的混合储能管理系统,其特征在于:所述的管理系统包括锌溴液流电池的五个电堆串联后,接入DC/DC变流器的低压端,DC/DC变流器隔离升压后分为16路并联输出到DC?Bus直流总线上;锂电池分为4路变流器接入DC/DC变流器的低压端,与锌溴液流电池在DC?Bus直流总线上汇流统一输出,构成直流输出端口,直接与PCS的直流端连接。本发明的优点解决了传统微网系统中单一电池应用的缺陷,即克服了锂电池的不能长时间深度放电种种技术问题及液流电池不能快速倍率放电等等问题,大大扩展了未来微网和智能电网中储能的应用规模和应用前景,具有极高的推广价值。

标签:
加工技术
安徽 - 芜湖 来源:北方有色网 2023-03-18
基于纳米二氧化钛改性的锂离子电池正极材料及其制备方法

本发明公开了一种基于纳米二氧化钛改性的锂离子电池正极材料及其制备方法,制备方法包括:1)将至少含有锂盐、镍盐和锰盐的混合溶液和沉淀剂混合后,向其中加入络合剂至pH为8‑11,反应10‑20h后过滤,将过滤后的沉淀经洗涤后,干燥,制得前驱体;2)将前驱体与溶剂混合在搅拌条件下,向上述混合物中滴加纳米二氧化钛悬浊液,制得混合液;3)将混合液在400‑600℃之间预热处理2‑3h后,再置于温度为700‑950℃的条件下保温18‑22h后,将温度降至400‑600℃退火20‑30h,制得基于纳米二氧化钛改性的锂离子电池正极材料。实现了一步法混合,且进一步提高制得的正极材料的充放电循环性能的效果。

标签:
加工技术
安徽 - 芜湖 来源:北方有色网 2023-03-18
具有内阻检测的锂电池保护板检测仪

本实用新型属于锂电池检测技术领域,具体是涉及一种具有内阻检测的锂电池保护板检测仪。具有内阻检测的锂电池保护板检测仪,其特征在于,具有:用于显示内阻数值的显示屏;用于切换检测功能的换挡开关;用于连接锂电池保护板的检测线;连接显示屏、换挡开关及检测线的电路。本实用新型具有内阻检测的锂电池保护板检测仪,采用四线制检测,内阻检测精度高,并且使用较为方便、快捷。

标签:
加工技术
安徽 - 芜湖 来源:北方有色网 2023-03-18
锂电池对齐度检测装置
锂电池对齐度检测装置 1049     
 0

本发明提供了一种锂电池对齐度检测装置,涉及锂电池领域,包括X‑RAY检测机及链传动装置,链传动装置穿过X‑RAY检测机;撑板及设置于撑板两端的连接块,若干撑板分布于链传动装置的两个链条之间,连接块与链条的链板固定连接;设置于撑板外侧表面的第一激光发射器及设置于X‑RAY检测机内的检测头的第一激光接收器,在第一激光接收器接收到第一激光发射器发出的信号时,X‑RAY检测机内的检测头开始检测;第二激光发射器及第二激光接收器,第二激光发射器设置于撑板外侧面,第二激光接收器固定于X‑RAY检测机的壳体内,第二激光接收器与X‑RAY检测机内的检测头电性连接;设于撑板的警报器,通过本装置,可有效提高锂电池对齐度的检测效率。

标签:
加工技术
安徽 - 芜湖 来源:北方有色网 2023-03-18
高电容锂离子电池正极片及其制备方法

本发明提供了一种高电容锂离子电池正极片及其制备方法,本发明应用高电容锂离子电池材料、导电剂和粘结剂混合后球磨,制得球墨浆;将球墨浆压片成型后裁片,本发明得高电容锂离子电池正极片,具有较好的充放电性能和循环使用性能。

标签:
加工技术
安徽 - 芜湖 来源:北方有色网 2023-03-18
利用金属热还原制备空心纳米硅球的方法、锂离子电池

本发明公开了一种利用金属热还原制备空心纳米硅球的方法、锂离子电池,利用活泼金属还原二氧化硅纳米球,控制活泼金属的含量使其只还原二氧化硅纳米球外表层,而内核仍然是二氧化硅,利用酸将活泼金属的氧化物除去,再采用氢氟酸除去内核未被还原的二氧化硅,得到空心纳米硅球。跟现有技术相比,本发明制备的产物粒径均匀,无需模板,所得材料嵌锂性能优异,合成的硅基负极材料的稳定比容量大于1500mAh/g,空心纳米硅球在孔壁及球内都有大量孔隙,可以充分容量嵌锂导致的体积膨胀,同时球形结构非常稳定,从而有效地减缓甚至消除电活性物质粉化脱落的现象,有效延长硅负极材料的循环寿命。而且合成工艺简单,易于实施。

标签:
加工技术
安徽 - 芜湖 来源:北方有色网 2023-03-18
锂动力电池充放电保护模块

本实用新型公开了一种锂动力电池充放电保护模块,其特征在于:包括与充电器相连接的由至少两路以上锂动力电池串接组成的电池组;所述的保护模块中设有与锂动力电池串联路数相等的检测芯片。将单路型锂电池保护芯片用于保护模块。单体电池的端电压在突破上下限或过流/短路发生时为实施保护的条件,各路信号通过逻辑与的关系得到最终保护信号。即任何一节锂电池出现非正常状态均予以保护。提高了锂动力电池的使用安全性和电池的使用寿命,彻底地杜绝了单体电池的过充电和过放电情况。该锂动力电池充放电保护模块自功耗极低,与串联锂电池组整体封装构成智能型锂电池包,具有体积小、重量轻,工作可靠等特点。

标签:
加工技术
安徽 - 芜湖 来源:北方有色网 2023-03-18
上一页 34 35 36 37 38 ... 48 下一页
共48页    到第

北方有色为您提供最新的安徽芜湖有色金属加工技术理论与应用信息,涵盖发明专利、权利要求、说明书、技术领域、背景技术、实用新型内容及具体实施方式等有色技术内容。打造最具专业性的有色金属技术理论与应用平台!

全国热门有色金属设备推荐
展开更多 +
全国热门有色金属技术推荐
展开更多 +

 

江西省隆恩特环保设备有限公司
宣传

报名参会
更多+

报告下载

有色专家
更多+

北京科技大学
教授
武汉理工大学
外籍院士/教授
任灵宝金源矿业股份有限公司
技术发展部经理
北京科技大学、中国科学院
院士
西北有色金属研究院、中国工程院
院士
赤泥综合利用研究报告2025
推广

热门技术
更多+

推荐企业
更多+

福建省金龙稀土股份有限公司
宣传

发布

在线客服

公众号

电话

顶部
咨询电话:
010-88793500-807