青岛垚鑫智能科技有限公司
宣传

位置:中冶有色 >

有色技术频道 >

> 加工技术

分类:
全部
矿山技术
冶金技术
材料制备及加工技术
环境保护技术
分析检测技术
 
全部
功能材料技术
复合材料技术
新能源材料技术
合金材料技术
加工技术
地区:
全部
北京
天津
上海
重庆
河北
山西
辽宁
吉林
黑龙江
江苏
浙江
安徽
福建
江西
山东
河南
湖北
湖南
广东
海南
四川
贵州
云南
陕西
甘肃
青海
内蒙
广西
西藏
宁夏
新疆
其他
其他
展开
 
全部
杭州
宁波
温州
绍兴
湖州
嘉兴
金华
衢州
台州
丽水
舟山

浙江湖州有色金属加工技术理论与应用

免费发布技术信息>>
防止电池燃烧的结构及应用该结构的锂离子电池

本实用新型涉及新能源锂离子电池结构技术领域,具体为一种防止电池燃烧的结构及应用该结构的锂离子电池,包括安装于电池上的防燃机构,防燃机构包括阻燃单元、导流单元及灭火单元,采用防燃机构将电池的任一单体内燃烧产生的物质导流至该防燃机构内预设的灭火介质处进行灭火处理,快速的解决燃烧的单体,保证相邻单体不会被波及,解决电池内一组单体燃烧,导致其余相邻单体受热燃烧爆炸的技术问题。

标签:
加工技术
浙江 - 湖州 来源:中冶有色网 2023-03-18
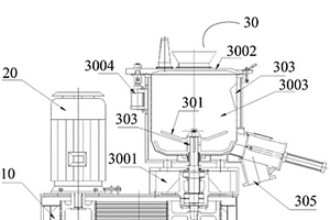
用于锂离子电池正极材料生产中的混料装置

本实用新型提供一种用于锂离子电池正极材料生产中的混料装置,该混料装置包括一高混机,该高混机包括混料单元,该混料单元包括混料主体、设置于该混料主体内部的搅拌单元、设置于该混料主体内侧壁的导流单元以及设置于该混料主体右侧下方的出料口,该导流单元包括一导流板,该导流板具有流线型结构。该混料装置中的流线型结构导流板,可快速的将混合的物料导流回搅拌中心处继续搅拌混合,减少死料废料的产生,提高混合效率,提高混合物均匀度;同时,当适用于锂电行业混料是,在锅体外设置有冷却腔,使得被混物料因摩擦产生的热量得以冷却,进一步提高混合效率。

标签:
加工技术
浙江 - 湖州 来源:中冶有色网 2023-03-18
高压储能用磷酸铁锂蓄电池系统

本实用新型公开了一种高压储能用磷酸铁锂蓄电池系统,包括外壳,所述外壳内设有多个蓄电池,蓄电池之间通过固定角架与绑条组成蓄电池组,所述蓄电池与外壳内设置的启动控制模块和充电控制模块相控制连接,启动控制模块同时与电源转换模块、BMS控制模块、充电控制模块、均衡器、充电激活模块以及放电控制模块相控制连接,充电激活模块与放电控制模块接至正极输出线,均衡器中电流与电压均衡通过一级降压单元、二级降压单元、一级电流放大器和二级电流放大器进行。本实用新型提供一种高压储能用磷酸铁锂蓄电池系统,结构设置巧妙,且布局合理,电池储能的充放电系统成本低,简单易行,能够满足现有市场上越来越严格的储能电池系统认证。

标签:
加工技术
浙江 - 湖州 来源:中冶有色网 2023-03-18
检测锂离子电池极片柔韧性的装置

本实用新型属于锂离子电池的检测技术领域,具体涉及一种检测锂离子电池极片柔韧性的装置,S1.裁切待检测极片;S2.松开夹持结构上的螺钉,分别将待检测极片的一侧端置于夹板与支架Ⅰ之间,其另一侧端置于夹板与支架Ⅱ之间,拧紧螺钉使待检测极片平整地夹持在支架Ⅰ与支架Ⅱ之间;S3.开启电动机以驱动齿轮带动齿条向靠近支架Ⅱ的方向移动,与齿条固接的金属棒则推动凸台移动,支架Ⅰ由此向支架Ⅱ的方向移动至指定终点,支架Ⅰ与支架Ⅱ之间的相对位移使待检测极片产生形变,液晶显示屏实时显示支架Ⅰ的位移值和与待检测极片形变反作用力值,得到所测极片的“应力‑应变曲线”,从而得到极片的柔韧性数据。

标签:
加工技术
浙江 - 湖州 来源:中冶有色网 2023-03-18
双向通风冷却的串行通风锂电池组散热系统

本实用新型公开了一种双向通风冷却的串行通风锂电池组散热系统,涉及锂电池散热领域领域,包括电池箱和垂直电池箱上下侧面设置于电池箱内的多排电池组,其特征在于:还包括设置在电池箱左端相邻的第一进口和第一出口,第一进口和第一出口之间设置有第一开关阀,设置在电池箱右端相邻的第二进口和第二出口,第二进口和第二出口之间设置有第二开关阀;还包括控制系统。本实用新型通过控制系统控制第一开关阀、第二开关阀关闭的位置,使冷却空气交替的以相反的方向进入电池箱进行冷却,能够提高通风结构中电池组温度分布的均匀性,而且每个方向的通风结构属于串行通风结构,具有低流阻的性能。

标签:
加工技术
浙江 - 湖州 来源:中冶有色网 2023-03-18
软包锂电池结构及电动车

本实用新型公开了一种软包锂电池结构及电动车,软包锂电池结构包括软包电芯、两个导电极耳,所述的两个导电极耳设于软包电芯之上,所述的两个导电极耳包括极耳顶、极耳底、呈带状的极耳身,所述的极耳顶伸出软包电芯之外,所述的极耳底处在软包电芯之内且与软包电芯内的导电体接触,所述的两个导电极耳的极耳身互相平行,所述的极耳顶呈圆弧形。本实用新型的有益效果是:能让导电极耳在接触到其它包电芯后不易划伤软包电芯的铝塑膜,防止造成不必要的破坏;导电极耳具有自适应调节能力,方便调节,还可进一步降低划伤其它软包电芯的可能性。

标签:
加工技术
浙江 - 湖州 来源:中冶有色网 2023-03-18
高压块状锂电池
高压块状锂电池 943     
 0

本实用新型公开了一种高压块状锂电池,包括防护套,所述防护套的顶部设置有密封塞,密封塞的顶端固定连接有封板,封板顶部的左右两侧对称设置有固定螺栓,防护套内腔的中部设置有三个支撑柱,相邻的支撑柱之间设置有负极片,两个负极片的左右两侧分别设置有三个折叠伸缩套,折叠伸缩套内腔的中部设置有伸缩导杆,伸缩导杆的中部套接有压缩弹簧,折叠伸缩套靠近负极片的一端固定连接有正极片。本实用新型所述的一种高压块状锂电池,为正极片提供移动支持,在防护套受外力冲撞时,负极片两侧的正极片因压缩弹簧的弹力带动负极片摇动,同时正极片紧贴负极片避免错位发生短路,进而为锂电的安全使用提供支持。

标签:
加工技术
浙江 - 湖州 来源:中冶有色网 2023-03-18
锂离子电池电解液添加剂及其制备方法和应用

本发明提供一种锂离子电池电解液添加剂及其制备方法和应用,所述添加剂为具有如式I所示结构的双氟代磷酸亚乙烯酯,该化合物可作为锂离子电池电解液的添加剂,提高电池容量、高温循环性能。本发明原料易得,成本低廉,工艺简单,生产效率高,纯度高,可作为电解液添加剂使用。

标签:
加工技术
浙江 - 湖州 来源:中冶有色网 2023-03-18
非水电解液及包含该电解液的锂离子二次电池

本发明公开了一种非水电解液,所述非水电解液包括成膜添加剂、电解液稳定添加剂和正极稳定添加剂;其中,所述成膜添加剂为含硫添加剂与含草酸添加剂中至少一种;所述电解液稳定添加剂为磷腈类化合物;所述正极稳定添加剂为双腈化合物、联苯及联苯的衍生物中至少一种。本发明还提供一种采用上述非水电解液制备的锂离子二次电池,上述锂离子二次电池具有优良的安全性能、高温循环性能及高温存储性能。

标签:
加工技术
浙江 - 湖州 来源:中冶有色网 2023-03-18
锂离子电池极片加工方法

本发明公开了一种锂离子电池极片加工方法,包括以下步骤:a、浆料制备:采用搅拌机构对正极浆料和负极浆料分别进行搅拌,正极浆料由粘合剂、导电剂、正极材料等组成;负极浆料则由粘合剂、石墨碳粉等组成;b、浆料涂覆:对搅拌好的浆料通过涂覆设备均匀涂覆在正负极集流板上;c、极片辊压:通过极片辊压机对涂覆完成的极片进行辊压;d、极片分切:采用极片分切设备将大卷极片裁切成需要的形状和大小;e、极片干燥:采用极片干燥装置对极片烘烤除水;其特征在于:极片分切设备包括机体、输送机构、放卷机构、裁切机构、收料机构,该锂离子电池极片分切设备,结构设置合理,提高切割质量,更节省人力和时间,产量和合格率大大提高。

标签:
加工技术
浙江 - 湖州 来源:中冶有色网 2023-03-18
锂电池快速烘干装置
锂电池快速烘干装置 1111     
 0

本实用新型提出了一种锂电池快速烘干装置,包括主体、支撑腿、合盖,所述主体内中部转动设有空心轴柱,所述空心轴柱内设有微波发射器,所述主体内设有多个围设于所述空心轴柱外侧的放置轴筒,所述放置轴筒与所述空心轴柱上下端通过齿牙啮合,所述放置轴筒底端转动设于所述主体底部,所述放置轴筒内中部设有套筒,所述套筒内设有内杆,所述放置轴筒内设有多个放置槽,所述放置槽一侧通过弹力带与所述放置轴筒内壁相连,另一侧连有拉绳且拉绳外端与所述内杆侧壁相连,本实用新型可用于多组锂电池烘干,且每组均可根据需要调节微波烘干距离,针对性强,整体均匀度高,实用性好。

标签:
加工技术
浙江 - 湖州 来源:中冶有色网 2023-03-18
动力锂离子电池隔膜
动力锂离子电池隔膜 910     
 0

本实用新型公开了一种动力锂离子电池隔膜,包括PET无纺布基材,所述PET无纺布基材上涂布有无机物颗粒的涂层,所述PET无纺布基材由具有微纤结构的原纤化芳纶纤维与超细PET纤维通过湿法成形工艺混合成型,所述涂层上涂敷有多孔的PVDF膜;与现有的技术方案相比较,本实用新型的动力锂离子电池隔膜,通过在PET无纺布基材上加入氧化物颗粒,实现了对孔径的控制,得到了孔径在几百纳米之内的隔膜材料,具有更好的耐温性能,PVDF膜的设置提高了其吸液保湿能力。

标签:
加工技术
浙江 - 湖州 来源:中冶有色网 2023-03-18
防止电池起火爆炸的电芯结构和具有该电芯结构的锂离子电池

本发明公开了一种防止电池起火爆炸的电芯结构,包括电芯本体和电芯壳体,所述的电芯本体的外部包覆有高温自裂密封装置,所述的电芯壳体内侧设置有减振装置,所述的减振装置与密封装置之间设置有空腔,所述的空腔内部填充有灭火材料。还公开了具有该电芯结构的锂离子电池。该防止电池起火爆炸的电芯结构和具有该电芯结构的锂离子电池,具有设计简单,外形结构成型、出模简易;防止起火爆炸的性能好,在与同等电池结构比较,材料成本更低廉,安全性由0%提高到99%以上,使用安全可靠,可以广泛应用到交通动力(电动自行车、电动摩托车、电动汽车),储能、航天、通信备用电源等领域。

标签:
加工技术
浙江 - 湖州 来源:中冶有色网 2023-03-18
锂离子电池用陶瓷隔膜及其制备方法

本发明公开了一种锂离子电池用陶瓷隔膜,包括隔膜基材及其表面的陶瓷涂层,其中陶瓷涂层选用具有多孔结构和高比表面积的陶瓷颗粒。制备方法包括如下步骤:(1)将陶瓷颗粒、粘结剂和溶剂混匀,得到涂覆浆料;(2)将涂覆浆料均匀涂覆在隔膜基材表面,经过干燥形成陶瓷隔膜。本发明中多孔陶瓷粉体和粘结剂之间具有很强的结合力,有效避免了掉粉现象;同时本发明公开的陶瓷隔膜还具有良好的电解液浸润性和极强的吸液能力,提高了锂离子电池的循环寿命和倍率性能,具有优异的电化学性能;此外,同样厚度下多孔陶瓷涂层的质量远低于普通陶瓷涂层,提高了电池的能量密度。

标签:
加工技术
浙江 - 湖州 来源:中冶有色网 2023-03-18
锂离子电池用复合有纤维素的聚乙烯隔膜及其制备方法

本发明涉及锂离子电池隔膜制备技术领域,公开了一种锂离子电池用复合有纤维素的聚乙烯隔膜及其制备方法,隔膜包括隔膜基材和涂层,隔膜基材由以下物质制备而成:65-75重量份聚乙烯,5-10重量份丙烯酸乙烯酯,5-10重量份天然纤维素浆料,3-5重量份角蛋白,1-3重量份乙二醇二缩水甘油醚,8-10重量份褐藻提取物。涂层由涂层浆料涂布于隔膜基材表面而成,由以下物质制备而成:1-5重量份纳米无机填料,3-5重量份粘结剂,20-30重量份丙烯酸乙烯酯,1-5重量份贻贝壳粉,1-5重量份埃洛石纳米管,57-67重量份有机溶剂。本发明的隔膜能够耐高温,在受热后能够保持尺寸稳定的同时,还具有较强的吸湿保液能力和对电解液较好的浸润性;此外本发明的隔膜还具有较好的抗尖刺强度。

标签:
加工技术
浙江 - 湖州 来源:中冶有色网 2023-03-18
无铜片锂离子电池模块
无铜片锂离子电池模块 1074     
 0

本实用新型公开了一种无铜片锂离子电池模块,包括单体电池、夹持固定单体电池的支架以及贴靠在支架上串联或并联单体电池的汇流组件,所述汇流组件为一体成型的镍片,所述镍片在每个单体电池所在的位置均设有通孔,所述通孔内具有与单体电池焊接的焊脚,所述焊脚与通孔边缘通过连接脚连接。本实用新型无铜片锂离子电池模块通过一体成型的整片镍片代替现有设计中由铜片与镍带组成的汇流组件,加工工序上更加简单,也减轻了产品的重量。

标签:
加工技术
浙江 - 湖州 来源:中冶有色网 2023-03-18
锂电池组包膜用封边机
锂电池组包膜用封边机 1215     
 0

本实用新型公开了一种锂电池组包膜用封边机,封边机包括相互耦接的时间控制器、指示器以及控制开关,所述时间控制器包括相互耦接的加热时间控制器和操作时间控制器,所述加热时间控制器一侧耦接有用于安置锂电池组的加热带,所述控制开关包括总开关和操作开关,所述总开关、操作开关、加热时间控制器以及加热带电连接;所述总开关、操作开关、以及操作时间控制器电连接;精确控制加热以及冷却时间,改善热缩膜热封质量,减少密封不严或者封穿的问题,能够获得更好的热缩膜外观质量。

标签:
加工技术
浙江 - 湖州 来源:中冶有色网 2023-03-18
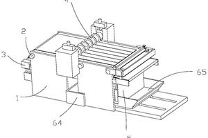
焊接精度高的锂电池负极焊接装置

本实用新型公开了一种焊接精度高的锂电池负极焊接装置,包括用于转移电池的输送机构,所述电池内插有与负极接触的辅助焊针,所述输送机构包括相互衔接进料传送带和中转滑槽,所述中转滑槽与进料传送带垂直连接,在连接处设有将电池由进料传送带推移至中转滑槽的进料活动推板,所述中转滑槽的上方设有用于扶持电池的升降压板以及与辅助焊针相配合的自动焊机。本实用新型实现锂电池负极的自动焊接,不仅提高了生产效率,而且焊接进度也大大提高。

标签:
加工技术
浙江 - 湖州 来源:中冶有色网 2023-03-18
硅铝酸盐锂离子固态电解质及其制备方法

本发明属于固态电解质技术领域,公开了一种硅铝酸盐锂离子固态电解质及其制备方法,硅铝酸盐锂离子固态电解质为锂辉石及衍生体系,化学式为Li1‑xAl1‑xSi2+xO6;其中,x=0.5、0.25、‑0.25、‑0.5、‑0.75或‑1.00。由于本发明调节了LiAlSi2O6中Al与Si的比值预测了Li1‑xAl1‑xSi2+xO6材料体系,相比原始的LiAlSi2O6,本发明提供的Li1‑xAl1‑xSi2+xO6(x≠0)体系拥有更好的室温下锂离子传导率。本发明改变LiAlSi2O6中Al与Si的比值得到的一系列材料,其电化学稳定性仍然保持较好的水平,作为固态电解质的安全性能有保障。在该类材料中对Al和Si其中其中或两种元素进行同族元素替代,可进一步提升电导率。

标签:
加工技术
浙江 - 湖州 来源:中冶有色网 2023-03-18
锦锂鱼白云病的防治中药

本发明公开了一种锦锂鱼白云病的防治中药,该防治中药包含如下原料:酵素粉、金莲花、四季青、远志、百部、黄芩、乌梅、石榴皮、连翘、野菊花、大青叶、蜂胶。将本发明所制得的防治中药与鱼饲料复配用于锦锂鱼的喂养,锦锂鱼对于白云病具有完全的免疫、良好的抗病效果,其中治愈率达85%以上,此外还能增加锦锂鱼的生长速度,提高饲料的利用率。

标签:
加工技术
浙江 - 湖州 来源:中冶有色网 2023-03-18
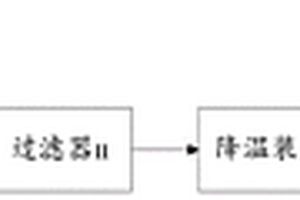
锂电池回收处理工艺中烟气干法净化处理系统及方法

本发明公开了一种锂电池回收处理工艺中烟气干法净化处理系统及方法,所述系统包括依次连接的用于除尘的过滤器I、用于吸附氟化物的烟气净化反应器、用于收集载氟氧化铝的过滤器II、用于降低烟气温度的降温装置、用于裂解VOCs的UV光解装置以及活性炭处理箱;所述方法包括将废旧锂电池回收处理工艺中产生的氟化物、VOCs、颗粒粉尘等多重污染因子的烟气依次通过柔性膜粉尘过滤器I、净化反应器、柔性膜粉尘过滤器II、换热器或急冷塔、UV光解装置以及活性炭处理箱处理后实现烟气达标排放。本发明净化后的烟气能实现达标排放;本发明所产生的载氟氧化铝,可作为电解铝生产用的原料,能减少氟盐消耗,不会产生二次污染及其他废水和废渣。

标签:
加工技术
浙江 - 湖州 来源:中冶有色网 2023-03-18
高电压电解液及锂离子电池

本发明公开了一种高电压电解液,包括主锂盐、有机溶剂,所述电解液还包括:第一添加剂,所述第一添加剂为如下式(I)所示的噻吩磷酸酯化合物中的至少一种:式中,R1、R2独立地选自C1~C12烃基、C1~C12氟代烃基;R3选自直连键、C1~C12亚烷基或C1~C12氟代亚烷基;第二添加剂,所述第二添加剂选自锂盐类添加剂或有机酯类添加剂中的至少一种。本发明的高电压电解液具有负极界面相容性好,电芯高电压稳定性、长循环性能等得到有效改善的优点。

标签:
加工技术
浙江 - 湖州 来源:中冶有色网 2023-03-18
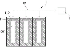
柱状锂离子电池散热装置

一种柱状锂离子电池散热装置,包括散热箱体、多根传热管以及设置于散热箱体上的流体输入口和流体输出口,所述传热管内安装锂离子电池,并贯穿散热箱体;所述散热箱体包括一端开口的空心箱体结构的底座以及与传热管一端连接并同时密封底座上开口处的盖板,所述传热管的另一端管壁外表面与底座一体连接;所述盖板包括连接于底座开口处内壁上的内连接层以及包裹于内连接层外的外连接层;所述外连接层通过浇注成型,并与传热管和底座一体成型。通过多根安装单体电池的传热管贯穿散热箱体的设置,使进入散热箱体的低温流体充分接触每个传热管,从而提高了散热效率,同时保证散热均匀。

标签:
加工技术
浙江 - 湖州 来源:中冶有色网 2023-03-18
用于柱状锂离子电池散热装置的制造方法及其装置

一种用于柱状锂离子电池散热装置的制造方法,包括如下步骤:(a)底座和传热管一体成型,底座与传热管通过铸造模具浇注一体成型;(b)导流板的安装,将导流板插入相邻传热管之间;(c)然后将内连接层通过连接孔套接于传热管上,从而设置于底座上,所述内连接层采用锻压或者模具铸造的方法制造;(d)最后通过外连接层固定内连接层和传热管的另一端,同时密封整个底座的开口;所述外连接层利用底座、内连接层与外部模具形成浇注腔室,通过二次浇注直接形成外连接层。采用底座与传热管一体成型工艺以及将盖板分为内、外连接层并通过二次浇注的方法生成的工艺,极大的提高了工作效率,降低了生产成本。

标签:
加工技术
浙江 - 湖州 来源:中冶有色网 2023-03-18
用于锂离子二次电池的水性粘合剂

本发明公开了一种用于锂离子二次电池的水性粘合剂,包含:软单体、硬单体、功能性单体、乳化剂、引发剂、缓冲剂和去离子水,其中,功能性单体为含有至少两个不同官能团的单体。本发明的水性粘合剂对锂离子电池用固体粉末材料有较强的粘结性能,同时对于电解液又具有优良的耐腐蚀性。

标签:
加工技术
浙江 - 湖州 来源:中冶有色网 2023-03-18
成分均匀的球状掺杂钽酸锂多晶原料的合成方法

本发明公开了一种成分均匀的球状掺杂钽酸锂多晶原料的合成方法,是将钽源原料在含羧酸基的有机溶剂中均匀混合,形成含钽配合物,通过热重分析的方法计算出钽的准确量,再加入Li+,MgO或ZnO,磁力搅拌实现掺杂元素和基质材料原子级别的均匀混合,再采用喷雾干燥造粒技术,实现对多晶料粒径的控制,在低于固相反应温度下锻烧合成而成。本发明合成的多晶料的一级颗粒尺寸在纳米尺度,其熔点明显低于固相反应多晶料,不但可以节省能源,而且对于连续加料生长工艺来说,可实现掺杂化学计量比钽酸锂晶体生长的自动化。

标签:
加工技术
浙江 - 湖州 来源:中冶有色网 2023-03-18
电池级氢氧化锂液体提纯装置

本发明公开了一种电池级氢氧化锂液体提纯装置,涉及氢氧化锂生产技术领域。本发明包括工作台,工作台底面固定连接有四个支撑柱,工作台内表面固定连接有釜体,支撑柱侧壁固定连接有电控箱,顶部开设有入料口,底部侧壁开设有出料口,釜体内壁固定连接有隔板,隔板顶面开设有矩形槽,隔板底面固定连接有两个角铁,隔板底面通过两个角铁固定连接有固定座,固定座底部贯穿釜体并且延伸至釜体底部,本发明通过利用多组滤网对结晶母液进行逐级过滤,可以提高提取装置的过滤性能,滤网的倒锥形结构有利于过滤的杂质聚集,通过输送泵进行循环过滤,进一步提高了过滤效果,使得制得的氢氧化锂纯度提高。

标签:
加工技术
浙江 - 湖州 来源:中冶有色网 2023-03-18
锂离子电池用安全隔膜及其制备方法

本发明公开了一种锂离子电池用安全隔膜及其制备方法,该安全隔膜由无机纤维、棉花纤维、聚偏氟乙烯、羧甲基纤维素钠、无水乙醇、聚乙烯微球、三乙氧基乙烯基硅烷和聚丙烯酰胺等原料制得,其中的无机纤维为具有正温度系数特性的纤维,该安全隔膜由聚乙烯微球中间层制备、增强涂层制备、增强涂层涂覆和隔膜高温固化等步骤制得。本发明中的电池隔膜中有纤维作为增强体,即使是在受高温后也不容易发生大幅收缩;添加了多种具有正温度系数特性的材料,可以在高温情况下阻断锂离子电池内电解液中离子的迁移;锂离子电池隔膜制备方法简单合理,制得的隔膜层状结构,中间的聚乙烯微球制得的聚乙烯薄膜层起支撑作用,外侧的纤维层起到加强作用。

标签:
加工技术
浙江 - 湖州 来源:中冶有色网 2023-03-18
聚酰亚胺负极高能量密度锂离子电池

本发明涉及锂离子电池领域,公开了一种聚酰亚胺负极高能量密度锂离子电池,包括正极、负极、电解液,所述负极包括负极集流体、涂覆于负极集流体表面的聚酰亚胺负极层、涂覆于聚酰亚胺负极层表面的陶瓷层;聚酰亚胺负极层由聚酰亚胺负极浆料固化而成;聚酰亚胺负极浆料包括45‑90重量份聚酰亚胺、10‑30重量份导电剂、0‑25重量份粘结剂、40‑80重量份有机溶剂;其中聚酰亚胺、导电剂和粘结剂的总和为100重量份。本发明的锂离子电池不存在首次充电SEI成膜过程中对容量的损耗,也不存在SEI的不断修复及溶剂分子共插入而导致电池容量衰减问题。同时电池不含隔膜,体积小、制作简单,能量密度高,安全性好。

标签:
加工技术
浙江 - 湖州 来源:中冶有色网 2023-03-18
废旧锂离子电池电极材料回收再生的方法

本发明公开了一种废旧锂离子电池电极材料回收再生的方法,属于电极材料的回收和循环再利用领域。所述方法包括对废旧锂离子电池进行拆解、分选极片、氨水浸泡、洗涤以及烘干。将所得的正、负极片分别进行高温处理,然后采用机械方法分离即得到正负极粉体材料和集流体。对得到的正极粉体材料补锂,经沙磨、喷雾干燥后,再经焙烧,得再生的正极材料。将得到的负极粉体材料经过沙磨、喷雾干燥后,再经焙烧,得再生的负极材料。本发明所述的方法回收正负极材料,具有能耗低、工艺简单、处理周期短、再生材料活性好以及无三废污染的优点。

标签:
加工技术
浙江 - 湖州 来源:中冶有色网 2023-03-18
上一页 28 29 30 31 32 ... 57 下一页
共57页    到第

中冶有色为您提供最新的浙江湖州有色金属加工技术理论与应用信息,涵盖发明专利、权利要求、说明书、技术领域、背景技术、实用新型内容及具体实施方式等有色技术内容。打造最具专业性的有色金属技术理论与应用平台!

全国热门有色金属设备推荐
展开更多 +
全国热门有色金属技术推荐
展开更多 +

 

江西省隆恩特环保设备有限公司
宣传

报名参会
更多+

报告下载

有色专家
更多+

郑州大学
校长/党委书记
赣州江钨钨合金有限公司
副总经理
任灵宝金源矿业股份有限公司
技术发展部经理
中冶沈勘秦皇岛工程技术有限公司
原矿山院院长/教授级高工
西安建筑科技大学
院长/教授
赤泥综合利用研究报告2025
推广

热门技术
更多+

推荐企业
更多+

福建省金龙稀土股份有限公司
宣传

发布

在线客服

公众号

电话

顶部
咨询电话:
010-88793500-807