青岛垚鑫智能科技有限公司
宣传

位置:北方有色 >

有色技术频道 >

> 加工技术

分类:
全部
矿山技术
冶金技术
材料制备及加工技术
环境保护技术
分析检测技术
 
全部
功能材料技术
复合材料技术
新能源材料技术
合金材料技术
加工技术
地区:
全部
北京
天津
上海
重庆
河北
山西
辽宁
吉林
黑龙江
江苏
浙江
安徽
福建
江西
山东
河南
湖北
湖南
广东
海南
四川
贵州
云南
陕西
甘肃
青海
内蒙
广西
西藏
宁夏
新疆
其他
其他
展开
 
全部
郑州
开封
洛阳
平顶山
安阳
鹤壁
新乡
焦作
濮阳
许昌
漯河
三门峡
商丘
周口
驻马店
南阳
信阳
济源

河南洛阳有色金属加工技术理论与应用

免费发布技术信息>>
锂离子电池正极浆料及其制备方法

本发明涉及一种锂离子电池正极浆料及其制备方法,属于锂离子电池技术领域。本发明的锂离子电池正极浆料的制备方法,包括以下步骤:1)将胶液加入导电浆料中混匀,制得复合浆料;所述胶液包括粘结剂和溶剂;所述导电浆料包括导电剂和分散剂;2)将部分正极活性物质加入所得复合浆料中混匀,得到初级正极浆料;3)将剩余正极活性物质加入初级正极浆料中混匀,即得。本发明的锂离子电池正极浆料的制备方法得到的浆料分散均匀、稳定且有助于提高锂离子电池正极能量密度,经扫描电子显微镜观察,制得的正极浆料中颗粒之间无明显团聚,导电剂均匀的包覆在正极活性物质上。

标签:
加工技术
河南 - 洛阳 来源:北方有色网 2023-03-18
应用绝缘网的锂电池箱

本实用新型提供了一种应用绝缘网的锂电池箱;电池模组放置于锂电池箱体内,锂电池箱体与电池模组之间的缝隙中放置有绝缘网,前述锂电池箱体与电池模组之间的缝隙和电池模组之间的缝隙中均灌封有机硅胶,电池模组的顶部安装有电池保护系统,电池箱盖子可拆卸安装于箱体开口处,提手安装在电池箱盖子的上面。本实用新型借助绝缘网和有机硅胶设计出一种锂电池箱,锂电池箱通过绝缘网达到绝缘的目的,提高锂电池用电的安全性;有机硅胶使箱体和电池模组间接接触,散热均匀,防止电池模组温度过高引起自燃;解决了锂电池在使用过程中极大的安全隐患,市场竞争潜力巨大。

标签:
加工技术
河南 - 洛阳 来源:北方有色网 2023-03-18
锂离子电池、其盖板组件及其电极引片

本实用新型涉及锂离子电池、其盖板组件及其锂离子电池电极引片。其中锂离子电池电极引片具有正面和反面,并具有在锂离子电池被组装时沿延伸方向与锂离子电池电极引片的宽度方向一致的折弯轴线被折弯的折弯连接部,所述锂离子电池电极引片的正面和反面中的至少一个面上设有贯穿锂离子电池电极引片的宽度方向延伸的用于确定锂离子电池电极引片的折弯轴线的凹痕。采用上述技术方案,可以降低锂离子电池电极引片的凹痕处被折弯的阻力,在锂离子电池组装时,锂离子电池电极引片将会沿此凹痕变形从而折弯,为锂离子电池电极引片的变形提供了良好的引导,方便操作,不易损坏。

标签:
加工技术
河南 - 洛阳 来源:北方有色网 2023-03-18
用于提高磷酸铁锂电池循环使用寿命的方法

一种用于提高磷酸铁锂电池循环使用寿命的方法,包括磷酸铁锂浆料的制备、磷酸铁锂正极浆料的制备以及正极极片的制备,磷酸铁锂正极浆料在pH值为8.5~9的碱性条件下,Fe2+具有较稳定的氧化还原能力,显著提高磷酸铁锂电池层间结构的稳定性和循环寿命,并且对磷酸铁锂离子电池的一致性起到积极的作用,通过涂布温度和涂布速度可以保证磷酸铁锂正极浆料中的水分被充分蒸发,防止正极极片在高温高碱性水溶液中被腐蚀,制备出的正极极片具有较好的化学稳定性,可以提高磷酸铁锂电池的循环使用寿命,尤其提高磷酸铁锂正极浆料的碱性环境和能力,从而提高磷酸铁锂电池的搁置性能和循环稳定性,过程简单,成本低,效果显著,适合大规模生产。

标签:
加工技术
河南 - 洛阳 来源:北方有色网 2023-03-18
锂离子动力电池气密性检测用辅助装置及倒置盒

本实用新型提供了一种锂离子动力电池气密性检测用辅助装置及倒置盒,倒置盒包括下端用于与电池周转盒的上端对接的盒体,盒体上设有与电池周转盒中的电池相对应的检测孔,盒体上设置有倒置盒配合结构,锂离子动力电池气密性检测用辅助装置还包括用于与倒置盒配合结构和电池周转盒配合以将倒置盒和电池周转盒锁紧在一起的倒置盒‑周转盒锁紧结构。把上道工序流转的装有整盒锂离子动力电池的电池周转盒与倒置盒对接后,通过转动装配结构快速倒置,推送到检测室中检测,避免了一支一支地倒置和放正锂离子动力电池,可以一次倒置和放正整盒锂离子动力电池,降低了劳动强度,提高了检测效率。

标签:
加工技术
河南 - 洛阳 来源:北方有色网 2023-03-18
汽车用碳纳米管锂电池双电池组装置的安装方法

一种汽车用碳纳米管锂电池双电池组装置的安装方法,通过人工把第一锂电池、第二锂电池分别装入电池腔体中,第一锂电池、第二锂电池分别的第一负极片、第二负极片为顺向向右侧安装、装填;双锂电池的装填后,第一锂电池与第二锂电池的第一正极片与第二正极片之间通过人工手动安装正极的极片连板后进行锡焊,第一负极片与第二负极片之间通过人工手动安装负极的极片连板后进行锡焊;通过人工操作聚氨酯发泡胶对应双锂电池内绝缘盖体上面的注胶孔向填充物腔体中进行注胶、安装双锂电池上盖体;本发明的汽车用碳纳米管锂电池为双电池组装置,通过多组的双电池组装置并联为不同的车型配置电源;延长了的检修周期,加强车用锂电池的使用寿命。

标签:
加工技术
河南 - 洛阳 来源:北方有色网 2023-03-18
BiOF包覆的镍锰酸锂正极材料的制备方法

本发明公开了一种BiOF包覆的镍锰酸锂LiNi0.5Mn1.5O4正极材料的制备方法,以氧化镍、碳酸锰和碳酸锂为原料,并加入石墨粉,球磨后进行烧结,制得镍锰酸锂LiNi0.5Mn1.5O4正极材料;然后将Bi(NO3)3·5H2O溶于去离子水中,加入柠檬酸溶液和氟化铵晶体,用氨水调节pH为8‑9;将所得镍锰酸锂LiNi0.5Mn1.5O4正极材料粉末与所制备的Bi(NO3)3的混合溶液进行混合,烘干后烧结,得到BiOF包覆的镍锰酸锂LiNi0.5Mn1.5O4正极材料粉末。该BiOF包覆的镍锰酸锂LiNi0.5Mn1.5O4正极材料在循环100次后比容量保持保持率为88.9%,极大提高了镍锰酸锂LiNi0.5Mn1.5O4正极材料的循环稳定性能。

标签:
加工技术
河南 - 洛阳 来源:北方有色网 2023-03-18
嵌锂三氧化钼电极材料的制备方法

本发明公开了一种嵌锂三氧化钼电极材料的制备方法,取钼酸锂加去离子水制成钼酸锂水溶液,调整溶液的pH为0.5~3.0至出现白色沉淀,然后在170~180℃水热反应4~40小时,分离、干燥得到嵌锂三氧化钼电极材料。本发明采用钼酸锂(Li2MoO4)为原料采用水热反应一步法制备嵌锂三氧化钼电极材料,制备方法简单易行,采用的原料简单且易于控制,制备的成本大大降低。采用本发明制备的嵌锂三氧化钼电池材料,在100mA/g放电电流下,首次放电比容量≥300mA·h/g,循环10周后其放电比容量≥250mA·h/g,容量保持率达85.5%以上,循环性能优良,十分广阔的应用前景。

标签:
加工技术
河南 - 洛阳 来源:北方有色网 2023-03-18
二氟草酸硼酸锂催化合成方法

本发明涉及二氟草酸硼酸锂催化合成方法,属于新能源材料制备技术领域。具体步骤如下:(1)所有生产反应容器采用高纯氮气置换后,置于高纯氮气保护下加入物料;(2)在密闭干燥反应器中,将干燥定量无水四氟硼酸盐和定量无水氯化锂加入到搅拌反应器的有机溶剂中溶解,配制溶液;(2)在搅拌反应器中加入定量催化剂,在规定温度加热搅拌反应,使其充分反应;(3)反应完成后过滤,分离固体副产物,得到四氟硼酸锂的有机溶液;(4)在高纯氮气保护下将定量无水草酸加入到四氟硼酸锂溶液中,在规定温度、规定压力和尾气吸收液控制下充分反应,得到二氟草酸硼酸锂溶液。本发明二氟草酸硼酸锂催化合成方法简单,催化剂效果好、转化率高,中间体四氟硼酸锂无需与溶剂分离,简化了工艺流程,在新能源材料领域有着良好的应用前景。

标签:
加工技术
河南 - 洛阳 来源:北方有色网 2023-03-18
锂离子电池用多元硅氧负极材料及其制备方法

一种锂离子电池用多元硅氧负极材料及其制备方法,涉及新材料技术领域,本发明中负极材料包含Si、O、Li、C、Al、Zr、P七种元素,负极材料中包含复数个颗粒单元,每个颗粒单元均为核壳结构,本发明依据锂离子二次电池工作原理,把在组成电池后负极材料无效消耗锂材料的过程提前到在材料制造过程中给予预先完成,从而达到负极材料首次效率高循环寿命长的需求特性,同时减少在制成电池后充放电时无效消耗锂的量;通过预先在负极材料颗粒表面形成锂离子固体电解质膜,减弱在制成电池后负极材料与液体电解质反应生成固体电解质的反应,减少因反应形成固体电解质膜所要消耗的锂量,最终即可实现提升首次效率和循环寿命的目的等。

标签:
加工技术
河南 - 洛阳 来源:北方有色网 2023-03-18
锂电池极耳长度检验装置

本发明涉及一种锂电池极耳长度检验装置。该锂电池极耳长度检验装置,包括底座,所述底座上设有用于限制锂电池具有极耳一端位移的第一限位凸台,所述第一限位凸台上设有用于避让锂电池极耳的避让口,所述底座上还设有用于限制锂电池没有极耳一端位移的第二限位凸台,所述底座上还设有用于测量极耳长度的量具。本发明的锂电池极耳长度检验装置,将锂电池放置于第一限位凸台和第二限位凸台之间,保证锂电池的位置固定,锂电池的极耳放置在避让口中,通过量具能够准确测量极耳的长度,为后续的分析提供数据。

标签:
加工技术
河南 - 洛阳 来源:北方有色网 2023-03-18
补锂复合隔膜、制备方法及应用

本发明公开了一种补锂复合隔膜、制备方法及应用,属于锂二次电池技术领域。本发明中补锂复合隔膜在基膜的两侧分别设置有陶瓷层和陶瓷‑补锂层,一方面能提高隔膜的耐温性能,改善其热收缩性,减少短路事故的发生,另一方面能及时补充充放电过程中消耗的锂离子,增大离子传输速率,从而提高锂电池循环过程中的结构稳定性。本发明将补锂层设置在陶瓷层表面,能避免金属锂粉直接与基膜接触,引起微孔堵塞造成安全隐患,同时陶瓷层能起到缓冲、散热的作用,有助于提高锂粉在使用过程中的安全性。同时,锂电池采用网状集流体,能保证锂离子快速通过正、负极片,为及时补充锂离子提供高速通道。

标签:
加工技术
河南 - 洛阳 来源:北方有色网 2023-03-18
锂电池模块装配用上料装置

本实用新型涉及一种锂电池模块装配用上料装置,包括底架和设置于底架上的通过手动或驱动机构能够前后往复运动的移动台,移动台上设有用于供锂电池模块安装的托盘。移动台上设有用于供锂电池模块安装的托盘,移动台在手动或驱动机构的作用下可以带动托盘及锂电池模块前后往复运动以推入装配设备中或拉出装配设备中,解决了现有技术中由于将锂电池模块搬起后运至装配位置的过程中劳动强度大、易造成人身安全的问题,同时提高了工作效率。

标签:
加工技术
河南 - 洛阳 来源:北方有色网 2023-03-18
锂电池化成、分选和立体库整合系统

本实用新型涉及锂电池化成、分选和立体库整合系统,该系统包括:化成模块,包括化成上位机,用于存储锂电池化成数据、测试锂电池内阻;分选模块,用于读取化成上位机的锂电池化成数据,并根据设定的标准划分并打印出锂电池标号设于对应锂电池上;立体库模块,用于根据化成模块和分选模块的锂电池信息生成该锂电池的入库作业指令;输送机,用于输送锂电池;所述化成模块、分选模块、立体库模块通讯连接;通过数据与信息共享互动,实现从化成自动输送锂电池到分选,自动完成锂电池的分容和分选并根据结果实现自动入库,提高了锂电池生产线的自动化水平,减少人工并减轻工作量,避免人为录入数据错误和操作失误,大大提高了工作效率。

标签:
加工技术
河南 - 洛阳 来源:北方有色网 2023-03-18
退役锂电池健康状态评估装置

一种涉及锂电池性能检测技术领域的退役锂电池健康状态评估装置,包含评估系统主机,还包含架体、锂电池卡放装置和冷却水箱;所述架体呈阶梯结构,架体内设有冷却水箱以及用于检测锂电池健康状态的评估系统主机,所述冷却水箱内设有循环泵;所述架体的阶梯面间隔设有多个锂电池卡放装置,且相邻的锂电池卡放装置互不干涉影响;所述锂电池卡放装置包含底座和抱紧夹板,所述底座顶部两端均设有抱紧夹板,所述抱紧夹板呈直角折弯状,且抱紧夹板的水平板面能够与底座顶部对应提盒,抱紧夹板对应直角折弯位置的两侧均与底座对应铰接;本实用新型有效提高了检测退役锂电池健康状态的安全系数。

标签:
加工技术
河南 - 洛阳 来源:北方有色网 2023-03-18
锂电池检测用固定装置

本实用新型涉及一种锂电池检测用固定装置,包括用于放置待检测锂电池的电池盒体,所述电池盒体包括底壁和围设于底壁周围的侧壁,所述电池盒体在沿待检测锂电池的排列方向的相对两侧设置有可沿待检测锂电池排列方向相向移动而夹紧待检测锂电池的固定挡止装置和用于在固定挡止装置移动到位后对固定挡止装置进行锁紧固定的锁止结构。本实用新型中可根据待检测锂电池数量调节夹紧位置,从而使待检测锂电池数量不受限制;并且固定挡止装置沿待检测锂电池排列方向移动而将待检测锂电池夹紧固定,因此待检测锂电池的高度、体积等外形尺寸不受限制,可同时对不同型号的锂电池进行固定,通用性好。

标签:
加工技术
河南 - 洛阳 来源:北方有色网 2023-03-18
锂离子电池内阻分选器

本发明有关于一种锂离子电池内阻分选器,包括至少一个锂离子电池内阻分选单元;该锂离子电池内阻分选单元包括锂离子电池B、检测电阻Ra与Rb、基准电阻R及检测按键JP;其中,上述的锂离子电池B、检测电阻Ra与Rb、基准电阻R串接在一起组成回路,该检测按键JP与该检测电阻Rb或Ra并联在一起;该基准电阻R的两端与单片机连接。借由本发明,能够筛选出内阻接近的多个锂离子电池,而将该内阻接近的锂离子电池进行串联和/或并联使用,可以保证锂离子电池组的单个锂离子电池的一致性更好,从而使锂离子电池组的使用效率更高,寿命更长。

标签:
加工技术
河南 - 洛阳 来源:北方有色网 2023-03-18
锂电池组充放电的两级均衡控制电路、系统及控制策略

锂电池组充放电的两级均衡控制电路、系统及控制策略,其中,均衡控制电路包括对称多绕组变压器和DC‑DC变换器;系统包括锂电池组和与锂电池组连接的锂电池组充放电的两级均衡控制电路,两级均衡控制电路包括数据采集电路、均衡电路、控制器和驱动电路;控制策略,先进行锂电池组内的单体锂电池之间的均衡控制,再进行锂电池组与锂电池组之间的均衡控制。该方法把DC‑DC变换器用于单体锂电池间均衡和改进的对称多绕组变压器用于锂电池组间的均衡,通过这两种拓扑结构优势互补以解决锂电池均衡技术中控制复杂、均衡不准确、速度慢、效率低、成本高等问题。

标签:
加工技术
河南 - 洛阳 来源:北方有色网 2023-03-18
锂电池电极的干法制备方法

本发明涉及技术锂电池领域,公开了一种锂电池电极的干法制备方法,其制备方法包括:将75%~90%比重的活性物质、0%~5%比重的导电剂、5%~10%比重的粘结剂粉体定量加入搅拌釜内,进行干粉混合均匀,加入适量溶剂,对粉体颗粒进行润湿,使粉体颗粒表面吸附溶剂,同时进行高强度搅拌,充分混匀湿润粉体颗粒,继续加入溶剂,高强度搅拌产生的高速剪切力作用下对颗粒团体进行分散,使导电剂均匀分布,继续加入溶剂,调节粘度使之适合涂布工艺。本发明的干法制备方法分散性好、粘度低,具有高效的充分破碎分离能力,在制备过程中,其各原料的均匀混配,能够有效提高锂电池的电极性能,加强锂电池电极的稳定性,延长锂电池电极的使用寿命。

标签:
加工技术
河南 - 洛阳 来源:北方有色网 2023-03-18
锂电池真空化成装置
锂电池真空化成装置 1100     
 0

本实用新型公开了一种锂电池真空化成装置,包括真空箱和用于锂电池化成导电用的电连接部件,所述电连接部件包括充放电电缆,充放电电缆的一端用于连接充放电部件、另一端伸入真空箱内用于连接锂电池的探针,该化成装置还包括用于所述探针与锂电池电连接的快速连接装置,所述快速连接装置包括针床和位于针床下方的用于安放锂电池的托盘,所述针床包括布置所述探针的下端面,所述托盘上设有用于锂电池夹紧定位并保证探针与锂电池极柱对应的容纳装置,所述针床和托盘的至少一个上设有用于驱动针床和托盘分离靠近的液压缸。通过液压缸实现探针与锂电池极柱的快速对接,具有耗时短、效率高、操作方便的特点。

标签:
加工技术
河南 - 洛阳 来源:北方有色网 2023-03-18
用于固态锂电池电极片生产的挤压装置

本实用新型公开一种用于固态锂电池电极片生产的挤压装置,包括第一挤压板与第二挤压板,第一挤压板与第二挤压板均为两个且相对设立,第二挤压板的内侧面设有装配杆,第一挤压板的内侧面设有与装配杆相匹配的装配槽,两个第一挤压板与第二挤压板形成矩形挤压框,挤压框内设有锂电池模组,锂电池模组由多个锂电池组成,每相邻两个锂电池之间设有隔板,最外侧锂电池的外侧设有挡板,隔板与挡板将多个锂电池分隔,两个第二挤压板通过装配杆与装配槽配合挤压锂电池;该用于固态锂电池电极片生产的挤压装置具有较强的稳定性,能够对锂电池起到良好的限位、固定作用,且整体长度可根据需求调节,使用简单方便。

标签:
加工技术
河南 - 洛阳 来源:北方有色网 2023-03-18
锂电池组充放电的两级均衡控制电路系统

锂电池组充放电的两级均衡控制电路系统,包括锂电池组和均衡控制电路,均衡控制电路包括对称多绕组变压器,一个对称多绕组变压器具有多个次级绕组,每个次级绕组接入锂电池组两端,对称多绕组变压器的各个次级绕组对应连接一个锂电池组的两端,锂电池组间的均衡电路为第一级均衡电路;均衡控制电路包括多个DC‑DC变换器,一个DC‑DC变换器接入锂电池组中的一个单体锂电池的两端,锂电池组中的单体锂电池之间的均衡电路为第二级均衡电路。本实用新型把DC‑DC变换器用于单体锂电池间均衡和对称多绕组变压器用于锂电池组间均衡,通过这两种拓扑结构互补,解决现有锂电池均衡中控制复杂、均衡不准确、速度慢、效率低、成本高问题。

标签:
加工技术
河南 - 洛阳 来源:北方有色网 2023-03-18
锂离子电池的分容方法
锂离子电池的分容方法 1006     
 0

本发明涉及一种锂离子电池的分容方法,属于二次电池制造技术领域。本发明的锂离子电池的分容方法,包括以下步骤:将充满电的锂离子电池以0.3~1C的电流进行恒流放电至第一放电截止电压,放置;然后以0.05~0.2C的电流恒流放电至第二放电截止电压;所述第一放电截止电压为2.0~2.7V,所述第二放电截止电压和所述第一放电截止电压相同。本发明的分容方法可实现对锂离子电池的快速分容,分容效率高,环境控制能耗小的优点,并能够降低温度影响,使分容容量更准确,提高锂离子电池成组的一致性,是一种适用于批量生产锂离子电池的高效分容方法。

标签:
加工技术
河南 - 洛阳 来源:北方有色网 2023-03-18
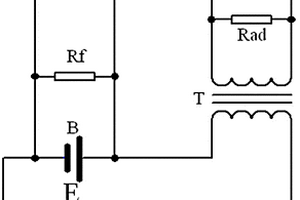
锂离子电池容量分选器
锂离子电池容量分选器 1018     
 0

本发明有关于一种锂离子电池容量分选器,包括至少一个锂离子电池容量分选单元;该锂离子电池容量分选单元包括锂离子电池B、发热电阻丝Rt、限流电阻R、采集电阻Rf与Rad、电流互感器T;其中,上述的锂离子电池B、发热电阻丝Rt、限流电阻R及电流互感器T串接在一起组成回路,该采集电阻Rad与该电流互感器T并联在一起,同时该采集电阻Rf与锂离子电池B并联在一起。借由本发明,能够筛选出容量接近的多个锂离子电池,而将该容量接近的锂离子电池进行串联和/或并联使用,可以保证锂离子电池组的单个锂离子电池的容量一致性更好,从而提高锂离子电池组的使用效率,延长使用寿命。

标签:
加工技术
河南 - 洛阳 来源:北方有色网 2023-03-18
锂离子动力电池用负极材料及其制备方法

本发明涉及一种锂离子动力电池用负极材料及其制备方法,属于锂离子电池技术领域。该锂离子动力电池用负极材料具有核壳结构,所述核壳结构的壳为碳包覆层,所述核壳结构的核为碳核材料,所述碳核材料中含有锂元素或者锂元素和过渡金属元素;当碳核材料中含锂元素时,锂元素与碳核材料中碳的摩尔比为0.004-0.15:8.3;当碳核材料中含锂元素和过渡金属元素时,锂元素、过渡金属元素及碳核材料中碳元素的摩尔比为0.004-0.15:0.001-0.04:8.3。本发明通过在碳核材料中加入锂元素或锂元素和过渡金属元素,提高了负极材料的导电性,并减少了不可逆锂损失,提高了负极材料的比容量和循环性能。

标签:
加工技术
河南 - 洛阳 来源:北方有色网 2023-03-18
二氟草酸硼酸锂催化合成方法

本发明涉及二氟草酸硼酸锂催化合成方法,属于新能源材料制备和化工技术领域。具体步骤如下:(1)所有生产反应容器采用高纯氮气置换后,置于高纯氮气保护下加入物料;(2)在密闭干燥反应器中,将干燥定量无水草酸锂和定量三氟化硼络合物加入到有机溶剂反应器中溶解,配制成溶液;(3)加入定量催化剂在规定温度下进行充分反应,得到二氟草酸硼酸锂和四氟硼酸锂混合溶液;(4)向二氟草酸硼酸锂和四氟硼酸锂混合溶液加入定量无水草酸,在规定温度、规定压力和尾气吸收液控制下充分反应,得到二氟草酸硼酸锂溶液。本发明二氟草酸硼酸锂的催化合成方法反应时间短,产品收率高,操作简单,设备投资少,无污染,应用前景广阔。

标签:
加工技术
河南 - 洛阳 来源:北方有色网 2023-03-18
锂电池正极片及含有该正极片的锂电池

本实用新型公开了一种锂电池正极片及含有该正极片的锂电池,正极片包括表面涂覆正极浆料的铝箔,铝箔为刻蚀铝箔,刻蚀铝箔上具有用于与正极极耳相对接的极耳对接部和与所述极耳对接部对应分布的对应部,极耳对接部和对应部在刻蚀铝箔上呈上下分布或左右分布,在刻蚀铝箔上还具有从所述铝箔的极耳对接部位置处呈散射状向外散发、并向所述铝箔上的对应部位置处汇集的多个通过等离子法加工得到的刻蚀线,刻蚀铝箔上的各条刻蚀线均不相交,刻蚀铝箔上的极耳对接部位置处和对应部位置处的刻蚀线密度大于刻蚀铝箔上其他位置处的刻蚀线密度。铝箔上加工刻蚀线,有效提高了铝箔的沾附力,避免活性物质的脱落。

标签:
加工技术
河南 - 洛阳 来源:北方有色网 2023-03-18
锂电池安全阀及使用该安全阀的锂电池

本实用新型公开了一种锂电池安全阀及使用该安全阀的锂电池,所述安全阀包括用于与电池壳体上用于安装安全阀的安装孔相配合的阀体,在阀体上设有与阀体内腔连通的排气孔,阀体中设有用于密封电池壳体上出气口的密封板,所述阀体上装配有沿阀体轴向延伸的并与阀体滑动配合的阀芯,阀芯上远离电池壳体出气口的一端为上端,阀芯的上端设有与阀体上的阀座止推配合的止推凸缘,所述密封板可拆固连在阀芯的下端,在阀芯的外侧套装有沿阀芯轴向延伸的顶压设置在密封板和阀体之间的弹簧,弹簧的一端顶压在密封板上端面,弹簧的另一端顶压在阀体与密封板上端面相对应配合的内腔壁上。

标签:
加工技术
河南 - 洛阳 来源:北方有色网 2023-03-18
锂电池模块用复合导电排及锂电池模块

本实用新型涉及一种锂电池模块用复合导电排及锂电池模块,属于锂离子电池模块技术领域。本实用新型的锂电池模块用复合导电排包括铝正极段、铜负极段,所述铝正极段与铜负极段钎焊连接。本实用新型通过在铝正极段和铜负极段之间设置钎料层并将铝正极段和铜负极段钎焊在一起,将导电排与极柱或者极耳之间的焊接都变成了同种材料之间的焊接,避免了不同金属材料之间的接触电阻增大和容易发生电化学腐蚀等现象。

标签:
加工技术
河南 - 洛阳 来源:北方有色网 2023-03-18
锂电池及锂电池安全阀

本实用新型公开了一种锂电池及锂电池安全阀,该锂电池包括壳体,壳体上开设有排气孔,所述排气孔处设有安全阀,该安全阀包括固定在排气孔上端的带有通气孔的阀盖板、固定在排气孔下端的阀座和与所述阀座密封配合的阀芯,所述阀盖板和阀芯之间顶装有弹簧,所述阀座为磁性基座,磁性基座包括与排气孔相通的基座通气孔,阀芯与基座通气孔密封设置,阀盖板的下端面固定有磁铁,盖板通气孔贯穿磁铁,阀芯为磁性阀芯,且阀芯上端的磁性与磁铁下端的磁性相斥,和/或阀芯下端的磁性与磁性基座上端的磁性相吸。通过磁性力控制阀芯来实现排气孔的通断,防止了外部气体进入锂电池内部和内部多余气体顺利排出,而且保证了安全阀在长时间使用过程中的稳定。

标签:
加工技术
河南 - 洛阳 来源:北方有色网 2023-03-18
上一页 25 26 27 28 29 ... 31 下一页
共31页    到第

北方有色为您提供最新的河南洛阳有色金属加工技术理论与应用信息,涵盖发明专利、权利要求、说明书、技术领域、背景技术、实用新型内容及具体实施方式等有色技术内容。打造最具专业性的有色金属技术理论与应用平台!

全国热门有色金属设备推荐
展开更多 +
全国热门有色金属技术推荐
展开更多 +

 

江西省隆恩特环保设备有限公司
宣传

报名参会
更多+

报告下载

有色专家
更多+

北京科技大学
主任/教授
武汉理工大学
外籍院士/教授
紫金矿业信息化研发中心
副总经理
西安建筑科技大学
教授
辽宁忠旺集团
教授级高工
赤泥综合利用研究报告2025
推广

热门技术
更多+

推荐企业
更多+

福建省金龙稀土股份有限公司
宣传

发布

在线客服

公众号

电话

顶部
咨询电话:
010-88793500-807