青岛垚鑫智能科技有限公司
宣传

位置:中冶有色 >

有色技术频道 >

> 加工技术

分类:
全部
矿山技术
冶金技术
材料制备及加工技术
环境保护技术
分析检测技术
 
全部
功能材料技术
复合材料技术
新能源材料技术
合金材料技术
加工技术
地区:
全部
北京
天津
上海
重庆
河北
山西
辽宁
吉林
黑龙江
江苏
浙江
安徽
福建
江西
山东
河南
湖北
湖南
广东
海南
四川
贵州
云南
陕西
甘肃
青海
内蒙
广西
西藏
宁夏
新疆
其他
其他
展开
 
全部
南京
无锡
徐州
常州
苏州
南通
连云港
淮安
盐城
扬州
镇江
泰州
宿迁

江苏南京有色金属加工技术理论与应用

免费发布技术信息>>
2-(三甲硅基)乙氧甲基氯的合成方法

本发明提供一种2‑(三甲硅基)乙氧甲基氯的合成方法。该方法包括如下步骤:(1)氯甲基化反应:取溴乙醇、正己烷、多聚甲醛、浓硫酸,加入反应瓶中,开启搅拌,体系降温至‑5‑0℃,通入HCL气体,至原料小于5%,停止通气,进行反应后处理得氯甲基化中间体;(2)取代反应:取四氢呋喃,加入反应瓶中,开启搅拌,冷却至15℃,依次取正丁基氯化镁、正丁基锂1L,加入反应液中,维持内温25℃以下,加毕,保温20‑25℃搅拌,取步骤(1)中制得的氯甲基化中间体,缓慢滴加至反应液中,滴毕,保温20‑30℃反应,取三甲基氯硅烷,缓慢滴加至反应液中,保持温度30℃以下,滴毕,保温20‑30℃反应,反应液减压浓缩,回收有机溶剂和产品粗品,粗品水泵精馏,得产品。本发明成本较低、收率较高、后处理方便稳定。

标签:
加工技术
江苏 - 南京 来源:中冶有色网 2023-03-19
氮掺杂多孔碳材料的制备方法

本发明公开了一种氮掺杂多孔碳材料的制备方法。通过高温烧结碳氮混合前驱物,实现碳材料中氮掺杂比例和形态的控制,并通过混合可分解金属盐实现碳材料的结晶性能的控制。该方法在操作时简便安全,制得的氮掺杂碳复合材料适合作为锂离子电极材料且生产成本低,产率高,基本无副产物。

标签:
加工技术
江苏 - 南京 来源:中冶有色网 2023-03-19
注液机用简易注液装置

本发明涉及一种注液机用简易注液装置,包括可升降机架、设在可升级机架上的滑动套筒、储液筒、连接管、导液腔、限流夹头以及出液嘴,所述连接管套接在滑动套筒上,所述储液筒设在连接管的上方,所述连接管的下端与导液腔连通,所述限流夹头一端夹持出液嘴,另一端与导液腔连通,所述导液腔的一侧开有抽真空口,在所述导液腔与限流夹头的连接端下方设有锥形块,所述锥形块的锥形端正下方两侧均设有一限流柱,各所述限流柱的外侧均通过压缩弹簧固设在限流夹头内,所述限流夹头与出液嘴的夹持端端口处设有U型膨胀块;本发明的有益效果为:结构简单、组装及使用方便,可有效提高注液效率,适用于多种规格的锂电池的注液工作。

标签:
加工技术
江苏 - 南京 来源:中冶有色网 2023-03-19
风速仪用677nm1188nm2376nm1609nm六波长光纤激光器

一种风速仪用677nm1188nm2376nm1609nm六波长光纤激光器,谐振腔设置为三角形环形光纤激光腔,在三角形环形光纤激光腔的四个角上设置深刻蚀光纤反射镜,在上边光路的中间位置设置信号光λXⅠ2376nm波长周期极化铌酸锂四波混频激光谐振腔,在左边光路的中间位置设置倍频光ⅠλBⅠ490nm的倍频谐振腔Ⅰ,在右边光路的中间位置设置闲频光ⅡλlⅡ1609nm的光学参量振荡器1,总体构成677nm、490nm、1188nm、980nm、2376nm、1609nm六波长光纤激光器。

标签:
加工技术
江苏 - 南京 来源:中冶有色网 2023-03-19
风速仪用715nm1340nm2680nm1535nm六波长光纤激光器

一种风速仪用715nm1340nm2680nm1535nm六波长光纤激光器,谐振腔设置为三角形环形光纤激光腔,在三角形环形光纤激光腔的四个角上设置深刻蚀光纤反射镜,在上边光路的中间位置设置信号光λXⅠ2680nm波长周期极化铌酸锂四波混频激光谐振腔,在左边光路的中间位置设置倍频光ⅠλBⅠ490nm的倍频谐振腔Ⅰ,在右边光路的中间位置设置闲频光ⅡλlⅡ1535nm的光学参量振荡器1,总体构成715nm、490nm、1340nm、980nm、2680nm、1535nm六波长光纤激光器。

标签:
加工技术
江苏 - 南京 来源:中冶有色网 2023-03-19
一锅法制备2-乙酰基环己酮的方法

本发明公开了一种一锅法制备2‑乙酰基环己酮的方法,所述方法包括如下步骤:(1)将环己酮加入四氢呋喃中,在冰水浴冷却条件下,滴加二异丙基氨基锂,然后室温下搅拌反应1h;(2)在冰水浴条件下,将乙酰氯的三氯甲烷溶液滴入步骤(1)的反应体系中,然后撤去冰水浴,室温下搅拌反应1h;(3)将步骤(2)中得到的反应液,水洗两遍进行分液,旋干三氯甲烷,然后减压蒸馏收集118‑136℃的馏分,得到2‑乙酰基环己酮。本发明所述方法,整个反应过程中中间产物不需要另行纯化处理,直接进行下一步反应,最终得到产物直接通过减压蒸馏精制,整个过程产率高,反应时间短、能耗小、直接减压精馏精制得到的2‑乙酰基环己酮的浓度超过96.0wt%,产率超过94%。

标签:
加工技术
江苏 - 南京 来源:中冶有色网 2023-03-19
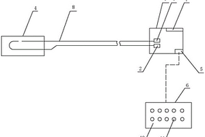
血液外渗监测仪
血液外渗监测仪 1122     
 0

本发明公开了一种血液外渗监测仪,它包括设备主机(1),设备主机(1)中设有紫外光光源发射器(2)和紫外光传感器(3),紫外光光源发射器(2)和紫外光传感器(3)分别与两根光纤的一端相连,所述两根光纤的另一端固定在医用塑料薄片(4)上,且两根光纤的端头正对着,设备主机(1)内还安装无线通信模块(5),无线通信模块(5)与集中显示设备(6)无线连接,在集中显示设备(6)中设有声光报警器;紫外光光源发射器(2)、紫外光传感器(3)和无线通信模块(5)及它们的控制装置均由安装在设备主机(1)内的锂电池(7)供电。本发明可以及时、灵敏的发现血液外渗并发出警报,抗干挠性能强,能排除汗液等干挠因素。

标签:
加工技术
江苏 - 南京 来源:中冶有色网 2023-03-19
风速仪用752nm1556nm3112nm1427nm六波长激光器

一种风速仪用752nm1556nm3112nm1427nm六波长激光器,谐振腔设置为三角形环形光纤激光腔,在三角形环形光纤激光腔的四个角上设置深刻蚀光纤反射镜,在上边光路的中间位置设置信号光λXⅠ3112nm波长周期极化铌酸锂四波混频激光谐振腔,在左边光路的中间位置设置倍频光ⅠλBⅠ490nm的倍频谐振腔Ⅰ,在右边光路的中间位置设置闲频光ⅡλlⅡ1427nm的光学参量振荡器1,总体构成752nm、490nm、1556nm、980nm、3112nm、1427nm六波长光纤激光器。

标签:
加工技术
江苏 - 南京 来源:中冶有色网 2023-03-19
风速仪用680nm1200nm2400nm1603nm六波长光纤激光器

一种风速仪用680nm1200nm2400nm1603nm六波长光纤激光器,谐振腔设置为三角形环形光纤激光腔,在三角形环形光纤激光腔的四个角上设置深刻蚀光纤反射镜,在上边光路的中间位置设置信号光λXⅠ2400nm波长周期极化铌酸锂四波混频激光谐振腔,在左边光路的中间位置设置倍频光ⅠλBⅠ490nm的倍频谐振腔Ⅰ,在右边光路的中间位置设置闲频光ⅡλlⅡ1603nm的光学参量振荡器1,总体构成680nm、490nm、1200nm、980nm、2400nm、1603nm六波长光纤激光器。

标签:
加工技术
江苏 - 南京 来源:中冶有色网 2023-03-19
泡沫芯材真空绝热板及其制备方法

一种泡沫芯材真空绝热板,由双酚A改性三聚氰胺泡沫芯材、吸气剂和封闭的包装袋构成,吸气剂为钡合金粉体、锆合金粉体、钛合金粉体、氧化锂粉体、氧化钠粉体、氧化钾粉体、氧化钙粉体、氧化钡粉体中的一种或其混合物构成,包装袋由尼龙、聚对苯二甲酸乙二醇酯,聚乙烯,聚乙烯醇、铝薄、聚丙烯热压复合而成。制备方法包括以下几个步骤:(1)制备三聚氰胺甲醛预缩合物;(2)双酚A改性;(3)发泡;(4)微波固化;(5)热空气熟化;(6)切割,开放置吸气剂的槽孔;(7)吸气剂的泡沫芯材放置于包装袋中,真空封口机中封口;(8)取出泡沫芯材真空绝热板。有益效果是:①泡沫轻质;②耐穿刺,使用寿命长;③提高真空绝热板的阻燃性。

标签:
加工技术
江苏 - 南京 来源:中冶有色网 2023-03-19
制备7-溴咪唑并[2,1-f][1,2,4]三嗪-4-胺的方法

本发明公开了一种制备7-溴咪唑并[2,1-f][1,2,4]三嗪-4-胺的方法,以化合物IX为原料,与化合物X在碱作用下反应得到化合物XI;再与醋酸甲脒发生关环反应得到化合物XII;与溴化试剂反应得到化合物7-溴咪唑并[2,1-f][1,2,4]三嗪-4-胺。其中化合物IX可以通过以下反应得到:化合物XIII在碱条件下与RCl反应得到化合物XIV;再与正丁基锂,N,N-二甲基甲酰胺,氨水和碘反应得到化合物XV;再在酸性条件下脱保护得到化合物IX。本发明制备方法反应步骤少,操作简单,产率高,总收率可达84.2%,并且反应条件温和,工艺路线适合大规模制备。

标签:
加工技术
江苏 - 南京 来源:中冶有色网 2023-03-19
碱金属掺杂改性煤制天然气甲烷合成催化剂及其制备方法

本发明属于催化剂及其制备技术领域,涉及一种碱金属掺杂改性煤制天然气甲烷合成催化剂及其制备方法。催化剂组成包括镍、助催化剂、铝或镁铝和碱金属,采用沉淀法制备催化剂半成品,采用掺杂碱金属改性该催化剂半成品,掺杂碱金属包括锂、钠、钾、铷中一种或两种,通过碱金属可溶性盐类采用浸渍法负载于催化剂上,再经沥干、干燥、焙烧后得到催化剂成品。本发明方法制备的催化剂具有高温热稳定性、抗积碳性能、反应温区宽(200℃~800℃)和原料气适应性广等特点。该催化剂可以应用于煤制天然气,焦炉气、煤气甲烷化,合成氨、乙烯装置中原料气净化等过程。

标签:
加工技术
江苏 - 南京 来源:中冶有色网 2023-03-19
多种新型能源手机电池

本发明一种适用于多种新型能源手机电池,直接利用太阳光发电的太阳光发电半导体薄片。只要被光照到,就立马输出电压并且在回路里产生电流,可制作小型太阳能手机电池,当应急处理技术。通过手摇式发电装置,利用切割磁感线的原理,产生电流,产生电压,进行应急的或者直接式的充电方式。利用风能发电,其原理等同于手摇式发电技术,利用切割磁感线的方式产生电压电流,这样,通过这三种方式还主要包括锂电池自身的充电功能,这样就不耽误电池需要大量功能的电量,同时三种方式可进行应急充电。本发明将动能,风能,以及太阳能等这些新型的可再生能源,高效的进行了利用,不仅环保科学,而且为人们的生活也提供了便利。

标签:
加工技术
江苏 - 南京 来源:中冶有色网 2023-03-19
基于振动能与太阳能的复合能源收集装置

基于振动能与太阳能的复合能源收集装置,涉及一种混合能量收集器和一个高效的能量收集电路。本发明中的能量收集器利用压电转换和电磁转换两种方式收集振动能,压电转换由多个悬臂梁结构的弹簧钢片及压电片实现,电磁转换由电磁线圈和磁铁实现,两种方式实现对振动能的高效收集;该装置还同时收集太阳能,与振动能一起通过高效自供电的收集电路,转换为电能,储存在锂电池中。本发明采用多模式能量收集方式,有效收集多种绿色能源,适用性强;振动能量的高效收集与利用,打破了其只用于微型装置的局限,实现了低碳绿色能源的使用。

标签:
加工技术
江苏 - 南京 来源:中冶有色网 2023-03-19
R-硫辛酸及其盐的制备方法

本发明涉及R-硫辛酸及其钠、钾、钙、镁、锌、铁、铜和锂盐以及有机碱盐的制备方法,以外消旋6,8-二氯辛酸乙酯为起始原料,经水解、拆分得R(+)-6,8-二氯辛酸,硫代、环合得R-硫辛酸并成盐,还涉及了S(-)-6,8-二氯辛酸转化成R(+)-6,8-二巯基辛酸的制备方法。

标签:
加工技术
江苏 - 南京 来源:中冶有色网 2023-03-19
4-氧代-8-氮杂螺[4.5]癸-2-烯-8-羧酸叔丁酯(苄酯)的制备方法

本发明公开了一种4‑氧代‑8‑氮杂螺[4.5]癸‑2‑烯‑8‑羧酸叔丁酯(苄酯)及其中间体的制备方法,包括以下步骤:将化合物II在碱1作用下与3‑溴丙烯反应生成化合物III;化合物III溶于溶剂中,在二异丙基氨基锂作用下关环,反应生成化合物IV;化合物IV在碱2作用下,双键移位生成化合物I。该方法原料易得、操作简便、收率高,总收率可达65%以上,适合大规模制备。

标签:
加工技术
江苏 - 南京 来源:中冶有色网 2023-03-19
苯并噻吩-3-甲醛的合成工艺

本发明提出了一种苯并噻吩‑3‑甲醛的合成工艺,其过程如下:以苯并噻吩为原料,经氯甲化后获取3‑氯亚甲基苯并噻吩,后经Sommelet反应获取苯并噻吩‑3‑甲醛。本发明通过利用辅料如多聚甲醛、乌洛托品、盐酸等均是十分常见的廉价化学品,且反应条件温和简单,避开了高度易燃品丁基锂,为合成苯并噻吩‑3‑甲醛提供了一种方便工艺。

标签:
加工技术
江苏 - 南京 来源:中冶有色网 2023-03-19
一氧化碳荧光胶束探针及应用

一种一氧化碳荧光胶束探针及应用,属于一氧化碳检测试纸的制备工艺研究领域。该一氧化碳荧光胶束探针将探针分子置于胶束内,阳离子胶束的表面的正电荷可以相互排斥从而有利于阳离子胶束在试纸上的分散,交联胶束提供了稳定的探针分子环境,在与载体接触后不会使探针分子环境发生变化。一氧化碳在氟代溶剂中相比于其他溶剂有较高的溶解度,氟代胶束中的一氧化碳探针具有更高的检测灵敏度。该荧光胶束探针能够用于锂离子电池安全预警,比色型荧光探针提供的高灵敏优势,为电池快速预警提供了可靠方法。

标签:
加工技术
江苏 - 南京 来源:中冶有色网 2023-03-19
二维MXene基自清洁超滤膜的制备方法

本发明公开了一种二维MXene基自清洁超滤膜的制备方法,包括以下步骤:步骤一:将氟化锂与盐酸搅拌溶解,放恒温磁性搅拌器上搅拌,添加MAX材料,选择性刻蚀掉Al原子,经过离心,洗涤后在滤膜上过滤,获得多层MXene;步骤二:将滤膜上的沉淀再次放入离心管中,填充氮气以去除氧气,经过超声,离心后取上清液,干燥,制备成单层MXene材料。本发明针对现有技术中在水处理运行过程中,膜表面必然会产生污垢,从而降低了膜通量和过滤性能等问题进行改进。本发明具有提供一种MXene基自清洁超滤膜,具备稳定通量和抗污染能力,同时还具有抗菌和紫外光下的自清洁能力,从而可以一定程度上缓解膜分离过程中膜污染的现象等优点。

标签:
加工技术
江苏 - 南京 来源:中冶有色网 2023-03-19
便携式电力智能终端调试运维系统

本发明公开了一种便携式电力智能终端调试运维系统,该系统由手持运维终端、便携式测试仪、便携式移动电源三大组成部分,其中手持运维终端是基于安卓系统平台开发的便携式手持工业级终端设备,是一款综合性极强的低压电力移动作业终端设备。便携式测试仪是一款专为电力智能终端,尤其是配网自动化终端调试运维而开发的专用测试工具,能够实现对配电自动化终端(FTU、DTU、智能配变终端、台区智能融合终端)的三遥功能、保护和逻辑功能、故障告警等多个功能项目的全自动测试。便携式移动电源采用高性能磷酸铁锂电池做为储能备用,体积小、重量轻,携带方便,为各类应急场景提供可靠的供电保障。三个组成部分协同配合组成便携式电力智能终端调试运维系统,可广泛适用于电力智能终端的厂内调试、出厂检验、仓库验收、现场安装调试、投运后维护等全过程作业。

标签:
加工技术
江苏 - 南京 来源:中冶有色网 2023-03-19
深水水下混凝土结构水泥基灌浆材料用低温养护剂

本发明涉及一种深水水下混凝土结构水泥基灌浆材料用低温养护剂,以质量百分比计,包括如下组分:水泥水化催化组分15%~50%,膨胀组分45%~80%,增塑组分1%~5%。所述水泥水化催化组分由晶核、催化剂组成,晶核为纳米二氧化硅、纳米碳酸钙、纳米三氧化二铝的一种或多种复合组成,催化剂由硝酸锂、硫酸铁以及碱土金属卤化物中的两种或多种组成;本发明低温养护剂无氯、无碱,各组分之间协调加速水泥在低温条件下的水化进程,在灌浆材料中的掺量为粉体材料的5%~10%,能使水泥基灌浆材料在(0℃~5℃)低温环境下的强度不低于同配合比水泥基灌浆材料在20℃标准养护条件下的强度,提高水泥基灌浆材料的可灌性,且无收缩、微膨胀,能够与灌浆基面紧密粘结。

标签:
加工技术
江苏 - 南京 来源:中冶有色网 2023-03-19
具有自动变换温度的化学反应釜

本发明属于反应釜技术领域,具体的说是一种具有自动变换温度的化学反应釜,包括底座、电热丝板、锂电池、釜体、控制箱、控制面板、显示器、指示灯、计时器、蜂鸣器、冷却管、固定环、温度传感器、顶盖、固定管、滑块、连接杆、活动框、齿条板、固定盘、半齿轮、第一电机、弧形槽、第二电机、固定块、搅拌轴、搅拌板和侧孔。本发明结构合理,通过温度传感器对釜体内的温度进行检测,将釜体内温度显示在到显示器上,通过电热丝板对釜体进行加热,提高釜体内的温度,通过冷却管内通入冷水对釜体内部进行降温,通过计时器计算加热的时间和冷却的时间,变温更加准确,通过指示灯对加热或降温的状态进行显示,通过蜂鸣器对工作人员进行提醒。

标签:
加工技术
江苏 - 南京 来源:中冶有色网 2023-03-19
用于染料敏化太阳能薄膜电池的新型聚合物电解质

本发明提供了一种用于染料敏化太阳能薄膜电池的新型聚合物电解质,所述聚合物电解质包括多孔聚合物以及填充于多孔聚合物内的锂盐。本发明还提供了一种染料敏化薄膜太阳能电池,自下而上依次包括:真空玻璃层;导电玻璃层;吸附染料敏化剂的纳米晶TiO2薄膜层;电解质层;对电极层。本发明提供的聚合物电解质稳定性好、电化学稳定电位窗口宽,能够大大提高电池的光电转换效率。本发明提供的染料敏化薄膜太阳能电池迁移率高、能量转换率高、稳定性好、耐久性好、寿命长。

标签:
加工技术
江苏 - 南京 来源:中冶有色网 2023-03-19
4-氯-2-甲硫基嘧啶的合成方法

本发明属于有机合成技术领域,特别涉及一种4‑氯‑2‑甲硫基嘧啶的合成方法,以2‑硫脲嘧啶为原料,硫酸二甲酯为甲基化试剂,氯化亚砜与三氯氧磷为氯代试剂,经甲基化、氯代,合成4‑氯‑2‑甲硫基嘧啶;以硫酸二甲酯为甲基化试剂,取代溴甲烷或碘甲烷,增加了反应的安全性,降低了成本;以氢氧化钠为碱,取代甲醇钠或是丁基锂,增加了反应的安全性,降低了成本;以甲苯为反应溶剂,大大降低了氯代试剂的用量,即使得反应安全性大大提高,又降低了成本,简化了后处理的操作;以氯化亚砜和三氯氧磷为混合氯代试剂,使得反应的收率有较大幅度的提升。

标签:
加工技术
江苏 - 南京 来源:中冶有色网 2023-03-19
风速仪用735,2nm490nm1472nm六波长激光器

一种风速仪用735,2nm490nm1472nm六波长激光器,谐振腔设置为三角形环形光纤激光腔,在三角形环形光纤激光腔的四个角上设置深刻蚀光纤反射镜,在上边光路的中间位置设置信号光λXⅠ2944nm波长周期极化铌酸锂四波混频激光谐振腔,在左边光路的中间位置设置倍频光ⅠλBⅠ490nm的倍频谐振腔Ⅰ,在右边光路的中间位置设置闲频光ⅡλlⅡ1469nm的光学参量振荡器1,总体构成735.2nm、490nm、1472nm、980nm、2944nm、1469nm六波长光纤激光器。

标签:
加工技术
江苏 - 南京 来源:中冶有色网 2023-03-19
风速仪用725,2nm490nm1400nm六波长激光器

一种风速仪用725,2nm490nm1400nm六波长激光器,谐振腔设置为三角形环形光纤激光腔,在三角形环形光纤激光腔的四个角上设置深刻蚀光纤反射镜,在上边光路的中间位置设置信号光λXⅠ2800nm波长周期极化铌酸锂四波混频激光谐振腔,在左边光路的中间位置设置倍频光ⅠλBⅠ490nm的倍频谐振腔Ⅰ,在右边光路的中间位置设置闲频光ⅡλlⅡ1505nm的光学参量振荡器1,总体构成725.2nm、490nm、1400nm、980nm、2800nm、1505nm六波长光纤激光器。

标签:
加工技术
江苏 - 南京 来源:中冶有色网 2023-03-19
纳米催化剂及其制备方法

本发明公开了一种纳米催化剂及其制备方法。其质量百分数组成为:镍50‑90%;至少一种选自第ⅠA族和第ⅡA族的金属1‑10%;至少一种选自Co、Mo、Cu、Fe、Ag、Ce、Zn、Mn的金属5‑40%;其中来自第ⅠA族的金属包括锂、钠、钾中的一种或多种,来自第ⅡA族的金属包括铍、镁、钙中的一种或多种。本发明催化剂的粒径小,分布均匀,粒径在1‑2nm之间,比表面积大,可达250‑300m2/g,加氢活性高,选择好,同时其可以用于酸性条件下的加氢,抗皂化能力强。此外该催化剂价格便宜,制备工艺简单,易操作,加工设备要求低。

标签:
加工技术
江苏 - 南京 来源:中冶有色网 2023-03-19
带人体感应器的智能摄像头

本发明公开了一种带人体感应器的智能摄像头,包括机体、机座及旋转座;所述旋转座采用活动轴承安装于机座的顶部,且其底部延伸至机座的内部,并连接有驱动其左右旋转的一号电机;所述机体采用活动轴承水平安装于旋转座上;所述机体的前侧设置有两个摄像头,在两个摄像头之间设有人体感应器;所述机体的内部还设有主控板及与其电连接的通信单元和锂电池;该摄像头设置了人体感应器,在使用时可自动调整机体的角度,还可用作体感游戏的摄像设备,提高了娱乐性能,并且可通过通讯单元与电脑实现无线连接,同时还可与智能电视和智能手机等设备相连接,具有结构合理、功能完善和使用方便等优点。

标签:
加工技术
江苏 - 南京 来源:中冶有色网 2023-03-19
氧化型谷胱甘肽及其碱金属盐的合成方法

本发明涉及氧化型谷胱甘肽及其碱金属盐的合成方法,该合成方法以谷胱甘肽为原料,分别选用不同的试剂进行反应得到氧化型谷胱甘肽,并制备成其碱金属盐的形式。本发明涉及的两种不同试剂分别为溴代丙二酸二乙酯和三氯硝基甲烷。本发明涉及的碱金属盐包括锂盐、钠盐和钾盐。本发明还涉及了反应过程的监测方法。

标签:
加工技术
江苏 - 南京 来源:中冶有色网 2023-03-19
基于II类参量下转换的超宽频率调谐量子光源芯片

基于II类参量下转换的超宽频率调谐量子光源芯片,在包括铌酸锂的铁电材料上设有多个串行或/和并行相结合的形式的具有极化的畤反转区域的波导,畤反转的极化周期设计使得发生的非线性过程是II类参量转换的,即参量下入射光转换过程是线偏光泵浦产生两种正交偏振光的偏振组合形式。本发明提供了一种芯片式的超宽频率调谐量子光源,具有超宽的波长调谐能力,可以一片满足多种波长需求,实现光子频率转换与频率宽调谐。可以作为多种波段的可调谐关联光子源和宽调谐可预知单光子源使用,可以成为光量子信息技术的核心基本光源。

标签:
加工技术
江苏 - 南京 来源:中冶有色网 2023-03-19
上一页 23 24 25 26 27 ... 146 下一页
共146页    到第

中冶有色为您提供最新的江苏南京有色金属加工技术理论与应用信息,涵盖发明专利、权利要求、说明书、技术领域、背景技术、实用新型内容及具体实施方式等有色技术内容。打造最具专业性的有色金属技术理论与应用平台!

全国热门有色金属设备推荐
展开更多 +
全国热门有色金属技术推荐
展开更多 +

 

江西省隆恩特环保设备有限公司
宣传

报名参会
更多+

报告下载

有色专家
更多+

江西铜业集团有限公司
党委书记、董事长
中国有色金属工业协会
副会长兼秘书长
中南大学
教授、博士生导师
国家钨与稀土产品质量检验检测中心
主任
西北有色金属研究院、中国工程院
院士
赤泥综合利用研究报告2025
推广

热门技术
更多+

推荐企业
更多+

福建省金龙稀土股份有限公司
宣传

发布

在线客服

公众号

电话

顶部
咨询电话:
010-88793500-807