青岛垚鑫智能科技有限公司
宣传

位置:北方有色 >

有色技术频道 >

分类:
全部
矿山技术
冶金技术
材料制备及加工技术
环境保护技术
分析检测技术
 
全部
功能材料技术
复合材料技术
新能源材料技术
合金材料技术
加工技术
地区:
全部
北京
天津
上海
重庆
河北
山西
辽宁
吉林
黑龙江
江苏
浙江
安徽
福建
江西
山东
河南
湖北
湖南
广东
海南
四川
贵州
云南
陕西
甘肃
青海
内蒙
广西
西藏
宁夏
新疆
其他
其他
展开
 
全部
广州
韶关
深圳
珠海
汕头
佛山
江门
湛江
茂名
肇庆
惠州
梅州
汕尾
河源
阳江
清远
东莞
中山
潮州
揭阳
云浮

广东惠州有色金属材料制备及加工技术理论与应用

免费发布技术信息>>
粘弹性电解质修饰层及其制备方法和应用

本发明提供一种粘弹性电解质修饰层及其制备方法和应用。按照质量分数计所述粘弹性电解质修饰层的原料包括45~65%丁二腈、5~25%聚合物基底和20~40%锂盐。本发明所述电解质修饰层均匀涂布在极片表面,然后与固态电解质进行组装,得到全固态电池。本发明中所述电解质修饰层可渗透入电极极层中,提供层内锂离子扩散通道;连接正极与电解质界面,消除界面处可能存在的空隙;在正极与电解质之间提供锂离子扩散通道;承受正极活性物质体积变化应力,避免由于体积变化导致的界面劣化。

标签:
加工技术
广东 - 惠州 来源:北方有色网 2023-03-18
隔膜的制备方法、隔膜及应用隔膜的电化学装置

本发明公开了一种隔膜的制备方法、隔膜及应用隔膜的电化学装置,该方法包括以下步骤:步骤一:将无机颗粒、粘接剂颗粒、溶剂均匀混合,形成均匀的混合液,其中,粘接剂颗粒溶于溶剂中;步骤二:将混合液干燥,得到粘接剂包覆的微粒;步骤三:将微粒均匀平铺于极片表面,对极片加热,并通过热辊辊压,得到隔膜。本发明还公开了一种使用负极、正极、电解液以及上述隔膜所组成的电化学装置。相对于现有技术,本发明制备过程简单,制作成本低,制得的隔膜的厚度薄,能极大程度的提升锂离子电池的能量密度,此外,制得的隔膜和极片界面接触更加紧密,有利于电解液的浸润和扩散,同时缩短了锂离子的传输路径,使所得到的锂离子电池性能更优。

标签:
加工技术
广东 - 惠州 来源:北方有色网 2023-03-18
带盖的一次性电子烟
带盖的一次性电子烟 946     
 0

本实用新型公开了一种带盖的一次性电子烟,属于电子烟技术领域,包括壳体,所述的壳体包括上壳体和下壳体,所述的下壳体设置有底壳、锂电池、导接块、储油仓和雾化器,所述的上壳体底部设置有安装块,上壳体铰接设置有防尘盖,铰接处设置有固定机构位于安装块上,所述的上壳体套设于下壳体上部,所述的安装块底面设置有雾化管连接雾化器,雾化器固定安装于导接块上,与锂电池电性连接,所述的雾化器位于储油仓内,储油仓设置于安装块和导接块之间,导接块设置有导气管连通导接块侧面进气口,底壳开设有进气孔,进气口与进气孔之间形成气道位于锂电池表面,本实用新型结构紧凑,设计合理,吸嘴设置有可活动防尘盖,在使用者不使用情况下可保持内部洁净。

标签:
加工技术
广东 - 惠州 来源:北方有色网 2023-03-18
磷腈聚阴离子碱金属盐及其制备方法和非水电解液中的应用

本发明公开了一种磷腈聚阴离子碱金属盐,其结构通式为式(Ⅰ)所示:其中,M=Li,Na,K;R1为碳原子数为1‑8的含氟烷基。本发明还公开了上述磷腈聚阴离子碱金属盐的制备方法及其在非水电电解液中的应用。液态电解液和本发明的聚磷腈(对苯磺酰)(三氟甲基磺酰)亚胺锂复合成凝胶电解质时,对抑制锂枝晶有明显的效果,当液态电解液含量低于40%时,锂枝晶现象能够得到很好的抑制。

标签:
加工技术
广东 - 惠州 来源:北方有色网 2023-03-18
单晶高镍正极材料的制备方法及其产品及产品用途

本发明涉及一种单晶高镍正极材料的制备方法及其产品和产品用途,所述制备方法包括两步煅烧,第一步煅烧将镍钴前驱体和/或镍钴锰前驱体与锂盐混合、煅烧,得到单晶镍钴酸锂材料和/或单晶镍钴锰酸锂材料;第二步煅烧将第一步煅烧的产物与铝源混合、煅烧,得到所述单晶高镍正极材料;其中,第一步煅烧的温度大于第二步煅烧的温度;所述方法结合特定混合顺序及煅烧方法,降低了单晶高镍正极材料制备过程中杂相的生成,有利于得到纯相的单晶高镍正极材料,进而改善其性能,且采用本发明上述方法,铝元素在单晶高镍正极材料中的含量分布易于调控,且便于形成Al梯度材料,进而提高单晶高镍正极材料的容量性能。

标签:
加工技术
广东 - 惠州 来源:北方有色网 2023-03-18
高镍正极材料的水洗方法及其产品和用途

本发明涉及一种高镍正极材料的水洗方法及其产品和用途,所述水洗方法包括将高镍正极材料与浓度为0.1~1mol/L的磷酸盐溶液混合,进行反应,烧结,得到水洗后的高镍正极材料;本发明所述水洗过程中磷酸盐与高镍正极材料表面残碱反应生成磷酸锂沉淀附着在高镍正极材料表面,后续经烧结形成磷酸锂包覆层,且部分磷酸锂能渗透到材料表层及表面深处填充材料的晶格空隙,修饰表面,使包覆更加紧密,从而改善正极材料的结构稳定性和热稳定性,进而实现水洗去除残碱和提高材料稳定性的双重效果;进一步本发明所述水洗的反应过程能在常温下进行,水洗过程控制简单,能耗低,成本低,且水洗效果明显改善。

标签:
加工技术
广东 - 惠州 来源:北方有色网 2023-03-18
电池正极复合极片及其制备方法以及包含其的固态电池

本发明提供一种电池正极复合极片及其制备方法以及包含其的固态电池,所述电池正极复合极片包括铝层,以及自所述铝层的相对两面依次叠层设置的复合活性物质层、固态电解质层和聚合物锂盐层。所述制备方法将复合活性物质浆料涂覆在铝层两侧,之后在复合活性物质层表面继续涂覆固态电解质浆料,在固态电解质层表面涂覆聚合物锂盐浆料,得到所述电池正极复合极片。本发明所述电池正极复合极片通过聚合物锂盐层和负极极片紧密的接触,并利用固态电解质层带来的高离子电导率,可以有效的降低界面阻抗,提高固态电池性能。

标签:
加工技术
广东 - 惠州 来源:北方有色网 2023-03-18
单离子导体聚合物电解质及其制备方法和应用

本发明提供一种单离子导体聚合物电解质及其制备方法和应用,所述单离子导体聚合物电解质包括单离子导体、氧化物固态电解质和聚合物基质的组合;所述单离子导体包括无机填料以及通过磺酰氯基接枝其表面的双三氟甲烷磺酰亚胺锂;通过将双三氟甲烷磺酰亚胺接枝在无机填料骨架上,限制其中阴离子的迁移,可以有效解决阴离子产生浓差极化的问题,进而可以提高电解质中锂离子的迁移数,最终使得包含所述单离子导体聚合物电解质的锂离子固态电池的电学性能得到了有效提高。

标签:
加工技术
广东 - 惠州 来源:北方有色网 2023-03-18
三元前驱体的预处理方法及其产品和用途

本发明涉及一种三元前驱体的预处理方法及其产品及用途,本发明所述三元前驱体的预处理方法将三元前驱体与氧化剂混合,进行预氧化反应,得到预氧化三元前驱体;所述方法有效降低了前驱体后续锂化处理的温度,进而实现了一步煅烧制备包覆掺杂改性的三元正极材料;同时,较低的锂化处理温度抑制了包覆掺杂改性的三元正极材料中锂镍混排,提高了材料的倍率性能和循环性能;且所述预处理方法操作简单,工艺成本低。

标签:
加工技术
广东 - 惠州 来源:北方有色网 2023-03-18
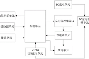
具有快速充电功能的移动电源

本发明涉及一种具有快速充电功能的移动电源,包括控制单元、锂电池单元、充电管理单元、放电单元、MICRO?USB充电单元、DC充电单元及充电选择单元,所述锂电池单元、充电管理单元及放电单元分别与控制单元连接,所述放电单元还与锂电池单元连接,所述MICRO?USB充电单元及DC充电单元分别与充电选择单元连接,充电选择单元还与充电管理单元连接。MICRO?USB充电单元可通过电源适配器对移动电源正常充电;DC充电单元可通过电源适配器对移动电源实现快速充电,并通过充电选择单元对充电方式进行选择,使用灵活,且对移动电源实现快速充电可减少使用者等待的时间,兼容普通充电模式和快速充电模式,使移动电源的使用更加方便。

标签:
加工技术
广东 - 惠州 来源:北方有色网 2023-03-18
负极材料及其制备方法、负极片和二次电池

本发明属于二次电池技术领域,尤其涉及一种负极材料及其制备方法和二次电池,包括以下步骤:步骤S1、将石墨材料分散于溶剂中得到第一混合液;步骤S2、将氢氧化锂和硝酸锆按摩尔比为2~6:1~2加入第二溶剂,水浴加热浸渍混合得到第二混合液;步骤S3、将第一混合液与第二混合液混合,蒸发,烘干,研磨,焙烧得到复合负极材料。本发明的一种负极材料的制备方法,使用原位法生成的单斜相Li6Zr2O7与天然石墨材料进行均匀包覆实现包覆层与天然石墨材料紧密结合,使制备出的负极材料具有较高的锂离子电导率、锂离子脱嵌速率、首次充放电效率以及更稳定的材料晶体结构。

标签:
加工技术
广东 - 惠州 来源:北方有色网 2023-03-18
量子点发光二极管及其制备方法

本发明公开了一种量子点发光二极管及其制备方法,所述量子点发光二极管包括设置在阴极和阳极之间的量子点发光层,以及设置在所述阳极和量子点发光层之间的空穴传输层,所述空穴传输层与所述量子点发光层之间设置有界面层,所述界面层材料为氮化锂或卤素锂化物掺杂的氮化锂;所述界面层的HOMO能级大于所述空穴传输层的HOMO能级且小于所述量子点发光层的HOMO能级。本发明中,所述界面层可有效降低空穴注入势垒,提高空穴注入速率,同时有效防止电子发生隧穿与空穴在非量子点发光区复合,从而提高器件的发光效率。

标签:
加工技术
广东 - 惠州 来源:北方有色网 2023-03-18
吉他自动调音卷弦器
吉他自动调音卷弦器 1064     
 0

本发明公开了一种吉他自动调音卷弦器,包括壳体、绕弦机头和机头锁紧件,所述绕弦机头通过机头固定件安装在所述壳体的一侧,所述机头锁紧件与机头固定件连接将绕弦机头锁紧,所述绕弦机头内设有机头锁紧件,所述壳体内设有电动马达、锂电池、感应器和线路控制板,所述壳体前侧设有操作显示屏和功能按钮,所述电动马达通过马达固定件安装在壳体内,所述电动马达与机头锁紧件连接,所述锂电池通过电池固定件安装在壳体内,所述锂电池、电动马达、操作显示屏、感应器和功能按钮分别与线路控制板电连接。本发明吉他自动调音卷弦器实现了在卷弦的同时自动调音的功能,而且具有功能选择、功能显示以及使用方便等优点。

标签:
加工技术
广东 - 惠州 来源:北方有色网 2023-03-18
高倍率快速充电的负极材料及其制备方法、负极片、电池

本发明属于锂离子电池技术领域,尤其涉及一种高倍率快速充电的负极材料,包括包覆有硬碳的复合前驱体,所述复合前驱体包括石墨烯以及附着在所述石墨烯表面的中间相碳微球。中间相碳微球本身高度各向同性有利于内部锂离子传输,石墨烯能够促进电子传导,硬碳包覆层有利于锂离子的嵌入与脱出,三者共同作用能够显著提高负极材料大倍率充放电性能和循环性能。

标签:
加工技术
广东 - 惠州 来源:北方有色网 2023-03-18
电子烟电源组件
电子烟电源组件 929     
 0

本发明提供了一种电子烟电源组件,包括锂电池芯以及套管,所述锂电池芯置于套管内并经注液密封,所述锂电池芯一端设置有正极片、负极片以及第一导电片,另一端设置有正极片和第二导电片,所述第一导电片与第二导电片电连通,所述套管内壁贴附有铝塑层。本发明通过设计套管,取消铝塑膜包覆作业,简化了流程,节约了成本。

标签:
加工技术
广东 - 惠州 来源:北方有色网 2023-03-18
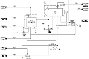
乙苯生产装置用余热回收制蒸汽系统

本发明提供了一种乙苯生产装置用余热回收制蒸汽系统,包括乙苯生产装置、第二类溴化锂吸收式热泵机组、升压泵、闪蒸罐、热水循环泵、除盐水-凝结水混合器、中温热水-补水换热器、循环水-排污水换热器和苯乙烯生产装置;所述乙苯生产装置中的中温热水系统通过管道与第二类溴化锂吸收式热泵机组的进口导通连接;所述升压泵的进水口通过管道与第二类溴化锂吸收式热泵机组导通连接,升压泵的出水口通过管道与中温热水系统中的回水管线导通连接;本发明提供了一种乙苯生产装置工艺热水余热回收、制备低压蒸汽的方法,旨在解决现有炼化企业生产工艺流程余热利用率低的问题,有效的减少循环冷却水的消耗量,使用效果较好。

标签:
加工技术
广东 - 惠州 来源:北方有色网 2023-03-18
适合轨道客车的电池组功率控制方法

本发明提供了一种适合轨道客车的电池组功率控制方法,包括以下步骤:建立最大允许功率和温度、SOC的二维功率表;获取电池状态信息;通过查表法获得电池允许的最大功率值;按当前工况计算出轨道客车后一工况的需求功率值;比较查表所得最大允许功率值与需求功率值,取小值作为目标功率值;当前功率值经平滑处理接近目标功率值;计算出功率值发送到电机控制器。本案提出的电池组功率控制方法,通过实时定时在线按锂电池组当前状态并结合轨道车当前实时功率及需求功率,计算出动力锂电池实时可输入输出功率值传输给轨道车的TCU进行控制,在满足轨道车运行功率需求的同时,能有效保护动力锂电池安全、延长电池使用寿命、改善轨道车性能。

标签:
加工技术
广东 - 惠州 来源:北方有色网 2023-03-18
电池表面清洗剂及其制备方法

本发明公开一种电池表面清洗剂,包括如下体积的各组分:乙二醇二甲醚20份~60份、四氢呋喃20份~40份、碳酸二甲酯20份~40份。上述电池表面清洗剂中含有对六氟磷酸锂具有良好溶解性的非质子溶剂乙二醇二甲醚和四氢呋喃,且乙二醇二甲醚(C4H10O2)能与六氟磷酸锂生成稳定的络合物LiPF6(C4H10O2)2,从而能较好地溶解电池表面上的六氟磷酸锂。同时,根据相似相溶原理,碳酸二甲酯可以很好地清洗掉电池表面电解液中的溶剂成分。上述电池表面清洗剂对电池表面的电解液清洗效果比较理想。此外,本发明还公开了一种上述电池表面清洗剂的制备方法。

标签:
加工技术
广东 - 惠州 来源:北方有色网 2023-03-18
硅基复合负极材料及其制备方法和电化学储能装置

本发明提供一种硅基复合负极材料及其制备方法和电化学储能装置。所述硅基复合负极材料包括硅基材料以及包覆在硅基材料表面的聚合物层;所述聚合物层包括顺丙烯基磷酸‑对苯乙烯磺酸锂共聚物。本发明提供了一种聚合物层包覆的硅基复合负极材料,顺丙烯基磷酸‑对苯乙烯磺酸锂共聚物能够作为硅基材料体积膨胀的缓冲层,进而很好地缓冲硅基材料的体积膨胀,使得锂离子电池保持良好的电化学性能。

标签:
加工技术
广东 - 惠州 来源:北方有色网 2023-03-18
超低温电池特性电解液
超低温电池特性电解液 1171     
 0

本发明公开一种超低温电池特性电解液,涉及电池能源领域。该超低温电池特性电解液包括电解质锂盐、有机溶剂和添加剂,所述电解质锂盐采用六氟磷酸锂,化学式为LiPF6,所述有机溶剂包括碳酸二甲酯(DMC)、碳酸乙烯酯(EC)、碳酸甲乙酯(EMC)和碳酸丙烯酯(PC),所述添加剂包括第一添加剂、第二添加剂和第三添加剂。该超低温电池特性电解液能够耐低温,其原因主要是加入了耐低温的链状碳酸酯,且混合少量的环状碳酸酯,能够更好的形成SEI膜,并且通过设置的添加剂,能够增强整体电解液的功能和稳定性,添加剂具有阻燃性能,增强了装置的安全性,也能够在正常的充放电过程中形成均匀的SEI膜,保证了电解液不会与电极直接接触。

标签:
加工技术
广东 - 惠州 来源:北方有色网 2023-03-18
液体金属负极极片及其制备方法和应用

本发明提供一种液体金属负极极片及其制备方法和应用。所述负极极片表面涂覆液态合金。本发明提供一种金属锂表面涂覆液态合金的液体金属电极,来改善电解质和负极之间的界面接触,大幅提高固态电解质的临界电流密度,并且在循环过程中可以填充脱锂产生的孔隙,实现界面的“自愈合”,避免锂枝晶的形成和长大,有效解决界面接触问题。

标签:
加工技术
广东 - 惠州 来源:北方有色网 2023-03-18
充电控制方法、系统、装置、车载充电模组和存储介质

本申请涉及一种充电控制方法、系统、装置、车载充电模组和存储介质。方法包括:在发电机的输出电压大于电池模组的额定电压时,获取电压转换器的工作电压;其中,电池模组包括铅酸电池和锂电池,电池模组的额定电压为铅酸电池的额定电压和锂电池的额定电压的总和;根据电压转换器的工作电压,确定铅酸电池的工作参数;根据铅酸电池的工作参数,输出调节信号至电压转换器;调节信号用于指示电压转换器调节输出至铅酸电池的电压,基于能量守恒,此时锂电池的充电电能也得到调节。采用本方法能够使发电机输出的电能充分存储于电池模组中,提高能量利用率。

标签:
加工技术
广东 - 惠州 来源:北方有色网 2023-03-18
改性钛基负极材料及其制备方法和应用

本发明提供了一种改性钛基负极材料及其制备方法和应用,所述制备方法包括以下步骤:(1)将锂源、过渡金属源和第一溶剂混合得到溶液A,将钛源和第二溶剂混合得到溶液B,将溶液A和溶液B混合得到凝胶;(2)对所述凝胶进行老化处理,干燥后经一次烧结烧结得到前驱体材料;(3)将前驱体材料、硼酸盐和锂盐与第三溶剂混合,蒸发后经二次烧结得到所述改性钛基负极材料,本发明所述改性钛基负极材料的内核具有平均运行电位低,理论容量高和成本低等优势,且包覆改性后在高电流密度下具有优异的循环性能,该材料有望成为新型理想的锂离子二次电池负极材料。

标签:
加工技术
广东 - 惠州 来源:北方有色网 2023-03-18
聚合物固态电解质膜的制备方法

本发明属于锂离子电池技术领域,尤其涉及一种聚合物固态电解质膜的制备方法,包括以下步骤:1)、先将聚环氧乙烷和锂盐真空干燥,然后将烘干后的聚环氧乙烷和乙腈溶剂混合搅拌,再加入烘干的锂盐继续搅拌,形成胶液;2)、将步骤1)中的胶液在聚四氟乙烯板上进行刮涂,之后进行烘干,即得到聚合物固态电解质膜半成品;3)、将步骤2)中的聚合物固态电解质膜半成品裁切成小圆片,以不锈钢片作为阻塞电极,将聚合物固态电解质膜半成品封装于扣式电池中;4)、将扣式电池进行淬火处理,实现对聚合物固态电解质膜半成品的淬火处理,得到聚合物固态电解质膜。相比于现有技术,本发明降低PEO聚合物电解质的结晶,提高其离子电导率。

标签:
加工技术
广东 - 惠州 来源:北方有色网 2023-03-18
适用于钢壳的电解液的筛选方法及筛选确定的电解液

本发明提供了一种适用于钢壳的电解液的筛选方法及筛选确定的电解液,所述的筛选方法包括:将待筛选的电解液注入钢壳内制成锂电池,测试锂电池的K值,K值≤0.08mv/h时,表明相应的电解液通过筛选,适用于钢壳。本发明通过测试不同种类的电解液制成的锂电池的K值,利用K值的大小判断待筛选的电解液是否适用于钢壳,从而将可以量化的K值作为了判断电解液是否适用于钢壳的指标。

标签:
加工技术
广东 - 惠州 来源:北方有色网 2023-03-18
动车组辅助电源
动车组辅助电源 948     
 0

本实用新型提供了一种动车组辅助电源,包括台车,及均匀布置在台车上部的若干个锂电池电芯模组,设置于台车上部左端的高压器件模块,设置于台车左端端头的电池管理模块,其中,电芯模组串联连接后与高压器件模块电连接,然后电连接到充电口,电池管理模块进行电池状态的实时监控和故障诊断并传输给车辆集成控制器或充电机。本案提出的一种动车组辅助电源采用环保的锂电池电芯模组替代原有的镍铬电池,使得在相同空间内辅助电源所占空间小,整体重量轻,能量密度提高,结构稳定;所述辅助电源将锂电池组设置在台车内,可整体推进推出,且锂电池组相关配置器件均以单独模块形式设置,整体布局简洁美观,利于整体更换,方便维修维护。

标签:
加工技术
广东 - 惠州 来源:北方有色网 2023-03-18
太阳能供电装置
太阳能供电装置 1113     
 0

本实用新型涉及一种太阳能供电装置。一种太阳能供电装置,包括太阳能供电系统及用电设备,所述太阳能供电系统由太阳能光伏板、将太阳能光伏板产生的电能储存起来的磷酸锂铁电池组,将磷酸锂铁电池组的直流电转变成交流电的交直流逆变器组成。所述太阳能利用系统还包括外部供电系统,及用于在太阳能供电系统和外部供电系统之间切换的电能转换开关。所述的电能转换开关包括用于检测磷酸锂铁电池组电量值的检测模块和由检测模块控制的转换开关。本实用新型完全利用太阳能作为基础能源,并采用目前最先进、最环保的磷酸锂铁电池来储存电源,功率可达到3000瓦以上,本实用新型独立性好,安装方便,是一种适于推广应用的太阳能利用系统。

标签:
加工技术
广东 - 惠州 来源:北方有色网 2023-03-18
身份识别设备
身份识别设备 981     
 0

本实用新型提供的身份识别设备,外壳的正面上设有显示屏和指纹采集器;外壳的背面上设有摄像头和读写器;外壳内还设有控制芯片和电源电路;其中控制芯片分别与显示屏、指纹采集器、摄像头和读写器电连接;电源电路包括锂电池和电容C1,电容C1与锂电池并联,锂电池的正极输出高电平,电源电路输出的高电平分别为显示屏、指纹采集器、摄像头和读写器供电。该身份识别设备,设有指纹采集器和摄像头采集用户的生物特征,还可以进行数据录入和显示,能够应用于医院信息化,小巧便捷。该设备还采用锂电池进行供电,使用方便。

标签:
加工技术
广东 - 惠州 来源:北方有色网 2023-03-18
微型电池
微型电池 1116     
 0

本实用新型涉及一种微型电池,包括正极片和负极片,所述正极片和负极片之间通过隔膜叠层,所述正极片外侧设有接触导通的正极壳,所述负极片的外侧设有接触导通的负极壳,所述正极壳和负极壳之间通过胶圈固定连接,所述正极壳与负极壳形成一个密封腔体,所述密封腔体内灌注有锂离子电池电解液,正极片、负极片以及隔膜形成内芯,然后将内芯放置在正极壳和负极壳之间形成的密封腔体内,再在密封腔体内灌注锂离子电池电解液,这样,可以形成一个锂电池,此时的锂电池整体结构简单,生产方便,可以有效提高生产效率。

标签:
加工技术
广东 - 惠州 来源:北方有色网 2023-03-18
移载机构及封装系统
移载机构及封装系统 928     
 0

本申请提供了一种移载机构及封装系统,涉及锂电池生产领域。移载机构包括驱动装置和搭载平台。驱动装置与搭载平台连接,驱动装置被配置为驱动搭载平台运动。搭载平台上设置有用于固定工件的负压吸附装置。封装系统包括封装装置和上述的移载机构,移载机构被配置为将工件输送至封装装置。该移载机构通过设置负压吸附装置来固定软包锂电芯,容易固定和放置软包锂电芯,容易拿取,提高了工作效率。该封装系统的封装装置便于拿取移载机构上的软包锂电芯,封装效率高。

标签:
加工技术
广东 - 惠州 来源:北方有色网 2023-03-18
上一页 20 21 22 23 24 ... 127 下一页
共127页    到第

北方有色为您提供最新的广东惠州有色金属材料制备及加工技术理论与应用信息,涵盖发明专利、权利要求、说明书、技术领域、背景技术、实用新型内容及具体实施方式等有色技术内容。打造最具专业性的有色金属技术理论与应用平台!

全国热门有色金属设备推荐
展开更多 +
全国热门有色金属技术推荐
展开更多 +

 

江西省隆恩特环保设备有限公司
宣传

报名参会
更多+

报告下载

有色专家
更多+

江西理工大学
副校长/教授
北京科技大学
副院长/教授
重庆大学
副院长/教授
国家钨与稀土产品质量检验检测中心
主任
中南大学、中国工程院
院士
赤泥综合利用研究报告2025
推广

热门技术
更多+

推荐企业
更多+

福建省金龙稀土股份有限公司
宣传

发布

在线客服

公众号

电话

顶部
咨询电话:
010-88793500-807