青岛垚鑫智能科技有限公司
宣传

位置:中冶有色 >

有色技术频道 >

> 加工技术

分类:
全部
矿山技术
冶金技术
材料制备及加工技术
环境保护技术
分析检测技术
 
全部
功能材料技术
复合材料技术
新能源材料技术
合金材料技术
加工技术
地区:
全部
北京
天津
上海
重庆
河北
山西
辽宁
吉林
黑龙江
江苏
浙江
安徽
福建
江西
山东
河南
湖北
湖南
广东
海南
四川
贵州
云南
陕西
甘肃
青海
内蒙
广西
西藏
宁夏
新疆
其他
其他
展开
 
全部
合肥
芜湖
蚌埠
淮南
马鞍山
淮北
铜陵
安庆
黄山
阜阳
宿州
滁州
六安
宣城
池州
亳州

安徽芜湖有色金属加工技术理论与应用

免费发布技术信息>>
提高锂离子电池电芯模组容量的方法

本发明公开了一种提高锂离子电池电芯模组容量的方法,对电芯模组进行变电流充电,每次充电均不进行满充,并提高电芯的放电截止电压,控制充电和放电之间的静止时间至少为30min;本发明创新地对成组后的电芯进行特殊的充放电处理,显著提高了容量转换率、降低了电芯模组放电过程中的产热。

标签:
加工技术
安徽 - 芜湖 来源:中冶有色网 2023-03-18
锂电池回收设备
锂电池回收设备 1100     
 0

本说明书一个或多个实施例提供一种锂电池回收设备,包括:主体,所述的主体内部开设有内孔,所述的内孔靠近底端处焊接有刀架,所述的刀架上表面焊接有切割刀片,所述的电机支架内侧通过螺栓安装有旋转电机,所述的旋转电机动力输出端焊接有转轴,所述的转轴贯穿刀架外围焊接有两组刮板,所述的切割刀片对应两组刮板处开设有收纳孔;底架配合弹簧与刀头的设置,在使用时方便了其对于电池底端金属结构进行切割的效果,也方便了其后续进行处理的效果,盖体配合旋转板的设置,在使用时实现了其使用时的切割电池内的效果,并且经过旋转电机配合经过刮板的效果,在使用时实现了其使用时有效的进行排料效果。

标签:
加工技术
安徽 - 芜湖 来源:中冶有色网 2023-03-18
一维多层纳米链复合材料及其制备方法和在锂离子电池中的应用

本发明提供了一种一维多层纳米链复合材料及其制备方法和在锂离子电池中的应用,首先在一维Fe3O4@SiO2纳米链材料的表面生长SnO2纳米材料,再利用氨水进行蚀刻,将里面的SiO2去除形成多层纳米链结构,再与磷化剂煅烧下反应转化为一维多层Fe2P@SnP0.94复合材料,最后通过水热反应在其表面生长MoS2纳米片状材料,得到一维多层Fe2P@SnP0.94@MoS2纳米链复合材料;其一维核壳结构具有较大的比表面积和内部剩余空间,有效解决了在充放电过程材料的体积结构变化大的问题,其核壳结构可以缓冲充放电过程的体积结构变化,提高电池循环容量和稳定性。

标签:
加工技术
安徽 - 芜湖 来源:中冶有色网 2023-03-18
石墨烯与石墨复合材料、制备方法及其作为锂离子电池负极材料的应用

本发明提供了一种石墨烯与石墨复合材料、制备方法及其作为锂离子电池负极材料的应用,方法为:将石墨用水解液进行表面处理,得到表面处理后的石墨;与石墨烯分散液搅拌混合;碳化,即可。与现有技术相比,本发明将石墨与石墨烯较好的复合来抑制反弹,同时石墨烯不仅是活性物质,也发挥导电剂的作用,形成更好的导电网络,提升倍率性能。

标签:
加工技术
安徽 - 芜湖 来源:中冶有色网 2023-03-18
花状α型三氧化二铁/硫化锌量子点复合材料、制备方法和在锂离子电池中的应用

本发明提供了一种花状α型三氧化二铁/硫化锌量子点复合材料、制备方法和在锂离子电池中的应用,首先制备出独特的花状α型三氧化二铁,再通过简单的水热反应合成花状α型三氧化二铁/硫化锌量子点复合材料,花状结构能有效缓冲充放电过程中的体积变化,大幅提高负极材料结构完整性。另外,硫化锌量子点有利于提高材料表面导电性,以及形成稳定的固体电解质膜,从而提高充放电循环稳定性。

标签:
加工技术
安徽 - 芜湖 来源:中冶有色网 2023-03-18
锂离子电池SOC-OCV关系曲线标定方法

本发明公开了一种锂离子电池SOC‑OCV关系曲线标定方法,包括步骤1、将电池常温充满,预估不同温度条件影响下的电池容量;步骤2、在设定的温度下,采用放电容量截止的方法进行分段放电测试,记录每次放电后对应的静态电压以及SOC;对得到的数据进行拟合,得到SOC‑OCV关系曲线即为设定的温度下的SOC‑OCV关系曲线。本发明的优点在于:省去不同温度条件下的定容测试。通过对采集到的测试数据进行拟合分析得出OCV‑SOC关系模型,这种方法大大提升了SOC的估算精度,修正了SOC的数值,有效提升SOC精度。

标签:
加工技术
安徽 - 芜湖 来源:中冶有色网 2023-03-18
便于存放拿取的锂电池盒

本发明公开了一种便于存放拿取的锂电池盒,包括壳体,壳体内部一侧设有存放槽,存放槽底端设有降温槽,降温槽底端设有与壳体相配合的降温孔,存放槽的一侧设有顶板,顶板靠近壳体内壁的一侧设有与弹簧,存放槽的顶端设有与壳体相配合的存放孔,存放孔顶端设有孔塞,存放槽远离顶板的一侧设有调节槽,调节槽与降温槽之间设有隔板,隔板内设有与存放槽相配合的调节孔,调节槽顶端设有与壳体相配合的弹出架,弹出架顶端设有挡板,调节槽内部底端设有支撑板。有益效果为:通过设置壳体、存放槽、调节槽、降温槽、顶板和支撑板,进而让设备更加好用,更加具有实用性。

标签:
加工技术
安徽 - 芜湖 来源:中冶有色网 2023-03-18
具圆柱形锂电池封口模具

本发明公开了一种具圆柱形锂电池封口模具,包括三个封口上模和一个封口下模,封口上模包括连接部和固定套,封口上模设有贯通整个封口上模的通孔,通孔为包括第一阶梯孔、第二阶梯孔和第三阶梯孔,第一阶梯孔包括固定套外表面向内凹陷形成第一翻边和第二翻边,第一翻边为直边,第二翻边为1/4圆边,本发明将封口分为三个步骤完成,封口下模与第一上模配合,使封口折弯成半径为1.9mm的圆边,然后封口下模与第二封口上模配合,使封口折弯成半径为1.3mm的圆边,最后封口下模与第三上模配合,使封口折弯成半径为0.7mm的圆边,完成封口,通过将封口分为三个步骤完成,使得封口密封性良好、合格率高,而且封口外形圆滑、美观。

标签:
加工技术
安徽 - 芜湖 来源:中冶有色网 2023-03-18
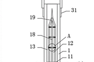
锂离子电池极片柔韧性测试装置

本实用新型公开了一种锂离子电池极片柔韧性测试装置,包括底板、侧板、连接轴和待测极片,侧板的一端通过连接轴与底板连接,侧板可绕连接轴进行180度翻转,待测极片粘贴在底板和侧板水平放置时的正中位置;待测极片分布在底板和侧板上的大小相同。待测极片的中心位于底板与侧板的连接处,保证待测极片分布在底板和侧板上的大小相同。测试装置还包括角度标尺。底板上远离连接轴的一侧设有孔槽Ⅰ,侧板上远离连接轴的一侧设有孔槽Ⅱ,角度标尺上零刻度的一端固定连接在底板上的孔槽Ⅰ中,角度标尺另一端穿过侧板上的孔槽Ⅱ活动连接,侧板翻转时孔槽Ⅱ在角度标尺上移动。

标签:
加工技术
安徽 - 芜湖 来源:中冶有色网 2023-03-18
使用锂电池的不间断电源系统

本实用新型涉及一种使用锂电池的不间断电源系统。包括电池控制单元、电池监测单元、高压单元和远程终端单元,通过电池监测单元对电池组的开路电压、温度等参数进行实时的监测,经过BMU中MCU转换后,通过CAN总线实时发送给电池控制单元。高压单元测量总电压、电流、绝缘电阻状态并发送至电池控制单元。电池控制单元估算出电池组各电池单体的SOC、SOH等状态信息,并控制电池监测单元对各电池单体的剩余电量进行均衡,同时通过干接点与UPS机柜连接,控制整流器和逆变器以不同的模式分别与电网和负载相连,完成系统充放电工作。本实用新型不但提高储能系统的工作性能、降低成本,同时便于管理人员实时了解掌握电池系统状态,在未来为系统维护、功能扩展提供便利。

标签:
加工技术
安徽 - 芜湖 来源:中冶有色网 2023-03-18
锂离子电池极耳焊接点保护用胶带

本实用新型公开了一种锂离子电池极耳焊接点保护用胶带,包括发泡胶层和基材层,还包括离型膜层和固定胶层,所述基材层包括中间基材层和下基材层,所述离型膜层、发泡胶层、中间基材层、固定胶层以及下基材层从上至下叠层依次设置。使用时当发泡胶带受热发泡膨胀后,发泡胶与铝箔或者铜箔失黏分离,胶纸受到烘道中受热气流冲击的同时,能够稳定固定在铝箔或铜箔极耳焊接位置上,杜绝失黏胶纸四处飘荡,污染烘道及未烘干的正极材料现象。

标签:
加工技术
安徽 - 芜湖 来源:中冶有色网 2023-03-18
锂电池生产用石墨研磨设备

本实用新型公开了一种锂电池生产用石墨研磨设备,包括底座,所述底座的顶面焊接有固定架,固定架竖直放置,固定架的顶部铰接有施力臂,底座的顶部通过紧固螺钉安装有研磨座,研磨座顶面向内凹陷引出放置槽,放置槽的两侧分别设有支撑架,支撑架之间安装有限位凸块,限位凸块位于研磨座的底部,施力臂远离固定架的一端铰接有连杆,连杆的另一端铰接有活动支架,活动支架的一侧设有凹槽,活动支架的侧面通过紧固螺钉安装有磨片,且凹槽位于磨片的下方,并且活动支架的底部铰接于底座的顶面,本实用新型结构简单,方便人工精细研磨,且可以较大程度确保石墨的粒度均匀。

标签:
加工技术
安徽 - 芜湖 来源:中冶有色网 2023-03-18
长循环锂电池组组装结构

本实用新型公开了一种长循环锂电池组组装结构,包括多个电芯、固定带和端板,相邻电芯之间采用双面胶粘结,多个电芯拼接连接在一起形成电芯组件,端板设置在电芯组件的两端部构成主体模组,固定带套接在主体模组的外部,固定带包括钢箍带和PET塑胶扎带,钢箍带套接在主体模组的上部,PET塑胶扎带绑扎在主体模组的下部。长循环模组循环寿命>2000次后期电芯会产生较大的膨胀力,本实用新型在模组Z方向上部通过钢箍带限制模组在X方向的变形,模组Z方向下部端板与箱体固定梁螺栓连接,通过箱体固定梁限制模组在X方向上的膨胀力,使得模组在后期也能保证结构稳定性。

标签:
加工技术
安徽 - 芜湖 来源:中冶有色网 2023-03-18
锂电池新型涂布阀装置

本实用新型公开了一种锂电池新型涂布阀装置,具有:管道;浆料出口,设置在管道的第一端上,浆料出口与刀模连接;浆料入口,设置在管道的中部附近,浆料入口与浆料供装置连接;浆料回流口,设置在管道的第二端上,浆料回流口与缓存罐连接;涂布球阀,设置在浆料出口和浆料入口之间的管道上;回流球阀,设置在浆料回流口和浆料入口之间的管道上,既可以提高涂布制程的极片优率又可以降低配件使用维护成本。

标签:
加工技术
安徽 - 芜湖 来源:中冶有色网 2023-03-18
锂电池激光焊接自动吸尘辅助装置

本实用新型公开了一种锂电池激光焊接自动吸尘辅助装置,涉及吸尘装置技术领域,包括下压块、吸尘罩和升降装置,下压块的上端安装有吸尘罩,下压块的底侧抵接于产品定位夹具上,吸尘罩的内底面上连接有升降装置,升降装置带动下压块和吸尘罩进行上下移动。本实用新型通过气缸带动吸尘罩上下移动,从而使得吸尘罩底端连接的下压块抵接于产品定位夹具上,并通过通孔罩住焊接区域,从而减少吸尘口和产品之间的高度差,提高除尘和除烟的效果,通过保护气圆孔接入氮气,减少焊渣的飞溅,吸尘机接口外接吸尘机用于除尘和除烟。

标签:
加工技术
安徽 - 芜湖 来源:中冶有色网 2023-03-18
方便移动的锂电池电源
方便移动的锂电池电源 1042     
 0

本实用新型公开了一种方便移动的锂电池电源,包括底座,底座的底部固定有垫脚,所述底座上固定有电源主体,底座的内腔分为第一安装腔和两个第二安装腔,第二安装腔的底部开口,所述第二安装腔内滑动配合有纵向的升降座,且升降座底部的两端均固定有位于第二安装腔内的移动轮,所述升降座的顶部固定有竖向的螺纹杆,且螺纹杆的上端穿出第一安装腔并固定有位于底座顶部上方的放置板,放置板的底部连接有导向机构。本实用新型中整个电源结构简单,制作成本低,不仅使用效果好,且移动方便,同时功能性好。

标签:
加工技术
安徽 - 芜湖 来源:中冶有色网 2023-03-18
弧形组合式锂电池保护膜

本实用新型公开了一种弧形组合式锂电池保护膜,包括保护膜本体,所述保护膜本体包括左半弧形保护膜和右半弧形保护膜,且所述左半弧形保护膜和右半弧形保护膜均由基层、阻燃胶粘剂层、防静电粒子、阻燃无纺布、硅凝胶、TPU膜和硅溶胶共聚物硬化涂层组成,将不锈钢杆插入到第二半圆形塑料块内部,从而将左半弧形保护膜和右半弧形保护膜连接在一起,通过推动圆柱形塑料块,从而将不锈钢杆移出第二半圆形塑料块内部,从而将第一半圆形塑料块和第二半圆形塑料块分离,操作简单,便于拆装保护膜本体;硅溶胶共聚物硬化涂层具有耐磨、抗刮伤、使用寿命长的特点,能够有效的提高保护膜本体的使用寿命。

标签:
加工技术
安徽 - 芜湖 来源:中冶有色网 2023-03-18
锂离子电池负极浆料及其制备方法

本发明提供了一种锂离子电池负极浆料及其制备方法,膨胀石墨50‑60份、二氧化锰‑四氧化三锰复合材料40‑50份、导电炭黑0.5‑2份、多元醇1.5‑3份、丁苯橡胶2.2‑2.5份、羧甲基纤维素4‑5.5份和去离子水110‑130份。与现有技术相比,本发明控制原料的选择、用量比,制备过程中的加料顺序和搅拌时间、速度等,防止团聚、凝结和结块,有利于提高首次放电比容量,可以达到902mAh/g,1000次循环保持率90%以上。

标签:
加工技术
安徽 - 芜湖 来源:中冶有色网 2023-03-18
新能源汽车锂电池高精度研磨装置

本发明公开一种新能源汽车锂电池高精度研磨装置,包括机架、顶升机构、滚压机构、铆压机构和转盘旋转机构,所述旋转底盘的下方沿圆周边缘设置有顶升机构,所述顶升机构包括气缸,气缸的顶端通过螺栓固定连接有安装座,安装座的上表面以中心线对称设置有两个第一伸缩杆,第一伸缩杆的顶端焊接固定在固定板的底端下表面,第一伸缩杆的顶端贯穿固定板向上延伸,且第一伸缩杆的顶端通过焊接固定在机架的底端下表面,将滚压块安装在第二安装板上,并在第二安装板靠近旋转底盘的一侧设置滚压柱,滚压块与第二安装板之间设置有压板,且压板与第二安装板之间设置有第二压缩弹簧,第二压缩弹簧可以缓冲滚压柱对电芯研磨修边使的冲击力。

标签:
加工技术
安徽 - 芜湖 来源:中冶有色网 2023-03-18
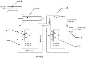
用于锂电池注液的装置

本发明公开了一种用于锂电池注液的装置,包括注液箱和设在注液箱内的注液管,所述注液箱一端设有电池进口,注液箱另一端设有电池出口,所述注液箱的侧面设有可伸入箱体内的橡胶手套,所述注液箱上设有用于注液箱内除湿的除湿机。注液箱为密封空间,工人通过橡胶手套操作,注液箱内温度和湿度能满足电池要求,注液箱内通过注液管进行注液,提高了注液效率。

标签:
加工技术
安徽 - 芜湖 来源:中冶有色网 2023-03-18
锂电池生产线中一种纳米超硬分切刀具

锂电池生产线中一种纳米超硬分切刀具,分切刀具分为上刀和下刀,上刀与下刀相互咬合,所述的上刀和下刀的表面上分别从内到外依次复合有基础层、过渡层和表层,其中基础层为TiN层、过渡层为设有三层TaC层,表层为TaC层。本实用新型的有益效果是:通过在分切刀具的表面上附着硬度系数高,摩擦系数低,耐温性好功能性金刚石镀膜层,有效提高分切的切削面平整光滑,防止被切削材料黏刀,延长维护周期,寿命可提高3~4倍。

标签:
加工技术
安徽 - 芜湖 来源:中冶有色网 2023-03-18
新型锂电池
新型锂电池 889     
 0

本实用新型公开了一种新型锂电池,包括电池壳体和电池卷芯,所述电池卷芯设在电池壳体中,电池卷芯两端分别设有正极片和负极片,所述负极片与电池壳体底部相对应,所述电池卷芯的负极片与电池壳体底部相对应接触部分设有凸点结构。焊接时增加了电池卷芯的负极片与电池壳体底部的接触面积,焊接牢固,并且负极片设置在电池卷芯外圆周上,便于散热,结构简单。

标签:
加工技术
安徽 - 芜湖 来源:中冶有色网 2023-03-18
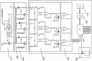
锂电池能量均衡控制系统

本实用新型公开了一种锂电池能量均衡控制系统,包括依次连接驱动电路、控制电路、电池单元、电压采集电路、电压放大电路和MCU微处理器,在MCU微处理器输出端连接控制电路上的MOS管,在MCU微处理器输出端还包括CELL1、CELL2和CELL3端口分别连接所述控制电路上的MOS管,在MCU微处理器输出端还包括连接一MOS管,该MOS管连接系统负载,本实用新型利用MCU微处理器输入端口连接的电路能够对电池组中的各个电池单元实时信号采样、处理、放大、比较和控制充电,MCU微处理器连接的BLEED_DRIVER端口可以调控电流占空比、根据检测电量的信息实行电路的自动开合,对电池组起到保护的作用,降低整个系统电路复杂程度;采用本实用新型的技术方案避免了能源浪费,缩短了充电时间。

标签:
加工技术
安徽 - 芜湖 来源:中冶有色网 2023-03-18
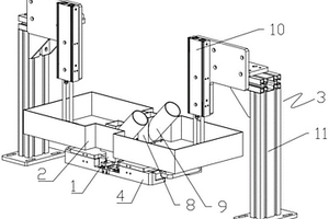
动力锂电池盖帽组装设备及其组装方法

本发明公开了一种动力锂电池盖帽组装设备,设有转盘一(11)、转盘二(12)、镀镍顶盖振动料斗(13)、翻边铝料振动料斗(14)、塑料密封圈振动料斗(15);设有气缸一至气缸九、感应头一至感应头十;还设有分隔感应头。采用上述技术方案,采用一体化的收边和装配方式,简化生产程序,实现组装生产的自动化,提高生产效率,降低劳动强度,减少因操作失误造成的人身伤害事故;同时避免产品在多道生产工序中受灰尘、操作人员手上所带的污染物的污染,提高产品的防腐性能。

标签:
加工技术
安徽 - 芜湖 来源:中冶有色网 2023-03-18
硅碳复合材料及其制备方法、锂离子电池

本发明公开了一种硅碳复合材料及其制备方法、锂离子电池,该方法包括以下步骤:(1)将硅基材料放入到高压反应釜中,该高压反应釜内为高压环境,然后用高压泵将溶解有机碳前躯体的超临界流体泵入到高压反应釜中,得到混合物;(2)再将高压反应釜与泄压的密闭容器连通,混合物进入到泄压的密闭容器中,得到有机碳前躯体包覆硅基材料的复合材料;(3)在非氧化气氛下高温碳化,得到硅碳复合材料。超临界流体使得有机碳前驱体得到了充分分散,使得有机碳前躯体与硅基材料混合得更均匀且增加结合力,进入到泄压容器后超临界二氧化碳挥发成气态后仍可继续重复利用,在有机碳前躯体和硅基材料的混合物中没有引入杂质,进一步提高了电池的倍率性能。

标签:
加工技术
安徽 - 芜湖 来源:中冶有色网 2023-03-18
碳硅复合材料及其制备方法、含该材料的锂离子电池

本发明公开了一种碳硅复合材料及其制备方法及使用该材料制备的锂离子电池,该材料制备过程中,原料直接选用硅粉,用有机碳前驱体对硅粉进行包覆,得到多孔碳层紧密包覆硅的复合材料,通过腐蚀液腐蚀除去多孔碳层包覆硅的复合材料中的部分硅,得到碳硅复合材料,其中碳壳与其内部的硅间具有空隙,该制备工艺简单,由该制备方法制备的碳硅复合材料具有更好的电化学性质,由该碳硅复合材料制得的电池具有更好的循环性能。

标签:
加工技术
安徽 - 芜湖 来源:中冶有色网 2023-03-18
废弃锂离子电池的回收方法

本发明公开了一种废弃锂离子电池的回收方法,包括以下步骤:将废弃电池进行放电处理;在电池外壳上开孔进行电解液引流,收集电解液,并在收集完成后,向孔内注有机溶剂浸泡未流出的电解液并引出;对电池进行拆解,分离出正极片、负极片以及隔膜;将正极片浸泡于含芬顿试剂的去离子水中,超声震荡后筛选出正极集流体;并将浸泡液进行固液分离,所得固体材料烘干后得到正极材料;将负极片置于去离子水中,超声震荡浸泡后筛选出负极集流体;并将浸泡液进行固液分离,所得固体材料烘干后得到负极材料;该回收方法的整个过程,不使用有毒及腐蚀性的溶液,环保安全,且整个工艺过程操作简单、方便快捷,回收成本较低。

标签:
加工技术
安徽 - 芜湖 来源:中冶有色网 2023-03-18
具有分层结构的空心纳米立方体多元金属化合物复合材料、制备方法及在锂离子电池的应用

本发明提供了具有分层结构的空心纳米立方体多元金属化合物复合材料、制备方法及在锂离子电池的应用,利用水热法合成了NiFe‑MOF前驱体,再通过空气煅烧,再进行水热法掺金属,获得具有分层结构的空心纳米立方体多元金属化合物复合材料。表面为片层结构的复合材料在充放电过程中提供较多的活性位点,解决了体积膨胀问题,使电池具有更好的稳定性。并且本发明中铁盐、钴盐、镍盐或铜盐价格低廉,容易获得,且安全环保等优点。另外本发明可控性好,实验过程简单,产量大,成本低廉。

标签:
加工技术
安徽 - 芜湖 来源:中冶有色网 2023-03-18
用于锂电池的除尘装置
用于锂电池的除尘装置 1036     
 0

本发明公开了一种用于锂电池的除尘装置,包括底座,底座的上端一侧设置有支架一,底座的上端另一侧设置有支架二,支架一与支架二的上端设置有顶板,支架一远离支架二的一侧设置有控制开关,控制开关的下端且位于支架一的一侧设置有电源接口,支架一与支架二的一侧且位于底座的上端均设置有吸尘泵,顶板的下端设置有若干风机,风机的下方且位于支架一与支架二之间设置有活动板,活动板的一侧两端均设置有连接块一,连接块一的一侧设置有连接板一,连接板一的下端且位于底座上端设置有连接块二,活动板的另一侧两端均设置有连接块三,连接块三的一侧设置有连接板二,连接板二的下端且位于底座的上端设置有连接块四。

标签:
加工技术
安徽 - 芜湖 来源:中冶有色网 2023-03-18
锂电池整形装置
锂电池整形装置 1135     
 0

本发明公开了一种锂电池整形装置,包括底座、支撑柱和挤压板,底座的顶端一侧边设有支撑柱,底座的顶端远离支撑柱的一侧边固定箱一,固定箱一的内部远离支撑柱的一端设有电机一,电机一的输出轴与螺纹杆连接,螺纹杆的外侧设有与螺纹杆相适配的套筒,且套筒远离电机一的一端延伸至固定箱一的外侧,底座的顶端且位于支撑柱与固定箱一之间设有固定板,支撑柱的顶端且与固定板相对应的位置设有固定箱二,固定箱二的内部一侧边设有电机二,且电机二的输出轴与转轴连接,转轴上的两侧边均设有齿轮,固定箱二的内部一侧边且与齿轮相对应的位置设有固定筒。

标签:
加工技术
安徽 - 芜湖 来源:中冶有色网 2023-03-18
上一页 19 20 21 22 23 ... 48 下一页
共48页    到第

中冶有色为您提供最新的安徽芜湖有色金属加工技术理论与应用信息,涵盖发明专利、权利要求、说明书、技术领域、背景技术、实用新型内容及具体实施方式等有色技术内容。打造最具专业性的有色金属技术理论与应用平台!

全国热门有色金属设备推荐
展开更多 +
全国热门有色金属技术推荐
展开更多 +

 

江西省隆恩特环保设备有限公司
宣传

报名参会
更多+

报告下载

有色专家
更多+

南昌航空大学
副院长/教授
广西大学
处长/教授
江西理工大学
副处长/教授
石家庄铁道大学
团委书记/副教授
中南大学
院长/教授
赤泥综合利用研究报告2025
推广

热门技术
更多+

推荐企业
更多+

福建省金龙稀土股份有限公司
宣传

发布

在线客服

公众号

电话

顶部
咨询电话:
010-88793500-807