青岛垚鑫智能科技有限公司
宣传

位置:中冶有色 >

有色技术频道 >

> 加工技术

分类:
全部
矿山技术
冶金技术
材料制备及加工技术
环境保护技术
分析检测技术
 
全部
功能材料技术
复合材料技术
新能源材料技术
合金材料技术
加工技术
地区:
全部
北京
天津
上海
重庆
河北
山西
辽宁
吉林
黑龙江
江苏
浙江
安徽
福建
江西
山东
河南
湖北
湖南
广东
海南
四川
贵州
云南
陕西
甘肃
青海
内蒙
广西
西藏
宁夏
新疆
其他
其他
展开
 
全部

有色金属加工技术理论与应用

免费发布技术信息>>
医用465nm、532nm、1500nm三波长光纤输出激光器

一种医用465nm、532nm、1500nm三波长光纤输出激光器,设置465nm四波混频周期极化铌酸锂激光谐振腔,在532nm输出光纤的尾段设置532nm分束光纤圈,设置532nm分束光纤圈的532nm激光输出端,引一路532nm经532nm激光输出端输出,在1500nm激光输出光纤尾段设置1500nm分束光纤圈,引一路1500nm经1500nm激光输出端输出,信号光465nm、闲频光1500nm、泵浦光I1064nm与泵浦光II532nm在四波混频的周期极化铌酸锂激光谐振腔内发生四波混频,输出465nm,最后输出465nm、532nm、1500nm三波长激光。

标签:
加工技术
江苏 - 无锡 来源:中冶有色网 2023-03-18
日用瓷及其制备方法
日用瓷及其制备方法 894     
 0

本发明涉及一种日用瓷,其原料由以下重量分数的各组分组成:蛇纹石59~66份,钙基膨润土28~35份,钾长石0.5~1.3份,锂瓷石0.2~1.2份,粘土1~2份,ZnO0.5~1.5份,BaCO31~2份,单晶α-Al2O3?2~4份,电熔莫来石0.3~0.8份;用本发明所述日用瓷原料制备日用瓷产品,成本低,制得的日用瓷产品白度高,抗折强度高,热稳定性好,性价比高,市场前景广阔。

标签:
加工技术
广东 - 潮州 来源:中冶有色网 2023-03-18
海洋探测用3335nm、985nm双波长光纤输出激光器

一种海洋探测用3335nm、985nm双波长光纤输出激光器,整体光路设置为S型,设置信号光3335nm四波混频周期极化铌酸锂激光谐振腔,在泵浦光I?985nm传输光纤上设置泵浦光I?985nm分束光纤圈,信号光3335nm、闲频光735nm、泵浦光I?985nm与泵浦光II?1550nm进入信号光3335nm四波混频周期极化铌酸锂激光谐振腔,发生四波混频效应,产生信号光3335nm输出,最后输出3335nm、985nm双波长光纤激光。

标签:
加工技术
江苏 - 南京 来源:中冶有色网 2023-03-18
负极材料的制备方法
负极材料的制备方法 1052     
 0

本发明提供了一种负极材料的制备方法,属于锂电池用负极材料技术领域,包括如下步骤:(1)将人造石墨与1%的H2O2的水溶液高速搅拌;(2)称取Si粉,将Si粉与所述步骤(1)中得到的混合液进行液相球磨;(3)用真空泵抽干溶剂,得到分部均匀的前驱体;(4)称取絮状石墨,将絮状石墨与所述步骤(3)中得到的前驱体进行球磨,得到粉料;(5)将所述步骤(4)中得到的粉料抽真空;(6)将所述步骤(5)中抽真空后的粉料在管式炉内惰性气氛下烧结,降温后得到改性的负极材料。本发明储锂能力强,电化学性能稳定,容量提高, 导电性得到改善。

标签:
加工技术
天津 - 天津 来源:中冶有色网 2023-03-18
耐高温紫外光固化涂料

本发明公开一种耐高温紫外光固化涂料,其组成按重量份计包括:马来酸化环氧大豆油丙烯酸酯;光引发剂;三乙胺;耐热剂量;水;乙醇;所述耐热剂有按质量计2%的乙醛肟、3%的三氯乙醛、1%的磷酸锂以及余量的甘露醇。本发明中适量的乙醛肟、三氯乙醛可以有效提高所形成的涂料层的耐高温性能,在高温下不易褪色、脱落,并保持足够的光泽和光滑度。而磷酸锂的使用更能明显增强涂料层的硬度。

标签:
加工技术
安徽 - 安庆 来源:中冶有色网 2023-03-18
斑点提花带蓄电功能的服装

本发明涉及一种斑点提花带蓄电功能的服装。它包括服装本体(1),服装本体前身设有多块太阳能电池板(2),太阳能电池板均连向一个锂电池(3),锂电池(3)终端连有一个USB接口(4)。所述服装本体背面设置有衬里织物层,所述衬里织物层,为一种斑点提花织物,为正反双面提花织物,其正面均匀独立分布有凸点,该凸点采用第一纱线提花形成于底布上,其反面为由第二纱线提花形成于底布反面的竖向条纹,相邻条纹间平行。本发明能给电子产品充电。

标签:
加工技术
江苏 - 无锡 来源:中冶有色网 2023-03-18
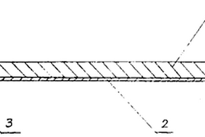
摩擦搅拌接合装置
摩擦搅拌接合装置 1152     
 0

本发明提供一种形成有软氮化层(50)的摩擦搅拌接合装置的销(20)。该软氮化层(50)包括铁锂氧化物层(51)和氮化扩散层(52)。氮化扩散层(52)是通过在销(20)的表面的原子与原子间渗透铁锂氧化物层(51)侧的原子而成的。

标签:
加工技术
其他 - 其他 来源:中冶有色网 2023-03-18
油基钻井液用提切剂及其制备方法

本发明是一种油基钻井液用提切剂及其制备方法,能有效改善油基钻井液的流变性能,提升钻井液对加重材料及钻屑的悬浮与携带能力。本提切剂以100重量份计,包括以下组分:改性锂皂石2~14重量份;改性凹凸棒石6~8重量份;分散剂2~4重量份;其他为基液。提切剂的制备方法,其步骤如下:a、将改性锂皂石及改性凹凸棒石与水混合后配制成1%~1.5%的悬浮液,然后在70~80℃温度下加入0.5~1%聚合羟基氯离子溶液;b、搅拌老化后,在250~300℃煅烧后研磨至粉末;c、将10~20%的研磨粉末加入到基液中,加热后搅拌,然后加入2~4%的分散剂,搅拌至混合均匀。原材料来源广泛,制备过程简单,制备的提切剂提切效果明显。

标签:
加工技术
北京 - 北京 来源:中冶有色网 2023-03-18
Ti3C2Tx/硫碳复合材料的制备方法

本发明提供一种Ti3C2Tx/硫碳复合材料的制备方法,该复合材料由球形多孔结构的碳材料、分散在多孔结构碳材料中的Ti3C2Tx和单质硫组成,多孔碳材料在外层对单质硫和Ti3C2Tx进行包覆,其中Ti3C2Tx:碳:硫的质量比为0.1‑0.3:0.1‑0.3 : 1。该复合材料中Ti3C2Tx上的T为‑F基团或‑OH基团,与氧化石墨烯表面的氧均为强极性基团,能对充放电过程中形成的多硫化物形成强烈的化学吸附,同时多孔碳材料的微孔也能对多硫化物进行物理吸附,这种同时具有物理和化学吸附的能力能有效的阻止多硫化物运动,减少飞梭效应的发生,提高锂硫电池的寿命。

标签:
加工技术
广东 - 深圳 来源:中冶有色网 2023-03-18
高界面稳定性正极材料合成方法

一种高界面稳定性正极材料合成方法,主要过程为:先通过高温固相反应合成锂离子电池正极材料基体,再结合液相包覆和自蔓延法低温热处理,得到目标产品。目标产品包括本体材料和包覆层,本体结构式可表示为LixMO2,0.9≦x≦1.2,M=Co、Ni、Mn、Al中的一种或多种;包覆层为α‑LiAlO2。本发明先测定基体表面游离Li,然后加入等计量比的Al源以及自蔓延烧结所需的有机物,随后在低温下自蔓延烧结合成表面包覆层,该方法能最大限度降低表面游离Li,并避免基体内部Li的脱出,同时在基体表面形成耐电解液腐蚀的包覆层,所得材料界面稳定性高,不易吸水,加工性能好,高温性能和安全性能出色。

标签:
加工技术
湖南 - 湘潭 来源:中冶有色网 2023-03-18
正极活性物质以及蓄电装置

正极活性物质以及蓄电装置。提供一种导电性得到提高的正极活性物质以及使用该物质的蓄电装置。提供一种电容大的正极活性物质以及使用该物质的蓄电装置。作为正极活性物质的主要材料的核,使用包含锂金属氧化物的核,且将1至10片石墨烯用作核的覆盖层。对石墨烯设置孔,由此便于锂离子的传输,从而可以提高电流的利用效率。

标签:
加工技术
其他 - 其他 来源:中冶有色网 2023-03-18
喷射式换热系统
喷射式换热系统 961     
 0

一种喷射式换热系统,本发明涉及一种换热系统,本发明内容是为了解决现有吸收式换热系统采用溴化锂吸收式热泵中时存在:1、换热器等零部件众多,系统复杂,运行维护困难;2设备尺寸大,占地多,造价高昂;3溴化锂溶液对设备具有较强腐蚀作用,设备寿命短;4系统处于真空负压状态运行,易发生不凝性气体渗漏,系统运行稳定性差;5系统热惰性大,响应慢,调节控制困难的问题,它包括第一冷凝器、第一储液器、第一节流膨胀阀、第一工质泵、第一高温蒸发器、第一低温蒸发器、第一引射器、第一气液分离器、第一工质管路、第二工质管路、第三工质管路、调适换热器、高温热源管路和第一低温热源管路,本发明在换热领域中使用。

标签:
加工技术
黑龙江 - 哈尔滨 来源:中冶有色网 2023-03-18
中温烧结堇青石质耐热瓷及其制备方法

本发明涉及一种中温烧结堇青石质耐热瓷及其制备方法,所述耐热瓷坯体的物料配方组成质量百分比为:滑石20~35%、高岭土20~35%、粘土5-15%、预烧料10~30%、锂辉石0~20%,经混合、球磨、成型,然后在1230℃~1270℃烧成、保温30min,得到堇青石质耐热瓷,所述瓷胎的热膨胀系数α为1.5~2.0×10-6/℃。本发明采用我国储量丰富、质量优良、价格低廉的滑石作为原料,并通过原料预烧的方式克服了目前堇青石质耐热瓷合成温度高、烧成范围窄的缺陷,从根本上破解锂质耐热瓷制备成本过高的行业难题,因此具有广阔的市场前景。

标签:
加工技术
江西 - 景德镇 来源:中冶有色网 2023-03-18
PVA树脂立方氮化硼砂轮
PVA树脂立方氮化硼砂轮 1006     
 0

本发明涉及砂轮制造技术领域,具体涉及一种PVA树脂立方氮化硼砂轮及其生产工艺,该砂轮由以下重量份的原料制成:立方氮化硼磨料40-45、锆刚玉磨料23-26、硝酸锂3-4、硝酸钠2-3、三氧化二铝4-5、三氧化二铁3-4、聚乙烯醇4-5、氢氧化铝3-5、助剂7-9;本发明砂轮采用采用硝酸锂、硝酸钠、聚乙烯醇以及三氧化二铝、三氧化二铁等原料作为结合剂,有效的增进了磨料间的粘结程度,结合剂与磨料把持牢固,工件的强度进一步增强,加工过程中烧结温度低,磨削过程中发热少,散热快,不易烧伤工件,耐磨,自锐性良好,使用寿命长。

标签:
加工技术
安徽 - 马鞍山 来源:中冶有色网 2023-03-18
含三聚氰胺的微晶刚玉砂轮

本发明涉及砂轮制造技术领域,具体涉及一种含三聚氰胺的微晶刚玉砂轮及其生产工艺,该砂轮由以下重量份的原料制成:碳化硅磨料34-37、微晶刚玉磨料40-45、粘土5-7、硅酸锆4-5、三聚氰胺2-3、白云石2-3、蒙脱石1-2、柠檬酸3-4、碳酸锂3-4、高岭土3-4、助剂7-9;本发明砂轮采用粘土、硅酸锆、白云石、蒙脱石、碳酸锂、高岭土等原料搅拌制成了陶瓷结合剂,这种陶瓷结合剂性能稳定,高温润湿性好,与三聚氰胺、柠檬酸等原料的水溶液混合后,与磨料的把持强度增大,粘结更为牢固,提高了砂轮成品的强度和耐磨损性能,更为经久耐用。

标签:
加工技术
安徽 - 马鞍山 来源:中冶有色网 2023-03-18
带指南针及充电功能便携式音箱

本发明涉及一种带指南针及充电功能便携式音箱,它包括音箱本体,电源接口,开关,音频接口,控制电路板,锂电池,扬声器,控制键,标准USB座,指南针;所述电源接口内嵌安装音箱本体内,开关内嵌安装在音箱本体内,音频接口内嵌安装在音箱本体内,控制键内嵌安装在音箱本体内部,控制电路板安装在音箱本体内部,锂电池安装在音箱本体内部,扬声器安装在音箱本体内部,标准USB座内嵌安装在音箱本体内,指南针内嵌安装在音箱本体顶部,本发明的产品使用和携带方便;便于充电及辨别方位。

标签:
加工技术
江苏 - 苏州 来源:中冶有色网 2023-03-18
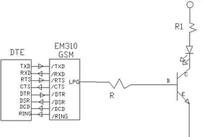
网络连接状态管脚电路

本发明公开了一种网络连接状态管脚电路,包括NPN三极管、发光二极管、EM310GSM、数据终端设备DTE、后备锂电池VBAT和电阻R与R1,所述的NPN三极管分为三个极,分别为基极B、集电极C和发射极E,基极B与电阻R连接,集电极C与发光二极管连接,发射极E接地,所述的电阻R1同时连接于发光二极管和后备锂电池VBAT,所述的EM310GSM与电阻R和数据终端设备DTE的对应端口连接。该发明通过上述电路,能及时了解网络的当前状态,观察更方便。

标签:
加工技术
四川 - 成都 来源:中冶有色网 2023-03-18
数据采集、充电液晶显示为一体的智能采充模组

本发明涉及锂电矿灯的充电装置,具体为数据采集、充电液晶显示为一体的智能采充模组,包括供电电路,主电路,电磁锁控制电路,485通讯电路,信号采集电路,辅助电路和运算电路,本发明主要利用单片机、充电管理芯片和电磁锁控制电路实现对矿灯电池的充电和数据采集的功能,本发明提供的智能采充模组对应一个灯位的充电和数据采集,大大提高了充电架的使用性能,且电路结构也较为合理,运行速度快,能有效地给矿灯电池充电,并将充电信息通过液晶屏显示,还可以将数据传输到上位机,用于矿灯的管理,解决了充电架由于电路结构不合理,而不能有效给锂电矿灯电池充电和采集矿灯电池充电数据的问题。

标签:
加工技术
山西 - 大同 来源:中冶有色网 2023-03-18
基于最长电池寿命考虑的增程式电动汽车控制方法

本发明涉及一种基于最长电池寿命考虑的增程式电动汽车控制方法。它电池组电量的增程摆幅X依据下述方程式确定:电池组保修的最大行驶里程设定为L,每一个驾驶周期的里程设定为100km,则电池组保修里程内的驾驶周期数设定为n1,n1=L/100km,电池组保修里程内启动增程器将电池组从电量下限值充电至电量上限值的总循环数设定为n2,驱动电机效率设定为r,充电效率设定为p,电池组保修的最大行驶里程所需的总电量E=n1(E0-E1)/r+(n2*X%*E0)/r/p;其中,n2=k*f(X)-n1;k为电池损伤系数,对锂离子电池来说,k=1-n1*〔(100-M+0.5X)/14571〕(1/0.6844);f(X)为X的函数,函数关系为f(X)=(X/14571)(-1/0.6844);其中,L、E0、M、r、p对于电池组为已知数值,根据上述方程式确定X的数值。

标签:
加工技术
浙江 - 杭州 来源:中冶有色网 2023-03-18
川芎嗪茋类衍生物及其制备方法与应用

本发明公开了新的川芎嗪茋类衍生物,具有如下结构通式:,其中R为H或CH3、Ar为:二茂铁基,以及R为H、Ar为:2, 4-二氯苯基、2-溴苯基、3, 4-亚甲二氧基苯基、2-氯-6-氟苯基、3-溴苯基、4-溴苯基、2-萘基、4-三氟甲基苯基、苯乙基、2-吡啶基、3-吡啶基、4-吡啶基。本发明还公开了包括上述新的川芎嗪茋类衍生物在内的川芎嗪茋类衍生物的一种新制备方法。利用川芎嗪和芳香醛(酮)在丁基锂作用下进行羟醛缩合,粗产物不经分离,加入醋酸-醋酐经加热消除,高效、快速、简便地一釜合成了系列川芎嗪茋类衍生物,产率为72%~94%。本发明还提供新的川芎嗪茋类衍生物在制备治疗心血管疾病的药物上的应用。

标签:
加工技术
广西 - 桂林 来源:中冶有色网 2023-03-18
CO催化材料的制备方法
CO催化材料的制备方法 1123     
 0

本发明为一种新的制备方法,使用该方法制备得到的纳米金催化材料,在室温以及低于室温的条件下,具有良好的净化CO活性和稳定性。该方法制备得到的催化材料具有工业化生产前景,其强度能够满足实际使用要求。该催化材料由负载在多孔性载体上的金和其它助催化材料构成。其活性组分为金,多孔性载体可来自氧化铝、氧化硅、分子筛、蜂窝陶瓷、铁丝网等。助催化材料可以选自钴、铁、锰、铜、锌、钛、锡、镁、锂、铈或锆等。

标签:
加工技术
北京 - 北京 来源:中冶有色网 2023-03-18
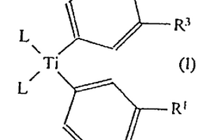
二茂钛芳族衍生物的制备方法

一种制备用作聚合和聚合物加氢催化剂的二茂 钛芳族衍生物的方法, 其特征在于使用格氏试剂。该方法能够容 易地制备具有通式(Ⅰ)的化合物, 其中L, 彼此可以相同或不同, 为环戊二烯或五甲基环戊二烯; 优选至少一个L为环戊二烯 R1、R2、R3, 彼此相同或不同, 选自氢、1—4个碳原 子的烷基和其中R4为1—4个碳原子 的烷基的OR4; R1、R2或R3中至少一个 为氢。通过二氯化二茂钛与相应的格氏衍生物反应进行制备。 与用锂化合物的方法相比, 该方法从实质上提高了安全性、可 重复性、产率, 降低了成本。

标签:
加工技术
其他 - 其他 来源:中冶有色网 2023-03-18
非水二次电池用负极以及使用其的非水二次电池

在集电体上,具有由可吸附-解吸附锂,选自Sn、 In、Ge、Ga、Pb、Al、Sb及Si的至少一种元素A、和与Li 实际上不反应的元素X的金属间化合物构成的活性物质层的 负极,来自所述金属间化合物和所述元素A的X射线衍射线的最强峰强度Ia及Ib之比小于等于0.1。通过使用该负极构成的非水二次电池,可以改善用于非水二次电池的负极的薄膜电极的充放电效率及循环特性。

标签:
加工技术
其他 - 其他 来源:中冶有色网 2023-03-18
非水电解液二次电池用负极及其制造方法

一种非水电解液二次电池用负极,它使用一种能够吸收和放出锂的碳材料和粘合剂作为负极材料,其特征在于,上述的碳材料是石墨材料,而且,作为上述负极材料的粘合剂使用选自乙烯-丙烯酸共聚物、乙烯-丙烯酸盐共聚物、乙烯-丙烯酯甲酯共聚物、乙烯-甲基丙烯酸共聚物、乙烯-甲基丙烯酸盐共聚物、乙烯-甲基丙烯酸甲酯共聚物中的乙烯含量在70%以上至95%以下的粘合剂的至少一种。使用该负极,并通过配备能够再充电的正极和非水电解液,可以提供一种负极合剂的剥离强度大、操作性优良、在大规模生产工序中的可靠性高,而且具有优良低温放电特性和循环特性的非水电解液二次电池。

标签:
加工技术
其他 - 其他 来源:中冶有色网 2023-03-18
丙烯腈基共聚物及其制备方法和用途

本发明涉及丙烯腈基共聚物及其制备方法和用途。该共聚物的百分摩尔比配方为:丙烯腈单体74.3~89.3;第二单体10.0~25.0;引发剂0.45~0.7;引发剂为烷基锂、烷基钠、烷基镁或烷基锶中的一种;第二单体为丙烯酸、甲基丙烯酸、甲基丙烯酸甲酯、丙烯酸甲酯或丙烯胺中的一种;丙烯腈基共聚物分子链上丙烯腈与第二单体的摩尔比为3∶1~7∶1,且分子链上的两单体单元排列有序,分子链上三单元组全同立构规整度≥50%,共聚物分子量≥20000,熔点≤220℃,热分解温度≥280℃。该共聚物的制备方法采用了模板聚合技术。该共聚物可用来采用熔融加工方法制备高强度聚丙烯腈纤维或者强度聚丙烯腈薄膜。

标签:
加工技术
天津 - 天津 来源:中冶有色网 2023-03-18
具备空穴电子双通道结构的有机膦化合物及其氧化物和制备方法

本发明属于有机电子功能材料技术领域,具体为一类同时具备空穴注入传输和电子注入传输能力的有机膦化合物及其氧化物和合成方法。本发明以具有空穴传输基团的化合物为原料,通过金属催化、锂化、膦化和氧化等有机化学反应,合成了一系列同时具有空穴注入传输和电子注入传输能力的有机膦化合物、有机膦氧化合物。该类化合物在结构上具有独特的空穴电子双通道结构,将其作为有机金属配合物的配体材料将能够大大改善该类配合物的载流子注入和传输性能。该类化合物及其有机金属配合物在电致发光、有机激光和太阳能电池等有机电子学领域具有广阔的应用前景。

标签:
加工技术
上海 - 上海 来源:中冶有色网 2023-03-18
烯烃的聚合工艺
烯烃的聚合工艺 739     
 0

本发明涉及用于烯烃聚合的工艺,其中使至少一 种烯烃与包含如下物质的催化体系接触:(a)包含镁、至少一种 选自钛和锆的过渡金属以及卤素的催化固体,按照以下次序连 续地进行制备:在第一个步骤(1)中,使至少一种选自含氧有机 镁化合物的镁化合物(M)与至少一种选自含氧或含氯四价钛和 锆化合物的化合物(T)进行反应,直到获得液体络合物为止;在 第二个步骤(2)中,用电子给体(ED)处理所述液体络合物;在第 三个步骤(3)中,用含卤素的式 AlRnX3-n的铝化合物(其中,R为包含最多达20个碳原 子的烃基,X为卤素,n小于3)处理在步骤(2)中所得的络合物; 和(b)选自锂、镁、锌、铝或锡的金属的有机金属化合物;其中 在制备催化固体(a)的步骤(2)中所得的络合物大体上是固体络 合物,所述电子给体(ED)为苯甲酰卤。

标签:
加工技术
其他 - 其他 来源:中冶有色网 2023-03-18
多孔膜和使用多孔膜的电池隔板

本发明提供了一种多孔膜, 它是通过熔融捏和一种重均分子量至少5×105的高分子量聚烯烃、一种重均分子量至多2×104的热塑性树脂和微粒, 将捏和的物质模塑成一种片材, 和随后拉伸该片材而得到的。这种多孔膜能够被容易且简单地制备, 并具有高的冲孔强度, 因此能够有利地用作电池的隔板, 特别是锂蓄电池的隔板。

标签:
加工技术
其他 - 其他 来源:中冶有色网 2023-03-18
无机电阻涂层及其制法
无机电阻涂层及其制法 1163     
 0

一种无机电阻涂层,其成分的重量比例为:石墨 分20-40,氧化铅40-55,氧化硼5-13,氧化铋5 -12,氧化锂2-5,氧化铊0.5-1.5。将上述5种氧 化物熔融后粉碎并磨细,再与石墨粉混合。用液态有 机载体将混合物制成浆料,再将其在绝缘底材上制 膜、烘干、烧结而成。具有成本低、寿命长、耐温、耐 湿、耐磨、耐腐蚀、耐老化以及储存稳定性和热稳定性 好的优点。最适合作为各种对稳定性要求高和功率 大的电阻元件使用。

标签:
加工技术
北京 - 北京 来源:中冶有色网 2023-03-18
合成青白玉及其制造方法

一种合成青白玉及其制造方法,涉及到合成青白玉及其制造方法。采用氧化钠,氧化铝,氧化硅,氧化镁,氧化磷,氧化钾以及氧化锌,氧化铍,氧化锶,氧化硼,氧化锂等材料,经过混合,研磨;高温烧结;退火处理及酸性浸渍而制成。本发明所获得的青玉石颜色达到与天然玉石相近的颜色,甚至可以比天然玉石更加光亮艳丽多彩,还可以永久性不变颜色。合成青白玉中增加锂,铈等元素,可使玉石产生的负离子量提高。合成青白玉的远红外波长达到4.5-6微米之间,有益人体健康。

标签:
加工技术
江苏 - 苏州 来源:中冶有色网 2023-03-18
上一页 2021 2022 2023 2024 2025 ... 5000 ... 6681 下一页
共6681页    到第

中冶有色为您提供最新的有色金属加工技术理论与应用信息,涵盖发明专利、权利要求、说明书、技术领域、背景技术、实用新型内容及具体实施方式等有色技术内容。打造最具专业性的有色金属技术理论与应用平台!

全国热门有色金属设备推荐
展开更多 +
全国热门有色金属技术推荐
展开更多 +

 

江西省隆恩特环保设备有限公司
宣传

报名参会
更多+

报告下载

有色专家
更多+

中国科学院赣江创新研究院
院长
长沙矿冶研究院有限责任公司
中国工程院院士
赣州江钨钨合金有限公司
副总经理
西安建筑科技大学
教授
中南大学
院长/教授
赤泥综合利用研究报告2025
推广

热门技术
更多+

推荐企业
更多+

福建省金龙稀土股份有限公司
宣传

发布

在线客服

公众号

电话

顶部
咨询电话:
010-88793500-807