青岛垚鑫智能科技有限公司
宣传

位置:北方有色 >

有色技术频道 >

> 固/危废处置技术

分类:
全部
矿山技术
冶金技术
材料制备及加工技术
环境保护技术
分析检测技术
 
全部
废水处理技术
大气治理技术
固/危废处置技术
土壤修复技术
地区:
全部
北京
天津
上海
重庆
河北
山西
辽宁
吉林
黑龙江
江苏
浙江
安徽
福建
江西
山东
河南
湖北
湖南
广东
海南
四川
贵州
云南
陕西
甘肃
青海
内蒙
广西
西藏
宁夏
新疆
其他
其他
展开
 
全部
北京

北京北京有色金属固/危废处置技术理论与应用

免费发布技术信息>>
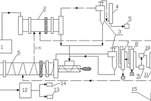
高温固废渣块破碎冷却的方法及其系统

本发明提供了一种高温固废渣块破碎冷却的方法及其系统,该系统包括垃圾焚烧炉、破碎室和收集仓,破碎室底部安装有一立轴,立轴上安装有锤轴,锤轴上设置有锤头,锤头的旋转半径自上而下逐渐减小,最上层锤头为矩形锤头,下层的锤头为直角梯形锤头,各直角梯形锤头的锐角的角度自上而下逐渐减小,破碎室的内壁上安装有反击板;破碎室的下部设有高压冷却风室,高压冷却风室顶部设有光滑伞板,光滑伞板上设有高压冷却风管,光滑伞板下部连接收集仓。渣块既达到分级破碎的目的,同时快速降低渣块的温度,减少了现有设备因多层锤头线速度高和锤头重而产生的能源消耗;破碎后的渣块直径在5mm‑30mm,杜绝了大块渣块下落砸坏输送设备的问题。

标签:
固废
北京 - 北京 来源:北方有色网 2023-03-19
有机固废湿式氧化处理系统及其处理工艺

本发明公开了一种有机固废湿式氧化处理系统及其处理工艺,包括污泥储罐、管道式自换热和反应集合组件、反应泥压力储罐、机械脱水单元、污水箱、污泥泵和注水泵;通过污泥泵能够实现污泥与工艺注水的混合,省去了传统工艺中的调质罐调质;通过管道式自换热和反应集合组件的泥‑泥换热和湿式氧化反应,同时通过控制保留在管道式自换热和反应集合组件中反应气的比例能够调控压力降;采用反应泥压力储罐储存一部分反应泥的压力能并将反应泥初沉,不仅可减少调节阀的调节范围、延长阀门寿命,而且可将压力能用于反应泥脱水和上清液回注调质,如此充分回收工艺过程绝大部分热量,大幅降低工艺能耗,且产物可资源化利用,获得显著的环保和经济效益。

标签:
固废
北京 - 北京 来源:北方有色网 2023-03-19
基于双向安全隔离的城市固废焚烧过程半物理仿真平台

本发明公开一种基于双向安全隔离的城市固废焚烧过程半物理仿真平台,首先,将MSWI过程半物理仿真平台划分为内网侧、正向与反向隔离、外网侧三个区域。内网侧区域包括历史数据驱动的焚烧对象、MSWI过程虚拟焚烧对象和MSWI过程控制3个子系统;正向与反向隔离区域,通过基于单向物理隔离的正向数据采集子系统实现正向数据读取隔离功能,再以基于单向物理隔离的反向运行参数传输子系统实现反向数据写入隔离功能;外网侧区域包括MSWI全流程协同优化控制和焚烧火焰采集与预处理2个子系统。最终,构建内外网侧即相互独立运行又相互耦合的协同优化控制的MSWI过程半物理仿真平台。

标签:
固废
北京 - 北京 来源:北方有色网 2023-03-19
固废填埋场废气收集装置

本实用新型涉及废气收集装置技术领域,具体为一种固废填埋场废气收集装置,包括垃圾掩埋坑、阀体一、管道、气体集中处理管、气体过滤装置、泄压装置、阀体二、沼气储藏罐,其特征在于:垃圾掩埋坑嵌入土地内,垃圾掩埋坑一侧设置阀体一,垃圾掩埋坑另一侧通过管道与气体集中处理管连接,气体集中处理管内设置气体过滤装置,气体过滤装置一侧设置泄压装置,气体集中处理管通过阀体二与沼气储藏罐连接;当需要对过滤器进行更滑或清理时,打开气体集中处理管上的封堵门,然后将过滤器向一侧推动,过滤器推动压板,压板在滑杆与直立轴承配合作用下直线后退,使过滤器一端与凸台脱离,从而解除对过滤器的固定。

标签:
固废
北京 - 北京 来源:北方有色网 2023-03-19
固废解耦燃烧装置、燃烧系统装置及其燃烧方法

本发明提供了一种固废解耦燃烧装置、燃烧系统装置及其燃烧方法,所述的燃烧装置包括壳体,沿物料流向,壳体内通过隔板分为依次连通的进料燃烧通道、烟气混燃通道和烟气续燃通道,进料燃烧通道沿物料流向分为预热干燥区、热解气化区、半焦区和燃尽区;进料燃烧通道内位于进料端的下方设置有配风装置,配风装置靠近预热干燥区和热解气化区一侧的外壁设有通风孔;烟气续燃通道内设置有至少一块折流挡板,通过折流挡板使烟气续燃通道内形成回转折流烟气流道;烟气续燃通道内靠近出口设置有风烟换热器。本发明通过合理的烟道、配风设计和优化的燃烧流程,使物料充分燃烧,具有结构紧凑和污染物排放少等优点。

标签:
固废
北京 - 北京 来源:北方有色网 2023-03-19
集成式一体化固废好氧发酵处理装备

本发明涉及发酵处理技术领域,尤其是一种集成式一体化固废好氧发酵处理装备,包括基座,所述基座的上方设有隔墙,所述隔墙的一侧设有两个凸台,所述凸台的上方设有滑轨,所述滑轨上设有翻抛装置和进出料装置,所述翻抛装置的一侧对称设有两个固定板,所述固定板之间设有物料平整部件,所述凸台之间设有第二隔板所述第二隔板的一侧设有热循环装置,所述隔墙的一侧设有净化装置,所述基座的上方设有控制中心,所述控制中心与翻抛装置、进出料装置、物料平整部件、热循环装置和净化装置电性连接。此装置设计合理,方便操作,具有高度的自动化,节省了时间和人力,便于人们进行使用。

标签:
固废
北京 - 北京 来源:北方有色网 2023-03-19
处理固废物的系统和方法

本发明公开了一种处理固废物的系统和方法,该系统包括:生活垃圾预处理单元,其包括生活垃圾入口、无机垃圾出口、堆滤液出口和有机垃圾颗粒出口;生物质预处理单元,其包括生物质入口和生物质块出口;橡胶预处理单元,其包括橡胶入口和橡胶颗粒出口;旋转床热解炉,其包括橡胶颗粒入口、生物质块入口、有机垃圾颗粒入口、橡胶热解炭出口、生物质热解炭出口、有机垃圾热解炭出口和高温油气出口;直燃发电装置,其具有高温油气入口;气化装置,其具有热解炭入口、煤粉入口和气化煤气出口。该系统运行成本较低,中间过程不产生二噁英,同时可实现对高温油气和热解炭的高效利用,产生经济效益。

标签:
固废
北京 - 北京 来源:北方有色网 2023-03-19
用于固废垃圾处理系统的上料机

本实用新型提供了一种用于固废垃圾处理系统的上料机,所述上料机包括:固定架(82),所述固定架(82)被配置为能够固定在固废垃圾处理系统上;移动架(89),所述移动架(89)活动地连接在固定架(82)上;升降油缸(83),所述升降油缸(83)固定在固定架(82)上,并且升降油缸(83)的活动杆与移动架(89)直接地或间接地连接,使得移动架(89)能够相对于固定架(82)升降运动;以及翻转油缸(87),所述翻转油缸(87)固定在固定架(82)上,并且翻转油缸(87)的活动杆与移动架(89)直接地或间接地连接,使得移动架(89)的一端能够在靠近固定架(82)的第一位置和远离固定架(82)的第二位置之间翻转。本实用新型的上料机节省劳动力。

标签:
固废
北京 - 北京 来源:北方有色网 2023-03-19
固废凹凸芯柱防火保温砖

一种固废凹凸芯柱防火保温砖,其原料组成为:以原料重量总和为计,70-80wt%的含有氧化镁的固废为主料,其余为辅料,辅料包括骨料、水泥、石膏和水。所述辅料中还可以包括本领域常用的改善砖材性能的添加剂。保温砖砖体的含水率低于5%。砖体采用凹凸嵌入式结构,砖体正面的凸台与砖体侧面的凸部组成凸起连接结构,砖体背面的凹槽与砖体对应侧面的凹部组成嵌入连接结构,砖的正面凸台数量为2个,正面和背面的凸台凹槽契合结构为圆形形状,凸台能够嵌入凹槽,侧面的凹部凸部契合结构为梯形,凸部能够嵌入凹部。

标签:
固废
北京 - 北京 来源:北方有色网 2023-03-19
应用于固废处理的电磁感应高温热解炉

本实用新型公开了一种应用于固废处理的电磁感应高温热解炉,属于固废热解处理领域。该热解炉包括炉体和可调式电磁发生器,炉体内有螺旋推进器,炉体外有与螺旋推进器相连接的电机,通过调节推进器转速来控制物料停留时间,螺旋推进器转轴内焊接有硅钢导磁铁芯,炉体管材外侧有喷涂的铁粉,用来增加电磁能的利用率,炉体与电磁线圈之间有耐温棉与绝热保温材料,耐温棉起到了保护绝热保温材料的作用,这种构造既减少了炉体的热辐射提高了热能利用率又保护了电磁线圈,使热效率达到95%‑98%。相较传统的燃气炉与电加热炉,本实用新型高温热解炉可达到电加热达不到的高温条件,具有更广泛的升温速率,热能利用率高,温度控制准确、操作简单等优点。

标签:
固废
北京 - 北京 来源:北方有色网 2023-03-19
有机固废高温好氧发酵处理方法

本发明目的在于提供一种有机固废高温好氧发酵处理方法,能解决静态条垛堆肥技术问题。实施步骤:a)混料:将有机固废与调理物料按比例混至堆积密度0.25‑0.75t/m3;b)布料:将发酵产物筛上物布料至条垛底层,将混合物料布料至条垛中间层,将发酵产物筛上物铺到条垛顶层;c)覆膜:覆盖防水透气织物,隔离条垛与大气环境;d)好氧发酵:通过底部曝气系统间歇曝气;e)筛分:7‑42天后,卷起覆盖层,将发酵产物移至可调节筛分系统,筛下物作为产品外运,筛上物回到布料工序参与下一周期。本发明保持静态条垛式堆肥优势的前提下,优化了工艺,并兼具动态堆肥特征,提高了处理效率,从而实现占地面积、投资与运行费用同步降低。

标签:
固废
北京 - 北京 来源:北方有色网 2023-03-19
用于固废垃圾异味处理的植物除臭剂及制备方法

本公开揭示了一种用于固废垃圾异味处理的植物除臭剂,所述植物除臭剂的重量份数配方为:植物黄酮类化合物6‑10份;植物有机酸6‑8份;植物精油25‑40份;表面活化剂1‑3份;酸碱调节剂0.5‑1份;乳化剂0.5‑1份;去离子水45‑50份。本公开还揭示了一种制备用于固废垃圾异味处理的植物除臭剂的方法。本公开除臭效果显著,且除臭效果不受温度、露天场所等环境条件影响;不依赖植物的芳香味对臭味的覆盖,通过由多种具有中和、氧化还原能力和吸附能力的植物提取液组成的液态药剂,具有中和、氧化和分解功能。

标签:
固废
北京 - 北京 来源:北方有色网 2023-03-19
复合激发多固废制备低成本充填胶凝材料的制备方法

本发明公开了一种复合激发多固废制备低成本充填胶凝材料的制备方法,属于充填采矿技术领域。包括:选择盐基激发剂和碱基激发剂及相应的配方范围,并分别快速优化,得到盐基激发剂和碱基激发剂的优化配方;根据优化配方得到复合激发剂配比,分别建立充填胶凝材料充填体强度、体积膨胀率以及充填胶凝材料成本与复合激发剂配比的关系模型;基于关系模型建立复合激发剂配比优化模型并求解,获得复合激发剂优化配方;根据复合激发剂优化配方制备低成本胶凝材料。该方法能够针对复杂多固废资源,快速获取复合激发剂最优配方,由此制备低成本充填胶凝材料在充填采矿中利用,可以获得显著的经济效益和环保效益。

标签:
固废
北京 - 北京 来源:北方有色网 2023-03-19
可以实现气化渣和渣蜡协同处置的固废资源化系统

一种可以实现气化渣和渣蜡协同处置的固废资源化系统,包括气化渣干化机;渣蜡熔融罐;渣蜡、气化渣混合器;滤渣活化器;吸附装置和氮气加热器。本实用新型实现了难燃固废气化渣的改性,使其可以在锅炉中掺烧处置;通过渣蜡与气化渣的协同活化,提高了改性气化渣的可燃性;气化渣干燥、渣蜡熔融的热源来自工业废热,不额外增加能耗;渣蜡在滤渣活化器中的气化产物可以提炼油气产品,提高了化工原料的利用率。

标签:
固废
北京 - 北京 来源:北方有色网 2023-03-19
冶金固废钢渣水泥制造方法

本发明涉及一种冶金固废钢渣制备水泥的方法。冶金固废钢渣浸入一定量水(或其他液体),放入压力容中,加温加压,保温保压一定时间,使水(或其他液体)浸入钢渣中的硅酸二钙、硅酸三钙质密晶体中,瞬间打开压力容器释放压力,使气压迅速下降。由于水浸到钢渣中过烧的硅酸二钙和硅酸三钙的内部,在巨大压差下水分子迅速汽化膨胀,使硅酸二钙、硅酸三钙结晶密度减小,比表面积增大,加快过烧硅酸二钙、硅酸三钙的等物质水化速度,提高钢渣水泥的早期硬度。通过二氧化碳及催化剂加压释放,使游离的氧化钙,氧化镁完全反应成碳酸钙。碳酸镁的稳定成份,避免钢渣水泥后期氧化镁。氧化钙的膨胀不稳定因素。还原出极多的可磁选铁合金粉。

标签:
固废
北京 - 北京 来源:北方有色网 2023-03-19
酸性金属矿山固废堆场表层生态防渗隔离方法

本发明提供一种堆积体表层生态防渗隔离方法,其包括如下步骤:制备填充材料;表层空隙填充:将填充材料喷射到堆积体表层空隙内,形成生态填充层;制备防渗隔离材料;表层防渗隔离:将防渗隔离材料均匀喷附在经填充后的堆体表层,形成柔性防渗隔离层。本发明提供的酸性金属矿山固废堆积体表层防渗隔离方法,能够对堆积体表层进行生态填充封闭,同时添加碱性物质,调节堆积体表层物质pH值,并营造了一个半永久性柔性防渗隔离层,有效缓解了降水对固废毒害物质的淋溶作用,降低二次污染的风险,并为后续环境污染治理和植被恢复提供良好基础。

标签:
固废
北京 - 北京 来源:北方有色网 2023-03-19
固废处理设备
固废处理设备 1061     
 0

本实用新型公开了一种固废处理设备,其技术方案要点是包括粉碎桶、设置在粉碎桶内的搅碎装置、设置于粉碎桶下端的废液隔离箱以及设置在粉碎桶与废液隔离箱之间的隔离板,隔离板上设置有用于过滤废液的过滤孔,废液隔离箱底面设置有用于排出废液的排出口,废液隔离箱内设置有报警系统,报警系统包括采样电路以及报警器,采样电路包括基准模块,基准模块用于提供基准电压;采样模块,包括水位传感器,用于检测废液隔离箱的水位并提供采样电压;比较模块,与基准模块和采样模块耦接,当采样电压大于基准电压时输出驱动信号,驱动信号驱动报警器进行报警。该固废处理设备在液体隔离箱发生堵塞时进行报警从而提醒工作人员进行对液体隔离箱的疏通。

标签:
固废
北京 - 北京 来源:北方有色网 2023-03-19
从固废破碎料中回收有色金属用涡电流分选机

本发明公开了一种从固废破碎料中回收有色金属用涡电流分选机,给料斗、振动给料机、机架、分选筒、输送带、防颤托板、转向滚筒、支撑架、防跑偏辊、收料箱和分料装置;涡电流分选机最高转速可达4500rpm,可根据需求的不同,提供足够的涡流分离斥力;防颤托板位于上输送带的下部,可大面积托举上部输送带,避免破碎料在输送带跳动,提供稳定的分离环境;分料装置可前后左右移动,也可进行旋转,可以根据破碎料物理性质的不同,进行适应性调节。解决了电子固废破碎料资源化无害化处理工艺中铜铝等有色金属的高效回收问题。

标签:
固废
北京 - 北京 来源:北方有色网 2023-03-19
PHC管桩用免水泥固废基混凝土配方及其制备方法

本发明涉及工程材料混凝土技术领域,具体一种PHC管桩用免水泥固废基混凝土配方及其制备方法,包括10‑15份纳米无机凝胶、6‑10份比表面积500‑1200平方米/公斤得准纳米磨细矿渣、6‑10份比表面积500‑1200平方米/公斤得准纳米磨细钢渣、15‑35份20‑200目的级配铁尾矿、25‑55份1mm‑10mm的级配钢渣、0.2‑0.5份减水剂、3‑6份增强剂和0.2‑0.5份增韧剂,本发明通过纳米改性剂对经过高度机械活化的固废材料矿渣和钢渣进行改性,大大优化了混凝土的凝胶部分的性能,纳米粘合剂的性能可以提高混凝土中100目以上细骨料的粘合强度,使其成为填充微小孔隙的基础材料,提高骨料细度适用范围,同时提高混凝土的韧性、强度及致密性。

标签:
固废
北京 - 北京 来源:北方有色网 2023-03-19
固废协同利用制备陶粒滤料的方法

本发明公开了一种固废协同利用制备陶粒滤料的方法,解决了现有技术中的固废掺加量少、未采用高铝粉煤灰,制备高性能陶粒滤料的技术问题。它包括下述的处理步骤:S1原料预处理,陶粒滤料的制备原料为高铝粉煤灰、赤泥和污泥,将赤泥和污泥进行晾晒处理后,粉磨得到赤泥和污泥粉末;S2按照65%~80%高铝粉煤灰、5%~25%赤泥和5%~20%污泥进行配料,并将配制好的混合物料放入混料机搅拌均匀;S3喷水造粒,制备成陶粒滤料生料球。本发明的制备出的滤料强度高、空隙率高、比表面积大,耐酸碱腐蚀性强,基本不溶于酸碱溶液,可重复利用,滤料含泥量等各项指标均满足CJ/T299‑2008《水处理用人工陶粒滤料》标准要求,是优质的滤料产品。

标签:
固废
北京 - 北京 来源:北方有色网 2023-03-19
具有粉碎功能的固废处理装置

本实用新型提供一种具有粉碎功能的固废处理装置,包括粉碎箱主体、处理箱、导料板、出料口、粉碎辊、连接管、电机、皮带、粉碎刀片以及振动网筛,处理箱放置在导料板下侧,导料板安装在粉碎箱主体下侧,出料口开设在粉碎箱主体左侧,粉碎箱主体内部安装有粉碎辊,粉碎辊环形侧面固定有粉碎刀片,连接管连接在粉碎箱主体上端面,粉碎箱主体上端面右侧装配有电机,电机右侧连接有皮带,粉碎箱主体内部下侧设置有振动网筛,该设计解决了固废处理装置在粉碎功能上存在不足的问题,本实用新型结构合理,稳定性好,粉碎效率高,环保性强。

标签:
固废
北京 - 北京 来源:北方有色网 2023-03-19
用于干化含水固废的渗滤池

本发明为一种用于干化含水固废的渗滤池,所述渗滤池整体防渗。所述渗滤池周边墙采用砼框架与渗水砖结构,框架间填渗水砖;所述渗滤池底部铺设渗水砖,底部渗水砖铺设厚度为15~40公分;所述底部和周边渗水砖之间经填缝处理;所述底部渗水砖的底部衬有10~30公分渗水收集材料;收集渗滤液,所述渗滤池周边设有渗滤液收集水沟。所述渗滤池连接用于收集处理后的渗滤液的集水池。本方法将固废浓缩干化,以便运输和进一步处置,具有材料易得、维护方便等特点。与热蒸发结晶相比,可以避免消耗大量的能源。与自然蒸发相比,可以不受气候影响,达到稳定的脱水干化的目的。

标签:
固废
北京 - 北京 来源:北方有色网 2023-03-19
用于含油固废中油分萃取及萃取剂回收的装置及工艺

本发明提供一种用于含油固废中油分萃取及萃取剂回收的装置及工艺,该装置中封闭上料机用于将含油固废输送至搅拌反应釜内,水罐、药罐分别通过管路经由加水泵、加药泵与搅拌反应釜相连;搅拌反应釜的出液口通过管路经由柱塞泵与固液分离离心机相连;固液分离离心机的液体出口通过管路经由第一供液泵与第一分离器相连,气体A瓶通过管路与第一分离器相连;第一分离器的液体出口通过管路经由第二供液泵与第二分离器相连;第二分离器的液体出口通过管路经由第三供液泵与第三分离器相连,气体B瓶通过管路与第三分离器相连;第三分离器的液体出口通过管路经由第四供液泵与第四分离器相连。该装置占地面积小,可全自动化操作,工艺反应过程安全、环保。

标签:
固废
北京 - 北京 来源:北方有色网 2023-03-19
利用工业固废粉煤灰制备二氧化硅气凝胶的方法以及由该方法制备的二氧化硅气凝胶

本发明提供一种利用工业固废粉煤灰制备二氧化硅气凝胶的方法以及由该方法制备的二氧化硅气凝胶。所述方法包括:粉磨、磁选粉煤灰,得前处理粉料;向前处理粉料中加入氢氧化钠反应;过滤,得第一滤液和第一滤渣;第一滤液浓缩得水玻璃液体;第一滤渣干燥研磨得第一粉末;将第一粉末助剂热活化;向其中加入稀硫酸使其溶解和水解;再向其中加入氢氧化钠使其缩聚得二氧化硅湿凝胶;调节水玻璃模数,向其中加入稀硫酸得二氧化硅湿凝胶;将二氧化硅湿凝胶老化,溶液置换,表面改性,干燥,得二氧化硅气凝胶。所要解决的技术问题是如何高效利用工业固废粉煤灰中鬼质组分制备二氧化硅气凝胶,实现了粉煤灰的高值化利用,降低了二氧化硅气凝胶的原料成本。

标签:
固废
北京 - 北京 来源:北方有色网 2023-03-19
利用钢铁厂固废生产岩棉的方法

本发明公开了一种利用钢铁厂固废生产岩棉的方法,包括:称取钢铁厂固废、石英砂、铝土矿粉和焦炭,再加入改性钛酸钾晶须,得到原料混合物;原料混合物熔化为岩浆;岩浆甩成纤细岩浆;冷却得到岩棉纤维;将粘合剂和其它助剂喷射在岩棉纤维上;形成岩棉棉毡并压制成型;固化,分切,得到岩棉板材。本发明特定的改性钛酸钾晶须在改善岩棉的力学性能尤其是岩棉的抗拉强度和压缩强度中起到了关键作用。

标签:
固废
北京 - 北京 来源:北方有色网 2023-03-19
利用改性GCL的固废堆场覆盖阻隔结构及构建方法

本发明公开了一种利用改性GCL的固废堆场覆盖阻隔结构及构建方法,包括在固废堆场的找平层上依次设置的防渗层、保护层、排水层、覆土支撑层和营养植被层;防渗层包括自下而上设置的压实黏土层和改性GCL层,其中,压实黏土层所使用的黏土用硅烷溶液进行拌和;改性GCL层由上层无纺布、下层编织布和中间混合粉体构成,混合粉体包括改性膨润土粉、累托石粉、羟丙基甲基纤维素和丙烯腈‑乙酸乙烯酯树脂粉。本发明有效阻隔了堆体与植被层之间的污染物迁移扩散(如酸性废水、重金属),有效保证植被层的恢复。

标签:
固废
北京 - 北京 来源:北方有色网 2023-03-19
基于模块化神经网络的城市固废焚烧过程氮氧化物预测方法

基于模块化神经网络的城市固废焚烧过程氮氧化物预测方法属于固废处理领域,尾气排放控制是MSWI过程中面临的主要问题。准确预测NOx浓度对于提高SNCR脱硝效率,降低NOx排放具有重要意义。本发明中,开发了一种基于模块化神经网络的NOx预测方法。首先,采用指数平滑预测方法对时序数据进行分割,将数据划分成具有不同分布特性的子集;其次,针对不同的子集,采用径向基函数建立相应的子网络实现NOx的预测;最后采用基于欧式距离的度量方法衡量测试样本与各个子集的匹配度,从而选择合适的子网络进行测试。基于某MSWI厂实际工业数据验证了所提方法的有效性。

标签:
固废
北京 - 北京 来源:北方有色网 2023-03-19
有机固废连续干馏热解炭化无害化处理方法

本发明提供一种有机固废连续干馏热解炭化无害化处理方法,包括:分拣、粉碎、烘干脱水、干馏热解炭化、旋风除尘、淋洗降温冷凝分离、水循环冷凝、气液分离、能源回用和外供等步骤。本发明的有机固废连续干馏热解炭化无害化处理方法得到的气态产物可燃成分达到75%以上,热值2700大卡/立方‑4300大卡/立方。

标签:
固废
北京 - 北京 来源:北方有色网 2023-03-19
钢渣矿渣基全固废胶凝材料中硫化物和硫酸盐的检测方法

本发明特别涉及钢渣矿渣基全固废胶凝材料中硫化物和硫酸盐的检测方法,属于分析检测技术领域,通过试验确定SKa1,2谱线和SO3Ka1,2谱线的峰值强度2θ角度、相互的谱线重叠系数;然后,使用谱线重叠系数计算出校准样品中SKa1,2谱线和SO3Ka1,2谱线的实际强度;最后,使用实际强度建立工作曲线,计算硫化物(以S计)和硫酸盐(以SO3计)的含量;实现了钢渣矿渣基全固废胶凝材料中硫化物和硫酸盐含量的快速测定,在保证准确度的前提下极大地缩短了检测周期。

标签:
固废
北京 - 北京 来源:北方有色网 2023-03-19
有机固废综合处理设备及工艺

公开了一种有机固废综合处理设备及工艺。其中,该设备包括多个储料仓、第一混合机、配料装置、发酵箱和筛分装置,多个储料仓分别与第一混合机的进料口连接,用于分类存储待处理废料,第一混合机的出料口与配料装置连接,配料装置的出料端与发酵箱的进料端连接,发酵箱的出料端与筛分装置的出料端连接,其中,配料装置接收多种废料,多种废料包括来自第一混合机的废料,配料装置对接收的各种废料按比例进行添加后,被输送到发酵箱进行发酵,完成发酵作用的废料被输送至筛分装置进行筛分处理。该设备及工艺能够实现对有机固废能够实现处理过程中各个环节的自动化高效作业,对废物发酵过程进行有效监控和及时调节,大大提高了处理效率和处理效果。

标签:
固废
北京 - 北京 来源:北方有色网 2023-03-19
上一页 200 201 202 203 204 ... 226 下一页
共226页    到第

北方有色为您提供最新的北京北京有色金属固/危废处置技术理论与应用信息,涵盖发明专利、权利要求、说明书、技术领域、背景技术、实用新型内容及具体实施方式等有色技术内容。打造最具专业性的有色金属技术理论与应用平台!

全国热门有色金属设备推荐
展开更多 +
全国热门有色金属技术推荐
展开更多 +

 

江西省隆恩特环保设备有限公司
宣传

报名参会
更多+

报告下载

有色专家
更多+

矿冶科技集团有限公司
中国工程院院士
广东省科学院资源利用与稀土开发研究所
教授
中冶沈勘秦皇岛工程技术有限公司
原矿山院院长/教授级高工
中南大学
教授、博士生导师
北京工业大学、中国工程院
中国工程院 院士
赤泥综合利用研究报告2025
推广

热门技术
更多+

推荐企业
更多+

福建省金龙稀土股份有限公司
宣传

发布

在线客服

公众号

电话

顶部
咨询电话:
010-88793500-807