青岛垚鑫智能科技有限公司
宣传

位置:中冶有色 >

有色技术频道 >

> 新能源材料技术

分类:
全部
矿山技术
冶金技术
材料制备及加工技术
环境保护技术
分析检测技术
 
全部
功能材料技术
复合材料技术
新能源材料技术
合金材料技术
加工技术
地区:
全部
北京
天津
上海
重庆
河北
山西
辽宁
吉林
黑龙江
江苏
浙江
安徽
福建
江西
山东
河南
湖北
湖南
广东
海南
四川
贵州
云南
陕西
甘肃
青海
内蒙
广西
西藏
宁夏
新疆
其他
其他
展开
 
全部

有色金属新能源材料技术理论与应用

免费发布技术信息>>
新能源风力发电用扇叶组装结构

本实用新型公开了一种新能源风力发电用扇叶组装结构,涉及发电机扇叶安装技术领域,一种新能源风力发电用扇叶组装结构,包括安装头,所述安装头的一侧设置有校准设备,所述校准设备的一侧设置有柱体,所述柱体远离校准设备的一侧设置有轮毂,所述轮毂的内部设置有转盘,所述转盘的一侧设置有安装槽,所述转盘的表面固定连接有安装底座,所述安装底座包括固定底座和定位底座,所述固定底座和定位底座的上方分别设置有固定套管和定位套管。该新能源风力发电用扇叶组装结构,通过设置固定套管和定位套管,在使用时,通过吊起扇叶,使扇叶通过安装槽进行安装,通过设置定位螺柱,在进行安装时能够使定位螺柱和定位套管先接触。

标签:
新能源
新疆 - 乌鲁木齐 来源:中冶有色网 2023-03-18
用于新能源汽车的动力电池总成箱体

本实用新型公开了一种用于新能源汽车的动力电池总成箱体,于新能源汽车的动力电池总成箱体,包括总成箱体主体与过滤网支撑架,其特征在于:所述总成箱体主体的上端外表面固定安装有固定隔板,所述固定隔板的一侧外表面设置有动力电池放置槽,所述总成箱体主体的后端外表面活动安装有转动连接轴,所述转动连接轴的上端外表面活动连接有箱盖,所述箱盖的上端外表面固定连接有开关挂钩,所述总成箱体主体的前端外表面设置有复位按钮。本实用新型所述的一种用于新能源汽车的动力电池总成箱体,设有复位弹簧与抽拉握把,能够方便使用者取出动力电池,还能方便使用者对过滤网进行拆卸和清理,带来更好的使用前景。

标签:
新能源
江苏 - 南京 来源:中冶有色网 2023-03-18
新能源汽车的充电设备
新能源汽车的充电设备 1196     
 0

本实用新型涉及新能源装置技术领域,且公开了一种新能源汽车的充电设备,包括敞口箱,所述敞口箱的内部设有充电桩本体,所述充电桩本体的底部固定安装有固定板,所述固定板的内部设有空腔,所述固定板内腔的中部活动套接有移动块,所述移动块的底部固定连接有连接杆,所述连接杆的底端固定连接有移动板,所述敞口箱顶部的两侧均固定连接有挡板,两个所述挡板以敞口箱的轴心对称。该新能源汽车的充电设备,通过竖直板、缠线柱和限位圈的配合,对导线进行缠绕收放,避免了导线自身缠绕现象的发生,加上环形齿链、限位齿链、挡杆和套杆的配合,对缠线柱进行固定,防止收理完成的导线出现回线的现象。

标签:
新能源
湖南 - 长沙 来源:中冶有色网 2023-03-18
结构稳定的新能源路灯
结构稳定的新能源路灯 1192     
 0

本实用新型涉及新能源领域,且公开了一种结构稳定的新能源路灯,包括灯座,所述灯座上固定连接有灯杆,所述灯杆通过连接杆安装有灯头,所述灯杆上端固定安装有太阳能光伏板,所述灯座上固定连接有套筒,所述灯杆上设有缓冲机构,所述套筒上固定连接有多个第一连接耳,所述灯座上固定连接有多个第二连接耳,每个所述第一连接耳上均转动连接有套杆,每个所述第二连接耳上均转动连接有活动杆。该结构稳定的新能源路灯,当受到外界冲击时,缓冲垫可以对冲击力进行一定缓冲,若灯杆发生倾斜,会使得倾斜方向的活塞块向套杆内进行滑动,使得高强度弹簧进行压缩,通过高强度弹簧压缩产生的高弹力提供支撑力,避免灯杆的进一步倒塌。

标签:
新能源
陕西 - 西安 来源:中冶有色网 2023-03-18
基于地温贮存的混合蓄气新能源设备

本实用新型公开了一种基于地温贮存的混合蓄气新能源设备,包括蓄电池、加压泵、换热管、蓄气罐、第一降压罐、第二降压罐和第三降压罐,蓄气罐、第一降压罐、第二降压罐和第三降压罐分别固定连接有一个第一输出管和一个气压测定仪,第一输出管固定连接有第一电磁阀,蓄气罐、第一降压罐、第二降压罐和第三降压罐之间通过连通管固定连接,连通管固定连接有第二电磁阀,第三降压罐的一侧固定连接有第二输出管,第二输出管固定连接有第三电磁阀,蓄气罐包括耐腐蚀层、内胆和保温层,本基于地温贮存的混合蓄气新能源设备,通过太阳能板、风力发电设备和蓄电池的设置,利用风能发电和光能发电两种方式产生电能,保证了本新能源设备的电能供给。

标签:
新能源
江苏 - 扬州 来源:中冶有色网 2023-03-18
适用于新能源发电系统的移动可调式装置

本实用新型公开了一种适用于新能源发电系统的移动可调式装置,包括底座,所述底座的顶部两侧转动连接有顶盖,所述底座的底部固定连接有底板,所述底板的底部固定连接有万向轮,所述底板的两侧设置有限位装置,所述限位装置与顶盖相对应,所述底座的内部设置有挤压装置,所述挤压装置与顶盖相对应,所述底座的内部设置有拉伸装置,所述拉伸装置与挤压装置相连接,所述限位装置包括限位槽,所述限位槽位于底板的内部,本实用新型涉及新能源发电系统技术领域。该一种适用于新能源发电系统的移动可调式装置,达到了根据使用需求的不同,调整顶盖的位置,便于对设备进行保护,或保证设备稳定工作,提高稳定性,满足使用需求的目的。

标签:
新能源
福建 - 福州 来源:中冶有色网 2023-03-18
新能源汽车用减震器
新能源汽车用减震器 786     
 0

本实用新型涉及新能源汽车技术领域,具体是一种新能源汽车用减震器,包括基座,基座内侧设置有固定板,固定板顶部设置有第一减震机构,固定板底部设置有壳体,壳体顶端设置有活动块,活动块底端与壳体之间设置有第四弹簧,壳体内部设置有阻尼液,本实用新型,通过设置第一减震机构,可以起到减震效果,对新能源汽车的零部件提供有效的保护,通过设置导向轮,有利于缓冲柱在基座内滑动,同时,可以避免缓冲柱在移动过程中出现偏移现象,通过设置活动块和第四弹簧,可以在缓冲柱无法有效减震的时候提供二次减震,通过设置推块、滑块、第三弹簧和阻尼液,可以加强活动块的减震能力,通过设置密封圈,可以防止阻尼液从壳体渗出。

标签:
新能源
山东 - 青岛 来源:中冶有色网 2023-03-18
新能源汽车空调实训台

本实用新型公开了一种新能源汽车空调实训台,涉及空调实训台技术领域,该新能源汽车空调实训台,包括实训台本体,实训台本体的顶部一端固定连接有面板柜,实训台本体的顶部另一端固定连接有控制台,实训台本体的顶端中部开设有安装槽,安装槽内设有放置座,放置座的底端中部开设有丝杆槽,安装槽的底端中部开设有固定槽,固定槽内设有伺服电机和丝杆。该新能源汽车空调实训台,通过设置伺服电机和丝杆,能够使放置座达到升降的作用,方便调节放置座的高度,使实训台本体适用于不同身高的人,通过设置横杆、第一套接件、第二套接件和纵杆,一方面能够装夹不同型号的空调,另一方面便于调节横杆和纵杆之间的位置关系。

标签:
新能源
江苏 - 苏州 来源:中冶有色网 2023-03-18
新能源环保型照明装置

本实用新型提供一种新能源环保型照明装置,涉及照明装置领域。该新能源环保型照明装置,包括底板,所述底板的上表面固定安装有防护壳,所述防护壳内壁固定安装有固定架,所述固定架的内壁固定连接有正反电机,所述正反电机输出端固定连接有联轴器,所述联轴器的上表面固定连接有螺纹杆,所述防护壳的上表面固定安装有轴承,所述螺纹杆的表面螺纹连接有螺纹套。该新能源环保型照明装置,通过设置有防护板,可有效地保护灯体,提高了其使用寿命,通过设置有固定架,可固定正反电机,极大地提高其运行稳定性,通过设置有正反电机,其输出端转动可带动螺纹杆转动,从而可迫使螺纹套自行转动,提高了灵活性。

标签:
新能源
河北 - 秦皇岛 来源:中冶有色网 2023-03-18
温水交联型乙丙橡胶绝缘新能源汽车用电缆

本实用新型涉及一种温水交联型乙丙橡胶绝缘新能源汽车用电缆,包括导体,导体采用软导体结构;所述导体外表面由内向外依次包覆有温水交联型乙丙橡胶绝缘层、铜丝屏蔽层、铝箔麦拉带绕包隔离层和聚烯烃护套层。本实用新型温水交联型乙丙橡胶绝缘新能源汽车用电缆,温水交联型乙丙橡胶新能源电动汽车用电缆具有优异的电绝缘性能、耐老化性能、耐化学腐蚀性能、以及优异的柔软性能;投资更小、操作更加简单、设备利用效率高、工艺简化,降低制造成本和提高生产效率。

标签:
新能源
贵州 - 黔南布依族苗族自治州 来源:中冶有色网 2023-03-18
新能源汽车充电装置
新能源汽车充电装置 1053     
 0

本实用新型涉及汽车充电装置,尤其是一种新能源汽车充电装置,为了解决新能源汽车的充电问题,提供一种新能源汽车充电装置,包括充电接口和电源管理器,所述充电接口和电源管理器安装在汽车车体内部,电源管理器的输入端连接有充电接口和车载主机、输出端与电池连接;车载主机控制电源管理器工作,在车载主机的输入端连接有用于检测电池状况的检测装置,本实用新型将充电管理、电源管理以及电池修复等功能集于一体由车载主机统一操控,适用于任何充电场所,让车主不再为电池问题烦恼。

标签:
新能源
江苏 - 无锡 来源:中冶有色网 2023-03-18
可拆卸的新能源汽车维修工具车

本实用新型涉及一种汽车维修工具车,尤其涉及一种可拆卸的新能源汽车维修工具车。本实用新型要解决的技术问题是提供一种可以拆卸、方便携带的可拆卸的新能源汽车维修工具车。本实用新型提供了这样一种可拆卸的新能源汽车维修工具车,包括有底板、轮子、环形滑轨、滑块、螺杆、第一支杆等;底板底部安装有轮子,底板顶部安装有环形滑轨,环形滑轨内滑动式连接有两个滑块,滑块顶部均开有第一螺纹孔,第一螺纹孔内旋有螺杆,螺杆顶端均连接有第一支杆,第一支杆顶部开有第一凹槽。本实用新型达到了可以拆卸、方便携带得效果,本实用新型通过将设备上的部件拆卸下来,就可以方便携带该设备到户外去工作,容量加大装置可以容纳更多的工具。

标签:
新能源
江西 - 赣州 来源:中冶有色网 2023-03-18
新能源汽车及其水冷增程器余热回收暖风系统

本实用新型公开了一种新能源汽车的水冷增程器余热回收暖风系统,包括出水口与增程器的缸体连接的叶片水泵、与增程器的缸体的出水口连接的三通阀门、与三通阀门的第一出口连接的且位于驾驶室内部的室内暖风机、与三通阀门的第二出口和室内暖风机的出水口均连接且位于驾驶室外部的室外散热器,室外散热器的出水口与叶片水泵的进水口连接,当驾驶室不需要暖风时,三通阀门的第二出口连通,当驾驶室不需要暖风时,三通阀门的第一出口连通。该水冷增程器余热回收暖风系统有效地解决了电加热暖风系统对低速小四轮电动新能源汽车进行加热,会缩短续航里程的问题。本实用新型还公开了一种包括上述水冷增程器余热回收暖风系统的新能源汽车。

标签:
新能源
重庆 - 重庆 来源:中冶有色网 2023-03-18
新能源汽车电池筐托运架车

一种新能源汽车电池筐托运架车,其特点是在平向的长方形框状架体四个角的下面分别装有摞叠扣脚,摞叠扣脚内侧装有脚轮;架体四角上分别装有上置的立杆,架体的中间排装着两条横向托杆,架体和横向托杆的上面装有防震软垫,架体两个长边的外沿上装有上置的侧挡板,架体后端的两个立杆之间装有后挡板,架体前端的两个立杆之间装有前挡板,架体前端上装有牵引杆。它解决了借用平板车拼凑新能源汽车电池筐托运架,防护效果差,生产成本的问题,非常适合运送新能源汽车电池筐时装载和货场摆渡使用。

标签:
新能源
山东 - 青岛 来源:中冶有色网 2023-03-18
新能源电动汽车用减震装置

本实用新型公开了一种新能源电动汽车用减震装置,包括车身和车架,所述车身的下端固定连接有车架,所述车架的底端固定连接有固定板,所述固定板的下端固定设置有连接板,且固定板的下端靠近连接板的一侧位置处固定安装有整流器,所述连接板的底端安装有U型板。由于设置了压电单晶片,能够使得新能源电动汽车在行驶过程中产生的振动能量转变为电能,通过整流器将电能传递到蓄电池中,为蓄电池进行充电,设置了散热片,能够为蓄电池的充电放电进行散热,蓄电池处于一个恒定的工作环境,提高蓄电池的使用寿命,设置了两组减震器,能够大大降低新能源电汽车行驶过程中产生的振动,提高驾驶员和车内人员乘车的舒适感。

标签:
新能源
江苏 - 南通 来源:中冶有色网 2023-03-18
新能源太阳能路灯用的灯杆擦拭设备

本实用新型涉及一种灯杆擦拭设备,尤其涉及一种新能源太阳能路灯用的灯杆擦拭设备。本实用新型要解决的技术问题是提供一种安全性高、工人可独立完成、省时省力的新能源太阳能路灯用的灯杆擦拭设备。为了解决上述技术问题,本实用新型提供了这样一种新能源太阳能路灯用的灯杆擦拭设备,包括有底板、支撑杆、轮子、支杆、固定板、第一安装板、第一电动推杆、第一连杆、第二连杆、第二电动推杆等;底板底部左右两侧均焊接有支撑杆,支撑杆底端设有轮子,底板顶部左侧对称焊接有固定板。本实用新型首先通过夹板将灯杆夹紧,然后再通过擦布不断的上下运动,如此便可对灯杆进行擦拭,达到了安全性高、工人可独立完成、省时省力的效果。

标签:
新能源
湖北 - 武汉 来源:中冶有色网 2023-03-18
太阳氢新能源应用在园艺割草机上的动力装置

本实用新型涉及太阳氢新能源应用在园艺割草机上的动力装置,属于新能源应用技术领域。太阳光照射太阳能电池产生电流,电流通过导电线输入电解水制氢装置产生氢气,氢气通过输氢气管道输入氢燃料存储容器制造车间,将从氢燃料存储容器制造车间运出的氢燃料存储容器安装在“太阳氢新能源电动园艺割草机”上,从氢燃料存储容器里输出的氢燃料、通过氢燃料输送管输入氢燃料电池,在氢燃料电池内通过电化学反应释放出电能,电流输入电动机、在电动机内将电能转换成机械能,电动机的动力输出轴输出机械能动力,驱动与电动机的动力输出轴连结的转盘快速旋转,带动安装在转盘下方的刀盘和安装在刀盘上的刀片快速旋转,割断草坪上绿草的超过高度生长的叶片。

标签:
新能源
江苏 - 无锡 来源:中冶有色网 2023-03-18
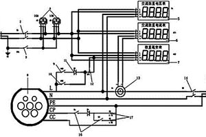
用于新能源汽车充电桩的便携式功能测试盒

本实用新型涉及新能源汽车领域,具体涉及到一种用于新能源汽车充电桩的便携式功能测试盒,一种用于新能源汽车充电桩的便携式功能测试盒,包括供电插头、输入断路器、接地测试开关、供电插座、电压表、电流表、毫安表、充电枪座、脉动直流剩余电流测试开关、交流剩余电流测试开关、整流二极管、滑动变阻器、电流互感器、输出断路器、输出插座、开关和变阻器;有益效果是:本实用新型可模拟AC型剩余电流和A型剩余电流,可测试缓慢增加的剩余电流和突然出现的剩余电流;可配接模拟负载对充电桩进行带载测试;可实时显示电压、电流、剩余电流等参数;测试盒可模拟充电桩与电动汽车连接、充电完成等状态;测试充电桩接地检测功能。

标签:
新能源
广东 - 深圳 来源:中冶有色网 2023-03-18
新能源汽车空调压缩机支架安装结构

本实用新型公开一种新能源汽车空调压缩机支架安装结构,包括用于固定压缩机的支架,该支架设置在横梁上,所述支架包括连接底板,所述连接底板和横梁之间通过紧固螺栓连接,所述连接底板和横梁之间垫设有防冲击片。采用本实用新型的新能源汽车空调压缩机支架安装结构,为新能源汽车的空调压缩机提供了一种新的简单有效的安装方式,能减小行车过程中压缩机的震动,起到缓冲作用,配合橡胶垫圈的使用,能进一步防止异响的发生。

标签:
新能源
重庆 - 重庆 来源:中冶有色网 2023-03-18
新能源微网与电网切换供电的电动汽车充电站供电系统

新能源微网与电网切换供电的电动汽车充电站供电系统,属于智能配电网的新能源微网领域。本实用新型的目的是为了解决当前电动汽车充电桩电能需求大、产生大量谐波以及自身负荷特点对电网造成的影响。本实用新型的新能源微网和配电网为充电站的配电部分,通过中央处理单元对所采集电能数据的分析判断,对电动汽车充电桩的供电方式进行智能的控制选择。本实用新型设计安全合理,在保障电动汽车充电站充足电能的同时,还可以防止大量谐波对主网造成危害,顺应了电动汽车产业的快速发展潮流,为大面积建设推广电动汽车充电站提供了强有力的保障。

标签:
新能源
黑龙江 - 哈尔滨 来源:中冶有色网 2023-03-18
新能源汽车的线束紧固件

本实用新型公开了一种新能源汽车的线束紧固件,包括安装柱,所述安装柱的中心处设有散热孔,所述散热孔贯穿安装柱,所述安装柱的侧面设有盲孔,所述盲孔内设有螺柱,所述安装柱的表面设有凹槽,该新能源汽车的线束紧固件,设有第一固定板和第二固定板,这样可以把不同功能的线进行分类加以固定,避免了所有线缠到一块难以查找,设有挡板和安装板,这样又把所要紧束的线进行区分,变相的扩大了线与线之间的距离利于散热,紧固环内设有防水层使得水等液体不会腐蚀线的表面,从而提高了安全系数,该新能源汽车的线束紧固件不直接对线的表面产生力,所以不会对线的包皮有所损坏,从而避免了因包皮破损而出现的危险。

标签:
新能源
江西 - 南昌 来源:中冶有色网 2023-03-18
用于新能源客车的顶置式空调

本实用新型一种用于新能源客车的顶置式空调,采用铝合金底壳加玻璃钢盖板的结构以及单元式顶置结构,即将空调主要零部件全部设置在顶置结构里:将控制系统、电源系统及压缩机设置于空调中部;将冷凝部分设置于铝合金底壳的前端:将冷凝器芯体总成平放在铝合金底壳前端,将至少三个冷凝风机设置于冷凝器芯体总成的上方;将蒸发部分设置于铝合金底壳的后端;在蒸发部分的中间设置回风口,在蒸发部分的两侧各设置两个蒸发风机,在蒸发风机与回风口之间设置蒸发器芯体,在铝合金底壳的后端设置新风门。本实用新型适合新能源客车,尤其是7米左右插电式混合动力客车和电动客车使用,能满足目前市场对新能源客车空调的需求。

标签:
新能源
福建 - 厦门 来源:中冶有色网 2023-03-18
新能源电动汽车充电桩教学实训平台

本实用新型公开了一种新能源电动汽车充电桩教学实训平台,包括用于为示教面板及电动汽车充电桩,所述电动汽车充电桩内置IC卡读卡单元、指示系统、红外通信单元、人机交互界面和灯箱组件;人机交互界面设置于电动汽车充电桩前端面,用户通过人际交互界面进行操作控制,电动汽车充电桩前端面设置有刷卡区。本实用新型通过IC卡读卡单元、运行/故障/充电指示系统、红外通信单元、人机交互界面、灯箱组件的合理结合,实时演示新能源汽车充电充电桩的实际工况,解决汽车维修教学过程中,新能源汽车充电桩教学教具缺失的问题,分解演示,原理讲解,实时观测。

标签:
新能源
广东 - 广州 来源:中冶有色网 2023-03-18
快装式新能源线缆
快装式新能源线缆 815     
 0

本实用新型属于新能源线缆技术领域,具体涉及一种快装式新能源线缆,本快装式新能源线缆包括:新能源信号线;套筒,其用于套设在新能源信号线上;至少两个连接耳,位于套筒外表面,其用于连接其他快装式新能源线缆上相应连接耳;本实用新型通过各根新能源信号线上的套筒和相应连接耳与其他新能源信号线间隔出,从而避免实际操作过程中缠绕、错乱问题,提高了新能源信号线安装精度,并且结构简单、成本低。

标签:
新能源
江苏 - 常州 来源:中冶有色网 2023-03-18
新能源电池的减震防撞击稳定保护壳

本实用新型公开了一种新能源电池的减震防撞击稳定保护壳,包括新能源电池放置盒,所述新能源电池放置盒的内部安装有新能源电池,所述新能源电池放置盒的两侧安装有支撑架,所述支撑架的底部安装有稳固脚,所述第二缓冲垫板的背侧中部安装有螺杆,所述螺杆的一端安装有调节把手。本实用新型的新能源电池放置盒的两侧安装有连接耳,且连接耳通过螺栓安装在支撑架上,通过支撑架方便新能源电池放置盒的安装拆卸,且方便放置,且在新能源电池放置盒的内部两侧分别安装有第一缓冲垫板和第二缓冲垫板,且在第二缓冲垫板的一侧安装有螺杆,且螺杆与新能源电池放置盒的侧面丝杆传动,使其可以控制第二缓冲垫板移动。

标签:
新能源
广东 - 广州 来源:中冶有色网 2023-03-18
新能源牵引车高压线束布置结构

本实用新型涉及新能源牵引车的高压线束布置结构,具体是一种新能源牵引车高压线束布置结构。本实用新型解决了现有新能源牵引车的高压线束布置结构线束走向凌乱且复杂的问题。一种新能源牵引车高压线束布置结构,包括动力线束、正极主控线束、正极充电线束、负极主控线束、负极充电线束、空调驱动线束、PTC驱动线束、三合一驱动线束、油泵驱动线束、气泵驱动线束、电机驱动线束;其中,动力线束的起点连接新能源牵引车的高压配电盒,终点连接新能源牵引车的动力电池;正极主控线束的起点连接新能源牵引车的高压配电盒,终点连接新能源牵引车的电机控制器。本实用新型适用于55吨新能源牵引车。

标签:
新能源
山西 - 运城 来源:中冶有色网 2023-03-18
具有防触电结构的新能源汽车充电桩

本实用新型公开了一种具有防触电结构的新能源汽车充电桩,涉及汽车充电桩技术领域。包括新能源汽车充电桩本体,新能源汽车充电桩本体的一侧电连接有一电源线。本实用新型通过将充电插头插接在新能源汽车相对应的插接口上,由于两通电板不接触,因此当充电插头插接在新能源汽车相对应的插接口上时,此时不处于通电状态,因此不会造成触电,当插接好充电插头之后,再旋拧连接螺帽,将连接螺帽向远离方形绝缘筒的方向旋拧,由于连接轴承的外环和方形侧板远离方形移动块体的一表面通过连接斜杆活动连接,因此当连接螺帽向远离方形绝缘筒的方向旋拧时,此时两通电板将会相互靠近,直到两通电板接触,此时才处于通电状态,从而避免了车主在充电时触电。

标签:
新能源
江苏 - 苏州 来源:中冶有色网 2023-03-18
更加高效储能的新能源光伏板

本实用新型公开了一种更加高效储能的新能源光伏板,包括光伏本体、固定架、支撑腿和储能箱,支撑腿的顶部与固定架底部的四角固定连接,固定架的底部与储能箱的顶部固定连接,固定架的顶部与光伏本体的底部固定连接。本实用新型通过设置便捷固定组件配合便捷拆卸组件,能够便于使用者对支撑腿进行便捷拆卸安装,支撑腿便捷拆卸安装能够便于使用者对光伏本体和固定架进行移动,解决了现有的新能源光伏板在进行拆卸时较为不便,新能源光伏板为保证使用时的稳定性,在固定时大都直接采用螺栓固定的方式进行固定,新能源光伏板无法便捷拆卸进行清理维护,从而降低了新能源光伏板储能效率的问题,达到了便捷拆卸的效果。

标签:
新能源
山东 - 济南 来源:中冶有色网 2023-03-18
新能源充电桩的理线装置

本实用新型公开了一种新能源充电桩的理线装置,包括导向板、双向螺纹杆、理线架一和理线架二,所述导向板内中部成型有导向槽,所述导向槽内上端设置有所述理线架一,所述理线架一下方设置有所述理线架二,所述理线架二与所述理线架一采用相同结构。有益效果在于:本实用新型通过双向螺纹杆、上安装架以及下安装架的设计,能够实现理线架一以及理线架二之间间距的调整,从而使得装置能够将不同长度的新能源充电桩线缆在缠绕后绷紧,提高新能源充电桩线缆的理线质量,通过钩链、钩环以及连接合页的设计,能够实现挡板的便捷转动,从而有效避免了挡板对新能源充电桩线缆在取用时的阻挡,大大提高了新能源充电桩线缆的取用效率。

标签:
新能源
广东 - 广州 来源:中冶有色网 2023-03-18
新能源汽车电池连接结构

本实用新型涉及新能源技术领域,且公开了一种新能源汽车电池连接结构,包括电池箱,所述电池箱下表面的四角均固定连接有底座,所述电池箱的正上方设置有盖板,所述电池箱的内壁设置有夹紧减震装置,所述盖板的左右两侧面均固定连接有插销,所述电池箱左右两侧面的顶部均固定连接有限位箱,所述限位箱的内部设置有拨动板。该新能源汽车电池连接结构,通过夹紧立板配合支撑杆和减震杆对挤压弹簧和减震弹簧进行压缩,能够对新能源电池进行更加充分的减震保护,有效避免在遇到颠簸路面等恶劣环境下造成电池受损和脱落,进一步提高新能源电池使用的安全性,降低对行车安全造成的影响,进一步提高了使用的便利性。

标签:
新能源
海南 - 海口 来源:中冶有色网 2023-03-18
上一页 2011 2012 2013 2014 2015 ... 2181 下一页
共2181页    到第

中冶有色为您提供最新的有色金属新能源材料技术理论与应用信息,涵盖发明专利、权利要求、说明书、技术领域、背景技术、实用新型内容及具体实施方式等有色技术内容。打造最具专业性的有色金属技术理论与应用平台!

全国热门有色金属设备推荐
展开更多 +
全国热门有色金属技术推荐
展开更多 +

 

江西省隆恩特环保设备有限公司
宣传

报名参会
更多+

2025年10月15日 ~ 17日
2025年10月17日 ~ 19日
2025年10月31日 ~ 11月02日
2025年11月07日 ~ 09日

报告下载

有色专家
更多+

蒙纳士苏州校区
中国工程院外籍院士/校长
矿冶科技集团有限公司
所长/研究员级高工
中国矿业大学(北京)
院长/教授
赣州江钨钨合金有限公司
副总经理
辽宁忠旺集团
教授级高工
赤泥综合利用研究报告2025
推广

热门技术
更多+

推荐企业
更多+

福建省金龙稀土股份有限公司
宣传

发布

在线客服

公众号

电话

顶部
咨询电话:
010-88793500-807