青岛垚鑫智能科技有限公司
宣传

位置:中冶有色 >

有色技术频道 >

> 加工技术

分类:
全部
矿山技术
冶金技术
材料制备及加工技术
环境保护技术
分析检测技术
 
全部
功能材料技术
复合材料技术
新能源材料技术
合金材料技术
加工技术
地区:
全部
北京
天津
上海
重庆
河北
山西
辽宁
吉林
黑龙江
江苏
浙江
安徽
福建
江西
山东
河南
湖北
湖南
广东
海南
四川
贵州
云南
陕西
甘肃
青海
内蒙
广西
西藏
宁夏
新疆
其他
其他
展开
 
全部

有色金属加工技术理论与应用

免费发布技术信息>>
负极材料及其制备方法、电极、二次电池

本申请提供一种用于二次电池的负极材料,包括:硅氧化合物颗粒,包含锂元素及单质硅纳米颗粒;碳膜层,包覆在所述硅氧化合物颗粒表面;含铌包覆层,包覆在所述具有碳膜层的硅氧化合物颗粒表面,且含铌包覆层包括铌酸锂化合物。该种负极材料具有高比容量、高库伦效率、优异的倍率性能以及良好的循环稳定性。

标签:
加工技术
江苏 - 南京 来源:中冶有色网 2023-03-18
两性离子液体凝胶电解质及其制备方法和应用

本发明属于电池材料领域,公开了一种两性离子液体凝胶电解质及其制备方法和应用。该两性离子液体凝胶电解质,包括以下组分:聚合物、锂盐、无机纳米粒子、两性离子液体;两性离子液体的结构如式(1)或式(2)所示:其中,式(1)或式(2)中的R1为含醚键的基团;n为2至10之间的任意整数;m为1至5之间的任意整数。该两性离子液体凝胶电解质机械强度高,可提高电池的安全性,该两性离子液体凝胶电解质电导率高,锂离子迁移数高。该两性离子液体凝胶电解质的制备方法简单,有利于准固态电池的产业化。

标签:
加工技术
广东 - 珠海 来源:中冶有色网 2023-03-18
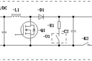
用于氢燃料电池汽车切换纯电运行模式的电路及方法

本发明属于燃料电池技术领域,公开了一种用于氢燃料电池汽车切换纯电运行模式的电路,DC/DC升压变换器的正极输出端与锂电池直接连接,所述DC/DC升压变换器的负极输出端通过负极接触器K2与锂电池连接;DC/DC升压变换器还包括通断控制电路U1,所述母线电容C2跨接在DC/DC升压变换器输出端之间,母线电容放电电阻R1与通断控制电路U1串联形成串联支路跨接在DC/DC升压变换器输出端之间,通断控制电路U1用于控制所述串联支路的导通或关断;还公开了一种用于氢燃料电池汽车切换纯电运行模式的方法。本发明实现了能够缩小产品体积及节约产品成本,有利于推动DC/DC升压变换器产品小型化设计。

标签:
加工技术
广东 - 深圳 来源:中冶有色网 2023-03-18
固体电解质复合粒子、粉末及复合固体电解质成型体的制造方法

提供一种由固体电解质的粒界电阻低、离子导电度优异、致密度高的固体电解质构成的复合固体电解质成型体的制造方法、以及能够适当地用于制造所述复合固体电解质成型体的固体电解质复合粒子、粉末。本发明的固体电解质复合粒子,其特征在于,具有:母粒子,通过至少包含锂的第一固体电解质构成;以及被覆层,通过包含锂化合物、含氧酸化合物及与所述第一固体电解质不同的氧化物的材料构成,并被覆所述母粒子的表面的至少一部分。所述含氧酸化合物优选包含硝酸离子、硫酸离子中的至少一方作为含氧阴离子。

标签:
加工技术
其他 - 其他 来源:中冶有色网 2023-03-18
具有抗菌和促骨作用的3D打印骨修复支架的制备方法

本发明涉及生物3D打印技术领域,具体关于一种具有抗菌和促骨作用的3D打印骨修复支架的制备方法。将锂离子掺杂的β‑磷酸三钙、醛基化透明质酸钠、醛基化海藻酸钠、羟丙基甲基纤维素和结冷胶制备成3D打印浆料,利用生物3D打印机打印出所需要的多孔骨修复支架材料,然后经过烧结后形成锂离子掺杂的3D打印陶瓷。然后将支架材料浸泡在含有Zn2+/Cu2+的甲基丙烯酸明胶浓溶液中,利用紫外光固化后形成凝胶,冷冻干燥后即可形成具备抗菌和促骨作用的3D打印复合骨修复支架。本发明制备的3D打印骨修复支架不仅具有良好的力学性能,还可以在前期抑制感染,后期持续促进骨的再生。

标签:
加工技术
河南 - 郑州 来源:中冶有色网 2023-03-18
无机地坪光油、无机地坪光油分散方法及分散设备

本发明公开了一种无机地坪光油,包括以下组分:纯净水,羟乙基纤维素,润湿剂,消泡剂,成膜助剂,硅酸钾,硅酸锂,硅溶胶,纯苯硅乳液,无机增稠剂和防腐杀菌剂BIT,将纯净水和羟乙基纤维素按照配比进行混合,混合后进行高速分散,低速下按照润湿剂,消泡剂,成膜助剂,硅酸钾,硅酸锂,硅溶胶,纯苯硅乳液,无机增稠剂,防腐杀菌剂BIT的顺序添加其他成分,再低速分散;进行N层薄涂,N层薄涂的层间干燥时间大于等于2小时。通过上述方式,本发明提供的无机地坪光油,用于无机地坪涂料面涂后的罩光,能够在地坪表面形成光滑透明薄膜,主要用于在室内地下车库,具有硬度高、耐磨度好的特点,光泽度好,对地坪具有保护作用。

标签:
加工技术
河南 - 南阳 来源:中冶有色网 2023-03-18
陶瓷加工工艺
陶瓷加工工艺 1016     
 0

本发明公开了一种陶瓷加工工艺,包括以下步骤:步骤一,膨润土的改性:将膨润土加入到表面剂中进行低速搅拌,搅拌转速为50‑100r/min,搅拌时间为10‑20min,然水洗、干燥,然后研磨至50‑100目。本发明陶瓷加工中以锂辉石为基料,通过膨润土在表面剂中处理,然后在通过爆破处理,从而将表面剂中的硅灰石穿插到膨润土中,同时通过贝壳粉能够提高硅灰石对膨润土的作用效果,进而在热压煅烧中,通过膨润土与硅灰石的对锂辉石共同改进。

标签:
加工技术
河南 - 许昌 来源:中冶有色网 2023-03-18
镍钴锰复合材料及其制备方法和应用

本发明属于锂离子电池领域,涉及一种镍钴锰复合材料及其制备方法和应用。所述镍钴锰复合材料的制备方法包括:(1)将含镍钴锰及金属元素M的前驱体与锂源混合均匀,得到混合料;(2)将混合料进行焙烧,得到镍钴锰复合材料LiNixCoyMn1‑x‑yMiβiO2+α,0.3≤x≤0.8,0.1≤y≤0.5;α=(Σeiβi)/2,ei为金属元素Mi在镍钴锰复合材料化学式中的化合价,βi为金属元素Mi在镍钴锰复合材料化学式中的摩尔百分比,M的平均化合价用E=(Σeiβi)/(Σβi)表示,M的种类及用量使0<βi≤x且使1≤E<2。本发明提供的方法有利于单晶颗粒长大,所得镍钴锰复合材料具有优异的热稳定性和电化学稳定性。

标签:
加工技术
福建 - 厦门 来源:中冶有色网 2023-03-18
耐高温低膨胀的陶瓷釉料及其制备方法和陶瓷制品

本发明提供一种耐高温低膨胀的陶瓷釉料及其制备方法和陶瓷制品,所述陶瓷釉料包括以下重量份的组分:高温低膨胀熔块10‑25份、透锂长石10‑40份、钾长石5‑20份、锂辉石5‑20份、堇青石10‑25份、熔融石英5‑15份、相变微胶囊材料3‑8份、煅烧氧化锌4‑6份和色料1‑5份。本发明陶瓷釉料配方合理,得到的陶瓷制品耐高温、膨胀系数低,而且坯釉适应性好,大大提高了陶瓷制品的强度、耐腐蚀性以及抗急冷急热性能等,可应用在陶瓷锅或要求更严苛的环境下。本发明制备方法简单,重复性好,适合规模化生产并得到质量可控的产品。

标签:
加工技术
福建 - 泉州 来源:中冶有色网 2023-03-18
锡铜合金及其制备方法

本发明提供了一种锡铜合金,以重量百分计,包括70‑95%Cu6Sn5、4‑25%Sn和1‑5%石墨烯。本发明的锡铜合金中含有石墨烯,能增加锡铜合金的导电性,缓冲锡与锂合金化过程中的体积膨胀,提高循环性能和减少容量衰减。

标签:
加工技术
江西 - 鹰潭 来源:中冶有色网 2023-03-18
视频焊接面罩
视频焊接面罩 1210     
 0

本发明提供一种视频焊接面罩(1),其包括面罩主体(10)、摄像头(30)、显示器(40)、锂电池、滤光镜片(24)、偏光镜片A(11)、偏光镜片B(22)、透明镜片片(21)、垫圈(23)、镜筒(20);在所述面罩主体(10)上凸台(13)小孔处安装有摄像头(30),内部安装显示器(40);锂电池与显示器(40)做成一体为显示器供电;摄像头外依次安装有偏光镜片A(11)、滤光镜片(24)、垫圈(23)、偏光镜片B(22)、透明镜片(21);镜筒(20)装在凸台(13)上;从靠近面罩主体(10)的方向起,偏光镜片B(22)、透明镜片(21)依次固定装在镜筒(20)内。

标签:
加工技术
安徽 - 淮南 来源:中冶有色网 2023-03-18
基于网络的温湿度传感器

本发明公开了一种基于网络的温湿度传感器,包括锂电池、外部供电设备、控制系统、温湿度传感器、门磁和防拆开关,所述锂电池、外部供电设备与控制系统电连接,该基于网络的温湿度传感器,采用4G网络设计,低成本,能够广泛使用的监测系统,并实现选择性监测和上传,降低监测系统流量消耗,可通过平台对设备端下发采集频率,保存数据,按照设定的频率上传到监测管理平台,具有免布线,传输快,实时性好等优点,能够满足不同场景,如冷链系统,由于长途运输,可以通过温湿度传感器的定位功能,实现冷链货品跟踪,清晰记录显示运动轨迹。

标签:
加工技术
上海 - 上海 来源:中冶有色网 2023-03-18
非水电解质二次电池用活性物质、该活性物质的制造方法、非水电解质二次电池用电极以及非水电解质二次电池

本发明提供一种放电容量大、高倍率放电性能优异的非水电解质二次电池用活性物质。一种含有具有α-NaFeO2型晶体结构、由组成式Li1+αMe1-αO2(Me是包括Co、Ni和Mn的过渡金属元素,α>0)表示的锂过渡金属复合氧化物的非水电解质二次电池用活性物质及其制造方法,上述锂过渡金属复合氧化物的特征在于:Li相对于上述过渡金属元素Me的摩尔比Li/Me为1.2~1.4,使二次粒子在粒度分布中的累积体积为10%、50%和90%的粒度分别设为D10、D50和D90时,D10为6~9μm,D50为13~16μm,D90为18~32μm,一次粒子的粒径为1μm以下。

标签:
加工技术
其他 - 其他 来源:中冶有色网 2023-03-18
复合刚玉水基粉状涂料
复合刚玉水基粉状涂料 1121     
 0

本发明公开了一种复合刚玉水基粉状涂料,主要成分刚玉粉、镁橄榄石粉、羧甲基纤维素钠、锂基膨润土、糊精。本发明所提供的复合刚玉水基粉状涂料,在骨料中配以一定量的镁橄榄石粉,利用镁橄榄石粉具有类似铬铁矿、锆英粉的高温导热系数高,激冷性好,热稳定性好的特点,镁橄榄石粉与刚玉颗粒间彼此烧结成Mg-Al类晶石相,其半熔固相弥合颗粒间空隙,有效防止钢水渗透,有助于涂料烧结剥落,铸件清理时涂层成片、块状剥落,铸件光滑发亮,表观质量好。

标签:
加工技术
湖北 - 宜昌 来源:中冶有色网 2023-03-18
减速机的专用润滑脂及生产方法

本发明涉及一种减速机的专用润滑脂及生产方法,具体地说是减速机的专用润滑脂。取环烷基精制矿油、脂肪酸、抗氧剂、氢氧化锂、极压抗磨剂、聚异丁烯和乙丙共聚物;先将环烷基精致矿油总量的80%、脂肪酸、乙丙共聚物及氢氧化锂加入高速对流接触器,升温皂化反应;经炼制,加入环烷基精致矿油总量的20%进行稠化,冷却、剪切、均化;再加入聚异丁烯、抗氧剂及极压抗磨剂,搅拌、脱气,过滤为成品。本发明具有较高的承载能力和抗摩擦性能,能降低齿轮磨损,增强寿命;具有良好的泵送性能;具有很好的粘附性,可保证齿轮运转有足够的油膜厚度,并能够降低齿轮运转噪音,大大提高齿轮使用寿命;具有良好的低温性,能保证设备在低温情况下能够正常使用。

标签:
加工技术
江苏 - 无锡 来源:中冶有色网 2023-03-18
含稀土的电气石/二氧化钛复合溶胶及其制备方法与用途

本发明涉及一种含稀土的电气石/二氧化钛复合溶胶及其制备方法与用途,其原料和投料质量百分比为:钛盐5-15%;无水乙醇60-90%;有机酸3-13%;无机酸2-15%;去离子水0.5-1.5%;电气石0.001-3%;稀土0.0004-0.0008%,各组分之和为100%;所述钛盐是指钛酸甲酯、钛酸乙酯、钛酸四丁酯、四氯化钛、硫酸氧钛中的任一种;所述有机酸是指醋酸、草酸、甲酸、苯磺酸中的任一种;所述无机酸是指浓硫酸、浓硝酸、浓盐酸中的任一种;所述电气石是指铁电气石、锂电气石、镁电气石中的一种或几种;所述稀土是指硝酸镧、硝酸铕、硝酸铒、硝酸亚铈、硝酸钕中的任一种。本发明同时也提供了该溶胶的制备方法,并给出了该溶胶的主要用途。

标签:
加工技术
天津 - 天津 来源:中冶有色网 2023-03-18
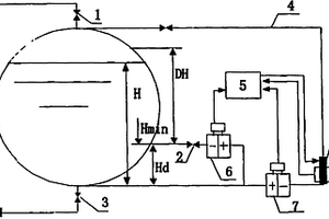
易挥发变密度介质中的液位测量装置及其方法

本发明公开一种易挥发变密度介质中的液位测量装置和方法。该液位测量装置包括储罐顶端测压点、储罐中间液相取压点、储罐底部测压点、干隔离管、微功耗无线传输单元、第一差压计、第二差压计、PTC加热单元、温度传感器。本发明提出双差压计测量方法,消除了被测介质密度变化引起的液位测量误差;提出干隔离管方法,消除了负相导压管静压不确定性所引起的测量误差;微功耗无线传输单元采用锂电池供电,遵循ZIGBEE(IEEE82.15.4)协议与管理机通信,无线传输单元同时实现差压信号和干隔离管温度的采集处理以及干隔离管外敷PTC加热元件的控制。电池供电和微功耗无线传输单元使液位测量装置的布线工作量大大降低,同时提高了装置的可靠性。

标签:
加工技术
浙江 - 杭州 来源:中冶有色网 2023-03-18
液体作用物质电池
液体作用物质电池 757     
 0

本发明提供一种在电池组装后对外部端子进行焊接的液体作用物质电池,即使在压接在电池盒内表面上的负极作用物质发生位置偏移、负极作用物质露出到电池盒底面上的情况下,在其后的外部端子焊接作业中也不会引起防爆阀的开裂破坏而提高电池的安全性。该液体作用物质电池使用锂、钠、钾等碱金属或其合金作为负极作用物质,使用常温下为液体的亚硫酰氯、磺酰氯、磷酰氯等卤氧化物作为正极作用物质,将负极作用物质及正极作用物质收纳在具有底部的电池盒内后将其封口,通过将金属板按照使其与电池盒底部内表面之间形成一部分空间的方式焊接在电池盒底部内表面上,从而在焊接外部端子时焊接热不会直接传递给负极作用物质。

标签:
加工技术
其他 - 其他 来源:中冶有色网 2023-03-18
碳化基电极材料
碳化基电极材料 760     
 0

一种用于锂离子电池电极的纳米材料——纳米碳化硅粉末,其晶体尺度小于100nm,该纳米碳化硅的化学成分为硅和碳,并符合基本化学配比,其化学式可表示为Si1-xCx,其中x为原子百分比值,0<x<1。可以是各种形状,如,球形、线状、管状或片状或不规则状。纳米碳化硅单一物相为电化学活性物质。纳米碳化硅电极首次放电容量达到2498mAh/g。纳米碳化硅可以是晶态或者非晶态的,其晶格结构可以是立方堆垛的或者是六角堆垛晶格多型,均可作为锂离子电池的负极材料或正极材料。

标签:
加工技术
湖北 - 武汉 来源:中冶有色网 2023-03-18
电极材料的连续制造方法

本发明涉及锂二次电池电极材料的连续制造方法,所述连续制造方法包括通过将过渡金属化合物分散在锂化合物的水溶液中而得到混合物的步骤,和将所述混合物装入旋转圆筒中、干燥和煅烧的步骤。其中所述混合物通过所述旋转圆筒内部提供的搅拌叶片被搅拌。

标签:
加工技术
其他 - 其他 来源:中冶有色网 2023-03-18
耐高温四方结构的压电陶瓷配方

本发明公开了一种耐高温四方结构的压电陶瓷配方,包括99.85~99.92wt%的铌锑-锆钛酸铅三元系;0.05~0.1wt%的稳定添加剂;0.03~0.06wt%的玻璃添加剂;所述的铌锑-锆钛酸铅三元系,其分子式为:Pb(1-x)Bax[(Nb1/2Sb1/2)yZrzTi(1-y-z)]O3;其中:x=0.05;y=0.05;z=0.48~0.5;所述的稳定添加剂选用:氧化铈与三氧化二铬的混合物;所述的玻璃添加剂选用:二氧化硅与碳酸锂的混合物。采用本发明提供的技术方案制备的耐高温陶瓷配方,其组成处入四方相陶瓷结构,其微观晶胞为四方晶胞,由于其晶轴之间的夹角为90°,晶胞结构较稳定,电畴受高温冲击,变化很小。而三方晶胞晶轴夹角不等于90°,此结构处于“亚稳态”,电畴受高温、应力的影响,较易发生“扭转”,而使整个压电陶瓷性能衰退。

标签:
加工技术
江苏 - 常州 来源:中冶有色网 2023-03-18
聚芳砜酰胺基多孔膜及其制备方法和应用

本发明属于高分子膜材料领域,具体涉及一种聚芳砜酰胺基多孔膜及其制备方法和应用。该多孔膜为多孔网眼结构,孔径范围为50nm-5μm,孔隙率为50%-90%。本发明还公开了该多孔膜的制备方法:将含有聚芳砜酰胺、添加剂、致孔剂和溶剂的溶液采用相转化法制备聚芳砜酰胺基多孔膜。本发明所提供的制备工艺可控性好、制造方法简单、生产成本低廉;并且所得到的多孔膜孔径可调、渗透性能较好、膜透气率较高;在200˚C条件下尺寸收缩率小于1%,热稳定性能优异,阻燃性能好。该多孔膜可用于高温过滤材料,吸附材料,透气性包装材料,分离材料和锂离子电池隔膜等领域。

标签:
加工技术
山东 - 青岛 来源:中冶有色网 2023-03-18
波长转换元件、激光光源装置、2维图像显示装置及激光加工装置

波长转换元件包括具有使极化结构周期性反转的非线性光学单晶体的基板,当在基板上照射了紫外光时,则基板的可见光的透过率为85%以上,所述波长转换元件对波长为640NM~2000NM的激光进行短波长化,以输出平均输出为1W以上的激光。这样,通过改善照射了紫外光时的可见光透过特性,既可防止晶体的损坏,又可实现高输出的输出特性的稳定性。其结果,可以抑制因紫外光而引起的绿色光的吸收,从而使回避输出的饱和及晶体的损坏成为可能。

标签:
加工技术
其他 - 其他 来源:中冶有色网 2023-03-18
水质硬度快速测定剂
水质硬度快速测定剂 910     
 0

本发明涉及水质硬度快速测定的专用试剂,适用 于锅炉给水炉外处理钠离子交换器出水的软化有效 监督。测定剂由络合剂EDTA二钠盐,指示剂、酸性 铬蓝K,KB指示剂;缓冲剂;氢氧化锂-硼酸及中性 盐保护剂组成,可根据要求控制硬度的指标调整制剂 配方适应各级水质硬度的监测。与传统EDTA络合 滴定法相比,操作简化、快速、准确、省去化验设备,测 定灵敏度达±2微克当量/升。

标签:
加工技术
云南 - 昆明 来源:中冶有色网 2023-03-18
双稳区宽度可调的光学双稳TM,HO:YLF激光器

本发明提供的是一种激光二极管端面泵浦双稳区宽度可调的光学双稳TM,HO:YLF激光器。它包括激光二极管泵浦源、光纤、耦合透镜、谐振腔、铥钬共掺氟化镱锂晶体;其特征是:所述的激光二极管泵浦源为两个,两个激光二极管泵浦源发出的泵浦光分别经光纤和耦合透镜进入谐振腔内;所述的谐振腔是由后腔镜、45°角平面折叠镜和输出镜组成的L形直角折叠腔,前端是后腔镜,后端是45°角平面反射镜,下端是输出镜,谐振腔内放置铥钬共掺氟化镱锂晶体。本发明的激光器的体积更小、结构更加简单、成本更低;并且通过向吸收区注入泵浦光来改变吸收区的吸收性能,达到调节双稳区宽度的目的,使得本发明的调节幅度大,使用方便。

标签:
加工技术
黑龙江 - 哈尔滨 来源:中冶有色网 2023-03-18
陶瓷燃烧板
陶瓷燃烧板 850     
 0

本发明涉及用于红外辐射器的陶瓷燃烧板,该燃烧板以硅酸锂为主成分。本发明的燃烧板含有0.63~7.6WT%的氧化锂,具有耐高温性和极高的耐用性。

标签:
加工技术
其他 - 其他 来源:中冶有色网 2023-03-18
钴铝复合金属氧化物包覆尖晶石型LiMn2O4正极材料的制备方法

一种钴铝复合金属氧化物包覆尖晶石型LiMn2O4正极材料的制备方法,属于锂离子电池电极材料制备技术领域。将钴、铝混合盐溶液和LiOH溶液同时滴加到LiMn2O4悬浊液中得到钴铝水滑石包覆LiMn2O4前驱体;将钴、铝混合盐溶液和LiOH溶液同时加入到胶体磨中得到钴铝水滑石悬浊液,将前面制备的钴铝水滑石包覆LiMn2O4前驱体加入其中,经晶化、过滤、干燥、焙烧后得到钴铝复合金属氧化物包覆LiMn2O4正极材料。优点在于,不仅可以对晶粒较大的LiMn2O4进行均匀包覆,也可以对由晶粒细小的LiMn2O4堆积成的二次颗粒进行均匀包覆,从而使包覆LiMn2O4正极材料具有更好的电化学循环稳定性。

标签:
加工技术
北京 - 北京 来源:中冶有色网 2023-03-18
新能源或混合动力的微型电动汽车

一种新能源或混合动力的微型电动汽车,它包括车架、纵向设置的1~3只防撞单人座椅、防撞板、转向系、前轮总成、后轮总成、轮毂电机以及制动系、调节控制器、电子差速器、LED车灯,电源的配置有锂电池或超级电容器或燃料电池或镍氢电池或混合动力几种选择,由于燃料电池对温、湿度的特殊要求,还增设了前冷却进风斗、上冷却进风斗,整车体积小、重量轻、结构简单、操作容易、安全可靠、节能减排,是经济、社会、环境效益的有机结合,适应一部分人群的需求。

标签:
加工技术
江苏 - 扬州 来源:中冶有色网 2023-03-18
润滑脂组合物及使用该润滑脂组合物的直动装置

一种含有40℃动态粘度为60~320mm2/s的聚α-烯烃和增稠剂的润滑脂组合物,所述聚α-烯烃以组合物总量为基准混合50质量%以上,所述增稠剂为不含羟基的碳原子数10~22的脂肪酸锂盐。无灰系二硫代氨基甲酸盐和/或者二硫代氨基甲酸锌以组合物总量为基准换算成硫黄混合0.1~1.5质量%,该润滑脂组合物中的磷含量以组合物总量为基准在0.05质量%以下,混合稠度为265~310。

标签:
加工技术
其他 - 其他 来源:中冶有色网 2023-03-18
钛酸/二氧化钛混合纳米粉体材料的制备方法

本发明公开了一种钛酸/二氧化钛混合纳米材料的制备方法,该方法通过对预先合成的层状结构的钛酸锂钾和浓度为0.1~0.5mol/L的醋酸混合均匀,然后将混合物倒入带聚四氟乙烯内衬的不锈钢水热反应釜,在100~140℃温度条件下水热反应2~18h时,自然冷却至室温,过滤得到白色产物,用蒸馏水洗涤,放入干燥器中室温干燥,获得具有多级结构的钛酸/二氧化钛混合纳米材料。该方法制得的二氧化钛/钛酸混合材料是一种多级结构的、具有吸附和光催化双重功能的纳米材料,可用于工业污水的处理中。

标签:
加工技术
广东 - 广州 来源:中冶有色网 2023-03-18
上一页 1986 1987 1988 1989 1990 ... 2000 ... 5000 ... 6681 下一页
共6681页    到第

中冶有色为您提供最新的有色金属加工技术理论与应用信息,涵盖发明专利、权利要求、说明书、技术领域、背景技术、实用新型内容及具体实施方式等有色技术内容。打造最具专业性的有色金属技术理论与应用平台!

全国热门有色金属设备推荐
展开更多 +
全国热门有色金属技术推荐
展开更多 +

 

江西省隆恩特环保设备有限公司
宣传

报名参会
更多+

报告下载

有色专家
更多+

鞍钢集团有限公司
中国工程院院士
江西理工大学
副校长/教授
湖南科技大学
所长/教授
西安建筑科技大学
院长/教授
中南大学
教授
赤泥综合利用研究报告2025
推广

热门技术
更多+

推荐企业
更多+

福建省金龙稀土股份有限公司
宣传

发布

在线客服

公众号

电话

顶部
咨询电话:
010-88793500-807