青岛垚鑫智能科技有限公司
宣传

位置:中冶有色 >

有色技术频道 >

> 新能源材料技术

分类:
全部
矿山技术
冶金技术
材料制备及加工技术
环境保护技术
分析检测技术
 
全部
功能材料技术
复合材料技术
新能源材料技术
合金材料技术
加工技术
地区:
全部
北京
天津
上海
重庆
河北
山西
辽宁
吉林
黑龙江
江苏
浙江
安徽
福建
江西
山东
河南
湖北
湖南
广东
海南
四川
贵州
云南
陕西
甘肃
青海
内蒙
广西
西藏
宁夏
新疆
其他
其他
展开
 
全部
成都
自贡
攀枝花
泸州
德阳
绵阳
广元
遂宁
内江
乐山
南充
眉山
宜宾
广安
达州
雅安
巴中
资阳
阿坝藏族羌族自治州
甘孜藏族自治州
凉山彝族自治州

四川成都有色金属新能源材料技术理论与应用

免费发布技术信息>>
具有加热功能的保温杯
具有加热功能的保温杯 1008     
 0

本发明公开了一种具有加热功能的保温杯,包括由手柄、杯身和杯底组成的水杯,所述杯身侧面包括新能源加热按钮,所述新能源加热按钮采集新能源加热信息,发送到控制器;所述控制器从太阳能电池提取电能,启动发热电阻丝工作,所述发热电阻丝设置在杯身内壁夹层中,通过控制器于太阳能电池电连接,所述太阳能电池连接吸热模块,所述吸热模块为可折叠铝板,所述铝板安装在手柄处;所述杯身侧面包括电加热按钮,所述电加热按钮发送电加热信息到控制器,所述控制器接收信息并通过USB接口或电池存储室提取电能,启动发热电阻丝工作,所述发热电阻丝设置在杯身内壁夹层中。

标签:
新能源
四川 - 成都 来源:中冶有色网 2023-03-18
太阳能制氢系统工程
太阳能制氢系统工程 994     
 0

一种生产新能源的系统工程,由太阳能→聚热发电→电解水→生产H2和O2,生产出H2和O2,可用压缩法使之液化。石油和煤是人类当前使用最多的能源之一,过度开采和使用已带来许多严重问题——破坏生态环境、自然灾害增多、气候变化异常。而石油和煤的存储量也十分有限的,总有一天会使用枯竭。太阳能是地球上所有能源之源头,充分利用优良的太阳能能源,应是人类的最佳选择和最终选择。本发明直接利用太阳能来生产H2这种新能源。水是地球上是最丰富的物质之一,而H2燃烧后又生成水。因此,将H2作为一种新能源,不失为一种非常经济、非常理想的可循环利用能源。本发明在整个系统工作中不对环境产生任何污染,也不消耗其它资源,完全符合国家倡导的“资源再利用”的政策要求。对保护地球的生态环境、保障社会的可持续发展都有着十分重要的意义。

标签:
新能源
四川 - 成都 来源:中冶有色网 2023-03-18
涉及网、源、荷分析的风光消纳评价方法

本发明涉及一种涉及网、源、荷分析的风光消纳评价方法,包括以下步骤,S1:建立二级评价指标体系,所述二级评价指标体系包括状态评价指标、性能评价指标及消纳结果评价指标三个一级评价指标,所述状态评价指标包括新能源渗透率指标及系统灵活性指标,所述性能状态指标包括系统调节能力指标、电网传输能力指标及新能源出力情况指标,所述消纳结果评价指标包括弃电率指标、资源利用率指标及累积弃电时间指标;S2:获取电网数据,计算电网的评价指标;S3:对电网的评价指标进行归一化处理;S4:将归一化后的指标输入至二级评级体系,输出评价结果。本发明具有能够直观反映网‑源‑荷彼此作用及其对新能源消纳的影响效果的优点。

标签:
新能源
四川 - 成都 来源:中冶有色网 2023-03-18
接入牵引变电所的分布式发电系统及控制方法

本发明提供了一种接入牵引变电所的分布式发电系统及控制方法,属于电气化铁路牵引供电技术领域。同相牵引变电所的牵引侧与牵引母线连接,牵引母线通过馈线与牵引网相连,铁路沿线走廊的设置新能源发电装置通过电力电缆接入牵引变电所的牵引母线,牵引所设置中央协调控制器实时监测牵引网功率情况,动态控制新能源发电装置输出功率,实现新能源功率的最优利用。主要用于分布式发电系统接入牵引变电所的电力调度与管理。

标签:
新能源
四川 - 成都 来源:中冶有色网 2023-03-18
可显示温度的蓄水装置

本发明公开了可显示温度的蓄水装置,包括由手柄、杯身和杯底组成的水杯,所述杯身侧面包括新能源加热按钮、滚动按钮和贴片按钮,所述新能源加热按钮采集新能源加热信息,发送到控制器;所述控制器从太阳能电池提取电能,启动发热电阻丝工作,所述发热电阻丝设置在杯身内壁夹层中,通过控制器于太阳能电池电连接,所述太阳能电池连接吸热模块,所述吸热模块为可折叠铝板,所述铝板安装在手柄处;所述滚动按钮采集滚动信息到控制器,所述控制器接收滚动信息启动滚珠装置,所述滚珠装置设置在杯底下表面,包括多颗滚珠和转动转盘,所述贴片按钮采集贴片信息发送值控制器,所控制器接收贴片信息启动贴片模块包括2组贴片。

标签:
新能源
四川 - 成都 来源:中冶有色网 2023-03-18
离网铁路牵引供电系统

本实用新型公开了一种离网铁路牵引供电系统,包括接触网、分布式电源变电站、电分相和电分相开关,分布式电源变电站的输出端连接至接触网;在相邻分布式电源变电站的接触网上设置有电分相,在电分相上并联设置有电分相开关;分布式电源变电站包括一级新能源发电装置、二级可控型新能源备用电源和单相升压变压器;一级新能源发电装置和二级可控型新能源备用电源相互独立,且均通过各自的单相升压变压器连接至接触网。本实用新型实现列车的离电力网运行,提高了微网铁路牵引供电的稳定性和可靠性;适用于无网区,就地消纳清洁能源,实现轨道交通的节能减排、绿色可持续发展;符合我国铁路目前广泛使用的电力传动机车,适用性强。

标签:
新能源
四川 - 成都 来源:中冶有色网 2023-03-18
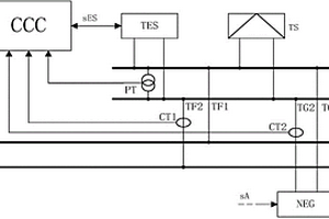
接入牵引变电所的分布式发电储能系统

本实用新型提供了一种接入牵引变电所的分布式发电储能系统,包括牵引变电所TS、牵引网、中央协调控制器CCC和分布式新能源发电系统NEG,牵引变电所TS的牵引侧与牵引母线TB1和牵引母线TB2连接,牵引变电所TS设置能量存储装置TES,能量存储装置TES与牵引母线TB1和牵引母线TB2连接,中央协调控制器CCC的测控端经光纤对sES与能量存储装置TES的测控端连接,中央协调控制器CCC的测控端经光纤对sA与分布式新能源发电系统NEG的测控端连接。本实用新型有利于新能源就近消纳,减少“弃风、弃光”现象,能有效地解决分布式新能源发电装置接入牵引供电系统和科学配置能量的技术问题。

标签:
新能源
四川 - 成都 来源:中冶有色网 2023-03-18
电力系统备用预留方法、装置、电子设备及存储介质

本发明提供了一种电力系统备用预留方法、装置、电子设备及存储介质,其中,电力系统备用预留方法包括:获取日前系统负荷和日前新能源出力数据;基于日前系统负荷和日前新能源出力数据,调用日前备用预留模型计算得到日前备用预留结果;基于日前备用预留结果,确定火电机组组合结果;获取当前日内系统负荷和当前日内新能源出力数据;基于电力系统的火电机组组合结果、当前日内系统负荷和当前日内新能源出力数据,调用日内备用预留模型计算得到日内备用预留结果。通过日前‑日内多时序备用优化协调配合,在保证系统运行安全可靠性的同时,降低了功率预测误差,减少了备用预留容量,最终获得安全性和经济性权衡最佳的调度效果。

标签:
新能源
四川 - 成都 来源:中冶有色网 2023-03-18
离网铁路牵引供电系统及调控方法

本发明公开一种离网铁路牵引供电系统及调控方法,包括接触网、分布式电源变电站、电分相和电分相开关,分布式电源变电站的输出端连接至接触网;在相邻分布式电源变电站的接触网上设置有电分相,在电分相上并联设置有电分相开关;分布式电源变电站包括一级新能源发电装置、二级可控型新能源备用电源和单相升压变压器;一级新能源发电装置和二级可控型新能源备用电源相互独立,且均通过各自的单相升压变压器连接至接触网。本发明实现列车的离电力网运行,提高了微网铁路牵引供电的稳定性和可靠性;适用于无网区,就地消纳清洁能源,实现轨道交通的节能减排、绿色可持续发展;符合我国铁路目前广泛使用的电力传动机车,适用性强。

标签:
新能源
四川 - 成都 来源:中冶有色网 2023-03-18
高铁综合能源利用系统实验平台及其实验方法

一种高铁综合能源利用系统实验平台及其实验方法,实验平台包括等效牵引供电系统、左右等效机车、背靠背变流装置、储能装置、新能源发电装置、逆变回馈装置和控制系统,实验方法包括实验平台准备、等效机车模拟牵引工况和再生制动工况使等效牵引供电系统处于消耗功率或返送功率工况、等效牵引供电系统处于消耗功率工况或返回工况时控制背靠背变流装置对负荷的转移过程、储能装置的放电或充电过程、新能源发电装置的放电过程或逆变回馈装置的放电过程。本发明可模拟高铁牵引供电系统再生制动能量的储能、逆变回馈利用,新能源消纳,可用于储能装置、逆变回馈装置、新能源发电装置的能量管理策略、控制方法验证,成本低廉,便于改进优化。

标签:
新能源
四川 - 成都 来源:中冶有色网 2023-03-18
有限充电设施条件下的电动物流车路径规划方法

本发明公开了一种有限充电设施条件下的电动物流车路径规划方法,包括以下步骤:S1.给定物流配单位的物流配送系统及配送要求;S2.根据新能源物流车的路径和选址,建立新能源汽车物流配送模型并给出目标函数;S3.在新能源汽车物流配送模型中进一步模拟实际问题,对不同的约束条件对目标函数进行限定;S4.给定车辆数目和客户数目,生成满足约束条件的所有初始配送方案,并基于目标函数选址最优配送方案,实现充电桩选址的物流车路径规划。本发明充分考虑了新能源物流车里程限制、容量限制、时间窗约束和设施建设与采购成本,从候选地址中选择出最合理的新能源物流车的充电桩位置,防止里程限制造成的运输距离过短从而影响整体物流企业配送范围的情况。

标签:
新能源
四川 - 成都 来源:中冶有色网 2023-03-18
基于电网周波采样的一次调频方法及新能源发电一次调频系统

本发明公开了一种基于电网周波采样的一次调频方法及系统,方法包括步骤:电压互感器从电网线路采样并降压、低通滤波器滤除高次谐波、过零检测电路对正弦波信号进行整形、一次调频器计算电网当前周期t’并进行调频计算。一次调频系统,包括发电组件、发电逆变器、电压互感器、信号调理电路、一次调频器、储能装置和储能逆变器。本发明利用CPU进行电网周波的精密计算,以更准确的电网周波数据作为调频运算的基础;在电网频率升高时,限制发电逆变器出力,并把多余的电能存储于储能装置中,在电网频率下降时,能依托于存储的电能快速提高并网有功功率,有助于提高电网稳定性。

标签:
新能源
四川 - 成都 来源:中冶有色网 2023-03-18
便于收线的新能源汽车充电桩

本实用新型涉及一种便于收线的新能源汽车充电桩,属于充电桩技术领域,解决了现有充电桩在收线时易出现电线打结的技术问题。该充电桩包括充电桩本体,其背面安装有收纳箱,收纳箱包括正对的第一内壁和第二内壁;充电插头,通过电线与充电桩本体电连接并穿接于收纳箱中且充电插头设于收纳箱外;导轨,安装于收纳箱的第一内壁上;滑块,滑动安装在导轨上;拨线爪,安装于滑块上,拨线爪上设有第一拨杆;固定爪,固装于收纳箱的第二内壁上,固定爪上设有第二拨杆,第二拨杆和第一拨杆在垂直方向上交错设置,电线设于第一拨杆和第二拨杆之间;驱动装置,安装于第一内壁上,用于驱动滑块移动。该充电桩在收线时不会出现电线打结的情况,使用更便利。

标签:
新能源
四川 - 成都 来源:中冶有色网 2023-03-18
新能源汽车电池的存储装置

本实用新型涉及汽车电池的存储技术领域,具体揭示了一种新能源汽车电池的存储装置,包括存储箱,存储箱内壁且相互靠近一侧的中央均沿垂直方向开设有滑槽,两个滑槽内部的中央均滑动连接有滑块,两个滑块相互靠近的一侧固定连接有安装块,开口的内部设有压块,压块的左右两侧均固定连接有限位块,开口内壁的中央开设有圆槽,开口内壁正面和背面的中央均沿垂直方向开设有连接槽,限位块滑动连接于圆槽的内部;本实用新型通过活动槽、活动块和支撑块,配合弹簧筒、活动杆和复位弹簧,使得在需要将汽车电池取出时,打开压块后,会将汽车电池进行顶起,使汽车电池的顶部露出存储箱,从而方便工作人员方便的拿出汽车电池。

标签:
新能源
四川 - 成都 来源:中冶有色网 2023-03-18
新能源生物燃料油加工用上料结构

本实用新型公开了一种新能源生物燃料油加工用上料结构,包括上料台和上料过渡箱,上料台的顶部固定安装有上料过渡箱,上料台的底部固定安装有液压升降机构,上料过渡箱的顶部顶部固定安装有顶板,上料过渡箱内部的一侧固定安装有预处理过滤板,上料过渡箱远离预处理过滤板一侧的下端设有出料口,出料口上密封安装有出料管,出料管上安装有电磁阀,出料管的出口端安装有上料管,预处理过滤板上方的上料过渡箱上设有进料口,进料口与上料泵的输出端连接;本实用新型结构简单,升降高度调节能够由上料过渡箱对不同高度加工设备进行上料,便于上料结构移动,上料更加方便,提高生物燃料油加工的效率,对生物燃料油原料过滤预处理。

标签:
新能源
四川 - 成都 来源:中冶有色网 2023-03-18
基于新能源的空气制水保水型多功能大棚系统

基于新能源的空气制水保水型多功能大棚系统,包括填充有土壤的基坑和设置在基坑上的基架,基架顶部固定有顶架,沿基架和顶架外围设有大棚膜,基坑的侧面和底面均设有防水薄膜,基架上部还固定有横架,横架上设有第一空气制水机和控制器,控制器连接第一空气制水机,第一空气制水机通过管路连接固定在基架上的蓄水箱,蓄水箱通过管路连接固定在基架上的水泵,水泵通过管连接喷送水管,喷送水管上设有多个喷头,顶架的顶部设有光伏板组件。本系统彻底解决干旱地区缺水无法很好的进行农作物培植的问题,克服管道输送引水存在的造价高、维护成本高、周期长等缺陷,实现节约资源和循环利用,还具有保湿保水功能、多项环境参数检测功能、主动补光功能。

标签:
新能源
四川 - 成都 来源:中冶有色网 2023-03-18
新能源汽车用变流器的固定支座

本实用新型属于固定支座技术领域,公开了一种新能源汽车用变流器的固定支座,包括第二固定板,所述第二固定板的上方安装有机体,所述机体的顶部安装有第一固定板,所述第一固定板的上方安装有第一挡板,所述第一固定板的底部两端均安装有卡板,所述卡板上设置有卡孔,所述第二固定板的上方两侧均安装有支柱,所述支柱与卡板相配合,所述支柱的一侧安装有把手,所述把手上安装有支架,本实用新型通过安装了第一固定板和第二固定板,更方便变流器的安装和拆卸,方便安装人员使用和操作为安装人员节省了大量的时间,而且提高产品的实用性使变流器安装的更加牢固,解决了现在的固定支座不易安装和拆卸的问题。

标签:
新能源
四川 - 成都 来源:中冶有色网 2023-03-18
新能源汽车无线充电装置

本实用新型涉及无线充电技术领域,尤其是一种新能源汽车无线充电装置,包括底板,底板上固定设有无线充电发送板,底板的一端转动连接有承载板,底板的另一端的两侧均固定设有连接座,连接座上转动连接有连杆,连杆穿过承载板上的通孔并固定设有第二销轴,连杆上套设有弹簧,弹簧的两端分别固定在连接座和承载板上,承载板的下部两侧均固定设有支撑板,支撑板的一侧设有限位杆,限位杆的下方设有限位开关,限位开关通过导线与无线充电发送板相连,承载板的上部两侧均固定设有护板,护板的一侧设有挡板,挡板上固定设有限位柱。本实用新型结构简单,方便电动汽车的充电,值得推广应用。

标签:
新能源
四川 - 成都 来源:中冶有色网 2023-03-18
防雷击新能源汽车用充电桩

本实用新型公开了一种防雷击新能源汽车用充电桩,主要解决现有充电桩不能在雷雨天气时起到对装置的保护,且易形成凝露的问题。该充电桩包括充电桩本体,还包括通过支脚固定连接于充电桩本体上方的挡雨棚,安装于挡雨棚上且下端沿着充电桩本体背面深入地下的避雷针,设置于充电桩本体内位于充电桩电气元件上方的隔板,开设于隔板上具有防回流的突起的条状散热孔,设置于充电桩本体前端的内沉式的容纳槽,设置于容纳槽内的充电枪固定座,以及设置于容纳槽内的绕线盘。本实用新型的充电桩可以在雷雨天气中降低充电桩被雷击的概率,再结合充电桩本体上端设置的挡雨棚,可以在下雨时实现对充电桩外部设备的有效防雨保护,避免充电桩设备损坏。

标签:
新能源
四川 - 成都 来源:中冶有色网 2023-03-18
新能源农业风力发电装置

本实用新型提供了一种新能源农业风力发电装置,涉及农业技术领域,收集槽,收集槽设有两个,两个收集槽的底部固定连接有L形板,且两个L形板相靠近的一侧均与两个支撑杆固定连接,两个收集槽相靠近的一侧与两个支撑杆之间均固定连接有横杆,两个收集槽内靠近顶部处均安装有第一滤网,两个收集槽相靠近的一侧均安装有导水管,通过挡雨板、收集槽和第一滤网的设置,防止风力发电机构受到雨水影响,同时实现雨水收集,并进行初步过滤,且在导水管、粗管、弹簧、拨动杆、活动球、第二滤网、敲击锤和弹力绳的配合下,实现对雨水进行二次过滤,然后将其导入到水箱内,便于后续的利用,有效的提高了防护性和资源利用率。

标签:
新能源
四川 - 成都 来源:中冶有色网 2023-03-18
新能源车充电安装结构

本实用新型涉及一种新能源车充电安装结构,包括有底座块、充电底座、充电桩体、固定板、防护架和太阳能板,充电底座的顶部通过螺栓固定安装有充电桩体,充电桩体的顶部四周焊接固定有固定杆,固定杆的顶部之间焊接固定有固定板,固定板的两端中心处焊接固定有防护架,防护架内部一端中心处焊接固定有伺服电机,伺服电机的输出端焊接固定有丝杆,丝杆上螺纹贯穿连接有活动块,固定板的底部两端中心处焊接固定有旋转座,旋转座上通过螺栓活动连接有防护板。有益效果;伺服电机带动丝杆上的活动块运动,活动块在运动中通过铰接件和活动杆对旋转座上的防护板进行支撑防护,使得防护板和支撑板对充电桩体进行保护,延长使用寿命,实用性能强。

标签:
新能源
四川 - 成都 来源:中冶有色网 2023-03-18
新能源电动车用受弓组件

本实用新型公开了一种新能源电动车用受弓组件,包括底座、滑板组件和支撑组件;所述滑板组件包括安装支架和滑板本体,其中,所述滑板本体包括滑板块A、滑板块B、滑板块C和滑动导轨;在滑板块A的一端侧面设置有第一安装凹槽,在滑板块C的一端设置有与第一安装凹槽相配合的第一凸台,在滑板块C的另一端设置有第二安装凹槽,在滑板块B的一端设置有第二凸台;第二凸台用于与第二安装凹槽相配合。在本实用新型中,通过第一安装凸台和第一安装凹槽的配合,第二凸台和第二安装凹槽的配合,将滑板块C固定在滑板块A和滑板块B之间;这样设置可以至针对磨损较为严重的滑动块进行更换,在节约了更换时间的同时,也节约了维护成本。

标签:
新能源
四川 - 成都 来源:中冶有色网 2023-03-18
新能源车电机耐电晕性能的同步测试装置

本实用新型公开了一种新能源车电机耐电晕性能的同步测试装置,属于绝缘材料耐电晕检测技术领域,包括底座,所述底座的顶部固定安装有测试箱,所述测试箱内搭载有测试系统,所述测试箱的内腔固定安装有固定座,所述固定座的表面等距开设有放置槽,所述放置槽的内腔设有绝缘板,所述绝缘板通过固定组件固定于放置槽的内腔,所述固定座的内部且位于放置槽的下方固定安装有顶升组件;本实用新型通过固定组件的设置,可以对需要测试的绝缘材料进行固定,通过设置多个放置槽,可以同时对多个测试样本进行耐电晕性能测试,绝缘材料固定于放置槽的内腔,并通过卡板进行卡紧固定,可以防止在测试过程中绝缘材料发生移动。

标签:
新能源
四川 - 成都 来源:中冶有色网 2023-03-18
基于新能源的节能型多功能空气热水系统

一种基于新能源的节能型多功能空气热水系统,其特征在于,包括蒸发器、膨胀阀、换热器、水箱、转换阀、压缩机、冷凝器、电源模块、控制器、送风管道、分流开关、排风口和室内制冷通风管。电源模块由市电或离网光伏板组件供电。本系统不仅能够实现空气热水器的基本功能,还能够将蒸发器端产生的冷气进行收集,根据需求用于制冷,同时可对水箱温度进行检测,必要时通过冷凝器排热,整个系统可由离网光伏组件供电,进一步实现了对资源的节约和对能源的合理利用。

标签:
新能源
四川 - 成都 来源:中冶有色网 2023-03-18
新能源汽车用电池性能快速检测装置

本发明公开了一种新能源汽车用电池性能快速检测装置,包括底座、升降装置、夹持装置和安全盒,升降装置设置在底座上,夹持装置活动设置在升降装置上,安全盒包括围栏和底板,围栏设置在底板上,围栏与底板可拆卸连接,底板可分离安装在底座上,底座上表面开设有多条凹槽,多条凹槽上方对应的底板位置开设有多个与凹槽连通的排水孔。本发明能提高电池的检测效率,并最大限度的保护了人员的安全。

标签:
新能源
四川 - 成都 来源:中冶有色网 2023-03-18
可灵活调节新能源太阳能电池板支撑装置

本发明公开了一种可灵活调节新能源太阳能电池板支撑装置,包括架体、太阳能电板、支撑底座、承重块和驱动腔,所述架体底部左侧设置支撑底座,所述支撑底座内部设置内腔,所述支撑底座内腔右侧底部安装第一工作电机,所述第一工作电机上端焊接第一齿轮,所述支撑底座内腔顶部中间位置设置第二齿轮,所述第一齿轮与所述第二齿轮啮合,所述第二齿轮上方焊接支撑立柱,所述第一工作电机上表面中间位置焊接承重块;所述支撑立柱右侧壁上部焊接驱动腔;本发明结构合理,运行方便,能够实现对太阳能电板角度的灵活的调节,能够实现最大程度的对太阳能资源的利用,节能环保,适合推广。

标签:
新能源
四川 - 成都 来源:中冶有色网 2023-03-18
用于新能源汽车充电线定位系统的控制方法

本发明公开了一种用于新能源汽车充电线定位系统的控制方法,包括充电座,充电座上连接有柔性的充电线,充电线的顶端连接有充电插头;充电线由若干刚性的充电结串联而成,每两个充电结之间可绕着充电线的轴线自由偏转;充电结之间设置用于充电结偏转的驱动机构;汽车充电座上设置有充电插座,充电插座设置有引导充电插头的引导光源,充电插头上设置有多个用于检测充电插座位置的位置检测装置。解决了纯电动汽车需要手动充电的问题,实现了充电的自动化;实现了充电线的自动快速运动,方便人们实用汽车,不会出现因忘记充电而无法使用;采用气动方式实现充电线的自由运动,充电线的运动结构简单,成本低廉,经济效益高。

标签:
新能源
四川 - 成都 来源:中冶有色网 2023-03-18
用于新能源汽车充电的充电系统控制方法

本发明公开了一种用于新能源汽车充电的充电系统控制方法,包括充电座,充电座上连接有柔性的充电线,充电线的顶端连接有充电插头;充电线由若干刚性的充电结串联而成,每两个充电结之间可绕着充电线的轴线自由偏转;充电结之间设置用于充电结偏转的驱动机构,驱动机构包括用于提供动力的螺杆和螺纹孔,螺杆和螺纹孔配合相连;还包括控制装置,控制装置与驱动机构信号相连;控制装置包括中央处理单元。实现了充电线的自动快速运动,方便人们使用电动汽车,不会出现因忘记充电而无法使用;采用气动方式实现充电线的自由运动,充电线的运动结构简单,成本低廉,经济效益高。

标签:
新能源
四川 - 成都 来源:中冶有色网 2023-03-18
高效环保新能源电池组设备

本实用新型公开了一种高效环保新能源电池组设备,具体涉及电池领域,包括箱体,所述箱体的顶部套接有箱盖,所述箱体与箱盖的内部均设有减震机构,所述减震机构包括活动槽,所述活动槽的内腔设有第一真空腔,所述活动槽的内腔设有压板,所述压板滑动连接在相应的活动槽内腔,所述压板的两侧均设有限位滑块,且压板与限位滑块固定连接,所述限位滑块滑动连接在相应的活动槽内腔。本实用新型通过设置了减震机构,限位滑块卡接在相应的活动槽内腔,可以有效的防止压板脱离相应的活动槽内腔,解决了现有技术中电池组减震性较差容易产生安全隐患的问题。

标签:
新能源
四川 - 成都 来源:中冶有色网 2023-03-18
用于新能源汽车的组装式防滑电池安装箱

本实用新型公开了一种用于新能源汽车的组装式防滑电池安装箱,它包括底板、第一端板、第二端板、第一侧板和第二侧板,第一端板、第二端板、第一侧板和第二侧板与底板均通过合页连接,第一端板与第一侧板通过连接件连接,第一端板与第二侧板通过连接件连接,第二端板与第一侧板通过连接件连接,第二端板与第二侧板通过连接件连接;第一端板、第二端板、第一侧板和第二侧板的内表面均固定有侧面缓冲板,所述的底板上固定底部缓冲板;第一端板或者第二端板或者第一侧板或者第二侧板的外表面为波纹状或者设置有凹槽。本实用新型可以防止电池在车辆振动时滑动,而且设置成组装结构,便于存放安装箱,避免对安装箱造成不必要的损坏。

标签:
新能源
四川 - 成都 来源:中冶有色网 2023-03-18
上一页 15 16 17 18 19 ... 44 下一页
共44页    到第

中冶有色为您提供最新的四川成都有色金属新能源材料技术理论与应用信息,涵盖发明专利、权利要求、说明书、技术领域、背景技术、实用新型内容及具体实施方式等有色技术内容。打造最具专业性的有色金属技术理论与应用平台!

全国热门有色金属设备推荐
展开更多 +
全国热门有色金属技术推荐
展开更多 +

 

江西省隆恩特环保设备有限公司
宣传

报名参会
更多+

报告下载

有色专家
更多+

蒙纳士苏州校区
中国工程院外籍院士/校长
昆明理工大学
校长
中南大学、中国工程院
院士
北京科技大学、中国科学院
院士
北京工业大学、中国工程院
中国工程院 院士
赤泥综合利用研究报告2025
推广

热门技术
更多+

推荐企业
更多+

福建省金龙稀土股份有限公司
宣传

发布

在线客服

公众号

电话

顶部
咨询电话:
010-88793500-807