青岛垚鑫智能科技有限公司
宣传

位置:北方有色 >

有色技术频道 >

> 废水处理技术

分类:
全部
矿山技术
冶金技术
材料制备及加工技术
环境保护技术
分析检测技术
 
全部
废水处理技术
大气治理技术
固/危废处置技术
土壤修复技术
地区:
全部
北京
天津
上海
重庆
河北
山西
辽宁
吉林
黑龙江
江苏
浙江
安徽
福建
江西
山东
河南
湖北
湖南
广东
海南
四川
贵州
云南
陕西
甘肃
青海
内蒙
广西
西藏
宁夏
新疆
其他
其他
展开
 
全部
南京
无锡
徐州
常州
苏州
南通
连云港
淮安
盐城
扬州
镇江
泰州
宿迁

江苏南京有色金属废水处理技术理论与应用

免费发布技术信息>>
工业铅冶炼废水的处理方法

本发明公开了一种工业铅冶炼废水的处理方法,包括以下步骤:步骤一,稀土滤膜液的制备:向二甲基亚砜中加入聚醚砜,然后以100‑200r/min的低速进行搅拌,搅拌至溶液澄清,随后向其中加入稀土氯化钆溶液,然后再加入纳米纤维素,再以450‑550r/min的中转速搅拌30‑40min,然后再加入交联淀粉,继续以1000‑1200r/min的转速搅拌30‑40min,得到滤膜液。本发明以二甲基亚砜、聚醚砜为主料,制备出聚醚砜的超滤膜,通过将其改性改变其活性以及强度性能,加入的纳米纤维素具有高弹性膜量、高强度等性能,通过加入的交联淀粉可与纳米纤维素形成交联网状结构。

标签:
废水处理
江苏 - 南京 来源:北方有色网 2023-03-19
工业碱渣废水的处理系统及方法

本发明提供了一种工业碱渣废水的处理系统及方法。该处理系统包括:依次连接的碱渣储罐、碱渣换热器、碱渣加热器、氧化反应器以及水洗塔,碱渣换热器上设置有物料进口、物料出口、热源进口以及热源出口;氧化反应器出来的氧化水一部分从热源进口进入碱渣换热器中,另一部分进入水洗塔中洗涤碱渣,热源出口连接有中间罐Ⅰ,物料进口与碱渣储罐连接,物料出口连接碱渣加热器;氧化反应器内底部设置有微界面发生器,所述微界面发生器用于分散破碎气体成气泡,所述氧化反应器的底璧上设置有进气口,所述进气口与所述微界面发生器连通。本发明的处理系统操作温度与压力比较低,避免了高温高压带来的安全隐患的发生,实现了能耗低,操作成本低的效果。

标签:
废水处理
江苏 - 南京 来源:北方有色网 2023-03-19
工业废水处理好氧池消泡装置

本实用新型公开了一种工业废水处理好氧池消泡装置,好氧池两侧的池壁顶部均设有滑轨,滑轨上方设有滑块,滑轨顶部开设有滑孔;滑块通过若干根穿过滑孔的连接杆与轮轴分别连接,轮轴两端与滚轮连接;好氧池两侧的滑块之间设有消泡管,消泡管底部设有若干个喷头接口,消泡管中部设有增压水泵连接;喷头接口与接口盖或者高压消泡喷头通过对应螺纹活动连接。本实用新型具有成本低、消泡效率高的特点。

标签:
废水处理
江苏 - 南京 来源:北方有色网 2023-03-19
工业废水处理用过滤装置

本实用新型提供一种工业废水处理用过滤装置。本实用新型包括壳体,所述壳体上部设置有进水口,所述壳体里面设置有粗滤室,所述的粗滤室里面设置有介质过滤器,所述介质过滤器连接出水口,所述出水口处设置有抽水泵,所述的壳体底部设置有沉淀箱;所述壳体里面安装有转盘,所述转盘与所述粗滤室同轴心设置,所述转盘上设置有位于粗滤室外表面的毛刷,所述转盘中心连接驱动轴,所述驱动轴穿过所述的壳体连接电动马达。本实用新型避免大尺寸颗粒造成的滤网堵塞,过滤过程连续,设备工作稳定可靠。

标签:
废水处理
江苏 - 南京 来源:北方有色网 2023-03-19
异位去除制药工业废水悬浮填料老化生物膜的方法

本发明公开了一种异位去除制药工业废水悬浮填料老化生物膜的方法,属于水处理技术领域。本发明的步骤为:1)将生物膜反应器中的老化生物膜填料取出,投放入洗脱容器中,用低浓度的表面活性剂溶液浸泡悬浮填料,同时以一定转速搅拌,1-1.5h后取出填料;2)用一定频率的超声对填料进行进一步处理,持续时间3-10min;3)用水冲洗悬浮填料,去除已松动却未脱离的老化生物膜。本发明解决了生物膜处理制药废水过程中,生物膜不易自然脱落再生,影响处理效率的问题,能够较高效地去除老化生物膜,并且不会产生对环境有害的二次污染物,是一种对环境友好的处理方法。

标签:
废水处理
江苏 - 南京 来源:北方有色网 2023-03-19
一套工业废水处理系统
一套工业废水处理系统 1155     
 0

本发明提供一套工业废水处理系统,包括格栅池、沉砂池、沉砂池、生物转盘、二沉池、消毒池、污泥处理池;工业污水管道通入格栅池,经格栅处理后管道连接通入沉砂池,沉砂池利用自然沉降作用,去除污水中砂粒或其他比重较大的无机颗粒的构筑物;将经沉砂池处理后的污水,管道连接顺序通入沉砂池、生物转盘、二沉池、消毒池反应处理,并将沉砂池、沉砂池、生物转盘、二沉池反应处理后的污泥排入污泥处理池进行反应处理,将消毒池反应处理后的水排放出去或者回收利用。本发明采用生物转盘法处理工艺,由水槽和部分浸没于污水中的旋转盘体组成,盘体表面上生长的微生物膜反复地接触槽中污水和空气中的氧,使污水获得净化。

标签:
废水处理
江苏 - 南京 来源:北方有色网 2023-03-19
处理含氮磷工业废水零排放的系统

本实用新型涉及一种处理含氮磷工业废水零排放的系统,包括相互之间依次通过管线和提升泵连接的集水池、混凝溢流沉淀装置、蒸发机组、反渗透机组、回用水池和回用于生产产线;所述混凝溢流沉淀装置上方间开设有PH调节装置、絮凝剂加药装置和助凝加药装置;所述蒸发机组上还连接结晶装置。本实用新型方案产水水质品质高,满足更多、更高的用水需要;系统工艺路线紧凑,占地小;可达到废水零排放,具有良好的环境效益。

标签:
废水处理
江苏 - 南京 来源:北方有色网 2023-03-19
高盐高浊工业废水零排放系统及其工艺

本发明公开了一种高盐高浊工业废水零排放系统及其工艺,包括沿废水流经方向依次连通的进水水箱、絮凝沉淀系统、砂滤装置和电吸附系统;其中,电吸附系统包括若干个连通的电容去离子装置;还包括反冲洗系统和热蒸发结晶系统;反冲洗系统与砂滤装置和电容去离子装置连通,对砂滤装置和电容去离子装置进行反冲洗处理;热蒸发结晶系统与砂滤装置和电容去离子装置连通,对砂滤装置和电容去离子装置进行反冲洗后的浓水进行热蒸发处理。本发明能够实现快速、高效的脱盐除浊,整套系统能稳定运行,能耗低。

标签:
废水处理
江苏 - 南京 来源:北方有色网 2023-03-19
工业废水偷排监控预警系统

本发明公开了一种工业废水偷排监控预警系统,包括流量计、雨滴感应器、降雨量分析模块、水样自动采集器、报警装置;安装于企业雨水管网出水口处;所述降雨量分析模块可由厂区范围的总汇水面积、径流系数及厂区平均降雨强度、平均降雨历时、初期雨水收集量等参数分析计算降雨过程中厂区雨水径流总量,还可对比分析其与所设流量计过水流量的大小,从而判定企业是否存在偷排行为。当监控到企业偷排时,将自动启动报警装置,并开启水样自动采集器对偷排废水进行留样保存,以备后续监测分析。通过对企业厂区雨水管网水量监控有效防范企业偷排行为,具有制造成本低、性能稳定、自动化水平高等优点,能有效提高环境监管部门对企业偷排行为的监管力度。

标签:
废水处理
江苏 - 南京 来源:北方有色网 2023-03-19
磁混凝-膜电容去离子技术一体化的工业废水处理系统

本发明公开了磁混凝‑膜电容去离子技术一体化的工业废水处理系统,包括进水管、进水泵、磁混凝系统、第一蠕动泵、膜电容去离子系统,磁混凝系统通过进水管与待处理废水池连通,进水泵设置在进水管上,经磁混凝系统处理后的液体在第一蠕动泵的作用下导入膜电容去离子系统。本发明通过磁混凝与膜电容去离子组件的组合,有效避免了进水中悬浮物及有机物黏附于电容去离子装置的阴阳离子交换膜和电极上,从而保证了膜电容去离子装置的脱盐处理效果,操作简单并且实现了水中污染物的有效去除,具有低耗能、膜污染率低、操作简单等优点。

标签:
废水处理
江苏 - 南京 来源:北方有色网 2023-03-19
用于工业废水深度处理的基于规整蜂窝陶瓷碳载体的掺杂型臭氧催化剂及其制备方法

本发明公开了一种用于工业废水深度处理的基于规整蜂窝陶瓷碳载体的掺杂型臭氧催化剂及其制备方法。该规整型臭氧催化剂以经过预烧和研磨的150~500目Al2O3粉末与150~500目木粉以特定比例混合,以羟丙基甲基纤维素、聚乙二醇和硝酸镝、硝酸钼水溶液为成型助剂,经和膏、炼泥、挤出成型、干燥、真空烧结、蒸汽活化等工序制备而成。该催化剂可强化臭氧催化氧化过程中水中有机污染物和臭氧的富集传质,提升催化效率,同时以氧化铝陶瓷为骨架,解决了活性炭在催化氧化过程中,因材料强度下降出现的破损流失。本发明的规整型臭氧催化剂处理效率高,运行成本低,装填检修方便,应用于废水深度处理,强化臭氧氧化效果,提高脱色率和COD去除率。

标签:
废水处理
江苏 - 南京 来源:北方有色网 2023-03-19
动物提取工业废水的处理装置

本实用新型涉及一种动物提取工业废水的处理装置,包括:纳滤膜,用于对肝素钠废水进行过滤处理;酶解罐,连接于纳滤膜的浓缩侧,用于对纳滤膜中得到的浓缩液进行酶解处理;第一浓缩装置,连接于酶解罐,用于对酶解得到的酶解液进行浓缩处理;干燥装置,连接于第一浓缩装置,用于对第一浓缩装置得到的浓缩液进行干燥处理;第二浓缩装置,连接于纳滤膜的渗透侧,用于对纳滤膜中渗透侧得到的盐水进行浓缩处理;第三浓缩装置,连接于第二浓缩装置的浓水侧,用于对第二浓缩装置得到的浓水进行浓缩得到回收盐;生化处理单元,连接于第二浓缩装置的淡水侧,用于对第二浓缩装置的淡水进行生化处理。

标签:
废水处理
江苏 - 南京 来源:北方有色网 2023-03-19
塔式工业废水处理器布水装置

本实用新型提供了一种塔式工业废水处理器布水装置,涉及废水处理技术领域,包括:塔身;所述塔身为矩形结构,且塔身左端面安装有两个喷头,并且塔身右端面也安装有两个喷头;所述塔身内壁前端面和内壁后端面之间安装有两根辅助杆。因辅助板顶端面左侧呈线性阵列状焊接有凸起,且辅助板顶端面右侧呈线性阵列状焊接有凸起,且凸起组成了喷头处喷出液体的阻挡结构,也就降低了液体的流动速度,进而也就保证了液体能够均匀的通过矩形阵列在状开设的通孔处流下,解决了在喷淋分解液体的时候,不能够通过排布实现分解液体均匀的与塔身内的污水接触,导致了分解液体对废水的分解效率降低,也就降低了处理效率的问题。

标签:
废水处理
江苏 - 南京 来源:北方有色网 2023-03-19
工业废水处理用的除泥装置

本实用新型涉及废水处理装置,具体涉及一种工业废水处理用的除泥装置,包括絮凝槽、排污管道、第一阀门,过滤槽、过滤筐、抽气口、排水管道、抽气机、管道,过滤网膜;絮凝槽底部连接有排污管道,排污管道为可伸缩管道;过滤槽的顶盖上设置有过滤筐,过滤筐的高度等于过滤筐的下沉深度,过滤筐的筐眼均在过滤槽内,过滤槽底部设置有排水管道,排水管道上设置有第二阀门,过滤槽的侧面设置有抽气口,抽气口通过管道与安装在过滤槽外面的抽气机连接;过滤网膜放置在过滤筐上,将过滤筐的筐眼全部覆盖。与现有技术中的除泥装置相比,具有结构简单、除泥效率高、经济节约等优点。

标签:
废水处理
江苏 - 南京 来源:北方有色网 2023-03-19
高盐高浊工业废水零排放系统

本实用新型公开了一种高盐高浊工业废水零排放系统,包括沿废水流经方向依次连通的进水水箱、絮凝沉淀系统、砂滤装置和电吸附系统;其中,电吸附系统包括若干个连通的电容去离子装置;还包括反冲洗系统和热蒸发结晶系统;反冲洗系统与砂滤装置和电容去离子装置连通,对砂滤装置和电容去离子装置进行反冲洗处理;热蒸发结晶系统与砂滤装置和电容去离子装置连通,对砂滤装置和电容去离子装置进行反冲洗后的浓水进行热蒸发处理。本实用新型能够实现快速、高效的脱盐除浊,整套系统能稳定运行,能耗低。

标签:
废水处理
江苏 - 南京 来源:北方有色网 2023-03-19
含重金属离子工业废水处理工艺及装置

本发明属于水处理技术领域,具体涉及一种含重金属离子工业废水处理工艺及装置。包括强化预处理工艺及装置和吸附处理工艺及装置两部分,所述强化预处理装置包括顺序连接的原水桶、反应沉淀池和过滤塔;所述吸附处理装置包括顺序连接的中间水池、吸附塔和清水池。所述过滤塔内的滤料由石英砂、无烟煤、鹅卵石、活性炭或沸石等组成,吸附塔内的填料是水凝胶吸附材料。本发明应用聚合物水凝胶吸附剂和固定床技术,可有效降低水体中重金属离子浓度。用酸液对吸附后的水凝胶进行脱附,可使吸附材料循环利用,节约废水处理成本。本发明装置结构简单,占地面积小,设备紧凑简洁,易操作,可充分保证出水的水质与稳定性。

标签:
废水处理
江苏 - 南京 来源:北方有色网 2023-03-19
用于工业废水处理的微电解规整填料装置

本实用新型具体涉及一种用于工业废水处理的微电解规整填料装置,包括长方体外壳,财付通长方体外壳中设置平行插入的多孔铸铁电极板;每个多孔铸铁电极板表面设置10*10个通孔;平行放置的所有多孔铸铁电极板相对应通孔在同一条直线上;其中有一部分的通孔中插入同一根碳棒;插入通孔中的碳棒的个数为19根。长方体外壳中还设置网状不锈钢板;所述网状不锈钢板插在靠近净化水出水口的右端;且与多孔铸铁电极板大小相等且平行。长方体外壳顶端位于废水进水口的上面设置酸碱投放口;所述长方体外壳顶端位于净化水出水口的上面设置碱投放口。经过本装置整改良后的填料具有表面积大、比重轻、活性强、电流密度大、作用水效率高等优良特点。

标签:
废水处理
江苏 - 南京 来源:北方有色网 2023-03-19
工业废水中难降解有机物高效消减装置

本实用新型公开了一种工业废水中难降解有机物高效消减装置,其涉及污水处理领域,旨在提高现有废水处理装置的药品投放效率,消减装置包括反应腔室、进液管和出液管、加药装置,出液管和进液管上均设置有输液泵,加药装置包括架设在反应腔室外顶壁上的储药盒、设置在储药盒底端出药口的出药通道、设置在出药通道远离储药盒一端的下药通道以及转动设置在出药通道进药端和出药端侧壁间的基轴和设置在基轴周壁上的螺旋推片,出药通道上设置有驱动基轴转动的驱动装置,下药通道的下药端延伸进反应腔室内,下药通道的内侧壁上设置有用于封闭或开启下药通道的下药组件。本实用新型可以实现向反应腔室内的自动加药,提高消减效率。

标签:
废水处理
江苏 - 南京 来源:北方有色网 2023-03-19
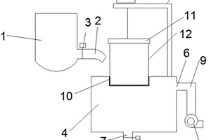
工业废水消毒池
工业废水消毒池 988     
 0

本实用新型属于废水处理技术领域,尤其为一种工业废水消毒池,包括消毒池本体,消毒池本体的一侧安装有输水管,消毒池本体的内部设置有搅拌机构;启动底部的驱动电机,驱动电机带动传动轴而带动搅动叶片转动,而两组驱动电机内部的三相绕组接法相反,使得两组传动轴的旋转方向相反,在两组传动轴上搅动叶片的扇动配合下形成对流,有效的增加了对流位置处的废水与消毒液的接触时间,进而提高消毒效率;启动减速电机,减速电机带动螺纹杆转动,由于螺纹杆的螺纹面与定位架的螺纹孔相适配,在螺纹杆与定位架螺纹传动的配合下,使得定位架可沿着水平方向进行移动,使得限位板表面插接的清洁刷对消毒池本体的内壁面反冲刷并完成清洁。

标签:
废水处理
江苏 - 南京 来源:北方有色网 2023-03-19
工业废水处理高浓度氨氮旋风装置

本实用新型公开了一种工业废水处理高浓度氨氮旋风装置,包括旋转通道,所述旋转通道外部中心活动连接有连接环一,所述旋转通道顶部中心开设有进液口,所述连接环一顶部活动连接有进液管,所述进液管顶部固定连接有连接盘一,所述旋转通道外部两侧活动连接有连接环二,所述连接环二底部固定连接有喷洒管,所述喷洒管底部固定连接有雾化喷头。本实用新型通过设置旋转通道,旋转电机可以带动旋转通道进行旋转工作,在氨氯吹落时,利用循环水泵循环喷淋,使废水自上而下,由于喷淋孔径1.5‑2mm,表面积小,通过旋风装置将喷淋水打散成雾状,表面比原来大100倍左右,使氨氯吹落时去除率由80%提高到90%以上。

标签:
废水处理
江苏 - 南京 来源:北方有色网 2023-03-19
含有较多杂质的工业废水处理装置

本实用新型公开了一种含有较多杂质的工业废水处理装置,包括处理箱和过滤箱,过滤箱设置在处理箱的顶部,处理箱内设有搅拌机构,过滤箱的顶部开设有进水口,过滤箱内设有过滤机构;过滤机构包括设置在过滤箱内的过滤板和在过滤箱内相对立的两侧内壁上开设的滑槽,过滤板的两侧外壁均一体成型有在滑槽上下滑动的滑块,且滑块的底部均固定连接有复位弹簧。本实用新型中,通过上拉导杆带动过滤板向上运动,然后通过刮板将过滤板顶部的杂质刮除,从而方便清理过滤板上的杂质,避免过滤板堵塞,保障对废水的过滤效果;并且可通过复位弹簧伸缩,带动过滤板底部的撞击块与撞击板相触碰,将过滤板小孔内的杂质通过撞击去除,提高清理效果。

标签:
废水处理
江苏 - 南京 来源:北方有色网 2023-03-19
工业园区废水处理系统
工业园区废水处理系统 1066     
 0

本发明公开了一种工业园区废水处理系统,包括沉淀箱,沉淀箱的内部设有沉淀腔,沉淀箱的侧壁贯穿设有与沉淀腔相互连通的第一连接管,沉淀箱远离第一连接管的一端侧壁贯穿设有与沉淀腔相互连通的第二连接管,第二连接管远离沉淀箱的一端侧壁连接有搅拌箱,搅拌箱的内部设有搅拌腔,第二连接管贯穿搅拌箱的侧壁并延伸至搅拌腔内,搅拌箱的上端侧壁贯穿设有两个搅拌杆,两个搅拌杆的下端均贯穿搅拌箱的上端侧壁并延伸至搅拌腔,两个搅拌杆位于搅拌腔内的一段外侧壁均设有多个固定装置。本发明结构设计合理,操作简单,能够对废水进行充分处理,从而保证处理后的废水能够正常排放。

标签:
废水处理
江苏 - 南京 来源:北方有色网 2023-03-19
工业园区废水排放污染物智能化监控方法

本发明公开了一种工业园区废水排放污染物的智能化监控方法,该方法集污染物在线测量、排放总量科学计量、排污异常情况实时监控于一体,选用准实时的在线测量仪表,对工业园区内污水排放情况实现在线实时监控,不仅解决化学药剂方法存在的采样间隔时间长、难以进行污染物浓度实时监测及污染物排放总量的科学测量与计算,因而无法有效监测与监管排污企业超排、偷排行为的缺陷,而且能够对排污过程中出现的异常情况采取及时报警、关闭超限排污管道等措施,从而有效地保障工业园区污水集中处理厂安全可靠的运行,特别适合对工业园区企业污水排放的实时监控及排污总量的科学测量计算。

标签:
废水处理
江苏 - 南京 来源:北方有色网 2023-03-19
冶金工业高盐废水的处理方法

本发明涉及一种冶金工业高盐废水的处理方法,首先将高盐废水电解,然后将电解后的高盐废水过滤,往滤液中加入2‑5wt%的去除剂后搅拌均匀,最后过滤,即可;所述去除剂由聚合硫酸亚铁、聚合硫酸铝、高锰酸钾按重量比1:0.2‑0.6:0.8‑1.5组成。本发明的处理方法工艺简单,操作方便,反应时间短,去除COD和总磷的效率高,COD可以去除至50mg/L以下,总磷能除到1mg/L以下。

标签:
废水处理
江苏 - 南京 来源:北方有色网 2023-03-19
工业清洗废水的零排放处理工艺

本发明涉及一种工业清洗废水的零排放处理工艺,属于水处理技术领域。为了解决在对硅片表面去除硅片表面的污染物和自身氧化物的过程中所产生的大量废水无较好的处理方法的问题,本发明公开了一种对清洗废液的处理方法,本方法一方面能够有效地回收其中的硅粉等固体,另一方面,能够有效地对清洗液中的有效成分进行回收利用,同时,也能实现整个清洗液的零排放的效果。

标签:
废水处理
江苏 - 南京 来源:北方有色网 2023-03-19
含金属离子的工业废水处理方法

本发明公开了一种含金属离子的工业废水处理方法,包括以下步骤:步骤一,活性基碳的制备:将生物炭先送入到氨水中,然后向其中加入氯化镝、氯化镧,然后先以500‑1000r/min的转速搅拌20‑30min,随后再加入1‑5mol的高锰酸钾,继续以100‑200r/min的低转速搅拌3‑6h,搅拌结束、离心、洗涤、过滤,得到活性基碳。本发明活性基碳采用生物炭作为基料,生物炭具有疏松多孔结构,孔隙度较多,在氨水中经过氯化镝、氯化镧可被激发活化,增强生物炭的吸附效果,添加的高锰酸钾具有氧化性,可对生物炭进行养护,目的是提高活性基碳在废水中的稳定性,活性基碳配合膨润土可起到协配效果。

标签:
废水处理
江苏 - 南京 来源:北方有色网 2023-03-19
基于人工智能的工业废水处理系统与方法

一种基于人工智能的工业废水处理系统与方法,以实现提高费效比、降低成本、减少碳排放、节约药剂等效果,所述系统包括,(1)废水分析模块;(2)废水处理选型模块;优选的,还可以包括可选的模块,例如(3)数据分析系统;(4)虚拟现实或增强显示模块;(5)计算机模拟计算模块。

标签:
废水处理
江苏 - 南京 来源:北方有色网 2023-03-19
用于工业高盐废水的脱盐机构

本实用新型提供一种用于工业高盐废水的脱盐机构,脱盐罐的下侧位置经由固定杆与底座相固定,底座经由螺栓穿过与地面相固定,脱盐罐的上侧位置设置有蒸发出口管,脱盐罐上端的侧面位置设置有进液管,且进液管延伸至脱盐罐的内部,脱盐罐侧面的下侧位置设置有出液管,脱盐罐的底部位置设置有脱盐管,脱盐罐下侧的中间位置连接固定有驱动电机,处于结晶状态的废水积聚在脱盐罐内部的底部位置,通过驱动电机的转动带动搅动结构进行旋转,进而可以将脱盐罐内部处于结晶状态的废水经由脱盐管排出,而通过将清洗水液经由喷淋架喷洒出来,通过喷淋架则可以对脱盐罐的底部端面进行清洗。

标签:
废水处理
江苏 - 南京 来源:北方有色网 2023-03-19
工业废水中易挥发有机物处理装置

本实用新型涉及环保设备技术领域,尤其是一种工业废水中易挥发有机物处理装置,包括底座,底座的上表面从左向右依次设置有蒸发箱体和冷凝箱体,蒸发箱体两侧下部分别设置有进水管和出水管,蒸发箱体两侧中部对称固定连接有驱动电机,两个驱动电机的主轴贯穿蒸发箱体外侧套设有搅拌扇叶,蒸发箱体内壁上部对称设置有支撑板,支撑板上方设置有安装板,安装板上表面中部开设有通槽,安装板下方设置有加热管,进气管出气口处螺纹连接有防回流机构,冷凝箱体内腔固定设置有第一分气板,第一分气板内穿设有冷凝管。本实用新型具有对工业废水中易挥发有机物具有良好的降解功能,避免了易挥发有机物对人员环境的损害。

标签:
废水处理
江苏 - 南京 来源:北方有色网 2023-03-19
利用烟道废气处理工业脱硫废水的设备及方法

本发明公开一种利用烟道废气处理工业脱硫废水的设备,包括依次通过管道连通的初沉池、曝气池、碱性调节池、电絮凝装置、软化曝气池、过滤装置、活性炭过滤器、纳滤膜、反渗透处理装置、树脂交换装置和双极膜装置。本发明利用工厂、电厂烟气排放中的二氧化碳处理脱硫废水,达到去除硬度的效果,又利用脱硫废水工艺去除废气中的二氧化碳,实现降低碳排放,同时达到净化工厂废水和废气的目的,具有良好的推广前景和应用价值。

标签:
废水处理
江苏 - 南京 来源:北方有色网 2023-03-19
上一页 130 131 132 133 134 ... 140 下一页
共140页    到第

北方有色为您提供最新的江苏南京有色金属废水处理技术理论与应用信息,涵盖发明专利、权利要求、说明书、技术领域、背景技术、实用新型内容及具体实施方式等有色技术内容。打造最具专业性的有色金属技术理论与应用平台!

全国热门有色金属设备推荐
展开更多 +
全国热门有色金属技术推荐
展开更多 +

 

江西省隆恩特环保设备有限公司
宣传

报名参会
更多+

报告下载

有色专家
更多+

中国矿业大学
教授
矿冶科技集团有限公司
党委书记 / 董事长
中南大学
中国工程院 院士
广东省科学院资源利用与稀土开发研究所
教授
湖南有色金属研究院
教授级高工/原总工程师
赤泥综合利用研究报告2025
推广

热门技术
更多+

推荐企业
更多+

福建省金龙稀土股份有限公司
宣传

发布

在线客服

公众号

电话

顶部
咨询电话:
010-88793500-807