青岛垚鑫智能科技有限公司
宣传

位置:中冶有色 >

有色技术频道 >

> 废水处理技术

分类:
全部
矿山技术
冶金技术
材料制备及加工技术
环境保护技术
分析检测技术
 
全部
废水处理技术
大气治理技术
固/危废处置技术
土壤修复技术
地区:
全部
北京
天津
上海
重庆
河北
山西
辽宁
吉林
黑龙江
江苏
浙江
安徽
福建
江西
山东
河南
湖北
湖南
广东
海南
四川
贵州
云南
陕西
甘肃
青海
内蒙
广西
西藏
宁夏
新疆
其他
其他
展开
 
全部
南京
无锡
徐州
常州
苏州
南通
连云港
淮安
盐城
扬州
镇江
泰州
宿迁

江苏南京有色金属废水处理技术理论与应用

免费发布技术信息>>
工业浓盐废水深度处理系统

本实用新型涉及废水处理相关设备技术领域,尤其为一种工业浓盐废水深度处理系统,包括过滤箱,所述过滤箱的一侧设有净化箱,所述净化箱的内部设有净化空腔,所述净化空腔内设有除垢装置,所述除垢装置包括固定安装在所述净化空腔底壁上的固定盘,所述固定盘的上方设有除垢盘,所述除垢盘的上表面紧密粘接有除垢筒,每个所述环形槽内均安装有密封机构,所述密封机构包括设置在所述环形槽内的两个相互对称的密封盘,每个所述密封盘上均设有若干个复位弹簧,本实用新型通过设置的除垢装置,实现对电解反应器表面的污垢进行处理,解决了一般的净化处理装置,其内壁上容易积累污垢,且不容易清除,导致净化效果差的问题。

标签:
废水处理
江苏 - 南京 来源:中冶有色网 2023-03-19
处理工业脱硫废水的系统

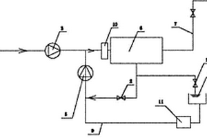
本实用新型公开一种处理工业脱硫废水的系统,包括通过管道依次连接的脱硫废水预处理装置、分盐浓缩装置和双极膜装置(包括盐室、酸室、碱室);脱硫废水与脱硫废水预处理装置的进口连接;分盐浓缩装置包括清水箱、纳滤分盐装置、高压反渗透装置和树脂交换装置,脱硫废水预处理装置的出水合格后经过输水泵流到清水箱备用;树脂交换装置的出口与双极膜装置盐室进口连接;双极膜装置的酸室、碱室出口连接酸箱和碱箱,产物用于本系统和其他工艺使用。本系统运行维护成本低,降低脱硫废水的处理成本,实现了低能耗、环保、高效的效果。

标签:
废水处理
江苏 - 南京 来源:中冶有色网 2023-03-19
工业废水芬顿药剂自动添加装置

本实用新型公开了一种工业废水芬顿药剂自动添加装置,包括储料罐,所述储料罐内部固定连接有出料管,所述储料罐内部活动连接有挤压板,所述挤压板顶部固定连接有连接板,所述连接板外部远离储料罐的一端固定连接有移动齿条,所述固定座外部固定连接有连接杆二,所述连接杆一和连接杆二外部固定连接有反应釜。本实用新型通过设置连接板、挤压板和移动齿条,可以通过旋转电机带动移动齿条进行移动,旋转电机内部设置有PLC可编程程序,通过编辑旋转电机内部的PLC可编程程序,从而通过自动程序添加装置将药剂添加量与进水量联动,确保药剂稳定添加,使废水处理效果非常稳定,使得本装置废水处理效果非常稳定。

标签:
废水处理
江苏 - 南京 来源:中冶有色网 2023-03-19
工业废水高效预处理装置

本实用新型公开了一种工业废水高效预处理装置,具体包括:主体单元,包括壳体,所述壳体顶部设有进料组件,所述壳体底部设有支撑组件;搅拌单元,包括电机和加速组件,所述电机设置在壳体顶壁上,所述电机输出端上固定连接有转轴,所述转轴上固定连接有多个第一搅拌杆,所述加速组件设置在壳体内部用于加速壳体内的废水进行反应;给排水单元,包括进水管和出水管,所述进水管固定穿插在壳体顶部,所述出水管固定穿插在壳体底部。本实用新型启动电机,使得转轴转动,带动第一搅拌杆转动,对废水进行搅拌,同时转轴的转动,带动连接板进行转动,使得齿轮转动,带动第二搅拌杆转动,对壳体内的废水进行更加充分的搅拌,加速其反应。

标签:
废水处理
江苏 - 南京 来源:中冶有色网 2023-03-19
脱硫工业废水处理设备
脱硫工业废水处理设备 1012     
 0

本实用新型公开了脱硫工业废水处理设备,包括主体,主体内设有电渗析器,所述主体的顶部固定连接有蓄电池,所述蓄电池的下表面且靠近左右侧边缘处均固定连接有电极,所述电极的一端远离蓄电池的下表面延伸至主体的内部,所述主体的底部固定连接有排水管,所述排水管的内部活动连接有闸门,所述排水管的内侧壁且位于闸门的下方固定连接有活性炭,所述主体的内部且靠近顶部边缘处固定连接有电机,所述电机的输出端固定连接有丝杆,所述丝杆的一端远离电机的输出端固定连接有轴承,所述轴承的外表面与主体的内底部固定连接。本实用新型,该装置结构简单合理,有效地提高废水的处理效率,有利于提高废水的处理指标。

标签:
废水处理
江苏 - 南京 来源:中冶有色网 2023-03-19
采用管式微滤膜去除工业用水及废水中硅化物的系统

本实用新型涉及工业废水回用处理领域,尤其是一种运用管式微滤膜去除工业用水及废水中硅化物的系统,包括反应槽、浓缩槽、管式膜组件、过滤水槽、污泥贮槽和板框压滤机;所述反应槽与待处理进水口连通,出水口与浓缩槽的进水口连通,反应槽内设置有机械搅拌装置及pH值监测装置;浓缩槽的出水口与管式膜组件的进水口端连通;所述管式膜组件上设置有滤水出口端及浓水回流端,滤水出口端与过滤水槽连通;浓水回流端与管式膜组件的进水口端连通,浓水回流端设置有污泥浓缩液排放管路,污泥浓缩液排放管路与污泥贮槽连通;所述污泥贮槽后方设置有板框压滤机,板框压滤机的脱离水出口与反应槽连通。

标签:
废水处理
江苏 - 南京 来源:中冶有色网 2023-03-19
工业废水的预处理装置

本发明涉及一种工业废水的预处理装置,包括海绵铁电化学还原装置、高铁酸盐化学氧化装置、电化学降解装置;海绵铁电化学还原装置、高铁酸盐化学氧化装置均为两个;废水进水口与第一电化学降解装置和第一海绵铁电化学还原装置管道相连;第一电化学降解装置的出水口与第二海绵铁电化学还原装置的入水口管道相连;第一海绵铁电化学还原装置的出水口与第二电化学降解装置的入水口管道相连;第二电化学降解装置的出水口和第二海绵铁电化学还原装置的出水口都与电化学降解装置的入水口管道相连。本装置将海绵铁电化学还原高铁酸盐化学氧化和BDD电化学降解三种工艺进行联用,能够对废水起到全面的处理的作用。

标签:
废水处理
江苏 - 南京 来源:中冶有色网 2023-03-19
处理工业废水的反渗透装置

本实用新型公开了一种处理工业废水的反渗透装置,它包括有反渗透装置、将废水通入所述反渗透装置的高压泵、与所述反渗透装置的出水口相通的收水箱、与所述反渗透装置的排水口相通的浓水池,所述浓水池上设有连接至反渗透装置进水口的回流管,其中所述反渗透装置内的反渗透膜的下方设有喷射式曝气管,在所述反渗透装置的进水口处安装有不锈钢格栅,在所述浓水池与所述反渗透装置进水口之间的回流管上设有沙石过滤器。本装置能延长反渗透膜的使用寿命,有效地减缓了反渗透膜面的污染,提高废水的处理效率。

标签:
废水处理
江苏 - 南京 来源:中冶有色网 2023-03-19
用于工业废水的水处理装置

本实用新型公开了一种用于工业废水的水处理装置,包括处理箱、一级清洗机构、二级清洗机构和抽液机构,所述处理箱的内壁连接有一级清洗机构和二级清洗机构,且一级清洗机构设置在二级清洗机构的上方,所述处理箱的两侧分别连通有两组与一级清洗机构和二级清洗机构适配的出料机构;所述处理箱的底端连通有抽液机构,所述处理箱的底端焊接有四组矩形阵列排列的支撑腿,支撑腿的底端焊接有具有制动能力的滚轮;所述一级清洗机构和二级清洗机构均包括过滤架、直线往复电机和毛刷,所述处理箱的两组侧面分别焊接有两组连接过滤架的支撑板。该用于工业废水的水处理装置,不仅能够进行二级过滤,还能对过滤网和过滤物进行处理。

标签:
废水处理
江苏 - 南京 来源:中冶有色网 2023-03-19
生物工业园用废水净化处理设备

本发明涉及废水净化技术领域,尤其涉及一种生物工业园用废水净化处理设备,包括废水净化罐,废水净化罐上部连通有投料罐以及过滤罐,投料罐内部上下边均通过滚珠轴承转动连接有同一竖直设置的导料管,并在该导料管顶端连通旋转密封接头废水净化罐一侧设置有安装平台,该安装平台上基面设置有往复齿轮盘,废水净化罐内底部设置有推料筒,推料筒上部设置有下料斜板,该推料筒靠近废料提升罐端上部开设有开口,推料筒的一端与废料提升罐靠近底端侧壁连通。本发明启动第二伺服电机,第二伺服电机输出轴将驱动提升螺旋板旋转,进而能够将该沉淀下来的物料进行提升,能够及时对废水净化罐内部进行清理,保证不会堆积堵塞,具有良好的实际使用效果。

标签:
废水处理
江苏 - 南京 来源:中冶有色网 2023-03-19
用于处理工业废水的高效反应器

本实用新型公开了一种用于处理工业废水的高效反应器,涉及污水处理技术领域,为解决现有技术中的普通用于工业废水的高效反应器,沉淀后的污泥中还是会含有大量的水分,直接排出后会流失大量水资源的问题。所述高效反应器的下方设置有污泥输送管,所述污泥输送管的内部设置有转轴,所述转轴的外侧设置有蛟龙盘,且蛟龙盘与转轴焊接连接,所述污泥输送管的一端设置有压缩管道,所述压缩管道的管壁上设置有毛细孔,所述压缩管道的一端设置有排污管,所述排污管的外侧安装有阀门,且阀门与排污管固定连接。

标签:
废水处理
江苏 - 南京 来源:中冶有色网 2023-03-19
便于维护更换的工业废水用地埋管道

本实用新型公开了一种便于维护更换的工业废水用地埋管道,包括管道主体,所述管道主体的两端之间设有连接结构,所述管道主体的内侧设有副管结构,所述连接结构包括有第一连接头、第一凹槽、第二凹槽、第二连接头和连接槽,所述第一连接头固定连接在管道主体的一端,所述第一凹槽开设在管道主体的外部靠近第一连接头的一侧,所述第二连接头固定连接在管道主体的另一端。本实用新型所述的一种便于维护更换的工业废水用地埋管道,具备便于拼接的功效,方便安装、拆卸、更换,同时也提高了拼接后的密封性,其次,便于向管道内均匀投放清洁药剂,便于定时对管道内壁进行处理,提高后期维护的便捷性。

标签:
废水处理
江苏 - 南京 来源:中冶有色网 2023-03-19
用于工业废水的循环治理装置

本实用新型涉及废水治理装置技术领域,具体是一种用于工业废水的循环治理装置,包括箱体,箱体顶部两侧对称固定连接有连接杆,连接杆顶部固定连接有驱动电机,箱体顶部固定开设有转槽,转槽中转动连接有转盘,转盘顶部与驱动电机输出轴固定连接,转盘上对称贯穿连接有连接轴,连接轴顶部固定连接有传动齿轮,转盘顶部固定连接有环板,环板内周壁固定连接有传动齿,传动齿与传动齿轮啮合连接,连接轴外周壁上固定连接有搅拌叶,箱体顶部一侧固定连接有进料管,箱体底部设置有排料组件,连接轴外周壁上固定连接有横板,本实用新型能够提高搅拌效率,且保障处理后的废水能够正常排放。

标签:
废水处理
江苏 - 南京 来源:中冶有色网 2023-03-19
工业废水重金属离子处理设备

本实用新型公开了一种工业废水重金属离子处理设备,包括氯离子吸附罐、超滤膜、中间水箱、吸附浓缩系统、水箱和电镀废水收集池,所述氯离子吸附罐、超滤膜、中间水箱、吸附浓缩系统、水箱依次连通,所述废水收集池内的废水通过提升泵输入氯离子吸附罐中,所述超滤膜的出水口与中间水箱连通且中间水箱内的废水通过提升泵输入吸附浓缩系统。本实用新型提供的重金属废水处理设备,能有效去除废水中的杂质及钠离子且浓缩的浓度达到回用镀槽标准且不影响镀液成分,而且除浓缩的水能优于自来水水质而回用电镀清洗线,达到废水的零排放。

标签:
废水处理
江苏 - 南京 来源:中冶有色网 2023-03-19
含氟含硝态氮工业废水的处理系统和处理方法

本发明公开了一种含氟含硝态氮废水的处理系统和处理方法,属于废水处理技术领域。该处理系统和方法首先将一般废水用超滤和反渗透系统分离成含氟含硝态氮浓水和清水,然后将含氟含硝态氮浓水与强酸性废水混合后导入反硝化池,经反硝化脱氮和化学沉淀法除氟后出水达标排放。本发明所采用的方法能够有效减小生化和化学沉淀废水量,使废水池占地面积减少,固定投资成本降低;另外加碱沉淀单元放置于生化反应单元之后,充分利用了反硝化反应的耗酸增碱作用,降低了传统工艺中除氟需大量加碱和反硝化过程需大量加酸的处理成本,适于工业化应用。

标签:
废水处理
江苏 - 南京 来源:中冶有色网 2023-03-19
管式微滤膜工业废水回用处理设备及工艺流程

本发明涉及一种采用管式微滤膜进行污水过滤的废水回用处理的设备及采用管式微滤膜处理工业废水的工艺流程,其包括废水浓缩槽、管式微滤膜组件机组、自动控制柜、冲洗水箱、清洗水箱、供水循环泵及清洗泵;所述管式微滤膜组件机组通过管路与废水浓缩槽固定连接,并构成水循环回路;所述水循环回路的入口处固定于废水浓缩槽的下端,入口处设置有供水循环泵,水循环回路的末端设置有浓缩回水管,浓缩回水管的出水口固定于废水浓缩槽的上端;所述管式微滤膜组件机组通过管路还与产水管连通;所述清洗水箱和冲洗水箱通过管路与管式微滤膜组件机组的废水入口端连通,在连通管路上设置有清洗泵;所述自动控制柜通过线路与固定连接于管路上的控制调节阀、控制和计量仪器构成电联接。

标签:
废水处理
江苏 - 南京 来源:中冶有色网 2023-03-19
工业铝生产废水的处理工艺

本发明公开了一种工业铝生产废水的处理工艺,包括以下步骤:步骤一,将废水先送入到沉降池内,随后加入双氧水、高锰酸钾按照重量比1:3混合的氧化剂,搅拌20‑30min,搅拌转速为200‑1000r/min,随后再加入木质素,然后再进行汽爆处理。本发明先通过双氧水、高锰酸钾对废水进行氧化处理,然后加入木质素,进行爆破处理,目的是增强氧化效果,便于对金属离子的降沉处理,然后再采用硅藻土、活性炭进行吸附沉淀,加入的纳米二氧化钛与60Cor辐射源照射协同处理,目的是为了进一步的增强硅藻土、活性炭的吸附效果,从而对非金属离子进一步的达到吸附效果。

标签:
废水处理
江苏 - 南京 来源:中冶有色网 2023-03-19
生产5-氯-2-硝基三氟甲苯产生的工业废水的资源化处理方法

本发明提供一种生产5‑氯‑2‑硝基三氟甲苯产生的工业废水的资源化处理方法,该方法条件温和,操作简单,安全性高。该方法包括以下步骤:将生产5‑氯‑2‑硝基三氟甲苯产生的废水和FSBA投入到容器中,废水与FSBA的投料质量比为1:(0.5~2);机械搅拌下,在30~100℃下反应1~24小时;冷却至室温,过滤,用盐酸洗涤滤饼,并向滤液中滴加盐酸,直至滤液pH值为2~3,静置结晶,过滤,得到3‑三氟甲基‑4‑硝基‑苯酚固体。

标签:
废水处理
江苏 - 南京 来源:中冶有色网 2023-03-19
锂电池工业生产废水的深度处理方法

本发明公开了一种锂电池工业生产废水的深度处理方法,属于废水处理技术领域,该方法是将经过水解酸化‑缺氧反应‑好氧反应处理后的锂电池生产废水引入膜生物反应池处理,出水喷洒于微生物‑植物复合床的表面,高分子生物填料组成的复合床迅速吸附其中有害物质,黄菖蒲和风车草通过光合作用将吸附的有害物质中的碳氢氧氮等元素转化为可生物降解的植物纤维,并产生氧气通过杆径传输到植物根区释放出来,填料上负载的和植物根系范围内植入的微生物,结合植物的生长和光合作用,通过微生物‑植物的复合降解作用,对有害物质进行消化和分解。本发明从整体上提高对N‑甲基吡咯烷酮及难降解的大分子物质的降解效率,而且能够有效节约成本。

标签:
废水处理
江苏 - 南京 来源:中冶有色网 2023-03-19
利用炼钢废渣降低工业废水硬度的方法

本发明提供一种利用炼钢废渣降低工业废水硬度的方法。本发明的方法包括如下步骤:将工业废水加入钢渣后进行澄清过滤,滤渣沉淀后进入储泥池,滤液再加入质量百分浓度为98%的浓硫酸,钢渣的加入量为20-30g/L,浓硫酸的加入量为:15-25mg/L。本发明采用炼钢所产生的废渣,这种炼钢所产生的废渣中含有大量的石灰,因为炼钢时添加了造渣剂(石灰),属于废物利用,并且炼钢废渣由于有大量空隙,故还有吸附功能(类似活性碳),能去除水中悬浮物,因此对水的净化更彻底。

标签:
废水处理
江苏 - 南京 来源:中冶有色网 2023-03-19
高浓度工业有机废水预处理系统

本实用新型涉及一种高浓度工业有机废水预处理系统。所述系统包括调节池、废水反应装置、臭氧发生装置、气液混合泵、微波紫外装置以及全自动H2O2投加装置,调节池的出水口连接废水反应装置,废水反应装置的第一出水口连接气液混合泵的进水口,气液混合泵的进气口连接臭氧发生装置,气液混合泵的出水口连接微波紫外装置的进水口,微波紫外装置的出水口连接废水反应装置,全自动H2O2投加装置通过阀门连接废水反应装置。本申请通过设置气液混合泵,将投加过氧化氢的废水和臭氧经过气液混合泵的充分混合,再流经微波紫外装置之后,进入废水反应装置,进行循环反应;提高了混合的均匀性,大大提高了废水处理的效果。

标签:
废水处理
江苏 - 南京 来源:中冶有色网 2023-03-19
可清淤的工业废水沉淀池

本实用新型公开了一种可清淤的工业废水沉淀池,包括箱体,所述箱体内腔的上端活动连接有抽屉,所述抽屉内腔的底部设置有滤网,所述箱体内腔的右侧固定连接有保护箱,所述保护箱的内腔通过支撑架固定连接有电机。本实用新型当箱体内腔底部淤积淤泥时,通过电机的输出轴带动螺纹杆转动,螺纹杆在转动的同时带动螺纹套向右侧运动,螺纹套带动连接杆向右侧运动,通过连接杆带动刮板和刷杆向右侧运动,同时开启阀门,然后通过刮板和刷杆向右侧运动的同时带动淤泥向右侧运动,最后通过排泥管将箱体内腔底部的淤泥排出,从而对淤泥进行清理,解决了现有的工业废水处理沉淀池由于水池底淤泥淤积严重,不便于对其清理的问题。

标签:
废水处理
江苏 - 南京 来源:中冶有色网 2023-03-19
防堵塞工业废水排水装置

本实用新型公开了工业废水处理技术领域的一种防堵塞工业废水排水装置,包括排水筒和盖板,排水筒中设有排水腔、出水管和环形腔,且环形腔包括上环腔和下环腔,上、下环腔中均设有多个备用连通组件,盖板的底面固定有二级过滤组件,本实用新型通过进水管进水,废水经过二级过滤组件的过滤,过滤效果好;当上滤板或下滤板出现堵塞时,排水腔的对应位置会逐渐积水,积水使封口塞移动,备用口打开,通过增加备用连通组件,有效避免排水筒堵塞、无法使用的问题;将盖板拆卸并向上移动,通过上、下滤板的作用,将废料从排水腔中推出,即可完成排水腔的废料清理,清理简单方便。

标签:
废水处理
江苏 - 南京 来源:中冶有色网 2023-03-19
工业废水连续高效陶瓷膜过滤设备

本实用新型提供一种工业废水连续高效陶瓷膜过滤设备,涉及工业废水过滤设备技术领域,包括过滤设备主体,所述过滤设备主体的顶部安装有盖板,所述盖板的顶部连通有进水口,所述过滤设备主体的底部一侧连通有排污口,所述过滤设备主体的内设置有板状陶瓷膜,所述板状陶瓷膜的底部设置有安装机构,所述板状陶瓷膜顶部设置有固定机构。本实用新型,通过设置的安装机构,通过对陶瓷膜的移动带动安装壳的移动的同时,通过活动杆带动斜块脱离或者进入安装壳内,完成对陶瓷膜的安装拆卸,便于操作人员使用清洁工具对陶瓷膜上窄小的水道进行深度清洗,一定程度上保证了陶瓷膜的清洁度。

标签:
废水处理
江苏 - 南京 来源:中冶有色网 2023-03-19
工业废水处理用超滤膜

本实用新型公开了一种工业废水处理用超滤膜,涉及工业废水处理技术领域,为解决现有技术中的超滤膜之间各层连接不够紧密,对其清洗再次利用时易发生各膜层之间的错位,导致超滤膜的过滤效果降低,使用寿命大大消减的问题。所述细管式滤膜有多个,多个所述细管式滤膜呈等距分布,所述细管式滤膜包括有过滤复合膜,所述过滤复合膜的内部设置有软胶固定柱,且软胶固定柱与多个,多个所述软胶固定柱呈阵列分布,所述过滤复合膜包括有表面活性层和聚酯纤维复合无纺布,所述表面活性层靠近聚酯纤维复合无纺布的一侧设置有渗透过渡层,所述渗透过渡层的另一侧设置有抗菌层,所述渗透过渡层与表面活性层和抗菌层贴合连接。

标签:
废水处理
江苏 - 南京 来源:中冶有色网 2023-03-19
用于狭窄厂区工业废水预处理的立式多格室水解池

本实用新型涉及一种用于狭窄厂区工业废水预处理的立式多格室水解池,包括外环壁、中环壁、内环壁、布水器和出水溢流槽。外环壁与中环壁之间构成第三格室,第三格室内设置有集水井,中环壁的底部设置有环流勾槽,环流勾槽的底部开设有第二出水口,中环壁与内环壁之间构成第二格室,内环壁的内部构成第一格室,内环壁的顶部一侧开设有第一出水口,内环壁与中环壁之间固定有挡板,布水器安装在第一格室的底部。本实用新型通过立式多格室水解池,将高负荷率、高净化效率的多格室水解原理得到延伸性应用,为后续好氧生物处理创造了良好的条件,达到了预处理和去除部分有机物的目标,特别适合于狭窄厂区工业废水的预处理。

标签:
废水处理
江苏 - 南京 来源:中冶有色网 2023-03-19
工业废水进水通道用取样装置

本实用新型公开了一种工业废水进水通道用取样装置,在进水通道两侧的通道侧壁上方设置2根横杆,横杆底部均通过若干个连接件与取样筒连接;取样筒为圆柱形结构,取样筒为100目以上过滤网制成;连接件下部设有弧形插口且弧形插口与取样筒相嵌合,连接件上部设有圆形插孔且圆形插孔下方设有矩形插孔;横杆穿过圆形插孔。本实用新型通过单层或者双层100目以上过滤网制成的取样筒,对进水通道的工业废水中夹杂的颗粒物质进行阻隔,取样设备在取样筒内进行取样,防止颗粒物质堵塞泵体,保证阶段性取样工作的顺利完成。

标签:
废水处理
江苏 - 南京 来源:中冶有色网 2023-03-19
酸性工业废水过滤净化处理一体化设备

本实用新型公开了一种酸性工业废水过滤净化处理一体化设备,包括过滤罐、过滤网、沉淀罐、滑套、冲头、集料箱和调节罐,所述过滤罐右上端设置有注水口,且注水口下方设置有导流板,所述过滤罐中间设置有过滤网,且过滤网左侧设置有排污口,所述过滤网左上方安装有传送带,且传送带外表面设置有第一刮板,并且传送带后方连接有第一电机,所述过滤罐通过第一泵体连接有沉淀罐,且沉淀罐上端安装有伺服电机。该酸性工业废水过滤净化处理一体化设备设置有滑套和转轴,在实际使用过程中,通过滑套带动转轴不断转动的同时,带动第二刮板进行上下移动,从而可快速的将沉淀罐内通过药物反应后沉积的有害物质快速的刮入集料箱内,增加了该装置的实用性。

标签:
废水处理
江苏 - 南京 来源:中冶有色网 2023-03-19
工业污废水泵站污水网管自动化投药设备

本实用新型公开了一种工业污废水泵站污水网管自动化投药设备,包括主体、主电机、电热棒、小型电机和弹簧,所述主体的内部四周分别开设有料仓和导热孔,所述主体的上方设置有上端盖,所述导热孔的侧壁镶嵌有导热块,所述主体的下表面螺栓安装有下端盖,且下端盖的四周开设有排料孔,所述主电机螺栓安装在下端盖的中部,所述挡板的外侧设置有限位块,且限位块螺钉安装在下端盖的下表面,所述限位块的内部安装有弹簧,且弹簧的末端与挡板相连接。该工业污废水泵站污水网管自动化投药设备设置有导热孔和导热块,在使用的过程中,两者配合着电热棒的使用,能将温度传递到相邻的料仓中,从而避免料仓内部药粉受潮的现象,增加装置的实用性。

标签:
废水处理
江苏 - 南京 来源:中冶有色网 2023-03-19
工业废水深度处理及回用的方法和装置

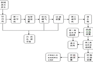
本发明公开了一种工业废水深度处理及回用的方法和装置,二级生化处理后的出水先进行高效好氧循环生物膨胀床水处理,以好氧生物反应塔为主体的生物反应进行水处理,从反应塔底部设有布水器进入反应器,利用反应器的布气装置,利用好氧床单元的轻质生物颗粒载体表面的微生物对进水生化处理,通过控制生物反应塔内液流上升速度达到需要的膨胀状态,进入滤池或压力滤池除去水中悬浮物,压力滤池出水达到深度处理要求。本发明的工艺按照水质优化原则,根据不同的回用目的和水质要求选择不同处理技术装置的有效组合。装置包括循环生物膨胀床、压力滤池和膜分理系统。进一步采用膜分离系统,可以满足不同回用水质的要求。

标签:
废水处理
江苏 - 南京 来源:中冶有色网 2023-03-19
上一页 131 132 133 134 135 ... 140 下一页
共140页    到第

中冶有色为您提供最新的江苏南京有色金属废水处理技术理论与应用信息,涵盖发明专利、权利要求、说明书、技术领域、背景技术、实用新型内容及具体实施方式等有色技术内容。打造最具专业性的有色金属技术理论与应用平台!

全国热门有色金属设备推荐
展开更多 +
全国热门有色金属技术推荐
展开更多 +

 

江西省隆恩特环保设备有限公司
宣传

报名参会
更多+

报告下载

有色专家
更多+

长春黄金研究院有限公司
总经理
江西理工大学
教授
中国有色金属工业协会
副会长兼秘书长
武汉科技大学
院长 / 教授
国家钨与稀土产品质量检验检测中心
主任
赤泥综合利用研究报告2025
推广

热门技术
更多+

推荐企业
更多+

福建省金龙稀土股份有限公司
宣传

发布

在线客服

公众号

电话

顶部
咨询电话:
010-88793500-807