青岛垚鑫智能科技有限公司
宣传

位置:中冶有色 >

有色技术频道 >

分类:
全部
矿山技术
冶金技术
材料制备及加工技术
环境保护技术
分析检测技术
 
全部
废水处理技术
大气治理技术
固/危废处置技术
土壤修复技术
地区:
全部
北京
天津
上海
重庆
河北
山西
辽宁
吉林
黑龙江
江苏
浙江
安徽
福建
江西
山东
河南
湖北
湖南
广东
海南
四川
贵州
云南
陕西
甘肃
青海
内蒙
广西
西藏
宁夏
新疆
其他
其他
展开
 
全部
其他

其他有色金属环境保护技术理论与应用

免费发布技术信息>>
混合需氧和厌氧废水和污泥处理系统和方法

本发明公开了具有低能消耗的处理废水的混合方法和系统。该处理系统具有吸着系统、消化或转化至少一部分来自吸着系统的固体或污泥的厌氧消化器以及部分地减小来自吸着罐的部分污泥的需氧量的需氧处理。

标签:
废水处理
其他 - 其他 来源:中冶有色网 2023-03-19
用于同时脱除碳、氮和磷的液-固流化床废水处理系统

由于规定越来越严格,旨在除去含碳基质、营养素和磷的废水处理中生物营养素脱除(BNR)近来在全世界越来越流行。可潜在地用于BNR处理的生物流化床(BFB)技术可提供一些优势,比如高效率和紧凑的结构。本发明在双液-固流化床(LSFB)中结合固定膜生物流化床技术和生物营养素脱除,以非常有效的方式实现了有机碳、氮和磷的同时消除,空间要求非常紧凑。BNR-LSFB具有两个流化床,按缺氧/厌氧和需氧过程运行,以实现同时硝化和脱硝,并脱除含碳基底、营养素和磷,通过缺氧/厌氧床和需氧床进行连续的液体和固体再循环。新的BNR-LSFB系统不仅是常规活性污泥型BNR技术的优异替代方案,也能处理高得多的负载并适合于工业应用。

标签:
废水处理
其他 - 其他 来源:中冶有色网 2023-03-19
用于焚烧废水的方法
用于焚烧废水的方法 768     
 0

用于改进废弃物焚烧的方法,所述废弃物包含于来自工业化学工艺的废水中。所述方法采用以下步骤:将含有废弃物的废水输送到还原腔室;将空气输送至还原腔室;将富氧空气输送至还原腔室,其中废弃物发生部分氧化;将部分氧化反应的产物输送到氧化腔室;以及将富氧空气输送到发生产物燃烧的氧化腔室。

标签:
废水处理
其他 - 其他 来源:中冶有色网 2023-03-19
电混凝反应器与废水处理方法

本发明提供一种电混凝反应器,其阳极与阴极分别连接至多个导电极上,导电极之间夹设铝感应电极与铁感应电极。铝感应电极与铁感应电极系集中设置或交错设置,可在短时间内有效处理废水,并避免电极钝化的问题。

标签:
废水处理
其他 - 其他 来源:中冶有色网 2023-03-19
将多种工业废物完全转化为可持续替代品和可用产品的过程

本发明涉及一种将多种工业废物完全转化为可持续替代品和可用产品的方法,其产生用于建筑工业中用于水泥制造的水溶性产品相似的化学石膏。发明人在不使用任何形式的能源的情况下,将多个行业的工业废物综合考虑其化学和物理性质。整个过程在环境温度下在晴朗的天空下进行。在上述两个示例性方法中,本发明人公开了一种方法,其包括以下步骤:将包含结晶石膏的老化干燥Jarofix的冶金惰性废物与新鲜生产的高锰酸钡或干/湿红泥机械混合,然后加入足够的酸性浓缩废水,火山灰性能增强剂和石灰处理。将多种废物混合后的干燥结晶化学石膏质量整体无残留使用。

标签:
废水处理
其他 - 其他 来源:中冶有色网 2023-03-19
用于增强废水处理过程的系统和方法

一种包括至少一个生物反应器的用于增强活性污泥法的系统。增重剂浸渍子系统连接至生物反应器,用于混合生物絮凝物和增重剂以将所述增重剂浸渍到所述生物絮凝物中,以形成增重的生物絮凝物。增重剂回收子系统配置为从增重的生物絮凝物中回收增重剂,并将回收的增重剂再次引入增重剂浸渍子系统。

标签:
废水处理
其他 - 其他 来源:中冶有色网 2023-03-19
含有机物的废水的处理方法及装置

提供一种含有机物的废水的处理方法及装置,其能够利用臭氧高效地分解并去除含有机物及无机碳酸的废水中的有机物。通过无机碳酸去除装置(3)对待处理水进行脱碳酸处理之后,添加过氧化氢,用喷射器(8)添加含臭氧的气体,并将水通入静态搅拌器(13),进行有机物的氧化处理。含臭氧的气体中的臭氧浓度A(g/Nm3)与流入该喷射器的水中的无机碳酸浓度B(g/L)之比A/B为500~1000。

标签:
废水处理
其他 - 其他 来源:中冶有色网 2023-03-19
含有机物废水的处理装置及处理方法

本发明在膜分离处理等深度处理前段进行生物处理、对含有机物废水进行处理时,通过减少生物处理工序所产生的生物代谢物质量,减少流入后段深度处理工序的有机物量,寻求深度处理的稳定化、高效化,高效地回收高水质的处理水。将包括酸生成槽(11A)和UASB反应槽(11B)的厌氧反应槽(11)的厌氧性生物处理水凝聚处理后,在NO.1沉淀槽(14)中进行固液分离。在曝气槽(21)内对所得分离水需氧性地进行生物处理,将需氧性生物处理水凝聚处理后,在NO.2沉淀槽(24)内进行固液分离。之后在作为深度处理装置的RO膜分离装置(40)内进行膜分离处理。通过在深度处理装置的前段进行厌氧性生物处理和需氧性生物处理和固液分离,将有机物充分地除去,使深度处理装置的处理稳定且高效。

标签:
废水处理
其他 - 其他 来源:中冶有色网 2023-03-19
处理废水的方法
处理废水的方法 713     
 0

本发明提供一种用于处理来自生产环氧丙烷的工业过程的废水的方法,该方法包括将废水在包含金属纳米颗粒掺杂的多孔碳珠粒的催化剂的存在下进行催化湿式氧化处理。

标签:
废水处理
其他 - 其他 来源:中冶有色网 2023-03-19
光致抗蚀剂显影废水的处理方法

本发明涉及一种光致抗蚀剂显影废水的处理方法,其使用RO装置,无须用碱剂来中和RO透过水,可防止或者抑制因粘泥引起的RO膜的阻塞,且可获得良好水质的RO膜透过水。其无须对光致抗蚀剂显影废水进行pH值调整,在与阳离子交换树脂接触后,通过MF膜装置等进行除浊处理,接着向逆渗透膜装置通水,获得膜透过水。

标签:
废水处理
其他 - 其他 来源:中冶有色网 2023-03-19
用于厌氧生物学地净化含固体的废水的反应器

本实用新型涉及一种用于厌氧净化废水,尤其是从造纸工业中排出的废气的反应器,该反应器包括一个反应容器、至少一根在所述反应容器的下部区域内布置的用于将待净化的废水输入所述反应器中的输入管、至少一根用于将已净化的水输出的输出管以及至少一根沉积物排出件,其中,所述反应容器具有至少一个向下逐渐变细的漏斗并且所述沉积物排出件位于所述漏斗的下端。在此应当由此实现沉积物选择性的输出,即,至少一根用于输送液体的输入管通入所述漏斗的下端。

标签:
废水处理
其他 - 其他 来源:中冶有色网 2023-03-19
用于流体化床结晶废水处理的散水器

一种用于流体化床结晶废水处理的散水器包含一进流管、一内管体、一球体阀、一外管体及一阀盖板。该内管体具有一开口,且该内管体结合于该进流管。该球体阀置放于该内管体的开口上,该外管体则套固于该进流管。另外,该阀盖板结合于该外管体。当流体输送于该进流管时,将该球体阀推离该内管体的开口,以形成该进流管的开启状态。当该进流管停止流体输送时,该球体阀落回于该内管体的开口上,以形成该进流管的关闭状态。本实用新型利用球体阀控制进流管的开启或关闭,减少发生垢物堆积或产生结晶体,且经由阀盖板进入清理该进流管的内部,清除该进流管内的积垢物、悬浮固体物或结晶体,解决了习知流体化床结晶废水处理设备的散水器堵塞的问题。

标签:
废水处理
其他 - 其他 来源:中冶有色网 2023-03-19
改性聚苯乙烯球形树脂及其用于净化废水的方法

一种吸附剂,以聚乙二醇接枝的聚苯乙烯球形树脂,其特征在于,聚苯乙烯树脂与1—10wt%的二乙烯基苯交联,聚乙二醇的含量在50wt%以上,并且聚乙二醇部分的分子量在500Da以上。另外,本发明公开了通过使用所述吸附剂,用于有效而快速除去染料工业废水中的染料、废水中所含重金属离子、废料沉积物中的表面活性剂、腐植物的方法。

标签:
废水处理
其他 - 其他 来源:中冶有色网 2023-03-19
使用固定在多孔性担体的微生物的废水/水处理的方法

本发明公开了一种使用固定在多孔性担体的微生物的废水/水处理的方法,包含将一进流水导入一反应槽中,使得该进流水在该反应槽中滞留一段时间再从该反应槽流出,其中该进流水中的污染物的一部份在该滞留期间被反应槽中的微生物所分解,于是从该反应槽流出的出流水相对于进流水具有较低含量的污染物。该微生物是附着在位于该反应槽中的一改性的多孔性担体。该改性的多孔性担体包含高分子发泡体及附着在该发泡体的孔隙内的吸附剂微粒。该改性的多孔性担体除具有大比表面积外,更因该吸附剂微粒的附着使其具有不同特性如亲水性或污染物吸附性等,于是可有效提高污染物去除效果。

标签:
废水处理
其他 - 其他 来源:中冶有色网 2023-03-19
有机性废水的生物处理方法和装置

在单槽式活性污泥法或者利用了微型动物的捕食作用的多段活性污泥法中,谋求在维持稳定的处理水质的基础上进一步提高处理效率和减少剩余污泥产生量。在将有机性废水导入第1生物处理槽(1A)并利用细菌进行生物处理,将含有来自该第1生物处理槽(1A)的细菌的处理液导入第2生物处理槽(1B)进行活性污泥处理,并将来自第2生物处理槽(1A)的处理液固液分离成污泥和处理水的生物处理中,将第2生物处理槽内(1B)的污泥的一部分和/或分离污泥的至少一部分,导入在槽内设置了孔径为5~100ΜM的浸渍膜(4)的污泥处理槽(3)来进行需氧性生物处理,并将浸渍膜(4)的透过液返送至第1生物处理槽(1A)和/或第2生物处理槽(1B)。在污泥处理槽(3)中利用微型动物进行污泥减量,使吃剩的微细成分透过浸渍膜(4),并再次返送至滤过捕食型微型动物槽(1B),使其被捕食,由此可以同时实现高的污泥减量效果和良好的处理水质。

标签:
废水处理
其他 - 其他 来源:中冶有色网 2023-03-19
利用反渗透的废水再利用方法及装置

根据本发明的利用反渗透的废水再利用方法揭露了通过一次反渗透步骤、二次反渗透步骤、气泡产生步骤、反渗透膜清洗步骤制造纯水的方法。本发明通过多个步骤的反渗透工艺来制造纯水,从而可以直接将所制造的纯水用作工业用水,而且通过气泡来清洗反渗透膜,从而具有提高清洗效率以及减少废水再利用装置的运行成本的效果。

标签:
废水处理
其他 - 其他 来源:中冶有色网 2023-03-19
用于从废水中去除硫酸盐和金属的组合物和方法

本发明涉及用于从流体中去除污染物、特别是从工业废水中去除硫酸盐和/或金属的化合物、组合物和方法。本发明的化合物和组合物包含多糖和其他有机分子。这些絮凝剂是安全有效的,不需要特殊的处理程序。絮凝化合物包括葡聚糖、改性的葡聚糖以及葡聚糖共混物的生物聚合物,加其他有机和/或无机分子。通过将本发明的絮凝剂添加到废水中,可以安全、容易和有效地去除污染物诸如硫酸盐和有毒重金属。

标签:
废水处理
其他 - 其他 来源:中冶有色网 2023-03-19
在处理含有三丙酮胺的反应混合物时生成的废水流的处理方法

本发明涉及处理可从三丙酮胺的均相催化制备方法中得来的各种废水流的方法。

标签:
废水处理
其他 - 其他 来源:中冶有色网 2023-03-19
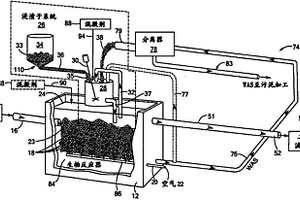
需氧和厌氧混合废水和污泥处理系统和方法

公开了具有降低的能量用量的处理废水的混合方法和系统。该处理系统具有吸附系统、消化或转化来自该吸附系统的固体或污泥的至少一部分的厌氧消化器和部分降低来自该吸附罐的污泥的一部分的需氧量的需氧处理罐。

标签:
废水处理
其他 - 其他 来源:中冶有色网 2023-03-19
用于处理废水的压载厌氧系统和方法

用于处理废水的压载厌氧系统,其包括至少一个厌氧处理反应器。加重剂浸渍子系统,其被配置成混合加重剂和生物絮体来形成已加重的生物絮体以在至少一个厌氧处理反应器中产生已加重的厌氧污泥层。加重剂回收子系统,其被配置成从过量的污泥回收加重剂并且将该加重剂再引入到所述的加重剂浸渍子系统。

标签:
废水处理
其他 - 其他 来源:中冶有色网 2023-03-19
用于处理废水的压载序批式反应器系统和方法

用于处理废水的压载序批式反应器系统,其包括一个或多个序批式反应器。加重剂浸渍子系统,其被配置成混合生物絮体和加重剂以形成已加重的生物絮体。加重剂回收子系统,其被配置成从已加重的生物絮体回收加重剂并且将该回收的加重剂再引入到加重剂浸渍子系统。

标签:
废水处理
其他 - 其他 来源:中冶有色网 2023-03-19
含铜废水的处理方法以及处理装置

将含有有机物、与该有机物形成络合物的铜离子、氟化物离子、磷酸根离子和过氧化氢的含铜废水调节至pH 4以上,分解除去过氧化氢后,添加钙化合物和镁化合物,在pH9~13的条件下进行反应,从而生成不溶物,对该不溶物进行固液分离。当处理含有有机物、与该有机物形成络合物的铜离子、氟化物离子、磷酸根离子和过氧化氢的含铜废水时,能够进一步降低处理水中的铜、氟、磷浓度,并且减少用于处理的药品量和污泥产生量。

标签:
废水处理
其他 - 其他 来源:中冶有色网 2023-03-19
工业废液污泥的固体化回收处理装置

本实用新型是一种工业废液污泥的固体化回收处理装置,它包括机台(1)、控制箱(2)、马达(3)、离心室(4)、旋转筒(5)及废水槽(6),旋转筒(5)装在转轴(42)上,由水泵(6)将废水槽(6)中的废液汲至旋转筒(5)内,将较大比重的废料旋集凝固于外环筒壁,筒中央形成的净化水可由导流管(45)和净水出口(46)导出流回至废水槽(6)中重复使用。具有方便处理废弃物,且节省用水的优点。

标签:
废水处理
其他 - 其他 来源:中冶有色网 2023-03-19
基于废水再处理的热交换器管束自动洗涤装置

本发明涉及一种基于废水再处理的热交换器管束自动洗涤装置,尤其涉及一种能够根据外部洗涤模块和内部洗涤模块中所设置的运行模式自动洗涤热交换器的外部管束及内部管子,通过再处理洗涤热交换器时使用的洗涤水循环使用为洗涤水的基于废水再处理的热交换器管束自动洗涤装置。

标签:
废水处理
其他 - 其他 来源:中冶有色网 2023-03-19
氨氮废水的处理系统及方法

本发明是提供一种氨氮废水的处理系统,包括一氨氮氧化槽及一薄膜分离槽。氨氮氧化槽包括多个生物担体,负载氨氧化菌以及亚硝酸氮氧化菌;一pH值控制装置,使该氨氮氧化槽的pH值大于7.5;一溶氧控制装置,使该氨氮氧化槽的溶氧量小于1.0mg/L。薄膜分离槽,设置于该氨氮氧化槽之后,其包括一薄膜及一曝气装置,用以分离该氨氮氧化槽出流水的固相及液相。此外,本发明另提供一种氨氮废水的处理方法。

标签:
废水处理
其他 - 其他 来源:中冶有色网 2023-03-19
有机废水的生物处理方法和生物处理装置

本发明提供一种有机废水的生物处理方法及装置,其能够稳定通过微型生物减少剩余污泥的产生量的污泥处理槽内的微型生物的保持量,进行稳定的处理。在通过微型生物减少污泥量的污泥处理槽(51)中,供给使分散性细菌增殖的底物和/或分散性细菌,由此稳定微型生物,并使其增殖,从而减少污泥量。具体而言,在第一活性污泥槽(21)和第二活性污泥槽(31)中分别进行第一和第二生物处理工序,在沉淀池(41)中将从该生物处理工序中流出的流出液中含有的污泥进行固液分离,将得到的生成污泥供给污泥处理槽(51)。从旁路(26)将迂回的被处理水导入污泥处理槽(51)中作为细菌代谢的底物,使污泥处理槽(51)内的分散性细菌增殖,由此稳定微型生物,使其稳定保持在污泥处理槽(51)内,从而促进剩余污泥的减量。

标签:
废水处理
其他 - 其他 来源:中冶有色网 2023-03-19
从镀覆废水中回收贵金属离子的方法

本发明提供了一种能够从由镀覆回收槽和镀覆清洗槽中排出的、含有贵金属离子的镀覆废水中高效地回收贵金属离子,并且能够抑制镀覆被处理物的性能不良的方法。本发明为从镀覆废水中回收贵金属离子的方法,该方法为使来自镀覆回收槽的每一次排水量为镀覆回收槽的满水量的10~50%的范围内,并且在镀覆回收槽内的液量为可确保镀覆被处理物被浸渍的量,由此将镀覆回收槽内收容的液体的贵金属离子浓度以高浓度维持在一定的范围并且将镀覆清洗槽内收容的液体的贵金属离子浓度以低浓度维持在一定范围内。

标签:
废水处理
其他 - 其他 来源:中冶有色网 2023-03-19
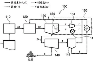
废水无放流处理装置及方法

本发明提供一种废水无放流处理装置及方法,其具备:浓缩器,浓缩废水;蒸发结晶器,以使从浓缩器流入的浓缩水蒸发而结晶化的方式进一步进行浓缩;冷却结晶器,使从蒸发结晶器流入的浓缩水冷却而生成结晶;脱水机,分离冷却结晶器中生成的结晶和滤液;以及冷却系统,使流入冷却结晶器的浓缩水冷却,从脱水机分离的滤液在与冷却系统的制冷剂热交换后,回收至蒸发结晶器。根据本发明的废水无放流处理装置及方法,减少整体的能源消耗量,可实现简化系统构成,通过去除冷却塔来减少外部空气温度的影响,从而使弃置于外部的热源最小化,由于工序简化,因此可节约设备投资和运营费用。此外,可以解决现有的浓缩水通过壳侧时发生的生成氧化皮的问题。

标签:
废水处理
其他 - 其他 来源:中冶有色网 2023-03-19
从低产废水处理工艺中筛分惰性固体

本发明涉及从低产废水处理工艺除去惰性固体的方法。所述方法包括在主流反应器中使废水与载菌污泥混合以形成混合液,使所述混合液分离成澄清流出物和活性污泥,使第一部分活性污泥返回所述主流反应器,在使第二部分活性污泥返回所述主流反应器之前在侧流生物反应器中处理第二部分活性污泥,和在废水处理工艺中采用筛分装置以除去惰性固体。

标签:
废水处理
其他 - 其他 来源:中冶有色网 2023-03-19
用生物学反应处理下水、废水的装置及其方法

本发明使用薄膜产生气泡, 提高微生物和空气的 接触效率, 而反应槽的容量减小。本发明有曝气槽; 气泡形成装 置; 使淤泥进行生物反应、除氮和释放磷的无氧和厌氧槽; 容纳 沉淀淤泥的沉淀槽。本发明方法步骤有 : 下水、废水流入曝气槽 形成微细气泡; 淤泥输入无氧和厌氧槽; 从淤泥混合液除氮和释 放磷; 氧化未除去的有机物和氮; 过量吸收磷并再循环和在溢流 口排放处理水。将曝气槽和无氧和厌氧槽制成圆柱形的双层管, 使微生物浓度极大化, 有效地除去有机物、磷和氮。

标签:
废水处理
其他 - 其他 来源:中冶有色网 2023-03-19
上一页 106 107 108 109 110 ... 117 下一页
共117页    到第

中冶有色为您提供最新的其他有色金属环境保护技术理论与应用信息,涵盖发明专利、权利要求、说明书、技术领域、背景技术、实用新型内容及具体实施方式等有色技术内容。打造最具专业性的有色金属技术理论与应用平台!

全国热门有色金属设备推荐
展开更多 +
全国热门有色金属技术推荐
展开更多 +

 

江西省隆恩特环保设备有限公司
宣传

报名参会
更多+

报告下载

有色专家
更多+

中国矿业大学(北京)
院长/教授
西安建筑科技大学
教授
赣州有色冶金研究所有限公司
副主任/高级工程师
广东省科学院工业分析检测中心
副主任
西北有色金属研究院、中国工程院
院士
赤泥综合利用研究报告2025
推广

热门技术
更多+

推荐企业
更多+

福建省金龙稀土股份有限公司
宣传

发布

在线客服

公众号

电话

顶部
咨询电话:
010-88793500-807