青岛垚鑫智能科技有限公司
宣传

位置:北方有色 >

有色技术频道 >

> 废水处理技术

分类:
全部
矿山技术
冶金技术
材料制备及加工技术
环境保护技术
分析检测技术
 
全部
废水处理技术
大气治理技术
固/危废处置技术
土壤修复技术
地区:
全部
北京
天津
上海
重庆
河北
山西
辽宁
吉林
黑龙江
江苏
浙江
安徽
福建
江西
山东
河南
湖北
湖南
广东
海南
四川
贵州
云南
陕西
甘肃
青海
内蒙
广西
西藏
宁夏
新疆
其他
其他
展开
 
全部
南京
无锡
徐州
常州
苏州
南通
连云港
淮安
盐城
扬州
镇江
泰州
宿迁

江苏苏州有色金属废水处理技术理论与应用

免费发布技术信息>>
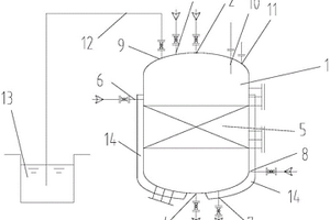
泳池式电吸附浓缩脱硫废水处理装置及其处理方法

本发明提供一种泳池式电吸附浓缩脱硫废水处理装置及其处理方法,待处理的脱硫废水通过由原水池进入微滤,处理掉大分子悬浮物;之后脱硫废水由电吸附模块底部的进水口进入,脱硫废水与吸附材料充分接触;在控制台施加的电场力驱动下,阴、阳离子定向移动,最终附着在吸附材料表面,达到去除盐离子的目的,从电吸附模块顶部的出水口流出;去除后的水进入清水池中。本发明利用微滤去除脱硫废水中残余悬浮物,将电吸附作为旁路烟道蒸发技术的前处理单元,耦合了膜法处理、电吸附技术优势,实现了集成创新;本发明无需外加大量药剂,不易结垢与腐蚀,在低能耗的条件下即可运行,且清洁无二次污染,可实现安全经济运行。

标签:
废水处理
江苏 - 苏州 来源:北方有色网 2023-03-19
用于化学废水的新型中和处理方法

本发明公开了一种用于化学废水的新型中和处理方法,包括以下步骤:(1)过滤废水中的漂浮物、悬浮物和沉降物,(2)测量废水的pH值,(3)中和反应直至pH值达到设定值即可,(4)分离中和反应中析出的沉降物。通过上述方式,本发明用于化学废水的新型中和处理方法具有管理简便、流程简单、用途广泛、效果明显、针对性强、效率提高等优点,在用于化学废水的新型中和处理方法的普及上有着广泛的市场前景。

标签:
废水处理
江苏 - 苏州 来源:北方有色网 2023-03-19
树脂吸附实现草甘膦生产废水资源化治理的方法

本发明公开了一种树脂吸附实现草甘膦生产废水资源化治理的方法,依次包括如下步骤:预处理:草甘膦生产废水经过滤处理;吸附:将经过预处理的生产废水在10℃~40℃和流量为0.5~3BV/h条件下通过装填有吸附树脂或者离子交换树脂的吸附柱进行吸附处理;脱附:将步骤(2)中的树脂用脱附剂进行脱附再生,脱附剂流速为0.5~2BV/h,脱附温度为20~60℃;回收:将步骤(3)中的脱附液经浓缩处理、重结晶处理。本发明的优点是:甘膦生产废水中回收草甘膦的回收率较高,为废水后续深度达标处理或水回用提供了保障,且在治理废水的同时,实现废物资源化。

标签:
废水处理
江苏 - 苏州 来源:北方有色网 2023-03-19
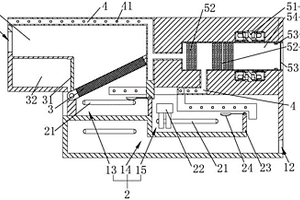
具有废气净化结构的废水处理设备

本实用新型公开了一种具有废气净化结构的废水处理设备,针对废水的处理过程会产生大量的有害气体,这些产生的气体存在积聚在缸体内部而导致内部环境恶化,导致废水处理达不到排放标准的问题,提供了以下技术方案,包括箱体,箱体中设置有按照阶梯布置的三个储水槽,所述储水槽安装有流量阀门和紫外消毒灯,箱体中安装有金属过滤网、集气风道、以及废气净化装置,本方案通过设计有多个储水槽对废水进行过滤净化,并在储水槽位置安装集气装置对因废水产生的废气进行收集和净化,达到净化废水处理过程中产生的废气,改善废水的水质的技术效果的一种废水处理设备,具有净化废水处理过程中产生的废气,改善废水的水质的优点。

标签:
废水处理
江苏 - 苏州 来源:北方有色网 2023-03-19
废水和废气的处理装置
废水和废气的处理装置 1242     
 0

本发明涉及一种废水和废气的处理装置,封闭式涂漆房与吸附脱附装置相连通;吸附脱附装置通过过滤组件与过滤箱的上部相连通;过滤箱内的下部设有活性炭吸附器;过滤箱下部的一侧设有出气管路,出气管路的另一端与高温裂解炉相连通;高温裂解炉与换热器的进气口相连通,且换热器的进水口上连通有水箱,上述水箱与废水处理机构相连;换热器的出气口和排水口上分别连通有排废气管和出水管;出水管与储水机构相连,本发明能自动将废气进行多步的过滤和净化,保证最后排出的气体环保,降低了环境的污染,同时能将废水进行预处理,然后通过换热器对废水和废气进行热交换,废气直接排出,而将废水变成热水,便于将热水用在其它地方。

标签:
废水处理
江苏 - 苏州 来源:北方有色网 2023-03-19
基于芬顿反应的高效废水处理工艺

本发明公开了一种基于芬顿反应的高效废水处理工艺,将废水经过预处理后输入到芬顿反应器中,调节pH值至3‑5,温度控制在80℃;向芬顿反应器中加入定量的双氧水,混合搅拌均匀;分批次加入硫酸亚铁,其中硫酸亚铁加入总量满足Fe2+与双氧水的摩尔比为1:2,每次添加硫酸亚铁之后,进行充分的搅拌反应;将芬顿反应器中的废水引入至超声波处理器中,并使废水在芬顿反应器和超声波处理器中进行多次循环;经过多次循环之后,将芬顿反应器中废水pH调至7‑8,加入絮凝剂,经过絮凝沉淀完成后,将芬顿反应器中上清液输送至后续处理系统。本发明工艺流程简单,芬顿试剂的利用率较高,反应较完全,极大降低了处理成本。

标签:
废水处理
江苏 - 苏州 来源:北方有色网 2023-03-19
DMSO废水浓缩用高压膜组装置

本实用新型具体涉及一种DMSO废水浓缩用高压膜组装置,本DMSO废水浓缩用高压膜组装置包括:原水箱、第一淡化机构、第二淡化机构以及第三淡化机构;所述原水箱内的废水经第一淡化机构淡化后,产生的浓水经第二淡化机构进行淡化,二次淡化后的浓水再经过第三淡化机构进行淡化,以完成废水的浓缩。本实用新型的DMSO废水浓缩用高压膜组装置,通过将高压膜淡化后的浓水继续淡化,从而实现对废水的浓缩。

标签:
废水处理
江苏 - 苏州 来源:北方有色网 2023-03-19
自调控式含氟废水投药装置

本实用新型公开了一种自调控式含氟废水投药装置,包括壳体,所述壳体的下侧壁固定连接有支架,且支架的上端固定连接有工作箱,所述工作箱的侧壁固定连接有进水管,且进水管的另一端贯穿壳体的侧壁设置,所述壳体的下侧壁固定连接有过滤箱,且过滤箱内设置有过滤机构,所述过滤箱和工作箱之间固定连接有连接管,且过滤箱的侧壁设置有色谱仪本体,所述过滤箱远离连接管的侧壁固定连接电动阀。该种自调控式含氟废水投药装置,能够根据废水的流速,对投药速度进行自动调节,保证废水处理效率和处理效果,同时,对废水溶液中的氟离子含量进行实时检测,当检测不达标时,使得投药速度更快,保证废水处理更加完全,并且,便于对处理后的废水进行过滤。

标签:
废水处理
江苏 - 苏州 来源:北方有色网 2023-03-19
塑料杯生产加工用废水处理设备

本实用新型公开了一种塑料杯生产加工用废水处理设备,包括第一箱体,所述第一箱体的顶部通过轴承转动连接有传动杆,所述传动杆的顶部焊接于电机的输出轴,所述传动杆的外侧壁均匀焊接有搅拌杆,所述第一箱体的一侧分别连通有进水管和传输管;通过挡板的设置,可以对废水的流淌进行阻碍和减速,使得废水中的沉淀物可以具有充分的时间沉淀,通过第一滑轨和第二滑轨的设置,使得第一过滤网板和第二过滤网板便于安装和拆卸,利用第一过滤网板和第二过滤网板对废水进行过滤,在对第一过滤网板或第二过滤网板其中之一进行更换时,另一个可以继续对废水进行过滤,无需暂停废水处理工作,从而提高对于废水的处理效率。

标签:
废水处理
江苏 - 苏州 来源:北方有色网 2023-03-19
高浓度氨氮废水处理设备

本实用新型提供一种高浓度氨氮废水处理设备,包括折点反应器、与所述折点反应器流体导通的次氯酸钠投加泵、硫酸加药泵和液碱加药泵、以及PH控制器和ORP控制器;所述PH控制器和ORP控制器伸入所述折点反应器中与废水接触;所述PH控制器与硫酸加药泵和液碱加药泵电连接,控制硫酸和液碱的加药速度;所述ORP控制器与次氯酸钠投加泵电连接,控制次氯酸钠的加药速度。使用上述的PH控制器和ORP控制器可以自动控制加药速度,自动精准加药,无需人工干预,保证折点反应器能够在稳定的反应点自动处理氨氮浓度几百甚至上千毫克每升的高浓度氨氮废水,为高浓度氨氮废水提供了一种稳定可靠、高效简单、且经济的处理方式。

标签:
废水处理
江苏 - 苏州 来源:北方有色网 2023-03-19
废水分类装置
废水分类装置 1137     
 0

本实用新型公开了一种废水分类装置,包括:水槽、分类管道以及集水水箱,水槽底部设置有下水孔,下水孔的顶端设置有过滤层,下水孔连接有下水管道,下水管道的一端与下水孔连接,下水管道的另一端与转换阀门连接,转换阀门分别连接有第一集水管道、第二集水管道以及第三集水管道,第一集水管道的一端连接有第一集水水箱,第二集水管道的一端连接有第二集水水箱,第三集水管道的一端连接有第三集水水箱,第三集水水箱的侧壁设置有通水管道,通水管道连接有第四集水水箱;本实用新型对平时排出的废水进行分类收集,可以很方便的将需要进行不同处理的废水分开,大大节约了处理废水的成本的同时,也节约了大量的水资源。

标签:
废水处理
江苏 - 苏州 来源:北方有色网 2023-03-19
切削液废水的处理方法
切削液废水的处理方法 1204     
 0

本发明提供了一种切削液废水的处理方法,包括以下步骤:(1)在切削液废水中加入浓硫酸,边加边搅拌,调节pH,静置分层,取下层废水;(2) 加入氢氧化钠调节pH值至7;(3)加入聚苯乙烯胶乳微球和的活性炭纤维,超声振荡;(4)加入多棘栅藻粉、针形纤维藻粉和柑橘渣,加热搅拌,过滤,去除滤渣;(5)加入D3520大孔吸附树脂、碳分子筛和D314大孔弱碱性阴树脂搅拌,过滤,去除滤渣;(6) 将处理过的废水通过装有陶瓷膜的液压装置;(7)测定处理后的废水的各项理化指标。本发明的一种切削液废水的处理方法,对COD的去除效果很好,对重金属离子和氮磷的吸附率也很高,具有良好的吸附效果。

标签:
废水处理
江苏 - 苏州 来源:北方有色网 2023-03-19
柔性线路板生产中的废水处理装置

一种柔性线路板生产中的废水处理装置,属于废水处理装置技术领域。包括由第一中和池、含铜废水池、第一油墨池、中间池、污泥池和清水池构成的池体、第一沉淀池、反应桶、第二沉淀池以及两组彼此串联联结的各由砂滤器、树脂交换器和活性炭过滤器构成的过滤机构,特点是:所述的池体还包括有一第二中和池和一第二油墨池,第二中和池与所述的第一中和池相邻,而第二油墨池与所述的第一油墨池相邻。优点:可节约反应所用的材料、改善沉淀效果,缩短处理过程,提高处理效率。

标签:
废水处理
江苏 - 苏州 来源:北方有色网 2023-03-19
废水连续中和处理装置
废水连续中和处理装置 1073     
 0

本实用新型涉及化工设备技术领域,具体涉及一种废水连续中和处理装置。包括废水中和罐、中和药剂罐、废水回收罐及药剂计量泵,所述废水中和罐的顶部不同位置分别设有废水入口、氮气入口、安全阀、中和药剂入口及废气出口,所述废水入口管路连接至生产设备的废水出口,所述氮气入口通过钢管伸入至废水中和罐的内底部,所述中和药剂罐的中和药剂出口管路连接至药剂计量泵的输入端,所述药剂计量泵的输出端管路连接至废水中和罐的中和药剂入口,所述中和药剂入口通过钢管伸入至废水中和罐的内底部,所述废气出口管路连接至废气处理系统。本实用新型实现定量加药、连续中和,废水中和处理充分高效,且操作简单,一名工作人员即可完成。

标签:
废水处理
江苏 - 苏州 来源:北方有色网 2023-03-19
用于化学废水的新型电解处理方法

本发明公开了一种用于化学废水的新型电解处理方法,包括以下步骤:(1)向废水内加入无机酸,(2)将废水缓慢流经电解槽,(3)向废水中加入无机碱,(4)将废水使用滤纸进行过滤。通过上述方式,本发明用于化学废水的新型电解处理方法具有常温常压、管理简便、流程简单、消耗小、效果明显、针对性强、效率提高等优点,在用于化学废水的新型电解处理方法的普及上有着广泛的市场前景。

标签:
废水处理
江苏 - 苏州 来源:北方有色网 2023-03-19
用于化学废水的新型氧化处理方法

本发明公开了一种用于化学废水的新型氧化处理方法,包括以下步骤:(1)向废水中均匀加入第一类氧化剂,(2)对废水加热至60℃以上以去除第一类氧化剂的残留物,(3)向废水中均匀加入第二类氧化剂,(4)将废水至60℃以上以去除第二类氧化剂的残留物。通过上述方式,本发明用于化学废水的新型氧化处理方法具有管理简便、流程简单、用途广泛、效果明显、针对性强、效率提高等优点,在用于化学废水的新型氧化处理方法的普及上有着广泛的市场前景。

标签:
废水处理
江苏 - 苏州 来源:北方有色网 2023-03-19
高钾盐废水用萃取分盐耦合蒸发系统

本实用新型具体涉及一种高钾盐废水用萃取分盐耦合蒸发系统。本高钾盐废水用萃取分盐耦合蒸发系统包括:除氟机构,对高钾盐废水进行除氟处理;除浊机构,对除氟处理后的高钾盐废水进行除浊处理;蒸发机构,对除浊处理后的高钾盐废水进行蒸发结晶处理;生化机构,对蒸发结晶处理后的高钾盐废水进行生化处理。本实用新型的高钾盐废水用萃取分盐耦合蒸发系统,对高钾盐废水依次除氟、除浊后,再经蒸发机构蒸发结晶,获得固体杂盐,而后再通过生化机构对蒸发结晶处理后的高钾盐废水进行生化处理,从源头降低了排入水环境的盐,实现盐减排及资源化。

标签:
废水处理
江苏 - 苏州 来源:北方有色网 2023-03-19
基于芬顿反应的有机废水的处理方法

本发明公开了一种基于芬顿反应的有机废水的处理方法,其包括(1)高压脉冲电凝反应:调节废水的pH为3~4,使废水在高压脉冲电凝设备中、电流强度为1~30A条件下进行高压脉冲电凝反应,电凝反应的时间为30min~120min,其中高压脉冲电凝设备采用100V~400V的交流电输入,经整流后转变为直流电,然后利用脉冲发生器,形成80V~350V脉冲电压,高压脉冲电凝设备所采用的阴阳极板为碳含量在0.45wt%以上的铁板,极板之间的间距为10mm~30mm;(2)芬顿反应;(3)混凝沉淀反应。本发明方法与已有技术相比,处理成本降低,处理时间缩短且处理效果更好。

标签:
废水处理
江苏 - 苏州 来源:北方有色网 2023-03-19
具有废水再利用功能的恒温恒湿试验设备

本实用新型是关于一种具有废水再利用功能的恒温恒湿试验设备,包括:用于试验的腔体;排液口,设置在腔体的外壁上,用于排出腔体中产生的废水;过滤装置,与排液口连通,将废水净化成清水;第一容器组,与过滤装置的出水口相连通,用于存储净化后的清水;及第二容器组,接收来自第一容器组的清水,并向恒温恒湿试验设备内部供应湿气。本实用新型的技术方案能将恒温恒湿试验设备中产生的废水经回收处理,而再次供设备使用以达到废水再利用的目的,从而节约水资源。

标签:
废水处理
江苏 - 苏州 来源:北方有色网 2023-03-19
用于新型废水中高效转轮全自动除渣装置

本实用新型公开了一种用于新型废水中高效转轮全自动除渣装置,包括滚筒装置以及吹渣装置,滚筒装置架设在废水上,至少部分浸入废水中;吹渣装置设置在滚筒装置轴向的一侧;滚筒装置包括转轴、与转轴同轴转动的滚筒、安装在转轴上且平行滚筒径向延伸至滚筒内侧壁的刮板以及驱动转轴转动的驱动装置,刮板通过轴承连接在转轴上。本实用新型全自动除渣装置,利用转轴带动滚筒旋转,将废水中的紫菜碎屑过滤到到滤网上,再通过吹渣装置将紫菜碎屑吹到一边,达到从污水中分离紫菜碎屑和其他杂质的作用。刮板设置在滚筒中,一方面增强滚筒运行的稳定性,另一方面,刮板末端可以扫到滚筒内壁,清扫堵在滤网上的紫菜碎片和杂质。

标签:
废水处理
江苏 - 苏州 来源:北方有色网 2023-03-19
处理含高浓度硝酸根离子废水的方法

本发明提供一种处理含高浓度硝酸根离子废水的方法,包括以下步骤:a)将催化剂加入含硝酸根离子的废水中,向废水中加入浓盐酸;b)使用搅拌器将催化剂在废水中分散;c)将氢气缓慢通入废水中,将硝酸根离子转化为氮气。该方法可在常温常压下处理含高浓度的硝酸根粒子的废水,最高可以将废水中的高浓度硝酸根离子从50000ppm降低至10ppm,远优于直接排放标准;使用本发明的处理含高浓度硝酸根离子废水的方法,对处理装置要求较低,且工艺简单,不需要加温及加压设备,成本较低,安全性、可靠性高,在操作过程中不易发生危险。

标签:
废水处理
江苏 - 苏州 来源:北方有色网 2023-03-19
电镀废水用过滤装置
电镀废水用过滤装置 1051     
 0

本实用新型属于废水处理技术领域,尤其是一种电镀废水用过滤装置,针对了对电镀废水处理时,固体杂质易造成滤网阻塞的,需要停止设备运行以进行清理滤网,影响废水处理效率的问题,现提出如下方案,其包括处理箱,进液口内连通有进液管,调控座内设置有调控机构;本实用新型中其中一个处理室内的过滤板长时间使用堆积大量固体杂质,造成过滤孔堵塞时,调控机构封堵其中一个处理室的进液通道,同时打开另一个处理室的进液通道,从而利用另一个处理室内的过滤板对电镀废水进行过滤处理,通过两个过滤板交替式工作,确保对电镀废水进行高效地过滤处理,进而确保废水较高的处理效率。

标签:
废水处理
江苏 - 苏州 来源:北方有色网 2023-03-19
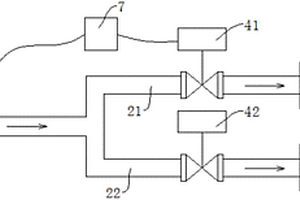
废水分质处理系统
废水分质处理系统 930     
 0

本实用新型公开了一种废水分质处理系统,包括:总管道、第一分流管道、第二分流管道、第一收集池、第二收集池、第一电磁阀、第二电磁阀、进水流量计、电导率监测探头和PLC控制器;第一分流管道和第二分流管道的一端与总管道的排出口处连通,第一分流管道和第二分流管道的另一端分别与第一收集池和第二收集池连通;第一电磁阀和第二电磁阀分别设置在第一收集池和第二收集池上;电导率监测探头设置在总管道内,与PLC控制器电连接,PLC控制器与第一电磁阀和第二电磁阀电连接。通过上述方式,本实用新型能够实时检测废水的电导率,通过电磁阀的开关将电导率高的废水和电导率低的废水分开收集,并对电导率高的废水进行处理以达到再次利用的标准。

标签:
废水处理
江苏 - 苏州 来源:北方有色网 2023-03-19
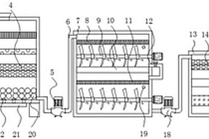
膜法油墨废水深度处理装置

本实用新型公开了一种膜法油墨废水深度处理装置,其特征在于,包括:反应箱、加药箱、板框压滤机、中间水箱、增压泵、多介质过滤器、活性炭过滤器、保安过滤器、膜过滤组件、深度处理装置及产水箱。有益之处在于:本实用新型的膜法油墨废水深度处理装置能够将废水中的可溶解和不可溶解污染物有效地去除,处理效果好且稳定,处理后的废水能够直接排放,具有良好的社会效益和经济效益。

标签:
废水处理
江苏 - 苏州 来源:北方有色网 2023-03-19
键盘喷涂废水处理设备
键盘喷涂废水处理设备 1051     
 0

本实用新型适用于键盘加工技术领域,提供了一种键盘喷涂废水处理设备,所述处理设备包括:箱体,进料口和出水口安装在所述箱体上;全方位搅拌机构,安装在所述箱体中,用于带动废水和物料充分搅拌混合;以及出渣拨料机构,安装在所述箱体中,用于带动上浮的物料渣排出箱体外。本实用新型提供的一种键盘喷涂废水处理设备,是专门针对生产车间内键盘喷涂过程中产生的含有油漆的有害废水,为了实现在排放时不污染环境,特别设置有箱体,将废水经过箱体内的全方位搅拌机构和出渣拨料机构,能对废水进行处理,使其达到排放标准,进而解决现有技术中存在的问题。

标签:
废水处理
江苏 - 苏州 来源:北方有色网 2023-03-19
改性活性炭处理异丙醇废水的方法

本发明公开了一种改性活性炭处理异丙醇废水的方法。该方法首先将异丙醇废水打入调节池,用酸或碱溶液调节控制异丙醇废水pH值为6~8;然后将异丙醇废水分别打入活性炭固定床(1)和活性炭固定床(2)进行处理,所述的活性炭固定床(1)和活性炭固定床(2)分别装填有改性活性炭。本发明通过对活性炭表面进行改性,从而提高对异丙醇废水中的有机物的吸附能力,有效降低废水中COD和色度。本发明的处理工艺简单、占地面积小,设备投资少,耗能低。本发明在制备改性活性炭的过程中,增加了水热结晶的步骤,提高了所制备的纳米金属氧化物的分散性能,无团聚、晶型好、形状可控,避免了高温焙烧下金属氧化物的硬团聚。

标签:
废水处理
江苏 - 苏州 来源:北方有色网 2023-03-19
用于有机废水处理的低温催化氧化设备

本实用新型公开一种用于有机废水处理的低温催化氧化设备,包括低温催化氧化塔本体,低温催化氧化塔本体顶部开设有氧化剂入口和废水入水口,低温低温催化氧化塔本体底部开设有出水口;低温催化氧化塔本体内部中间部分设置有催化剂填料层,低温催化氧化塔本体外部包裹有夹套层,低温催化氧化塔本体一侧夹套层上开设有饱和蒸汽入口,饱和蒸汽入口位于催化剂填料层的上侧,低温催化氧化塔本体底部夹套层上开设有饱和蒸汽出口。本方案设计的低温催化氧化设备用于处理有机废水,采用低温催化氧化分离技术,结合高有机废水特点,利用催化剂+氧化剂+低温蒸气的去除特性,采用纯物理法处理含高有机废水,是一种废水处理的新技术。

标签:
废水处理
江苏 - 苏州 来源:北方有色网 2023-03-19
基于电镀废水处理用PH调节搅拌设备

本实用新型属于电镀废水处理技术领域,尤其是一种基于电镀废水处理用PH调节搅拌设备,针对了对电镀废水进行PH值调节时,搅拌均匀性较差和废水中的固体物质易粘附在搅拌釜的内侧壁上,造成反应不够充分的问题,现提出如下方案,其包括搅拌釜,连接环的内侧面上固定有环形搅拌机构,搅拌釜的顶端设置有位于进药口正下方的匀料机构;本实用新型通过匀料机构对液体混合药剂进行快速充分地细化,使得液体混合药剂在废水中更易化开与废水接触,增加药剂和废水充分混合的效率,设置为三个呈环形分布的环形搅拌机构将搅拌釜内的边缘处和中间位置的废水同时进行充分搅拌,避免只有搅拌釜内中间位置的废水得到搅拌的情况,加快对废水PH值调和的效率。

标签:
废水处理
江苏 - 苏州 来源:北方有色网 2023-03-19
可使微生物不与废水接触混合的降解有机物实验装置

本实用新型提供一种可使微生物不与废水接触混合的降解有机物实验装置。所述可使微生物不与废水接触混合的降解有机物实验装置包括:降解罐,所述降解罐上设置有降解机构、两个固定机构和多个拆卸机构;所述降解机构包括有进水管、反应罐、加料斗、加氧管、加压管、滤膜片、圆环块一和圆环块二,所述进水管固定安装在降解罐上,所述反应罐滑动安装在降解罐的顶部,本实用新型解决的技术问题是提供一种能够将微生物与废水隔离起来,通过滤膜片析出代谢酶对废水中的有机物进行降解,同时能够在使用一段时间后对滤膜片进行更换和对容器进行清洗的可使微生物不与废水接触混合的降解有机物实验装置。

标签:
废水处理
江苏 - 苏州 来源:北方有色网 2023-03-19
化工废水用处理装置
化工废水用处理装置 768     
 0

本实用新型公开了一种化工废水用处理装置,属于化工废水处理技术领域,包括处理箱,所述处理箱底端的进气口延伸到污水泵a的内部,所述污水泵a右侧螺纹连接有污水管,所述污水管间隙连接在消毒箱的顶端左侧,所述消毒箱底部与污水泵b互通,所述污水泵b位于过滤箱的左侧,所述处理箱内顶端固定连接有细格栅,所述细格栅位于滤网的上方,所述处理箱内间隙连接有双层滤布a,所述处理箱内底部放置有微电解填料,化工废水经处理箱、消毒箱和过滤箱依次处理,多次处理后废水内有害物质去除,可避免污染环境;废水经微电解填料曝气处理后又进入消毒箱内再次经药物沉淀,废水内悬浮物被去除,废水内悬浮物去除效率高。

标签:
废水处理
江苏 - 苏州 来源:北方有色网 2023-03-19
上一页 95 96 97 98 99 ... 118 下一页
共118页    到第

北方有色为您提供最新的江苏苏州有色金属废水处理技术理论与应用信息,涵盖发明专利、权利要求、说明书、技术领域、背景技术、实用新型内容及具体实施方式等有色技术内容。打造最具专业性的有色金属技术理论与应用平台!

全国热门有色金属设备推荐
展开更多 +
全国热门有色金属技术推荐
展开更多 +

 

江西省隆恩特环保设备有限公司
宣传

报名参会
更多+

报告下载

有色专家
更多+

广东省科学院资源利用与稀土开发研究所
教授
长沙矿冶研究院
总经理
北京工业大学、中国工程院
中国工程院 院士
长沙有色冶金设计研究院有限公司
正高级工程师/中国铝业首席工程师/全国有色金属行业设计大师/国家注册采矿工程师
昆明冶金研究院有限公司
党委书记、执行董事
赤泥综合利用研究报告2025
推广

热门技术
更多+

推荐企业
更多+

福建省金龙稀土股份有限公司
宣传

发布

在线客服

公众号

电话

顶部
咨询电话:
010-88793500-807