青岛垚鑫智能科技有限公司
宣传

位置:中冶有色 >

有色技术频道 >

> 固/危废处置技术

分类:
全部
矿山技术
冶金技术
材料制备及加工技术
环境保护技术
分析检测技术
 
全部
废水处理技术
大气治理技术
固/危废处置技术
土壤修复技术
地区:
全部
北京
天津
上海
重庆
河北
山西
辽宁
吉林
黑龙江
江苏
浙江
安徽
福建
江西
山东
河南
湖北
湖南
广东
海南
四川
贵州
云南
陕西
甘肃
青海
内蒙
广西
西藏
宁夏
新疆
其他
其他
展开
 
全部
南京
无锡
徐州
常州
苏州
南通
连云港
淮安
盐城
扬州
镇江
泰州
宿迁

江苏南京有色金属固/危废处置技术理论与应用

免费发布技术信息>>
降低滩涂盐碱地土壤碱性的微生物制品

本发明公开了一种降低滩涂盐碱地土壤碱性的微生物制品,属于土壤改良技术。本发明利用能够合成谷氨酸的微生物发酵固体废弃物形成一种土壤改良制品,制品中功能微生物菌株在土壤中增生的过程,能够合成谷氨酸,同时降低土壤的pH值,起到降碱改良盐碱地的功效。本发明利用黄色短杆菌固体发酵农业废弃物生产,该产品中黄色短杆菌数量≥0.5×108?cfu?g-1,pH值5.5,含水量≤30%,有机质含量≥45%。试验表明,滩涂盐碱土壤施用该生物有机肥,在土壤长期洗盐过程中,土壤pH值持续下降,该产品能够有效的降低滩涂盐碱土壤的碱性。

标签:
固废
江苏 - 南京 来源:中冶有色网 2023-03-19
用于路基和挡土墙的轻质砌块

本发明公开了一种用于路基和挡土墙的轻质砌块,由废弃的橡胶轮胎和灌注在橡胶轮胎内的轻质填料构成,其特征在于:所述的轻质填料由粉煤灰、添加剂和水混合而成,所述的粉煤灰、添加剂和水的质量比为2∶1∶1。采用预制砌块,施工方便,大大减少施工成本,缩短工期。同时采用废弃橡胶轮胎和工业废料粉煤灰代替天然土填料,节省了天然资源,减轻了固体废物对环境的污染,降低了工程造价,在资源和环保方面具有良好的经济效益和社会效益。

标签:
固废
江苏 - 南京 来源:中冶有色网 2023-03-19
铬渣的解毒方法
铬渣的解毒方法 1059     
 0

本发明涉及固体废弃物处置领域,具体是涉及一种铬渣的解毒方法,包括以下步骤:在铬渣中加入添加剂,所述添加剂为(NH4)3PO4、(NH4)2HPO4和NH4H2PO4中的一种或几种按任意重量比例组成的混合物,所述添加剂中P与铬渣中Cr物质的量之比为2-2.5;将添加剂和铬渣混合,然后经球磨机干磨1-2h;将经过球磨机干磨后的混合物料置于高温炉内高温处理,温度1000-1100℃,处理时间1-1.5h。本发明提供的一种铬渣的解毒方法,所得的铬渣完全能够达到国家固体危险废物浸出毒性鉴别标准,本发明较其他铬渣解毒方法具有解毒彻底、流程简单和反应快速的特点,是一种具有应用前景的铬渣解毒方法。

标签:
固废
江苏 - 南京 来源:中冶有色网 2023-03-19
用于芳烃类导热油再生的催化剂及制备方法

本发明公开了一种用于芳烃类导热油再生的催化剂及制备方法。催化剂采用浸渍法,载体为Al2O3。其中NiO质量分数为15%-30%,MoO3质量分数为1%-10%,固体碱质量分数为3%-10%,其余为Al2O3载体。本发明具有的积极效果是:在催化剂中添加固体碱作为抗酸组分,降低废导热油残酸对催化剂的腐蚀,可得到酸度稳定导热油产品。采用大比表面高强度载体负载活性组分Ni和Mo,使Ni、Mo有效负载,并能使催化剂高温高压浸泡下不粉化。本催化剂再生的芳烃类导热油可将废导热油再生为优质导热油。

标签:
固废
江苏 - 南京 来源:中冶有色网 2023-03-19
低能耗热解及热脱附工艺与装备

本发明公开了一种低能耗热解及热脱附工艺与装备,包括提供热解/热脱附装置对固体废弃物进行间接加热,首先将固体废弃物中的水分蒸发,同时部分挥发性污染物在受热后挥发出来,随着固体废弃物的温度不断升高,剩余难挥发污染物发生分解并挥发,从热解/热脱附装置中挥发的气体称作热解气或热脱附气。有益效果:在固体废弃物减量化、无害化、资源化的处理中大幅降低了热解初期蒸发水分所消耗的热量,同时充分利用了烟气余热,提升了装备热效率,节约了燃料资源,降低了企业生产运营成本。

标签:
固废
江苏 - 南京 来源:中冶有色网 2023-03-19
一株对五氯苯酚高效脱氯的拜氏梭菌及其构建方法与应用

本发明公开了一种对五氯苯酚高效还原脱氯的拜氏梭菌重组菌株,该菌株是将Cbei_3304基因插入失活后,使得此蛋白在拜氏梭菌NCIMB 8052中不能正常工作而得到。本发明的拜氏梭菌重组菌M‑3304,在含有3.0mg/L的五氯苯酚、0.15g/L甲基紫精(MV)和6.44g/L柠檬酸铁的模拟废水中,60h时,五氯苯酚的还原脱氯率达到90%;在同等条件下,而出发菌株拜氏梭菌NCIMB 8052对五氯苯酚的还原脱氯率只有40%;拜氏梭菌重组菌M‑3304对五氯苯酚的还原脱氯效率是出发菌株NCIMB 8052的2.25倍。本发明可应用于水、固体垃圾、固体废弃物和土壤中五氯苯酚的降解,本发明属于环保领域。

标签:
固废
江苏 - 南京 来源:中冶有色网 2023-03-19
负载型光催化剂及其制备方法

本发明公开了一种负载型光催化剂及其制备方法。所述的催化剂是以多孔性固体颗粒为载体,TiO2、金属离子和NH4+为活性组分;其中TiO2负载于多孔性固体颗粒表面及其孔道中,TiO2的负载量为催化剂总质量的1%~50%;金属离子的负载量为负载型催化剂中的活性组成TiO2的质量0.1%~30%;NH4+的负载量为载体总质量的1%~40%。通过芳香族羧酸废水降解性实验,证实了经过离子改性后的催化剂对芳香族羧酸废水中带苯环的酸性有机物的降解能力要优于未改性的催化剂,COD脱除率可达90%以上,PT酸去除率可达到90%以上。

标签:
固废
江苏 - 南京 来源:中冶有色网 2023-03-19
物理试样加工中心过滤装置

本实用新型公开了一种物理试样加工中心过滤装置,包括本体,本体内设固液分离腔、液体收集腔和固体收集腔,固液分离腔连接进料斗、过滤板和第一刮渣板,第一刮渣板连接推杆,推杆穿过固液分离腔侧壁,液体收集腔连接溶气管、第二刮渣板、刮渣槽和出水管;固液分离腔与固体收集腔之间活动连接推拉板,推拉板上设有限位孔,与限位孔相适配的第一限位体连接在固液分离腔的顶部;固体收集腔内侧壁上连接有固定体,固定体上铰接有固体分离半球,固体分离半球上开有通孔,固体收集腔底部固定设有袋子支架。本实用新型过滤装置,可实现残样、废砂和废液的分离,分离后的废液被净化可循环使用、废砂可方便装袋处理。

标签:
固废
江苏 - 南京 来源:中冶有色网 2023-03-19
利用化工污泥焚烧灰渣制备陶粒的方法

本发明涉及一种工业固体废弃物的资源化处置,公开了一种利用化工污泥焚烧灰渣制备陶粒的方法。该方法首先将经过机械脱水后的污泥,经干燥、高温焚烧、配料、干混、加水后再搅拌混匀,经造粒得生料球,干燥生料球后,于1050~1150℃的焙烧后,形成污泥陶粒。重金属浸出浓度远低于GB?5085.3-2007(危险废物鉴别标准浸出毒性鉴别)。该方法不仅耗能少、生产成本低,而且开辟了以废治废和废弃物循环利用的污泥资源化处理新途径。具有显著的环境效益和经济效益。

标签:
固废
江苏 - 南京 来源:中冶有色网 2023-03-19
多功能装载料斗
多功能装载料斗 1216     
 0

本实用新型涉及一种多功能装载料斗,特别适用于固体废物进料系统使用。它包括料斗(1),所述料斗(1)顶部设置有进料口,所述料斗(1)底部设置有出料口(9),所述料斗(1)中部左右对称设置有旋转门(2),所述旋转门(2)下方设置有一对相向转动的刀具(7)。本实用新型一种多功能装载料斗,充分满足固体废物处理装置进料系统特别是等离子体方法处理固体废物的反应器进料的多功能要求,在料斗内集成了对需处理的物料的破袋、破碎、引料、防缠绕、速度控制等功能。同时,做到进料门随进料过程的自动开启和关闭。整个装置结构简捷、性能稳定,确保了固体废物处理特别是等离子体固体废物处理反应器的工作要求。

标签:
固废
江苏 - 南京 来源:中冶有色网 2023-03-19
利用化工剩余污泥制备陶粒的工艺

本发明涉及一种工业固体废弃物的资源化工艺,公开了一种利用化工剩余污泥烧制陶粒的工艺。该工艺先将机械脱水后的污泥,经干燥、配料、干混、加水后再搅拌混匀,经造粒得生料球,干燥生料球后,于1050~1300℃的焙烧后,形成污泥陶粒。重金属浸出浓度远低于GB?5085.3-2007(危险废物鉴别标准浸出毒性鉴别)。该工艺不仅耗能少、生产成本低,而且开辟了以废治废和废弃物循环利用的污泥资源化处理新途径。具有显著的环境效益和经济效益。

标签:
固废
江苏 - 南京 来源:中冶有色网 2023-03-19
餐厨垃圾自动处理装置
餐厨垃圾自动处理装置 1108     
 0

本实用新型提供了一种餐厨垃圾自动处理装置,包括分拣单元、压榨粉碎单元、生化烘干单元、加热单元、第一废液处理单元、第二废液处理单元和循环单元,其中,分拣单元用于对餐厨垃圾进行分拣,以将其分离为固体垃圾和废液,压榨粉碎单元用于压缩固体粉碎垃圾,生化烘干单元和加热单元用于对固体垃圾进行生化、烘干处理;第一废液处理单元和第二废液处理单元对废液进行二次分离,循环单元用于将二次分离后的废液输送至分拣单元,以对分拣单元中的餐厨垃圾进行冲洗并掺入菌种。本实用新型能够在无需外部菌种的情况下实现餐厨垃圾的油脂分离回收、生化降解减量和烘干脱水减量,从而能够降低排出固渣的含水率,能够避免在运输途中滴漏污染环境。

标签:
固废
江苏 - 南京 来源:中冶有色网 2023-03-19
含锗单质颗粒污水的循环净化回收方法

本发明一种含锗单质颗粒污水的循环净化回收方法,包括以下步骤:在每立方米的含锗废水中加入0.8~1.0kg含量为99%的无水硫酸镁粉末,直至PH值达到4;加入含量为96%的固体氢氧化钠或固体氢氧化钙直至PH值达到7~8;静置60min出现分层,抽取上层清液进行排放;在留有沉淀的废水中继续收集含锗废水;重复6~7次,收集沉淀物进行锗回收;硫酸镁遇水水解形成部分胶体物,胶体物对废水中的锗具有吸附能力,向含有锗颗粒的废水中加入一定量的硫酸镁固体,可以在废水中促进锗颗粒被吸附,本发明通过净水剂硫酸镁的反复再生利用,吸附污水中的锗颗粒,既净化了水源又回收了锗资源,同时还节约因单次使用产生的过高成本。

标签:
固废
江苏 - 南京 来源:中冶有色网 2023-03-19
C5石油树脂聚合液的综合利用工艺

本发明公开了一种C5石油树脂聚合液的综合利用工艺,该工艺采用水洗脱除C5石油树脂聚合液中的AlCl3,在一定温度下,将C5石油树脂聚合液中绝大部分的AlCl3溶解到水中,脱除AlCl3的C5石油树脂聚合液再经碱洗和氨洗得到合格石油树脂产品;碱洗液和氨洗液经酸中和后制备得到氢氧化铝固体;水洗单元产生的含AlCl3水洗液,加入促进剂和上述氢氧化铝固体,在一定温度下聚合反应可得到聚氯化铝产品。本发明从源头上大幅削减了碱洗废水的产生,并节约大量的碱和硫酸;同时实现了废水中固体氢氧化铝和AlCl3的资源化利用,满足了达标排放的要求,带来明显的经济效益。

标签:
固废
江苏 - 南京 来源:中冶有色网 2023-03-19
餐厨垃圾自动处理装置和方法

本发明提供了一种餐厨垃圾自动处理装置和方法,所述装置包括分拣单元、压榨粉碎单元、生化烘干单元、加热单元、第一废液处理单元、第二废液处理单元和循环单元,其中,分拣单元用于对餐厨垃圾进行分拣,以将其分离为固体垃圾和废液,压榨粉碎单元用于压缩固体粉碎垃圾,生化烘干单元和加热单元用于对固体垃圾进行生化、烘干处理;第一废液处理单元和第二废液处理单元对废液进行二次分离,循环单元用于将二次分离后的废液输送至分拣单元,以对分拣单元中的餐厨垃圾进行冲洗并掺入菌种。本发明能够在无需外部菌种的情况下实现餐厨垃圾的油脂分离回收、生化降解减量和烘干脱水减量,从而能够降低排出固渣的含水率,能够避免在运输途中滴漏污染环境。

标签:
固废
江苏 - 南京 来源:中冶有色网 2023-03-19
用于工业垃圾和污泥的热解气化系统

本发明提供一种用于工业垃圾和污泥的热解气化系统,包括进料装置,用于将固体废弃物投入热解气化炉,所述固体废弃物包括工业垃圾或工业垃圾与污泥的混合物;脱酸剂投料装置,用于向所述热解气化炉投加脱酸剂,以对所述固体废弃物进行脱硫;热解气化炉,用于利用所述固体废弃物缺氧燃烧产生的热量对所述固体废弃物进行热解气化,并生成可燃气;二次燃烧室,用于燃烧所述可燃气,并产生高温烟气;余热锅炉,用于对所述高温烟气进行余热利用;以及烟气净化装置,用于净化所述烟气。本发明提供的用于工业垃圾和污泥的热解气化系统能量利用率高,有害气体排放量减少,烟气净化工艺流程简单,并且降低了运行成本。

标签:
固废
江苏 - 南京 来源:中冶有色网 2023-03-19
无机聚合物淤泥固化砂浆及其制备方法

本发明公开了一种无机聚合物淤泥固化砂浆及其制备方法,首先,将近海工程中产生的含有重金属淤泥经过物理化学处理后得到淤泥颗粒;然后,将粉煤灰溶解于水玻璃激发剂溶液中,加入处理过的淤泥、石粉进行搅拌混合,最后加入固体氧化钙进行搅拌,即得。避免了传统水泥淤泥固化材料制备过程中需大量使用水泥的缺点,减少了水泥生产过程中CO2等温室气体的产生、工业粉尘排放对环境的影响;充分利用粉煤灰、废石粉等工业废弃物来制备淤泥固化砂浆,使得工业废弃物得到充分的循环再生利用;同时固体氧化钙的加入吸收了混合物中多余的自由水并且加速了无机聚合物水化反应的进行,无机聚合物淤泥固化砂浆具有优异的早期力学性能。

标签:
固废
江苏 - 南京 来源:中冶有色网 2023-03-19
蒸发系统
蒸发系统 1157     
 0

一种蒸发系统,所述蒸发系统包括:换热器,用于接收废水和固体颗粒,使废水和固体颗粒的混合物与热源进行换热升温,并导出换热升温后的混合物;固液分离器,分别连接换热器和低温蒸发器,用于从换热器接收混合物,并过滤掉固体颗粒和析出晶粒;低温蒸发器,连接固液分离器,用于从固液分离器接收废水;低温蒸发器还设置有干空气入口、湿空气出口、蒸发室和第二废水出口,干空气入口用于通入干空气,蒸发室用于使干空气和废水进行直接接触,使废水蒸发并得到湿空气,湿空气出口用于排出湿空气,第二废水出口用于导出蒸发浓缩后的废水。该蒸发系统能改善结垢堵塞的问题,提高换热效率,实现废水中碳酸钙的资源化回收。

标签:
固废
江苏 - 南京 来源:中冶有色网 2023-03-19
碳酸盐胶凝材料及其制备方法

一种碳酸盐胶凝材料及其制备方法,以高镁卤水MgCl2为原料,沉淀制取Mg(OH)2,以制取的Mg(OH)2和固体废弃物作为主要组分,经高浓度CO2碳化制备出胶凝材料。本发明为高效经济利用镁资源提供新途径,也为资源化利用温室气体CO2提供新方法。制备的胶凝材料具有低碳环保、成本低、力学强度高、防火性能好、环境友好等优点。该胶凝材料还可结合大量的固体废弃物,提高了固体废弃的利用率,促进低碳循环发展。

标签:
固废
江苏 - 南京 来源:中冶有色网 2023-03-19
用于建材中的掺合料及其制备方法

本发明公开了一种用于建材中的掺合料及其制备方法,它由大部分的建筑固体废弃物,通过物理均化,经特殊生产工艺加工而成的一种绿色建材。本掺合料中的建筑固体废弃物是城市建筑垃圾的主要组成部分,即建造或拆除建筑物时,产生的巨量固体废弃物,经过回收再利用,可大量使用到商品混凝土、商品砂浆、水泥与水泥预制等建材领域中,等量取代现有的粉煤灰或矿粉或部分水泥,节约成本,有效地保护了环境,符合国家循环经济,废物再利用政策。

标签:
固废
江苏 - 南京 来源:中冶有色网 2023-03-19
环保型生活污水处理设备

本发明公开了一种环保型生活污水处理设备,包括进水管、固体废物处理机构、污水处理机构、净化机构和出水管,进水管右端固定连接污水处理机构左侧顶部,污水处理机构左侧靠近进水管底部固定连接固体废物处理机构右侧,污水处理机构右侧固定连接净化机构左侧。该环保型生活污水处理设备将生活污水通过进水管进水,传送带将固体生活废物和水隔离出来,隔离出来的固体废物通过从动辊和主动辊带动传送带活动,将其传送至废物箱内,此时废物箱内挡板在固体废物达到一定时,通过第一滑轮和第二滑轮在齿轮带动下挡板盖住废物箱顶部,液压升降移动杆上移将固体废物压成块状,下移过程中压簧将弹板具有一定角度,使得固体废物从出口出去。

标签:
固废
江苏 - 南京 来源:中冶有色网 2023-03-19
利用磁选尾渣制备聚合氯化铝铁的装置和方法

本发明提供了一种利用磁选尾渣制备聚合氯化铝铁的装置和方法,该装置包括依次连接的烧结装置、冷却装置、磨细装置、浸出装置、过滤装置和聚合陈化装置,该装置结构简单,所需温度较低,能耗较低。该方法包括以下步骤:将磁选尾渣焙烧、冷却磨细后用盐酸浸出,然后进行过滤,滤液加碱液进行聚合,经陈化后得到聚合氯化铝铁溶液,干燥后可得聚合氯化铝铁固体产品,整个工艺过程中不需要额外的添加剂,工艺简单,工艺所需反应温度低于常规工艺如隧道窑、回转窑、竖炉或转底炉处理赤泥所需温度,能耗低,可以将二次固废磁选尾渣充分利用,生产高附加值产品。

标签:
固废
江苏 - 南京 来源:中冶有色网 2023-03-19
二氧化硫气体的处理装置及方法

本发明公开了一种二氧化硫气体的处理装置及其方法,包括气体冷却器、旋风分离器、氢钠一级吸收塔、亚钠二级吸收塔和中和釜,所述气体冷却器的输出端连通酸洗涤塔,所述酸洗涤塔的输出端连通旋风分离器,所述酸洗涤塔输入端连接浓硫酸循环箱,所述旋风分离器输出端连接氢钠一级吸收塔,所述氢钠一级吸收塔连通亚钠二级吸收塔,所述亚钠二级吸收塔输出端连通中和釜,本发明的有益效果:本装置比较其他装置的优势主要在于原料成本低、流程简单、无副产物、无固废、环保安全;本装置为规模化、连续化、自动化的工艺路线,可同时制备亚硫酸氢钠溶液产品和无水亚硫酸钠固体颗粒产品两种产品,产品种类丰富。

标签:
固废
江苏 - 南京 来源:中冶有色网 2023-03-19
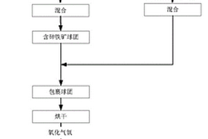
含砷铁矿与电石渣的综合利用方法与系统

本发明公开了一种含砷铁矿与电石渣的综合利用方法与系统。本发明首先提供了含砷铁矿与电石渣的综合利用方法,包括:(1)含砷铁矿进行破碎磨细,加入粘结剂进行造球,得到含砷铁矿球团;(2)将电石渣和粘结剂混匀后,包裹在含砷铁矿球团表面;(3)将包裹后的球团进行烘干处理;(4)烘干后的球团在氧化气氛下进行焙烧;(5)将焙烧后的球团去除外壳,得到含铁球团。本发明进一步提供了实现上述方法的专用系统。本发明含砷铁矿和电石渣的综合利用方法和系统采用工业固体残渣电石渣对含砷铁矿中有害元素砷进行脱除,不仅实现工业固废及含砷铁矿的综合利用;还简化了设备,不用增加后续尾气回收装置,降低了生产成本,提高了经济效益。

标签:
固废
江苏 - 南京 来源:中冶有色网 2023-03-19
干法脱硫灰转化脱硫石膏的工艺方法

本发明属于固废处理技术领域,特别涉及一种干法脱硫灰转化脱硫石膏的工艺方法包括以下步骤:步骤1,将水和干法脱硫灰加入氧化塔,搅拌成干法脱硫灰溶液;步骤2,所述干法脱硫灰溶液在搅拌条件下通入烧结机烟气进行反应;步骤3,反应完全后,将溶液进行固液分离;步骤4,固液分离制得到液体返回氧化塔,分离出的固体进入蒸馏装置;步骤5,在蒸馏装置进行固液分离,蒸馏出的水蒸气返回氧化塔,留下的固体作为脱硫石膏;固液分离制得到液体还可进一步通过沉淀法去除氯化钙、亚硝酸钙;本发明充分利用的烧结机机头的烟气的温度和烟气中的二氧化硫的介质实现了干法脱硫灰中亚硫酸钙转化,同时解决了氯化钙、亚硝酸钙带来二次污染的问题。

标签:
固废
江苏 - 南京 来源:中冶有色网 2023-03-19
同步法利用锌灰锌渣生产有机锌/铁肥的方法及应用

同步法利用锌灰锌渣生产有机锌/铁肥的方法及应用,该技术属于环境保护和肥料生产领域。该技术通过以下步骤实现:利用热镀锌厂和锌制品厂生产过程中产生的固体危废锌灰锌渣做原料,控制微量有害重金属Cd等元素后,跟腐植酸等有机多元酸反应,在一个反应中同时生成腐植酸锌/铁等有机锌盐和有机铁盐,跟不同分子量大小的腐植酸等反应,生成不同含量的腐植酸锌和腐殖酸铁,既解决了热镀锌厂、锌制品厂固废锌灰锌渣环境污染问题,又解决了农田土壤缺锌缺铁影响作物生长问题,同时提高了植物锌肥和铁肥的生物利用率,提高了作物的品质。

标签:
固废
江苏 - 南京 来源:中冶有色网 2023-03-19
S-亚硝基谷胱甘肽的制备方法

本发明公开一种S‑亚硝基谷胱甘肽的制备方法,包括如下步骤:(1)配制谷胱甘肽水溶液;(2)将一氧化氮气体与空气或氧气的混合气体通入谷胱甘肽水溶液中,室温或冰浴条件下搅拌反应,得到S‑亚硝基谷胱甘肽水溶液。本发明直接利用一氧化氮气体为原料,导入谷胱甘肽水溶液中,生成可直接用于终端用途的GSNO水溶液,反应底物转化率高,可达到99%以上,且反应液中GSNO纯度较高;而且,本发明不使用任何其它无机或有机试剂和原料,反应液为纯粹的GSNO水溶液,不含其它金属离子和有机溶剂,该GSNO水溶液可直接用于制备一氧化氮缓释产品,或制得GSNO固体;本发明合成条件温和,合成过程中无需腐蚀性试剂,无固废和液废产生,符合绿色化学的理念。

标签:
固废
江苏 - 南京 来源:中冶有色网 2023-03-19
石膏基瓷砖胶接材料及其制备方法

本发明公开了一种石膏基瓷砖胶接材料及其制备方法,属于建筑材料技术领域。所述石膏基瓷砖胶接材料的原料按重量份数计包括:石膏50~55份,骨料20~30份,粉煤灰10~15份,水泥8~12份,胶粉2~4份,保水剂0.2~0.4份,防水剂0.4~0.6份,减水剂0.05~0.15份和缓凝剂0.05~0.1份。将所有原料混合均匀,即制得石膏基瓷砖胶接材料。该石膏基瓷砖胶接材料早期强度高、体积稳定性好、耐水性好,所用原料大部分为工业固体废弃物,减小了生态环境压力,实现了工业固废的回收利用,推进了建筑材料绿色化改造。

标签:
固废
江苏 - 南京 来源:中冶有色网 2023-03-19
利用地铁盾构尾砂制备的湿拌砂浆及其制备方法

本发明属于建筑固体废弃物回收再利用技术领域,尤其公开了一种利用地铁盾构尾砂制备的湿拌砂浆及其制备方法。本发明提供的湿拌砂浆通过合理的组分选择与搭配,克服了地铁盾构尾砂所存在的泡沫剂引入的不规则气泡难以稳定存在以及含泥量高所带来的应用时易造成墙面开裂的不利影响。该湿拌砂浆是一种高效资源化利用地铁盾构尾砂后得到的节能减排产品,实现了废旧资源的再循环利用,减少了地铁施工固废的排放。该湿拌砂浆的砂浆性能稳定,具有保水性能好、施工性损失小、粘结强度高、抗压强度高等优点,可广泛应用于抹灰砂浆、砌筑砂浆、地面砂浆中。

标签:
固废
江苏 - 南京 来源:中冶有色网 2023-03-19
利用脱硫石膏制备重金属吸附剂的方法

本发明公开了一种利用脱硫石膏制备重金属吸附剂的方法。本方法包括如下步骤:(1)脱硫石膏的预处理;(2)脱硫石膏合成羟基磷灰石粉末;(3)重金属吸附剂颗粒的制备。本发明采用燃煤电厂的固体废弃物脱硫石膏作为原料,制备出一种高吸附效率、环境友好的重金属吸附剂,这不仅给脱硫石膏找到了一条可行的出路,缓解了燃煤电厂的固废处置压力,而且实现了“变废为宝”、“以废治废”的环保理念。

标签:
固废
江苏 - 南京 来源:中冶有色网 2023-03-19
上一页 68 69 70 71 72 ... 98 下一页
共98页    到第

中冶有色为您提供最新的江苏南京有色金属固/危废处置技术理论与应用信息,涵盖发明专利、权利要求、说明书、技术领域、背景技术、实用新型内容及具体实施方式等有色技术内容。打造最具专业性的有色金属技术理论与应用平台!

全国热门有色金属设备推荐
展开更多 +
全国热门有色金属技术推荐
展开更多 +

 

江西省隆恩特环保设备有限公司
宣传

报名参会
更多+

报告下载

有色专家
更多+

武汉理工大学
副主任/研究员
中国矿业大学
教授
昆明理工大学
校长
矿冶科技集团有限公司工程公司
副总经理
赣州江钨钨合金有限公司
工程师
赤泥综合利用研究报告2025
推广

热门技术
更多+

推荐企业
更多+

福建省金龙稀土股份有限公司
宣传

发布

在线客服

公众号

电话

顶部
咨询电话:
010-88793500-807