青岛垚鑫智能科技有限公司
宣传

位置:中冶有色 >

有色技术频道 >

> 废水处理技术

分类:
全部
矿山技术
冶金技术
材料制备及加工技术
环境保护技术
分析检测技术
 
全部
废水处理技术
大气治理技术
固/危废处置技术
土壤修复技术
地区:
全部
北京
天津
上海
重庆
河北
山西
辽宁
吉林
黑龙江
江苏
浙江
安徽
福建
江西
山东
河南
湖北
湖南
广东
海南
四川
贵州
云南
陕西
甘肃
青海
内蒙
广西
西藏
宁夏
新疆
其他
其他
展开
 
全部
南京
无锡
徐州
常州
苏州
南通
连云港
淮安
盐城
扬州
镇江
泰州
宿迁

江苏无锡有色金属废水处理技术理论与应用

免费发布技术信息>>
污废水高效处理设备及方法

本发明提供了一种污废水高效处理设备,包括依次连接的收油装置(1)、生物净化-氧化装置(2)、过滤装置(3)。本发明还提供了一种利用上述设备高效处理污废水的方法。该设备使用方便,运行成本低,处理效果好,处理效率高,通过收油装置、生物净化-氧化装置、过滤装置的组合,能够有效降解并去除油田三元污水、高含聚浓度(﹥500mg/L)高粘度含油污水、低含聚浓度(﹤500mg/L)含油污水、聚区废液、化工废水等污水中的污染物,使污水得到净化。

标签:
废水处理
江苏 - 无锡 来源:中冶有色网 2023-03-19
应用于养殖池废水的处理系统

本实用新型属于养殖废水处理应用技术领域,具体公开了应用于养殖池废水的处理系统,包括与养殖废水管连接的养殖废水集液池,及与养殖废水集液池连接的回转格栅除污池,及与回转格栅除污池连接的调节池,及与调节池连接的第一沉淀池,及与第一沉淀池连接的第一生物池,及与第一生物池连接的第二生物池,及与第二生物池连接的第二沉淀池,及与第二沉淀池连接的第一消毒池,及分别与调节池、第一消毒池连接的第一投药装置、第二投药装置。本实用新型的有益效果在于:其设计结构合理,能对养殖废水进行高效、稳定的处理生产作业,实现养殖废水的环保处理排放要求,同时占地少、运行经济,抗冲击浓度能力强,处理效率高、管理维修方便。

标签:
废水处理
江苏 - 无锡 来源:中冶有色网 2023-03-19
带电镀废水处理装置的电镀槽设备

本发明公开了一种带电镀废水处理装置的电镀槽设备,包括:电镀槽本体、第一废水处理装置、第二废水处理装置、第一重金属回收装置、第二重金属回收装置和回收水装置,所述的电镀槽本体的一侧通过管道依次与所述的第一废水处理装置、所述的第二废水处理装置和所述的回收水装置相连通,所述的第一废水处理装置上连接有所述的第一重金属回收装置,所述的第二废水处理装置上连接有所述的第二重金属回收装置。通过上述方式,本发明能够将电镀后的镀液废水直接治理,贵重金属直接回收,消除和减少重金属的排放量。

标签:
废水处理
江苏 - 无锡 来源:中冶有色网 2023-03-19
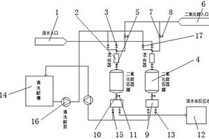
二氧化碳废水降低硬度处理系统

本发明公开了一种二氧化碳废水降低硬度处理系统,包括废水入口,所述废水入口与混合器的顶部相互连接,所述废水入口与混合器之间设置有第一电磁阀,所述混合器的底部与二氧化碳容器罐的顶部相互连接,所述二氧化碳容器罐与混合器之间设置有第二电磁阀,所述混合器的顶部与二氧化碳入口相互连接,所述第四电磁阀上安装有第二PH计,所述管式精密过滤器的底部与废水去反应池相互连接,所述废水去反应池与管式精密过滤器之间设置有第五电磁阀;本发明通过二氧化碳和废水的反应,能够形成碳酸钙颗粒,从而使得废水的硬度能够降低,且通过管式精密过滤器能够过滤掉废水中的碳酸钙颗粒,从而能够较大程度的降低废水的硬度。

标签:
废水处理
江苏 - 无锡 来源:中冶有色网 2023-03-19
自洁式氨氮废水处理成套装置

本发明涉及一种高浓度氨氮废水处理成套装置,它包括溶解溶药葙、废水稳流导流筒、砂石交换清洗器、滤料、挡砂布水器、砂石气提管、空气压缩机输出管、空气输入管、监测探头与自动控制系统等。本发明可处理物化、生化法无法处理的高浓度氨氮废水,同时可避免其它方法处理高氨氮废水时,需加碱、加酸、加温来达到处理效果的缺点,既降低了运行成本,又节省了占地面积。饱和后的滤料经粉碎后可作为植物作缓释肥料,整个设备运行至滤料回收利用无二次污染。

标签:
废水处理
江苏 - 无锡 来源:中冶有色网 2023-03-19
低温蒸发冷凝处理废水的单元组件

本发明公开了一种低温蒸发冷凝处理废水的单元组件,其特征是它包括密封箱体(1),所述密封箱体(1)的顶部设有两个热废水进口(2),两个热废水进口(2)的下端均设有布水器(3),所述布水器(3)的下方均设有基板(4),基板(4)两侧覆盖无纺布(5)组成蒸发板,所述两个基板(4)之间通过冷却空腔(6)隔开,密封箱体(1)的底部通过挡板(8)分隔形成冷凝水槽和废水槽,所述基板(4)下端位于废水槽中,所述冷凝水槽中设有凝结水出口(9),废水槽中设有未蒸发废水出口(10)。本发明结构简单实用,在一个密闭空间内设置了两个低温蒸发冷凝面,提高了单位体积处理废水的能力。

标签:
废水处理
江苏 - 无锡 来源:中冶有色网 2023-03-19
高浓度有机废水处理用的催化氧化装置

一种高浓度有机废水处理用的催化氧化装置,包括罐体、开设于罐体顶端的排气口、开设于罐体侧壁近顶端的进水口、与进水口连接且伸入罐体内的布水管、设置于布水管下方的填料层、用于承托填料层的承托筛板、安装于承托筛板上的短柄滤头、设置于承托筛板下方的排水管,填料层由上中下三层填料组成,上层填料为碳基载体,中层填料为瓷球,下层填料为瓷环,所述碳基载体包括活性碳基体以及镀于活性碳基体表面的贵金属层,填料层的近底部,承托筛板的上方设置有曝气装置。通过设置碳基载体作为催化剂,并合理改进和优化结构,能最大化的发挥碳基载体催化剂的效果;在印染废水、含油废水、含酚废水、焦化废水、含硝基苯废水、二苯胺等高浓有机废水处理中体现了很广泛的应用。

标签:
废水处理
江苏 - 无锡 来源:中冶有色网 2023-03-19
甲醛废水的预处理方法

一种甲醛废水的预处理方法,包括以下步骤:(1)将含甲醛废水输入到甲醛废水收集池,在甲醛废水收集池中加入液碱调节甲醛废水pH值的范围至11‑13;(2)将调解pH值后的甲醛废水通过加热装置预热,甲醛废水预热至60~80℃后输入到甲醛废水催化反应塔中,甲醛废水催化反应塔内预先设置碳酸钙,在碳酸钙的催化作用下,甲醛与液碱进行聚糖反应,加热装置与甲醛废水催化反应塔连接的管道上设有计量泵,计量泵控制预热后的甲醛废水进入甲醛废水催化反应塔,甲醛废水在甲醛废水催化反应塔内聚糖反应的停留时间为3~5小时。

标签:
废水处理
江苏 - 无锡 来源:中冶有色网 2023-03-19
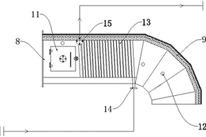
烟道内废水预热装置
烟道内废水预热装置 901     
 0

本实用新型公开了一种烟道内废水预热装置,包括废水罐、废水离心泵、烟道预热组件、喷枪以及燃烧室,所述废水离心泵通过管道与废水罐连通,所述烟道预热组件通过管道与废水离心泵输出端连通,所述喷枪通过管道与烟道预热组件连通,所述喷枪输出端连通有燃烧室。本实用新型通过在烟道本体内增设有预热盘管,因此高温气体在流动的过程中,利用预热盘管中的废水可对热量进行吸收,实现了对烟气的快速降温,减少了高温烟气对烟道本体的损伤,降低了耐火材料层的厚度,其二:在对高温烟气进行换热时,可对预热盘管中的废水进行升温处理,实现了对热能的再次利用,可对后续加工的废水进行预热处理,提高了资源的完美利用,节能环保。

标签:
废水处理
江苏 - 无锡 来源:中冶有色网 2023-03-19
用于实验室废水的混凝气浮膜蒸馏集成系统

本发明公开了一种用于实验室废水的混凝气浮膜蒸馏集成系统,包括预处理装置和膜蒸馏装置,预处理装置包括依次连通的混合池、絮凝沉淀池以及气浮池;其中气浮池的上方与膜蒸馏装置连通;混合池内设置有化合物粉碎机构;化合物粉碎机构包括设置在混合池内的加料箱,加料箱的上方竖直设置有气缸,气缸的活塞杆上设置有推板;加料箱的底部设置有若干出料孔,推板上设置有与小孔一一对应设置有的破碎齿。本发明中采用混合池、絮凝沉淀池以及气浮池进行预处理,以去除实验室废水中的表面活性剂,提升废水表面张力,通过膜蒸馏装置对预处理后的废水进行减量化和无害化处理,减少废水排放,并对蒸馏多得到的清洁水进行资源化利用。

标签:
废水处理
江苏 - 无锡 来源:中冶有色网 2023-03-19
化工园区纳管废水处理系统及处理工艺

本发明公开一种化工园区纳管废水处理系统及处理工艺。包括S1、在调节池中将待处理废水调节至酸性;S2、将调节后的废水通过提升泵泵入到进水区中,随着泵入的废水增多,由下至上依次浸没进水区和填料区进入到出水区中,且部分废水通过回流口和回流管回流至进水区;通过ORP监控仪对进水量进行监控,并对还原塔进行反冲洗处理;S3、出水区中废水经排水口进入到混凝气浮池中,并依次经过混凝区、絮凝区和沉淀区;在沉淀区将废水中的悬浮物去除,然后通过提升泵将沉淀后产生的上清液泵入到生物槽反应器中,通过溶解氧检测仪监测DO值;S4、在生物槽反应器中废水经生化处理实现COD的降解与总氮的去除,最后进入二沉池,即完成对纳管废水的处理。

标签:
废水处理
江苏 - 无锡 来源:中冶有色网 2023-03-19
钻井平台废水处理工艺
钻井平台废水处理工艺 1076     
 0

一种钻井平台废水处理工艺,包括以下步骤:(1)将钻探废水导入混凝池,并向混凝池中加入氢氧化钠调节PH值大于9,静置12~24小时;(2)继续向废水中加入絮凝剂和助凝剂,通过搅拌后使废水混凝沉淀;(3)将混凝沉淀的废水进行过滤处理,废水排入氧化反应池氧化,产生的沉淀经自动压泥渣机压制成块;(4)将步骤(3)处理后的废水经过氧化剂氧化处理,出水即可达标排放。本发明具有设备占地少,构造简单,操作简便,废水处理效果好,运营成本较低,同时对环境产生的污染也较少。

标签:
废水处理
江苏 - 无锡 来源:中冶有色网 2023-03-19
高浓度废水处理装置
高浓度废水处理装置 733     
 0

本发明涉及一种高浓度废水处理装置,它包括多个加热室和分离室的连接,使污水在设备中经过蒸发到冷凝的多次过程,最终能使废水达到环保排放的要求。本发明可处理生化方法无法处理的高浓度的废水,可回收利用有机和无机废物,运行成本低,耗汽量为1∶0.2~0.24(即1吨冷凝水耗220~240KG蒸汽),整个处理过程无二次污染。

标签:
废水处理
江苏 - 无锡 来源:中冶有色网 2023-03-19
油田废水环保处理方法

本发明提供了一种油田废水环保处理方法,先在集气站内或集气站附近用通风方法蒸发油田废水的水分,以缩减油田废水体积,形成浓缩油田废水;然后再将浓缩油田废水送至另外一个地点或站点,以使油田废水环保;或先在井场内或井场附近用通风方法蒸发油田废水的水分,以缩减油田废水体积,形成浓缩油田废水;然后再将浓缩油田废水送至另外一个地点或站点,以使油田废水环保;或先在净化厂内或净化厂附近用通风方法蒸发油田废水的水分,以缩减油田废水体积,形成浓缩油田废水;然后再将浓缩油田废水送至另外一个地点或站点,以使油田废水环保,本发明的处理方法安全可靠、成本低且环保效果显著。

标签:
废水处理
江苏 - 无锡 来源:中冶有色网 2023-03-19
处理磷酸三酯类阻燃剂废水的方法

本发明公开了一种处理磷酸三酯类阻燃剂废水的方法,其步骤为:将废水调pH至4~6,向其中加入双氧水,在表面催化剂存在下发生催化氧化;将废水通入生化配水池,调pH至7.5~8;将废水泵入生化系统,降解废水中的有机污染物同时去除废水中的总磷污染物;将废水通入二沉池,沉淀污泥外运处理,上清液通入除磷反应池,加入混凝剂和石灰,充分反应后混合液通入除磷沉淀池,上清液达标排放,污泥外运处理。本发明在常温常压下进行,反应条件温和,自动化程度高,操作简便,设备投资少,出水经生化处理后,COD完全达标排放,再经过化学除磷,使总磷达标排放,使污染物降到很低的水平,色度大幅度降低,具有良好的环境效应。

标签:
废水处理
江苏 - 无锡 来源:中冶有色网 2023-03-19
高氨氮稀土湿法冶炼皂化废水的深度处理工艺

本发明公开了一种高氨氮稀土湿法冶炼皂化废水的深度处理工艺,其特征在于:先向稀土湿法冶炼萃取液皂化废水中投加反应药剂,进行反应,反应后沉淀,分离出固体废渣,再向清液中通入含CO2的废烟气,并使废水中Ca2+的含量在0.01mol/L以下,过滤,然后将废水调pH值至10.5~11.0并加热至55~65℃后,通入脱氨塔中进行负压蒸氨式脱氨处理,脱氨后回调废水的pH值到6~9。本发明采用生石灰、废烟气与负压蒸氨相协同配合的方法,不仅去除了稀土湿法冶炼萃取液皂化废水中的各种金属F-,SO42-等离子,还去除了被忽视在钙离子,避免了后续设备的结垢问题,同时还处理了锅炉产生的废烟气。

标签:
废水处理
江苏 - 无锡 来源:中冶有色网 2023-03-19
从聚酯废水中提取乙醛乙二醇的方法

本发明公开了一种从聚酯废水中提取乙醛乙二醇的方法,将待处理聚酯废水通入收集罐,静置;废水通入到一号汽提塔处理,持续5~6小时;废水继续通入乙醛精馏塔处理,塔顶收集到的乙醛气体直接收集;废水继续通入二号汽提塔处理,该汽提塔处理参数及时间同一号汽提塔;一号、二号汽提塔底部收集的废水通入乙二醇分离塔分离得到乙二醇和水及其他有机物,乙二醇直接收集,水和其他有机物另作处理。本发明回收的乙醛纯度高,纯度95%左右;回收的乙二醇纯度大约为85%;回收到乙醛的质量指标能到达用乙烯氧化得到乙醛的质量指标。

标签:
废水处理
江苏 - 无锡 来源:中冶有色网 2023-03-19
处理含聚乙二醇废水的方法

本发明公开了一种处理含聚乙二醇废水的方法,其特征是其步聚如下:首先将含聚乙二醇(PEG)废水调整pH到沉淀所需值10-11,进行化学混凝沉淀,在沉淀工段中当出水pH>9时,再调整进水pH值,沉淀后进行过滤,含聚乙二醇废水通过沉淀和过滤单元操作后,再将软化后废水进入紫外芬顿氧化反应器进行处理。本发明工艺简单、紧凑、常温常压、可操作性强、处理效果好。经过本发明方法处理后的废水中有害无机物、胶体已除去,废水已软化,只需常规二级处理工艺就可将废水后续处到达标排放,适用于各种含聚乙二醇难降解废水处理,尤其适用于太阳能行业硅片加工工艺中清洗液废水的处理。

标签:
废水处理
江苏 - 无锡 来源:中冶有色网 2023-03-19
有机废水蓄热焚烧炉
有机废水蓄热焚烧炉 1109     
 0

本实用新型公开了一种有机废水蓄热焚烧炉,包括废水槽和送风机,所述废水槽通过废水管线与废水燃烧器连接,所述废水燃烧器固定在热氧化室的顶部,所述废水槽的一侧设置有天然气管道,所述天然气管道通过天然气管线与天然气燃烧器连接,所述天然气燃烧器固定在热氧化室的顶部且位于废水燃烧器的一侧,所述热氧化室的底部设置有气体分布室。该有机废水蓄热焚烧炉,采用蓄热氧化工艺来处理化工生产产生的废水和废气,燃烧温度控制在850度以上,确保废水和废气中的有机物被完全高温氧化,同时采用蓄热式热氧化器处理,有利于最大限度地降低能耗同时最大限度的回收热量;高温烟气与蓄热陶瓷换热回收热能后达标排放。

标签:
废水处理
江苏 - 无锡 来源:中冶有色网 2023-03-19
处理荧光增白剂染料废水的方法

本发明公开了一种处理荧光增白剂染料废水的方法,其步骤为:将荧光增白剂废水通入电催化氧化反应,使废水中的BBU(荧光增白剂废水特征污染物)。得到大部分的去除,电催化氧化出水调pH至2‑4,进行微电解反应,消除电催化氧化产生的余氯,电催化氧化出水调pH至2‑4,进行微电解反应,消除电催化氧化过程中产生的余氯及进一步提高废水的可生化性;调pH至7.5‑8;将废水泵入生化系统,采用ABR厌氧/连续好氧/BAF好氧降解有机污染物同时对废水总的有机氮进行氨化、硝化、反硝化;沉淀污泥外运处理,上清液达标排放。本发明运行成本低、出水经生化处理后,COD、氨氮、总氮完全达标排放,具有良好的环境效应。

标签:
废水处理
江苏 - 无锡 来源:中冶有色网 2023-03-19
新型投料活性污泥法处理焦化废水工艺

本发明公开了一种新型投料活性污泥法处理焦化废水工艺,包括如下步骤:经过预处理的废水进入生化处理工艺,焦化废水首先进入A级生化池,为反硝化提供碳源,然后进入0级生化池,在好氧环境下进行氧化及硝化反应,0级生化池出水进入二沉池;二沉池出来的上清液进入后级处理系统,沉淀污泥一部分回流进入A级生化池和0级生化池;另一部分进入污泥浓缩池。由于在生化池中投加絮凝剂,大大提高了耐受负荷的能力,抗冲击能力大为增强;生化反应池面积可降至传统活性污泥法反应池面积的70%,节约投资成本,降低了运行费用;而本发明的工艺对焦化废水、造纸黑液、氯霉素废水的脱色率可高达80%以上。

标签:
废水处理
江苏 - 无锡 来源:中冶有色网 2023-03-19
油田废水处理方法
油田废水处理方法 1004     
 0

本发明公开一种油田废水处理方法,该方法是用淡化方法将水分从油田废水中分离出来,形成浓缩油田废水,以缩减油田废水的体积;同时本发明还公开了将浓缩油田废水进一步无害化的方法。本发明克服了现有油田废水处理方法的不足,能够有效解决油田废水无害化处理问题,能够有效解决油田废水污染环境问题,能够有效回收利用油田废水中的采气助剂和有用物质,能够大幅降低从油田废水中回收利用其所含采气助剂和有用物质的成本、能耗,能够大幅降低油田废水的运输量与运输成本、处理能耗与费用;具有实施容易,安全可靠,应用广泛,推广容易等优特点;经济效益、环保效益显著。

标签:
废水处理
江苏 - 无锡 来源:中冶有色网 2023-03-19
化学镀镍废水水循环回用与镍资源循环再利用的方法

本发明公开了一种化学镀镍废水水循环回用与镍资源循环再利用的方法,该方法为:(1)化学镀镍废水进入强碱性阴离子交换树脂,进行络合物的吸附,破络处理,使镍络合脱稳;(2)以强酸性阳离子交换树脂吸附经步骤(1)处理后镀镍废水中所含的镍离子;(3)以强碱性阴离子交换树脂吸附经步骤(2)处理后废水中残留的阴离子,同时降低电导度;(4)过滤去除步骤(3)废水中的悬浮颗粒、胶体物质或有机物;(5)将步骤(4)处理后废水用反渗透设备处理,产水可回收使用,反渗透设备产生的浓水循环回到步骤(1)再处理。本发明由于水循环回用完全没有排水,属于零排放,所以没有排放水超标的问题,原废水里的镍也制作成碱式碳酸镍回收资源。

标签:
废水处理
江苏 - 无锡 来源:中冶有色网 2023-03-19
零排放电厂废水处理装置及其处理方法

本发明公开了一种零排放电厂废水处理装置,包括方形底座,方形底座顶端的中部安装有废水处理箱体,废水处理箱体一侧的中部固定安装有波纹管道,波纹管道的一端连接有固定设有抽水泵,抽水泵的一端固定设有进水法兰,废水处理箱体顶端的一侧固定安装有加药结构,废水处理箱体顶端的开口处通过开设有的条形槽活动设有废水净化结构,废水处理箱体顶端的另一侧固定设有抽气结构,抽气结构的一端固定设有气体管道,本发明通过设有的密封板、RO膜滤层、超滤膜层和方形把手,便于双重过滤废水,提高废水的净化效果,同时通过方形把手便于取出RO膜滤层以及超滤膜层,方便更换,提高净化结构的净化效果,保证废水处理装置的有效性。

标签:
废水处理
江苏 - 无锡 来源:中冶有色网 2023-03-19
钢铁废水处理用智能加药装置

本实用新型公开了一种钢铁废水处理用智能加药装置,涉及自动加药装置技术领域,为解决现有自动加药装置在更改废水池中的废水水量时,无法自动判断废水水量并且调节添加药剂剂量,在添加药剂后无法快速使废水池中的药剂与废水混合均匀,导致效率较低的问题。所述废水池的一侧上方后端设置有液位座,所述液位座的下方设置有液位计,所述废水池的一侧下方设置有酸碱探针,所述废水池的内部四面均设置有进水口,所述进水口的另一侧设置有出水口,所述进水口与出水口之间内部设置有水泵,所述液位计、酸碱探针与水泵均与控制箱电性连接。

标签:
废水处理
江苏 - 无锡 来源:中冶有色网 2023-03-19
脱硫废水旋流除尘法
脱硫废水旋流除尘法 935     
 0

本发明提供了一种脱硫废水旋流除尘法,其中,经石膏脱水系统处理后的废水经过废水旋流器处理后,一部分底流去脱硫塔重复利用,一部分溢流去废水箱收集,废水输送至旋转喷雾器进行雾化,雾化后的雾滴下行,与从空气预热器前接入的高温烟气逆行接触,蒸发后的废水中固体颗粒与烟气整体下行至旋转蒸发塔下部,经旋转蒸发塔出口烟道进入除尘器前烟道,废水以净化水蒸气的形式通过除尘器进入脱硫塔。本发明废水治理稳定性高,不受机组负荷影响,投资和运行费用低,节省水耗和能耗,实现废水同时增加烟气湿度,提高除尘器除尘效率。

标签:
废水处理
江苏 - 无锡 来源:中冶有色网 2023-03-19
多功能联合处理工业排放物的装置

本实用新型涉及一种多功能联合处理工业排放物的装置;其特征在于:包括沉淀废液的沉淀机构、收集地面废水的收集机构、处理酸雾的喷淋塔、回收铝酸钙粉的除尘机构、过滤油雾的回收机构和输送铝酸钙粉的输送装置;沉淀机构分别连通收集机构、喷淋塔、除尘机构和回收机构;收集机构埋于地面;喷淋塔内设置有喷射碱液的喷洒机构;喷洒机构的喷洒端置于喷淋塔内,喷洒机构的收集端连通碱液源;输送装置的一端连通除尘机构,输送装置的另一端连通沉淀机构。解决了现有方案造成的聚合硫酸铁和聚合氯化铝的生产场地污染严重生产场地的地面冲洗水、雨水会对周围环境造成影响和采用喷淋水无法将酸雾中酸性物质吸附干净等问题。

标签:
废水处理
江苏 - 无锡 来源:中冶有色网 2023-03-19
工业节能减排式烟尘净化器

本申请公开了一种工业节能减排式烟尘净化器,包括基座,所述基座顶端固定连接箱体,所述箱体内壁底端固定连接储水箱,所述储水箱与箱体顶端均搭接盖板,所述基座底端固定连接支撑腿,所述支撑腿设有通槽,所述箱体内侧壁固定连接净化箱,所述净化箱固定连接进风管的一端,所述进风管的另一端延伸至箱体外。通过出水器的设置,储水箱内的水进入出水器内,通过出水孔喷出,进而对净化箱内的空气进行加湿降温,使得附着于烟内的固体颗粒污染物落下,通过净化的之后烟通过出风管排出,而带有固定颗粒的废水通过第二出水管进入储水箱内,通过活性炭过滤网的作用,对固体颗粒污染物进行过滤,进而便于水在进行循环使用,进而便于节省较多的水资源。

标签:
废水处理
江苏 - 无锡 来源:中冶有色网 2023-03-19
化工业污水净化用消毒设备

本实用新型涉及化工处理的技术领域,特别是涉及一种化工业污水净化用消毒设备,其可以在排放废水过程中进行消毒剂的添加,并且更加均匀稳定,量控制能力提高,提高可靠性;包括通水管、连接法兰、加药桶、驱动器、轴管、空心叶、消毒剂桶、注口和封帽,通水管前后端分别与一组连接法兰内端中侧内环相连接,通水管左右侧中部与加药桶的前后侧中部内端相连通,加药桶右端与驱动器内端相连接,轴管和空心叶均处于加药桶内部,其中驱动器输出端与轴管右端相连接,消毒剂桶外端与注口内端相连通,注口外侧安装有封帽,剂泵输入端与消毒剂桶内部相连通,剂泵输出端与轴管右侧相连通,轴管与空心叶内侧连通,且输出至空心叶外侧。

标签:
废水处理
江苏 - 无锡 来源:中冶有色网 2023-03-19
工业再生水处理系统
工业再生水处理系统 1093     
 0

本实用新型公开了工业再生水处理系统,UF单元包括有:提升泵、自清洗过滤器、MP超滤装置,提升泵通过水管将废水池中的水提至自清洗过滤器,自清洗过滤器的出水端经水管引至MP超滤装置,经MP超滤装置的水存至超滤产水池;RO单元包括有:提升泵、袋式过滤器、管道混合器、保安过滤器、高压泵、RO装置、活性炭过滤器、活性炭捕捉器,提升泵经过水管将超滤产水池中的水提至袋式过滤器,经过粗过滤的水体在管道混合器与阻垢剂、还原剂混合反应后进入保安过滤器,再利用高压泵将水压至RO装置中进行反渗透,经反渗透的水体高浓度部分外排,低浓度水体经活性炭过滤器、活性炭捕捉器后存储至RO原水池进行存储,利用回收再利用减少浪费以及降低污染。

标签:
废水处理
江苏 - 无锡 来源:中冶有色网 2023-03-19
上一页 65 66 67 68 69 ... 80 下一页
共80页    到第

中冶有色为您提供最新的江苏无锡有色金属废水处理技术理论与应用信息,涵盖发明专利、权利要求、说明书、技术领域、背景技术、实用新型内容及具体实施方式等有色技术内容。打造最具专业性的有色金属技术理论与应用平台!

全国热门有色金属设备推荐
展开更多 +
全国热门有色金属技术推荐
展开更多 +

 

江西省隆恩特环保设备有限公司
宣传

报名参会
更多+

报告下载

有色专家
更多+

中南大学
中国工程院院士
矿冶科技集团有限公司
党委书记 / 董事长
中南大学
中国工程院院士
江西铜业集团有限公司
党委书记、董事长
赣州江钨钨合金有限公司
工程师
赤泥综合利用研究报告2025
推广

热门技术
更多+

推荐企业
更多+

福建省金龙稀土股份有限公司
宣传

发布

在线客服

公众号

电话

顶部
咨询电话:
010-88793500-807