青岛垚鑫智能科技有限公司
宣传

位置:中冶有色 >

有色技术频道 >

> 废水处理技术

分类:
全部
矿山技术
冶金技术
材料制备及加工技术
环境保护技术
分析检测技术
 
全部
废水处理技术
大气治理技术
固/危废处置技术
土壤修复技术
地区:
全部
北京
天津
上海
重庆
河北
山西
辽宁
吉林
黑龙江
江苏
浙江
安徽
福建
江西
山东
河南
湖北
湖南
广东
海南
四川
贵州
云南
陕西
甘肃
青海
内蒙
广西
西藏
宁夏
新疆
其他
其他
展开
 
全部
南京
无锡
徐州
常州
苏州
南通
连云港
淮安
盐城
扬州
镇江
泰州
宿迁

江苏无锡有色金属废水处理技术理论与应用

免费发布技术信息>>
制药废水母液预处理装置

本实用新型提供了一种制药废水母液预处理装置,包括依次连接的管式超滤膜设备、纳滤膜设备和厌氧池,管式超滤膜设备连接有沉淀池,纳滤膜设备连接有蒸发器,沉淀池和管式超滤膜设备之间设置有排污管和回收管。本实用新型提供的制药废水母液预处理装置,对废水母液进行预处理后再进行厌氧处理,提高厌氧处理的处理效果。

标签:
废水处理
江苏 - 无锡 来源:中冶有色网 2023-03-19
废水乳化液破乳装置
废水乳化液破乳装置 1132     
 0

本实用新型提供了一种废水乳化液破乳装置,包括箱体,箱体左侧上部设置有进液口,进液口对应的箱体内部设置有进液腔,进液腔连接有填料池,填料池内设置有钙离子破乳填料,填料池与箱体右侧内壁之间形成出水腔,出水腔底部设置有出水口,箱体顶部设置有刮油机,箱体右侧上部设置有出油口。本实用新型提供的废水乳化液破乳装置,在废水经过超滤浓缩后对其进行破乳,能够将油分离出来,便于进行后续处理。

标签:
废水处理
江苏 - 无锡 来源:中冶有色网 2023-03-19
草甘膦废水处理方法
草甘膦废水处理方法 930     
 0

本发明是对草甘膦生产中产生废水处理方法的改进,其特征在于首先加水稀释至盐份≤4%,调节pH至7.5-9.5,在耐盐菌参与下进行厌氧生化破坏其中难降解有机物结构,出水调节至酸性进行Fe-C微电解反应,加碱至中性或碱性加药混凝沉淀,出水加氧化剂曝气强氧化反应,出水调节pH7-9在耐盐菌存在下进行好氧生化。采用厌氧生化-物化-好氧生化处理流程,为草甘膦废水处理提供了一条工艺简单易行,高效可靠,尤其是低成本处理工艺路线,具有同时降低处理成本,提高处理效果双重效果,处理出水能达到《国家污水综合排放标准》(GB-8978-1996)。

标签:
废水处理
江苏 - 无锡 来源:中冶有色网 2023-03-19
脱胶废水集中回收装置

本实用新型公开了一种脱胶废水集中回收装置,包括回收箱,所述回收箱的一侧固定连接有进水管,进水管的一侧固定连接有多个连接弯管,且回收箱的多侧内壁固定连接有斜板,所述回收箱的两侧内壁之间活动连接有过滤板,回收箱的两侧内壁之间活动连接有滑动板,滑动板的上表面固定连接有C形框,且滑动板的上表面放置有过滤芯,所述C形框的两侧内壁之间活动连接有回字形转动板,回字形转动板的两侧内壁之间固定连接有多个压板,且回字形转动板与过滤芯相接触。本实用新型能够在脱胶废水处理结束后,以便于对过滤机构做清理和更换,以防脱胶废水中的杂质将集中回收装置的出水管堵塞,保障脱胶废水的处理效果。

标签:
废水处理
江苏 - 无锡 来源:中冶有色网 2023-03-19
混凝土生产废水及雨水综合回收利用系统

本实用新型所述的一种混凝土生产废水及雨水综合回收利用系统,包括搅拌楼及凹设在场地平面下方的集水池,该搅拌楼设有与该集水池相连的进水管道及抽水管道,该抽水管道通入该集水池的一端连接有水泵;该集水池上方设置有防护层,该防护层上安装有若干搅拌机,该搅拌机的搅拌桨通入该集水池。这种结构的混凝土生产废水及雨水综合回收利用系统,结构简单成本低,混凝土生产过程中生产设备直接排出的废水通过进水管道通入集水池;同时冲刷场地产生的废水及雨水汇入集水池,在搅拌机的作用下混合均匀,水泵抽取后又经抽水管道回收至搅拌楼,从而实现了混凝土生产过程中零排放零污染。

标签:
废水处理
江苏 - 无锡 来源:中冶有色网 2023-03-19
屠宰废水处理系统
屠宰废水处理系统 861     
 0

本实用新型公开了一种屠宰废水处理系统,包括依次相连的格栅井、废水调节池、厌氧池、接触氧化池、沉淀池、回用水池,接触氧化池上设有回流泵,回用水池上设有第二回流泵,第二回流泵连接至接触氧化池,回用水池上设有排水口,还包括用于将所述的污泥地的污泥压滤成块的压滤机以及向压滤机将污泥压滤成块过程中投加干粉的干粉投加机,还包括与所述的接触氧化池相连接的风机。通过格栅井拦截屠宰废水中的固体悬浮物,再通过厌氧结合无需消耗电能的酸化水解工艺来去除部分有机物可节约运行成本。

标签:
废水处理
江苏 - 无锡 来源:中冶有色网 2023-03-19
含氨废水处理回收硫酸铵结晶装置

本实用新型涉及含氨废水处理装置领域,具体是一种含氨废水处理回收硫酸铵结晶装置,包括有原水池、含氨废水预热组件、氨氮分离组件和硫酸铵结晶析出组件,所述硫酸铵结晶析出组件包括有一体化气液罐、反应塔和离心机,反应塔内设有分离室,反应塔的顶部设有抽氨混合器和尾气净化器,一体化气液罐与反应塔之间设有吸收循环泵,离心机与反应塔之间设有出料泵。本实用新型的有益效果是通过一体化气液罐能够减少工厂的占用面积,通过酸储罐和加酸泵能够自动对反应塔内部添加酸液,无需工作者手动进行配酸,避免工作者手动进行配酸而出现受伤的安全隐患。

标签:
废水处理
江苏 - 无锡 来源:中冶有色网 2023-03-19
适用于精细化工废水生化段的生物激活剂及其制备方法

本发明公开了一种适用于精细化工废水生化段的生物激活剂,包括以下重量份数的组分:100~120份的维生素C、30~40份的牛磺酸、20~30份的叶酸、15~20份的核黄素、6~10份硫胺素、6~10份的吡哆素、5~10份的烟酸、和1~5份的α-淀粉酶。同时,本发明还公开了上述生物激活剂的制备方法。本发明与传统技术相比,提高出水COD的去除率;提高废水处理系统对化学物质的耐受度;在生物降解时缓冲重金属、盐类和有毒化合物的毒害作用,提高废水的可生化性;同时屏蔽了重金属离子的毒害,大大提高了整个生物处理过程的稳定性。

标签:
废水处理
江苏 - 无锡 来源:中冶有色网 2023-03-19
钢铁废水用软化装置
钢铁废水用软化装置 837     
 0

本实用新型公开了一种钢铁废水用软化装置,涉及钢铁废水技术领域,为解决现有钢铁废水处理的软水化操作中,软水化处理的效率较为低下的问题。所述气爆箱体的一端设置有第一进料管道,所述气爆箱体的上端面设置有排气管道,所述排气管道和第一进料管道的一端均贯穿并延伸至气爆箱体的内部,所述检测机构的后端面设置有回送管道,且回送管道的一端贯穿并延伸至检测机构的内部,所述回送管道的另一端设置在反应箱体的上方,所述检测机构和反应箱体之间设置有第三连接管道,且第三连接管道的两端分别贯穿并延伸至检测机构和反应箱体的内部,所述气爆箱体的内部设置有第二内腔体,所述第二内腔体内部的上方两侧均设置有制气机构。

标签:
废水处理
江苏 - 无锡 来源:中冶有色网 2023-03-19
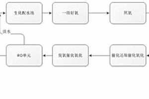
羧甲基纤维素钠生产废水的资源化处理系统及处理方法

本发明公开了一种羧甲基纤维素钠生产废水的资源化处理系统及处理方法,属于水处理领域,本发明的系统依次包括耐盐菌生化系统、催化还原催化氧化单元、臭氧催化氧化单元、RO单元、MVR机械蒸发单元、粗盐精制单元;所述的耐盐菌生化系统包括依次耐盐菌一级好氧装置、耐盐菌厌氧装置、耐盐菌二级好氧装置、耐盐菌曝气生物滤池;本发明将耐盐菌生化系统、催化还原催化氧化、臭氧催化氧化、膜浓缩、MVR蒸发这些技术相联合,操作简单,利用高效复合耐盐菌对废水进行生化处理,无需对废水进行大倍数稀释,降低处理水量及运行成本,实现了盐和水的资源化。

标签:
废水处理
江苏 - 无锡 来源:中冶有色网 2023-03-19
CFB加碱法深度脱硫除尘及废水零排放烟气处理装置

本实用新型提供了CFB加碱法深度脱硫除尘及废水零排放烟气处理装置,包括CFB吸收塔和工艺水箱,CFB吸收塔输入端连接烟气输入管道,输出端连接除尘器,除尘器通过引风机连接有碱法吸收塔,碱法吸收塔上端连接有排烟管;工艺水箱连接有第一工艺水泵,第一工艺水泵分别连接碱法吸收塔和碱性吸收剂浆液制备箱,碱性吸收剂贮存及添加装置连接碱性吸收剂浆液制备箱,碱性吸收剂浆液制备箱通过吸收剂浆液泵连接碱性吸收塔,脱硫吸收剂贮存及添加装置连接烟气输入管道。本实用新型提供的CFB加碱法深度脱硫除尘及废水零排放烟气处理装置,CFB配合碱法组合脱硫,提高脱硫效率,碱法脱硫的全部废水回收给CFB脱硫再利用,实现废水零排放。

标签:
废水处理
江苏 - 无锡 来源:中冶有色网 2023-03-19
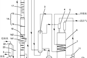
单塔负压脱氨废水处理系统

本实用新型提供一种单塔负压脱氨废水处理系统,包括水泵、预热器、冷凝器、水力喷射器、净化装置、碳化塔、冷凝蛇管、循环泵、离心机、气液分离罐、回流泵以及出水泵,其特征在于:还包括解析脱氨塔,所述解析脱氨塔的上部与所述预热器的出水口相连,所述解析脱氨塔的下部与所述预热器的进水口相连;所述解析脱氨塔包括解析段和设置于所述解析段下部的脱氨段,所述解析段内设置有多层V型喷射塔板,所述脱氨段内设置有多层U型喷射塔板。单塔负压脱氨废水处理系统的解析脱氨塔包括解析段和脱氨段,将解析塔和脱氨塔的功能集成在一个塔体中,结构更加的简单,使得所述单塔负压脱氨废水处理系统更加的简单,占地面积更小。

标签:
废水处理
江苏 - 无锡 来源:中冶有色网 2023-03-19
用于电镀废液废水回收的大气蒸发装置

本发明公开了一种用于电镀废液废水回收的大气蒸发装置,包括机架、加热浓缩双联槽、大气蒸发器以及电控箱,所述加热浓缩双联槽包括加热槽和浓缩槽,所述加热槽与生产线废水废液排放管路相连通,其内设置有加热装置和加热槽液位计,所述浓缩槽内设置有浓缩槽液位计,所述大气蒸发器包括底部相连通的蒸发室和分离室,所述蒸发室内设置有散热装置,配合散热装置设置有喷头,所述喷头通过蒸发器提升泵与加热槽相连通,且所述蒸发室的顶部安装有鼓风机,所述分离室的顶部开设有排气口,其内安装有雾液分离器,且所述分离室的底部开有回流口,所述回流口通过管路与浓缩槽相连通,上述大气蒸发装置能够使电镀废液废水实现低温下蒸发,大大节约能耗。

标签:
废水处理
江苏 - 无锡 来源:中冶有色网 2023-03-19
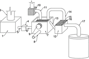
甲醛废水催化装置
甲醛废水催化装置 1206     
 0

甲醛废水催化装置,它包括催化反应塔,催化反应塔内的上部设有喷淋装置,下部设有填料承托层板,填料承托层板上设有催化反应滤料,填料承托层板的下方设有反冲洗曝气装置,反冲洗曝气装置的下方设有外循环出水管口,喷淋装置连接催化反应塔外部设置的甲醛废水进水管道,催化反应塔底部连接设有U型甲醛废水溢流出水管道,催化反应塔外侧还包裹有保温层。它还包括甲醛废水收集池、加热装置、计量泵、出水收集池、甲醛浓度检测仪、在线pH检测仪、温度控制仪。

标签:
废水处理
江苏 - 无锡 来源:中冶有色网 2023-03-19
节能高效的一体化废水处理装置

本发明公开了一种节能高效的一体化废水处理装置,包括折流式加药混合槽和高级氧化反应器;折流式加药混合槽内设有折流通道,折流通道的一端连接在进水提升泵上,另一端通过管道连接在高级氧化反应器上,折流通道内均匀分布有多个折板,高级氧化反应器的顶部设有分隔折板,分隔折板将高级氧化反应器分隔成反应Ⅰ区和反应Ⅱ区,反应Ⅰ区的顶部设有进水口,反应Ⅱ区的顶部设有出水口,反应Ⅰ区和反应Ⅱ区的底部均设有环形穿孔曝气管,反应Ⅰ区的底部设有带网孔挡板,带网孔挡板的上方设有填料区,填料区内填充有颗粒填料;本发明的装置结构紧凑,占地面积小,处理效率高,采用高级氧化法对废水进行脱色、降COD处理,保证处理后的废水达到国家一级A标准的要求。

标签:
废水处理
江苏 - 无锡 来源:中冶有色网 2023-03-19
天然气钻井废水处理工艺

一种天然气钻井废水处理工艺,包括以下步骤:(1)将天然气钻井废水收集到调节池中,(2)絮凝沉降,(3)沸石过滤,(4)滤膜过滤,(5)絮凝物处理;所述的步骤(3)中沸石在200~250度下用氯化铁溶液中浸渍30~40分钟,沸石与氯化铁溶液浸渍体积比为1:10。本发明具有设备占地少,构造简单,操作简便,废水处理效果好,运营成本较低,同时对环境产生的污染也较少。

标签:
废水处理
江苏 - 无锡 来源:中冶有色网 2023-03-19
环保工程用生活废水处理装置

本发明公开了一种环保工程用生活废水处理装置,具体涉及废水处理技术领域,包括机体,所述机体内部设置有废水腔,所述机体顶部通过螺钉固定安装有顶盖,所述顶盖底部设置有限位组件,所述机体底部设置有驱动组件,所述废水腔内部设置有过滤桶组件;所述限位组件包括延伸环,所述延伸环焊接设置于顶盖底部。本发明通过设有限位组件、驱动组件和过滤桶组件,使本发明在过滤水中的果皮、菜叶这些固态杂质时,可以有效避免这些固态杂质将过滤孔堵住,保证了过滤效率,同时本发明的过滤桶组件可以直接拆下进行清理,内部清理起来较为方便,且拆装也较为简单省时,这就使得本发明的实际使用效果较好。

标签:
废水处理
江苏 - 无锡 来源:中冶有色网 2023-03-19
重金属废水吸附塔
重金属废水吸附塔 757     
 0

本实用新型公开了一种重金属废水吸附塔,所述吸附塔包括进水口、塔体、电机、转轴、生物吸附单元、塔板和出水口;所述进水口和出水口设于塔体上;所述电机通过转轴与塔板相连;所述生物吸附单元设于塔板上。有益效果:(1)本实用新型所述的重金属废水吸附塔能够保证菌体的活力;(2)本实用新型所述的重金属废水吸附塔菌体置换和更新方便。

标签:
废水处理
江苏 - 无锡 来源:中冶有色网 2023-03-19
金属表面处理废水的污水处理系统

本实用新型公开了一种金属表面处理废水的污水处理系统,属于污水处理领域,它包括预处理装置和膜处理装置,预处理装置包括预处理池,预处理池上侧设有进水管,预处理池下端设有出水管;预处理池上端设有安装部,安装部在动力源作用下沿预处理池的长度方向移动;安装部上转动连接有搅拌轴,搅拌轴内同轴固定设置有进料管,进料管下端连通有容腔,容腔位于搅拌轴内,搅拌轴位于容腔下端周向开设有若干引流槽,引流槽的一端与容腔连通,另一端与预处理池内部连通。该金属表面处理废水的污水处理系统具有处理工艺简单,处理效果好的优点。本实用新型适用于金属表面处理废水的净化。

标签:
废水处理
江苏 - 无锡 来源:中冶有色网 2023-03-19
含盐废水高效焚烧炉
含盐废水高效焚烧炉 736     
 0

本实用新型公开了一种含盐废水高效焚烧炉,属于废水处理设备技术领域,包括固定机构、焚烧机构、清洁机构和升降旋转机构,所述焚烧机构设置在固定机构上,所述焚烧机构包括燃烧腔体、雾化进料端、焚烧器,所述燃烧腔体呈筒状设置,所述雾化进料端和焚烧器分别设置在燃烧腔体的两侧,所述清洁机构嵌入在燃烧腔体内侧,且与燃烧腔体的内部相互接触,所述升降旋转机构设置在固定机构的侧端,且所述升降旋转机构传动连接至清洁机构。本实用新型通过设置的清洁机构对废水焚烧后的炉渣进行清理,从而提高设备的使用效率与使用寿命。

标签:
废水处理
江苏 - 无锡 来源:中冶有色网 2023-03-19
铝型材生产废水处理系统

本实用新型涉及铝型材生产废水处理系统,包括废酸储存箱、废碱储存箱、搅拌中和罐、压滤机、废渣收集箱和沉降池,搅拌中和罐的顶部设有废酸入口和废碱入口,内部设有搅拌装置,底部设有中和罐排污口和相应的中和罐排污阀,中和罐排污口通过中和罐排出管道与三通阀的第一进口相连,三通阀的出口与压滤机的进口管道相连接,压滤机的出口管道沿沉降池的内壁通入沉降池内部,在沉降池的侧面的底部设有沉降池排污口及其相应的沉降池排污阀,沉降池排污口通过与抽料泵通过缓冲管道相连接,抽料泵的输出管道与三通阀的第二进口相连接。本实用新型的铝型材生产废水处理系统简化铝型材生产废水处理的步骤,提高处理效率,并节省水资源。

标签:
废水处理
江苏 - 无锡 来源:中冶有色网 2023-03-19
用于卷烟厂废水处理器

本发明公开了一种用于卷烟厂废水处理器,包括池体,所述池体顶部设有入水口,池体上部设有滤板,池体中部设有一组固定架其外部套有吸附棒,池体下部设有活性炭棒组,所述池体中部外侧设有入液口,池体底部设有出水口和排渣口。本发明利用上层滤板进行大颗粒杂质的过滤,并配合入液口加入试剂使废水产生絮凝通过吸附棒上的纤维膜去絮凝进行吸附,最后通过活性炭棒组进行二次吸附对废水进行了有效的处理。

标签:
废水处理
江苏 - 无锡 来源:中冶有色网 2023-03-19
带有管式微滤膜组件的研磨废水回用、硅粉回收装置

本发明提出一种带有管式微滤膜组件的研磨废水回用、硅粉回收装置,包括容纳废水的原水箱;管式微滤膜组件;连通原水箱与管式微滤膜组件的第一输送管;设置于第一输送管上的循环泵;产水箱;连通管式微滤膜组件与产水箱的第二输送管;硅泥回收装置;连通原水箱的下端与压滤机的第三输送管;设置于第三输送管上的泥浆输送泵;连通产水箱的第四输送管路;设置于第四输送管上的反冲洗泵;自动控制系统。废水经循环泵作用,进入管式微滤膜组件进行净化,净化后从垂直方向透过管式微滤膜组件进入产水箱,产生的浓缩水回流至原水箱,纯水进入管式微滤膜组件反冲洗,原水箱内颗粒进入硅泥回收装置经脱水成泥饼排出。本发明的除污效果好且效率高。

标签:
废水处理
江苏 - 无锡 来源:中冶有色网 2023-03-19
生物膜废水处理反应器及处理方法

本申请公开了一种生物膜废水处理反应器,包括:第一反应箱,第一反应箱上设置有原水进口、第一循环入口和第一循环出口;第一液位开关,设置于第一反应箱内;第二反应箱,第二反应箱上设置有第二循环入口和第二循环出口;第二液位开关,设置于第二反应箱内;循环泵组,与第一循环出口和第二循环出口相连,当第一液位开关检测到第一反应箱的液位达到预设高度时,循环泵组将第一反应箱内的废水通过第二循环入口输入第二反应箱内,当第二液位开关检测到第二反应箱的液位达到预设高度时,循环泵组将第二反应箱内的一部分废水通过第一循环入口输入第一反应箱内,另一部分废水通过外排管排出。本申请具有故障率低、脱氮效率高、自控程度高等优点。

标签:
废水处理
江苏 - 无锡 来源:中冶有色网 2023-03-19
重金属废水生物吸附装置

本实用新型公开了一种重金属废水生物吸附装置,所述吸附装置包括进水口、进水管、细胞培养室、第一吸附室、输气管、氧气储藏室、输液管、第二吸附室和出水管;所述进水口与第一吸附室通过进水管连通,细胞培养室设于第一吸附室上,氧气储藏室通过输气管与第一吸附室连通,第一吸附室与第二吸附室经输液管相连。(1)本实用新型所述重金属废水生物吸附装置能够保持生物吸附过程中细胞活性,因而能够维持吸附能力;(2)本实用新型所述重金属废水生物吸附装置采用两次吸附,且在第二次吸附装置中采用循环装置,因而大大提高了废水处理的效率。

标签:
废水处理
江苏 - 无锡 来源:中冶有色网 2023-03-19
基于自养脱氮工艺处理畜禽类养殖废水方法

本发明公开了一种基于自养脱氮工艺处理畜禽类养殖废水方法,包括以下步骤;步骤一:将养殖废水送入机械格栅中,通过固液分离机将污水输送进储液池内,将固渣排入到储渣池内;步骤二、将储液池内的污水通过UASB反应器的底部排入进UASB反应器内,UASB反应器污水被尽可能均匀的引入反应器的底部,厌氧反应发生在废水和污泥颗粒接触的过程;步骤三、将污水在中沉池内沉淀,沉淀后的污泥排入进CSTR反应器内,污水进入到生化池内进行自养脱氮。本发明可在生化池内构建两种不同的体系:一体化厌氧氨氧化体系或多级缺氧/好氧交替自养脱氮体系,实现自养脱氮,以实现碳中和,可有效的处理畜禽类养殖废水,降低机物、总氮、和氨氮的浓度。

标签:
废水处理
江苏 - 无锡 来源:中冶有色网 2023-03-19
高浓度废水处理直流电解设备

本实用新型提供一种高浓度废水处理直流电解设备。所述高浓度废水处理直流电解设备包括电解罐体;排空管,所述排空管固定安装在所述电解罐体的一侧;承托板,所述承托板固定安装在所述电解罐体内;氧化填充物,所述氧化填充物设置在所述电解罐体内;电解机构,所述电解机构设置在所述电解罐体内。本实用新型提供的高浓度废水处理直流电解设备具有占地面积较小、投资较小、电解效率较高、对处理效果可控、可调、便于配合使用、能够对不同浓度进行电解氧化的优点。

标签:
废水处理
江苏 - 无锡 来源:中冶有色网 2023-03-19
涂装废水预处理系统
涂装废水预处理系统 1104     
 0

本实用新型公开了一种涂装废水预处理系统,包括依次连接的废水收集池、废水调节池、pH调整反应池、混凝反应池、沉淀池与中间水箱;混凝反应池设有加药装置,中间水箱与外部的通水管道连接;加药装置包括加药罐,加药罐通过若干根围绕其一周的沟壑分隔为若干个隔区,加药罐侧部设有液位计;隔区外部设有或者不设有加固带;中间水箱包括水箱体,水箱体侧壁包括2个混凝土层,水箱体侧壁内部设有不锈钢层,水箱体侧部设有进水管与出水管;混凝土层之间设有金属网层。本实用新型对涂装废水进行预处理,便于后续水体的回用或者深度处理。

标签:
废水处理
江苏 - 无锡 来源:中冶有色网 2023-03-19
高硬度、高硅、高金属氧化物钢铁废水反渗透纳滤膜阻垢剂及其制备方法

本发明属于污水处理应用技术领域,具体公开了高硬度、高硅、高金属氧化物钢铁废水反渗透纳滤膜阻垢剂及其制备方法,由以下原料组成,50%三聚氰胺、40%水解马来酸酐、氯化铵、甲醛、尿素、30%聚丙烯酸、2%阳离子聚丙烯酰胺。本发明的有益效果在于:1、解决现有钢铁废水回用反渗透和纳滤系统处理过程中所存在的问题,实现钢铁废水快速和稳定的反渗透过滤处理,提高钢铁废水处理效率和处理品质,降低钢铁废水处理经济成本;2、适用于金属氧化物高、硬度高、高硅水质,而无需去除硬度,降低系统的设备投资和运行费用;3、阻垢效率高且不与残留絮凝剂或富铝富铁的硅化合物发生凝聚形成不溶物。

标签:
废水处理
江苏 - 无锡 来源:中冶有色网 2023-03-19
纯水机排放废水再利用系统

本实用新型公开了一种纯水机排放废水再利用系统,包括:储水罐、水泵、稳压罐和电器控制装置,所述储水罐与纯水机的废水出水口用管道连接,用于储存纯水机在工作中产生的废水。所述水泵与储水罐和稳压罐连接,用于将储水罐的水送至稳压罐。所述稳压罐与水泵以及输水管道连接,并且稳压罐上安装有压力传感器,其功能是让输送出去的废水具有比较稳定的压力,同时将系统压力反馈给电器控制装置。所述电器控制装置是根据稳压罐反馈的压力控制水泵的启动,以持续的供应具有一定压力的水。通过上述方式,本实用新型纯水机排放废水再利用系统,能够减少水的浪费。

标签:
废水处理
江苏 - 无锡 来源:中冶有色网 2023-03-19
上一页 60 61 62 63 64 ... 80 下一页
共80页    到第

中冶有色为您提供最新的江苏无锡有色金属废水处理技术理论与应用信息,涵盖发明专利、权利要求、说明书、技术领域、背景技术、实用新型内容及具体实施方式等有色技术内容。打造最具专业性的有色金属技术理论与应用平台!

全国热门有色金属设备推荐
展开更多 +
全国热门有色金属技术推荐
展开更多 +

 

江西省隆恩特环保设备有限公司
宣传

报名参会
更多+

报告下载

有色专家
更多+

中南大学
中国工程院 院士
武汉科技大学
校学术委员会主任 / 教授
长沙矿冶研究院
总经理
湖南科技大学
所长/教授
西安建筑科技大学
院长/教授
赤泥综合利用研究报告2025
推广

热门技术
更多+

推荐企业
更多+

福建省金龙稀土股份有限公司
宣传

发布

在线客服

公众号

电话

顶部
咨询电话:
010-88793500-807