青岛垚鑫智能科技有限公司
宣传

位置:中冶有色 >

有色技术频道 >

分类:
全部
矿山技术
冶金技术
材料制备及加工技术
环境保护技术
分析检测技术
 
全部
功能材料技术
复合材料技术
新能源材料技术
合金材料技术
加工技术
地区:
全部
北京
天津
上海
重庆
河北
山西
辽宁
吉林
黑龙江
江苏
浙江
安徽
福建
江西
山东
河南
湖北
湖南
广东
海南
四川
贵州
云南
陕西
甘肃
青海
内蒙
广西
西藏
宁夏
新疆
其他
其他
展开
 
全部
郑州
开封
洛阳
平顶山
安阳
鹤壁
新乡
焦作
濮阳
许昌
漯河
三门峡
商丘
周口
驻马店
南阳
信阳
济源

河南洛阳有色金属材料制备及加工技术理论与应用

免费发布技术信息>>
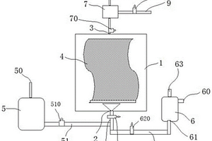
无压浸渗制备双连续相复合材料的方法

本发明涉及一种无压浸渗制备双连续相复合材料的方法,属于无压浸渗技术领域。本发明的无压浸渗制备双连续相复合材料的方法,利用改性石英砂对预浸渗体(待浸渗多孔基体和浸渗金属)进行填埋,升温进行无压浸渗,改性石英砂形成透气不透液的模具外壳,无压浸渗完成后,降温即得双连续相复合材料。该方法形成的模具的内部空间与预浸渗体大小一致,且透气不透液,可方便模具内的空气排出,减少氧化膜生成,同时有效避免了浸渗金属熔体从四侧流淌流失,可促进浸渗金属熔体在自重作用发生熔体表面氧化膜的破坏,进而浸渗到多孔基体中;改性石英砂中硅元素的存在,能加速金属氧化膜的破坏,缩短无压浸渗时间,从而提高了无压浸渗效率。

标签:
复合材料
河南 - 洛阳 来源:中冶有色网 2023-03-18
钼铝硼陶瓷颗粒增强铜基复合材料及其制备方法、受电弓滑板

本发明涉及一种钼铝硼陶瓷颗粒增强铜基复合材料及其制备方法、受电弓滑板,属于铜基合金技术领域。本发明的钼铝硼陶瓷颗粒增强铜基复合材料,由铜合金基体和分散在铜合金基体中的钼铝硼陶瓷颗粒组成;铜合金基体和钼铝硼陶瓷颗粒的质量比为70~90:10~30。本发明的铜基复合材料,钼铝硼陶瓷颗粒以及锡、铝、铁之间协同作用,不仅使铜基复合材料保持较高的电导性,还能使铜基复合材料的硬度适中并保持稳定的摩擦系数,作为受电弓滑板材料,对配副导线的滑动损伤程度较小,可以解决高速铁路用受电弓滑板导电性能差,润滑性能不足且易起弧等问题。

标签:
复合材料
河南 - 洛阳 来源:中冶有色网 2023-03-18
耐磨抗静电型聚酰胺复合材料及其制备方法

一种耐磨抗静电型聚酰胺复合材料及其制备方法,由聚酰胺基体、耐磨料、填料、增韧相容剂、改性石墨烯、碳纤维、分散剂和抗氧化剂组成,耐磨填料由改性六方氮化硼微片和碳化硅胶囊混合而成,填料由二氧化钛、炭黑和玻璃粉混合而成,增韧相容剂为POE‑g‑MAH,改性石墨烯为氧化石墨烯经六氯环三磷腈处理;改性六方氮化硼微片和碳化硅胶囊的协同作用提高复合材料的耐磨性,利用改性石墨烯、碳纤维和炭黑桥接成导电通路使复合材料具有抗静电效果,利用本发明制备的增韧相容剂提高复合材料的韧性和添加料与聚酰胺基体的界面结合力,本发明制备工艺简单,制备的聚酰胺复合材料具有高耐磨、高分散性和抗静电效果。

标签:
复合材料
河南 - 洛阳 来源:中冶有色网 2023-03-18
结构型吸波复合材料及其制备方法

本发明提供一种吸波复合材料,包括透波层、吸波层和反射层,所述吸波层按质量分数计,包括30%‑50%的树脂、47%‑67%的混杂纤维和1%‑4%的吸波剂。本发明中的吸波复合材料采用表面透波层、中间吸波层以及底部反射层的结构设计,用低粘度热熔型树脂与碳系吸波剂混合制备吸波层树脂胶膜,然后将混杂纤维与吸波层树脂胶膜制备得到吸波预浸料。本发明制备过程中不需要添加额外的溶剂,无污染,且制备的吸波复合材料具备优异的力学性能和吸波性能,可满足结构与吸波功能一体化的要求。

标签:
复合材料
河南 - 洛阳 来源:中冶有色网 2023-03-18
纤维增强复合材料合成轨枕及其成型方法

一种纤维增强复合材料合成轨枕及其成型方法,所述纤维增强复合材料合成轨枕的纤维增强材料为立体纤维织物;所述成型方法包括在立体纤维织物表面浇注树脂材料和任选地助剂的混合物;或者,将树脂材料和任选地助剂的混合物粘附在所述立体纤维织物表面;固化成型,即得到所述纤维增强复合材料合成轨枕。

标签:
复合材料
河南 - 洛阳 来源:中冶有色网 2023-03-18
石墨复合材料及其制备方法

本发明涉及一种石墨复合材料及其制备方法,属于锂离子电池负极活性材料的制备技术领域。本发明的石墨复合材料的制备方法,包括以下步骤:1)将多孔碳材料、导电剂、无机锂化合物和粘结剂加入溶剂中分散均匀,得到复合浆料;2)将石墨加入复合浆料中混合均匀,然后固液分离,固体在惰性气体保护下于500~800℃烧结1~5h,多孔炭包覆石墨材料,即得。本发明的石墨复合材料的制备方法,能够在石墨外形成多孔炭包覆层,能够增大材料的压实密度,增强材料的稳定性;通过掺入无机锂化合物,能够得到含有无机锂化合物的包覆层,能够补充因锂离子电池充放电过程中形成SEI膜时消耗的锂离子,提高材料的循环性能和倍率性能。

标签:
复合材料
河南 - 洛阳 来源:中冶有色网 2023-03-18
Cu-(石墨烯/Al)多级层状复合材料及其制备方法

本发明公开一种Cu‑(石墨烯/Al)多级层状复合材料,其宏观上呈现Cu/Al层状结构,其中Cu层微观上呈现层状微纳米晶结构,Al层微观上呈现石墨烯/Al微纳米叠层结构。制备方法主要包括:利用球磨法获得片状Al和Cu粉末,以氧化石墨烯为原料,利用超声分散法获得单层石墨烯,并利用静电吸附法将单层石墨烯与片状Al粉末混合制备石墨烯/Al片状复合粉末;再将石墨烯/Al片状复合粉末与片状Cu粉末进行层状组装,经过真空热压烧结和热锻造制备出高致密化的Cu‑(石墨烯/Al)多级层状复合材料。本发明通过向Cu/Al层状复合材料的Al层引入石墨烯以及宏微多尺度层状构型设计,制备出具有轻质、高强韧、高导热和高导电的Cu‑(石墨烯/Al)多级层状复合材料,用于各种航空航天用轻质电热元器件。

标签:
复合材料
河南 - 洛阳 来源:中冶有色网 2023-03-18
改善氧化铝弥散强化铜基复合材料加工性能的方法

本发明涉及一种改善氧化铝弥散强化铜基复合材料加工性能的方法,属于复合材料制备加工技术领域。本发明的改善氧化铝弥散强化铜基复合材料加工性能的方法,包括以下步骤:(1)原料设计:减少生产原料的Al含量,降低硬质相氧化铝的生成,添加铜‑铬合金粉,利用铬增强铜基体;所述生产原料包括铜‑铝合金粉和氧源;(2)将所述生产原料、铜‑铬合金粉混合,经压制、内氧化、还原、烧结,冷却,制成氧化铝‑铬增强烧结坯;(3)将氧化铝‑铬增强烧结坯进行热变形加工,热变形加工后降温。本发明的改善氧化铝弥散强化铜基复合材料加工性能的方法,使弥散铜在保持良好导电性能和强度硬度的基础上,塑性大幅改善,提高其变形能力。

标签:
复合材料
河南 - 洛阳 来源:中冶有色网 2023-03-18
低含量增强体增强钛基复合材料的制备方法

本发明公开了一种低含量增强体增强钛基复合材料的制备方法,属于金属基复合材料技术领域。具体步骤为:将Ti粉末、Al粉末、V粉末、B4C粉末进行球磨混料处理,然后采用冷等静压法压制成型,压制成型后再进行真空烧结处理。通过上述步骤在Ti‑6Al‑4V基体中原位生成TiC+TiB增强体,然后再进行固溶时效处理,得到所述低含量增强体增强钛基复合材料。该复合材料的致密度能达到95%及以上,板材在抗拉强度、延伸率等方面的性能表现良好。

标签:
复合材料
河南 - 洛阳 来源:中冶有色网 2023-03-18
提高铝-碳钢复合材料界面结合强度的爆炸焊接方法

一种提高铝-碳钢复合材料界面结合强度的爆炸焊接方法,对碳钢基层(2)、碳钢中间薄层(4)、铝复层(5)的爆炸焊接面分别进行表面抛光,将基层水平放置在地基(1)上,在基层的上端面通过叠加铜片(3)的支撑放置中间薄层并使中间薄层与基层之间形成间距S2,在中间薄层的上端面通过叠加铜片的支撑放置复层并使复层与中间薄层之间形成间距S1,最后在复层的上端面铺设密度为0.5~0.8g/cm2且厚度为H的炸药(6)并埋设雷管(7),起爆速度控制在2000~2600m/s,通过一次爆炸焊接使复层依次碰撞中间薄层、基层并形成三层一体的铝-碳钢复合材料,热能消耗明显降低,不出现熔化现象,界面结合强度得到提高。

标签:
复合材料
河南 - 洛阳 来源:中冶有色网 2023-03-18
采用复合材料制备框架式筏架或基座的方法

本发明公开一种采用复合材料制备框架式筏架或基座的方法,包括以下步骤:步骤一、筏架或基座的结构分解;步骤二、复合材料分块结构成型、脱模;步骤三、分块成型结构机加工;步骤四、分块结构预装配;步骤五、粘接面粗糙化处理;步骤六、分块结构粘接;步骤七、粘接过渡区填充和连接区补强层成型;步骤八、加工开孔和表面修整。本发明提供的采用复合材料制备框架式筏架或基座的方法采用该发明制备的复合材料筏架或基座尺寸精度高、强度高、刚度高、重量轻、耐疲劳性能好、阻尼性能好、减振效果明显。

标签:
复合材料
河南 - 洛阳 来源:中冶有色网 2023-03-18
多孔复合材料隔板及其制备方法,复合结构电芯及锂离子电池

本发明公开了一种多孔复合材料隔板及其制备方法,复合结构电芯及锂离子电池。该隔板包含耐高温树脂基材、阻燃剂和无机耐高温颗粒,耐高温树脂基材为聚酰亚胺树脂、聚对苯二甲酸乙二醇酯树脂、聚酰胺树脂、聚苯乙烯树脂、聚硅烷树脂中的任意一种或几种;阻燃剂的用量为耐高温树脂基材质量的1%~15%;无机耐高温颗粒为Al2O3、TiO2、ZrO2、SiO2中的至少一种,无机耐高温颗粒的用量为耐高温树脂基材质量的5%~15%。该多孔复合材料隔板耐高温温度在200℃以上,具有阻燃、耐高温、耐腐蚀和冲击的性能;独立成型,不需要涂覆在极片或隔膜上,成型过程不会对极片或隔膜造成影响,保证了极片和隔膜本身的性能和使用性能。

标签:
复合材料
河南 - 洛阳 来源:中冶有色网 2023-03-18
低苯乙烯挥发不饱和聚酯树脂的复合材料

一种低苯乙烯挥发不饱和聚酯树脂的复合材料,由不饱和聚酯、苯乙烯、无机层状材料、固化剂和促进剂组成,各物料的重量百分比是:不饱和聚酯?10-95%,苯乙烯5-90%;无机层状材料、固化剂和促进剂的加入量,分别是不饱和聚酯和苯乙烯总重量的1-25%、0.1-10%、0.1-10%;该复合材料的粘度为509-513MPa·s,拉伸强度为36-43MPa,冲击强度为2.6-3.1MPa,固化收缩率为9.7-10.3%。工艺简单,储存阶段较未加苯乙烯挥发抑制剂的不饱和聚酯树脂减少60%-80%,固化阶段较未加苯乙烯挥发抑制剂前减少40%-70%,成本低,产率高。

标签:
复合材料
河南 - 洛阳 来源:中冶有色网 2023-03-18
阻燃剂、使用该阻燃剂的超高分子量聚乙烯复合材料及其制备方法

本发明公开了一种阻燃剂,以下重量份数的组分组成:聚磷酸铵5~20份、季戊四醇5~20份、蒙脱土5~13.5份、炭黑0.2份;同时还公开了使用该阻燃剂的超高分子量聚乙烯复合材料及其制备方法。本发明的阻燃剂,加入超高分子量聚乙烯粉中制备阻燃复合材料,阻燃剂分布于超高分子量聚乙烯粉间隙,低添加量便可在制品内部形成网络状阻燃层,提高阻燃效率;炭黑的介电损耗高,在制备过程中产生热效应,进一步促进超高分子量聚乙烯粉熔融,改善复合材料的力学性能;所得超高分子量聚乙烯复合材料同时具有良好的力学性能和阻燃性能。

标签:
复合材料
河南 - 洛阳 来源:中冶有色网 2023-03-18
玄武岩纤维复合材料及其制备方法

本发明提供了一种玄武岩纤维复合材料及其制备方法,该方法包括:按配比将环氧树脂与氰酸酯树脂搅拌混合,加入增韧剂,再加入固化催化剂,搅拌混合,形成环氧树脂增韧改性氰酸酯树脂;将环氧树脂增韧改性氰酸酯树脂与玄武岩纤维制成预浸料;以及铺层、固化,得到玄武岩纤维复合材料。制备的玄武岩复合材料的力学性能和耐热性大大增强,并且降低了成本,可以广泛应用于工业、建筑、汽车、航空等领域。

标签:
复合材料
河南 - 洛阳 来源:中冶有色网 2023-03-18
双环戊二烯组合料制备纤维织物增强聚双环戊二烯复合材料的方法及装置

本发明属于聚双环戊二烯复合材料领域,具体涉及一种双环戊二烯组合料制备纤维织物增强聚双环戊二烯复合材料的方法及装置。该方法主要包括以下步骤:首先将纤维织物增强体固定于模具内,模具包括溢料口和进料口;其次,对模具抽真空后,浸润剂进入模具对纤维织物增强体进行原位浸润,之后排出浸润剂;然后,双环戊二烯组合料进入模具,固化,脱模取出制品。本发明中,通过原位浸润结合双环戊二烯组合料注入,在保证界面粘结效果的基础上,实现高性能聚双环戊二烯/纤维织物复合材料的高效规模化生产。

标签:
复合材料
河南 - 洛阳 来源:中冶有色网 2023-03-18
稀土氧化物掺杂钨铜合金复合材料及其制备方法

本发明公开了一种稀土氧化物掺杂钨铜合金复合材料及其制备方法,该复合材料由以下质量百分含量的组分组成:铜14%~39.9%,稀土氧化物0.1%~3.0%,余量为钨和不可避免的杂质。本发明的稀土氧化物掺杂钨铜合金复合材料,由钨、铜和稀土氧化物组成,稀土氧化物作为第二相掺杂加入钨铜合金中,显著提高了钨铜合金的烧结性能,钨和铜包覆在稀土氧化物周围形成发育完整的晶体,钨元素和铜元素之间在稀土氧化物的作用下具有较好的润湿性,实现了钨与铜的分子级混合,大大提高了钨铜合金的致密性,使最终钨铜合金的强度、韧性和导热导电性能得到显著提高。

标签:
复合材料
河南 - 洛阳 来源:中冶有色网 2023-03-18
纳米二氧化钛复合材料循环利用方法

一种纳米二氧化钛复合材料循环利用方法,先利用超声波强大的空化作用对废弃复合材料进行处理,一些吸附在材料表面的污染物会脱附,而一些吸附在纳米二氧化钛介孔内侧及载体微孔里面的污染物分子不会完全脱附,因此再采用高温强酸处理,高温下,强酸会与没用脱附的污染物分子进行反应,生成溶于水的化合物,进而使复合材料介孔里面及表面没有脱附的污染物分子得到清除,这时,仍会有少量的有机物没有脱附,故还需要采用高温煅烧,上述物料在600‑700℃下煅烧,少量没有脱附的有机物会彻底除掉,纳米二氧化钛介孔及载体微孔孔道会得到很好的清理,吸附性能得到恢复。

标签:
复合材料
河南 - 洛阳 来源:中冶有色网 2023-03-18
含钯锂离子二次电池负极复合材料的制备方法

本发明公开了一种含钯锂离子二次电池负极复合材料的制备方法。所述的制备方法包括:首先通过球磨法和高温热处理得到纳米碳掺杂的纳米钛酸锂(Li4Ti5O12-C);其次把制备好的Li4Ti5O12-C和含钯源的配比溶液,通过简单的水热处理便得到钯量子点均匀包覆在Li4Ti5O12-C表面的复合材料(Li4Ti5O12-C-Pd复合材料)。从而构成了Li4Ti5O12-C-Pd纳微米两级三维导电网络结构,明显提高了钛酸锂的导电性能,使其具有优异的倍率特性、循环性能和充放电性能。本发明制备方法工艺简单,生产成本低,降低了能源消耗。

标签:
复合材料
河南 - 洛阳 来源:中冶有色网 2023-03-18
复合材料用强度检验装置

本实用新型公开了一种复合材料用强度检验装置,包括底座所述底座的上表面固定连接有支撑柱,所述支撑柱的上表面固定连接有横板,所述横板的上表面固定连接有液压缸,所述液压缸的输出端设置有液压杆,所述液压杆远离液压缸的一端固定连接有移动板,所述底座的内底壁固定连接有放置盒,所述放置盒的内部固定连接有重力感应器,所述放置盒的上表面固定连接有调节杆。本实用新型,通过安装的固定杆、金属板与第一弹簧,当移动板在对复合材料进行挤压时,固定杆可推动金属板对第一弹簧挤压,利用重力感应器可对第一弹簧承受的重力进行检测,从而可得知复合材料承受的重力强度,使复合材料进行强度检测时较为准确。

标签:
复合材料
河南 - 洛阳 来源:中冶有色网 2023-03-18
吸波复合材料及其制备方法

本发明提供吸波复合材料及其制备方法,吸波复合材料包括:涤纶针织物;底层,形成在涤纶针织物上,其中,底层包括第一树脂材料和铁氧体;中间层,形成在底层上,其中,中间层包括第二树脂材料和碳化硅;以及顶层,形成在中间层上,其中,顶层包括第三树脂材料和石墨。本发明制备出一种具备良好吸波性能和力学性能的多功能吸波复合材料。

标签:
复合材料
河南 - 洛阳 来源:中冶有色网 2023-03-18
具有复合抗氧化涂层的钼基复合材料及其制备方法

本发明涉及一种具有复合抗氧化涂层的钼基复合材料及其制备方法。该钼基复合材料的制备包括:提供钼基材料基体上设置有钼硅化合物涂层的预处理基体;将含有钡玻璃粉的浆料涂覆在钼硅化合物涂层的表面上,干燥后于500‑1200℃进行热处理,冷却,即得;所述钡玻璃粉中BaO的质量含量为40‑45%。该方法是在钼硅化合物涂层的表面上涂覆含有钡玻璃粉的浆料,经重熔热处理后在钼硅化合物涂层表面上形成钡玻璃涂层,钼硅化合物涂层和钡玻璃涂层形成复合抗氧化涂层,可对内部的钼基材料基体实现长效抗氧化防护;该复合抗氧化涂层在高温下可有效阻止气体入侵,进而可有效提高钼基复合材料的高温抗氧化性能。

标签:
复合材料
河南 - 洛阳 来源:中冶有色网 2023-03-18
聚双环戊二烯/聚丙烯酸酯类复合材料及其制备方法

本发明公开了一种聚双环戊二烯/聚丙烯酸酯类复合材料及其制备方法,其中聚双环戊二烯/聚丙烯酸酯类复合材料主要是由以下重量份的单体同步共混聚合而成:双环戊二烯单体70-99份,单丙烯酸酯类单体1-30份,双丙烯酸酯类单体0.1-10份。本发明的聚双环戊二烯/聚丙烯酸酯类复合材料中,聚丙烯酸酯类具有较好的柔顺性,采用单、双丙烯酸酯类单体相结合,弥补了聚双环戊二烯材料韧性的不足,相比单一的聚双环戊二烯材料在保持原有拉伸强度的情况下其冲击强度提高了25%以上。

标签:
复合材料
河南 - 洛阳 来源:中冶有色网 2023-03-18
高致密高铜含量铜钨复合材料的制备方法

本发明涉及一种高致密高铜含量铜钨复合材料的制备方法,属于金属及其复合材料领域,包括重量百分比的组分:W为35~45%,其余的为铜。制备方法为:选择高纯Cu粉和不同粒度的W粉,放入陶瓷球磨罐,球磨8~10h后将磨球过滤出来,然后彻底干燥粉料。将混合粉体填充到不锈钢模具中,抽真空封焊,进行热等静压,烧结完成降至100~150℃,取出连模具一块放到锻机上锻压,高度变形量控制在50%~60%,锻完直接放入热处理炉进行热处理,热处理完降至室温,得到高致密高铜含量铜钨复合材料。本发明所制备的高铜含量铜钨复合材料致密度最高可达100%,具有良好的综合性能,工艺过程简单可控,具有十分广阔的应用前景和推广价值。

标签:
复合材料
河南 - 洛阳 来源:中冶有色网 2023-03-18
耐海洋环境且低增重吸波复合材料的制备方法

一种耐海洋环境且低增重吸波复合材料的制备方法,通过真空辅助固化成型工艺制备出轻质吸波底层,在轻质吸波底层的上表面通过湿法成型工艺制备出界面匹配中间层,连续在界面匹配中间层的上表面通过真空辅助固化成型工艺制备出耐海洋环境面层,在界面匹配中间层与耐海洋环境面层同时固化的前提下完成吸波复合材料的制备,制备出的吸波复合材料具有性能均一、缺陷少、可重复性高等特点,较传统模压成型工艺有利于成型大尺寸或是复杂的吸波复合材料,能广泛应用于舰艇中需要吸波隐身处理的桅杆、上层建筑顶部等部位,可有效处理舰艇相关RCS的散射亮点。

标签:
复合材料
河南 - 洛阳 来源:中冶有色网 2023-03-18
无模板制备大比表面积纳米金颗粒膜复合材料的方法

无模板制备大比表面积纳米金颗粒膜复合材料的方法,在玻璃基体表面制备金-钼合金膜,并使基体保持在一定温度促使金原子在合金薄膜表面生长为金颗粒即制得产品。本发明采用磁控溅射双靶共沉积制备金钼合金薄膜及基体原位加热技术,实现了无需模板制备出大比表面积纳米金薄膜/金颗粒复合结构材料,较之纯金薄膜比表面积增大20%以上。该复合结构材料中的金薄膜厚度、金颗粒尺度在微纳尺度范围内均可以调控,无需采用模板,成本低,绿色环保,易于在基体上无需模板制备出大面积、高性能、大比表面积纳米金颗粒膜复合材料。

标签:
复合材料
河南 - 洛阳 来源:中冶有色网 2023-03-18
光学级聚碳酸酯/层状硅酸盐纳米复合材料的制备方法

一种光学级聚碳酸酯/层状硅酸盐纳米复合材料的制备方法,包括下述步骤:(1)光学级聚碳酸酯的回收:(2)层状硅酸盐的有机化(3)光学级聚碳酸酯/层状硅酸盐纳米复合材料的制备。本发明所涉及制备光学级聚碳酸酯/层状硅酸盐纳米复合材料的设备简单,可以在塑料捏合机中进行,光学级聚碳酸酯在捏合机的熔融剪切作用下可以进入MMT的层间使其发生膨胀(间距达到3~5nm)或片层剥离形成纳米复合材料,从而使光学级聚碳酸酯的力学性能和热学性能等性能提高,可以当作工程塑料来使用。

标签:
复合材料
河南 - 洛阳 来源:中冶有色网 2023-03-18
Cu-TiN复合材料的制备工艺

一种Cu-TiN复合材料的制备工艺,为了解决Cu、和TiN各有特点且应用广泛但未将两者作为复合材料使用的现状,提供一种复合材料Cu-TiN的制备工艺,满足制备需要,其特征是,TiN粉末、Cu粉按质量配比为:TiN粉末0.8~3份;Cu粉97~99.2份;配料完成的混合粉末放入混料机中混料9.8~10.2h,然后采用真空热压烧结法烧结成形。采用本制备工艺,不但可以生产Cu-TiN复合材料,而且其具有良好导电性、耐磨性,且力学性能优良。

标签:
复合材料
河南 - 洛阳 来源:中冶有色网 2023-03-18
呈网-层结构的Ti2AlC/TiAl复合材料及其制备方法

本发明公开了呈网‑层结构的Ti2AlC/TiAl复合材料及其制备方法,其制备方法为:将Ti‑48Al‑2Cr‑2Nb预合金球形粉末与单层石墨烯纳米片加入球磨罐中进行低能球磨,得到单层石墨烯纳米片包覆TiAl复合粉末,对TiAl复合粉末进行放电等离子烧结,得到Ti2AlC/TiAl复合块体,然后将Ti2AlC/TiAl复合块体置于真空热处理炉中进行热处理,即得到呈网状‑片层两级结构的Ti2AlC/TiAl复合材料。本发明采用放电等离子烧结调控出一级网状Ti2AlC组织结构克服晶界软化;接着采用热处理调控出ɑ2‑Ti3Al/γ‑TiAl片层基体组织并在ɑ2‑Ti3Al/γ‑TiAl片层基体相界处靶向引入的纳米片层Ti2AlC,其中纳米片层Ti2AlC能够抑制ɑ2‑Ti3Al/γ‑TiAl片层基体基体的粗大和热稳定性不足的缺点,该复合材料的制备进一步拓宽了TiAl基复合材料的高温应用领域。

标签:
复合材料
河南 - 洛阳 来源:中冶有色网 2023-03-18
无模板制备大比表面积纳米银颗粒膜复合材料的方法

无模板制备大比表面积纳米银颗粒膜复合材料的方法,首先在玻璃基体表面制备银-锆合金膜,并使基体保持一定温度以使银原子在合金膜表面生长为银颗粒即制得产品。本发明采用磁控溅射双靶共沉积制备银合金薄膜及基体原位加热技术,实现了无需模板制备出大比表面积纳米银薄膜/银颗粒复合结构材料,该复合结构材料中的银薄膜厚度、银颗粒尺度在微纳尺度范围内均可以调控,无需采用模板,成本低,绿色环保,易于在玻璃基体上无需模板制备出大面积、高性能纳米银颗粒膜复合材料,较之纯银薄膜比表面积可增大20%以上。

标签:
复合材料
河南 - 洛阳 来源:中冶有色网 2023-03-18
上一页 49 50 51 52 53 ... 59 下一页
共59页    到第

中冶有色为您提供最新的河南洛阳有色金属材料制备及加工技术理论与应用信息,涵盖发明专利、权利要求、说明书、技术领域、背景技术、实用新型内容及具体实施方式等有色技术内容。打造最具专业性的有色金属技术理论与应用平台!

全国热门有色金属设备推荐
展开更多 +
全国热门有色金属技术推荐
展开更多 +

 

江西省隆恩特环保设备有限公司
宣传

报名参会
更多+

报告下载

有色专家
更多+

中南大学
副校长
中南大学
常务副校长
紫金矿业信息化研发中心
副总经理
有研资源环境技术研究院(北京)有限公司
副总经理/教授级高工
西安建筑科技大学
院长/教授
赤泥综合利用研究报告2025
推广

热门技术
更多+

推荐企业
更多+

福建省金龙稀土股份有限公司
宣传

发布

在线客服

公众号

电话

顶部
咨询电话:
010-88793500-807