青岛垚鑫智能科技有限公司
宣传

位置:中冶有色 >

有色技术频道 >

分类:
全部
矿山技术
冶金技术
材料制备及加工技术
环境保护技术
分析检测技术
 
全部
功能材料技术
复合材料技术
新能源材料技术
合金材料技术
加工技术
地区:
全部
北京
天津
上海
重庆
河北
山西
辽宁
吉林
黑龙江
江苏
浙江
安徽
福建
江西
山东
河南
湖北
湖南
广东
海南
四川
贵州
云南
陕西
甘肃
青海
内蒙
广西
西藏
宁夏
新疆
其他
其他
展开
 
全部
南京
无锡
徐州
常州
苏州
南通
连云港
淮安
盐城
扬州
镇江
泰州
宿迁

江苏无锡有色金属材料制备及加工技术理论与应用

免费发布技术信息>>
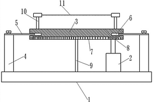
新型固定自动包装机
新型固定自动包装机 880     
 0

本发明公开了一种新型固定自动包装机,其特征在于,包括机体(1),在机体(1)上设置传送导轨(2),在传送导轨(2)上设置压力板(3),在压力板(3)上设置把手(4),传送导轨(2)旁设置包装执行板(5),在包装执行板(5)上设置定位轴(7),在包装执行板(5)旁设置智能显示器(6),在机体(1)一侧设置输入固定轴(8),在机体(1)下设置固定垫块(9),本发明的有益效果是:本发明设计合理,结构简单。该新型固定自动包装机在工作时,将达到预期效果,大多传送导轨都需要有耐高温要求配置,而此发明从材料上达到了要求,传送导轨采用加强复合材料,使其加固提高使用安全性。

标签:
复合材料
江苏 - 无锡 来源:中冶有色网 2023-03-18
新型自动散热电热鼓风干燥箱

本发明公开了一种新型自动散热电热鼓风干燥箱,其特征在于,包括箱体(1),在箱体(1)上设置透明窗(2),在透明窗旁设置门把手(3),在箱体(1)一侧设置智能显示屏(4),在智能显示屏(4)下设置开关(5),在箱体(1)下设置轮子(6),在轮子(6)上设置消音三角带(7),在轮子(6)旁设置刹车(8),在开关(5)上设置散热扇(9),在散热扇(9)旁设置马达(10),本发明的有益效果是:本发明设计合理,结构简单。该新型自动散热电热鼓风干燥箱在工作时,将达到预期效果,大多箱体都需要有耐高温要求配置,而此发明从材料上达到了要求,箱体采用加强复合材料,使其加固提高使用安全性。

标签:
复合材料
江苏 - 无锡 来源:中冶有色网 2023-03-18
糖苷类化合物高选择性识别材料及其制备方法与应用

本发明公开了一种糖苷类化合物高选择性识别材料及其制备方法与应用,属于材料科学与分离工程领域。包括以下步骤:(1)采用溶剂热法合成Fe3O4@NH2磁性纳米粒子;(2)磁性纳米粒子表面硼酸基功能化;(3)通过硼亲和作用将含1,2或1,3‑顺式二醇结构的单糖固定在磁性纳米粒子表面,利用正硅酸乙酯的水解形成表面分子印迹层,去除模板得到分子印迹复合材料;(4)糖苷类化合物的高选择性分离富集。该方法合成的分子印迹材料在水溶液中对末端含1,2或1,3‑顺式二醇糖基的糖苷类化合物具有非常高的选择性识别能力,同时还具有吸附容量大、吸附/洗脱速率快、成本低、无模板泄露等优势,可以用于实际复杂样品中糖苷类化合物的选择性分离、富集和检测,具有很好的应用前景。

标签:
复合材料
江苏 - 无锡 来源:中冶有色网 2023-03-18
楼层填料造粒装置
楼层填料造粒装置 895     
 0

本申请提供了所述楼层填料造粒装置包括底盘1、电机减速机构2、摇摆盘3、支柱4、支撑板5,所述支柱4的下端与所述底盘1固定连接,所述支柱4的上端与所述支撑板5固定连接,所述支撑板5呈环形,所述摇摆盘3的圆周边缘设有卡槽6,所述支撑板5的内圈与所述卡槽6卡接,有益效果:制造出了能生产质量轻的复合材料填料造粒设备;还有是生产出的填料颗粒呈规则的圆球形,从而使得装置的结构更加稳定。

标签:
复合材料
江苏 - 无锡 来源:中冶有色网 2023-03-18
用于盾构隧道的复合式隔震层结构

本发明公开了一种用于盾构隧道的复合式隔震层结构,包括设置在围岩与初衬之间的第一隔震层和设置在初衬与管片之间的第二隔震层;所述第一隔震层和第二隔震层的厚度均为0.25m~0.35m;所述第一隔震层采用高性能泡沫混凝土材料,所述第二隔震层采用采用镍钛合金水泥基复合材料。在施作初衬前,在围岩内侧喷涂所述高性能泡沫混凝土材料作为第一隔震层,再施工初衬,然后,在初衬内侧施工第二隔震层,最后进行管片施工,从而完成了具有含复合式隔震层结构的盾构隧道施工。本发明利用两层隔震层,达到同时吸收地震动的能量和限制地下结构变形和位移。

标签:
复合材料
江苏 - 无锡 来源:中冶有色网 2023-03-18
仪表板横梁及其制备方法

本发明提供一种仪表板横梁,包括主横梁、车身左侧围连接件、车身右侧围连接件、车身前围板连接件、车身地板连接件和转向管柱安装件。车身左侧围连接件和车身右侧围连接件分别设于主横梁的两端。车身前围板连接件设于主横梁的一侧,车身地板连接件和转向管柱安装件设于主横梁的另一侧。主横梁、车身左侧围连接件、车身右侧围连接件、车身前围板连接件、车身地板连接件和转向管柱安装件由塑胶一体注塑成型。主横梁中夹设有由连续纤维增强热塑性复合材料模压而成的加强嵌板。本发明还提供一种仪表板横梁的制备方法。本发明的仪表板横梁具有质量轻、强度高和耐腐蚀的特点,且该仪表板横梁的制备方法工序简化,设计灵活性高。

标签:
复合材料
江苏 - 无锡 来源:中冶有色网 2023-03-18
水润滑轴承材料及其制备方法

本发明公开了一种水润滑轴承材料及其制备方法,属于复合材料技术领域,解决了现有轴承在恶劣工况下适应性较差、磨损大等问题。水润滑轴承材料,由以下重量份的成分组成:酚醛树脂20~30份;丁腈橡胶40~50份;石墨烯粉末1~10份;玄武岩纤维20~30份;硫化剂0.1~1份;软化剂5~10份;润滑剂10~20份。本发明提供的水润滑轴承材料,通过各组分的协同作用,具有自润滑、高承载、抗生污物附着、绿色无污染等优势,适合工作于水质较差、含有泥沙的内河航行船舶,可短时断水工作,低噪音,减震效果好,水膜易形成,水润滑摩擦系数低,完全可实现对进口产品的直接替代。

标签:
复合材料
江苏 - 无锡 来源:中冶有色网 2023-03-18
核壳结构Co-SiO<sub>2</sub>/C负极材料的制备方法

本发明提供了一种核壳结构Co‑SiO2/C负极材料的制备方法,将钴盐和表面活性剂溶于稀盐酸中,然后加入硅酸盐,搅拌加热、静置、冷却、水洗、抽滤,制备掺钴纳米SiO2溶胶,然后煅烧、水洗干燥,得到钴掺杂纳米SiO2粉末,再钴掺杂纳米SiO2粉末加入有机溶剂中,然后加入硅烷化试剂,回流、抽滤、水洗、干燥、碳化,得到Co‑SiO2/C复合材料。本发明解决了脱嵌锂的过程中产生的巨大的体积变化引起开裂和粉化导致的循环性能差的问题。

标签:
复合材料
江苏 - 无锡 来源:中冶有色网 2023-03-18
压力容器及制作方法、压力容器应力检测系统及方法

本发明公开一种压力容器及制作方法、压力容器应力检测系统及方法,涉及压力容器技术领域,为解决传统压力容器不能避免因内外部作用引起的损坏甚至爆炸事故发生,实现及时预警提示功能。本发明的压力容器,包括容器本体,所述容器本体的外壁上涂覆有压电复合材料层。本发明的压力容器用于盛装液体或气体。

标签:
复合材料
江苏 - 无锡 来源:中冶有色网 2023-03-18
含硅碳酸根型类水滑石超薄片的制备方法

本发明公开了一种含硅碳酸根型类水滑石超薄片的制备方法。将含Si4+及二价和三价金属离子的混合盐溶液与Na2CO3和NaOH的混合碱溶液,在搅拌下同时加入反应器中,通过调节两者的相对添加速率控制反应体系的pH为9~11。其中,二价金属离子为Mg2+、Co2+、Ni2+、Cu2+或Zn2+,三价金属离子为Al3+、Cr3+或Fe3+。所制备的Si‑CO3‑HTlc超薄片厚度小于3纳米,由2~4个类水滑石晶层组成;Si4+与金属离子的摩尔比为0.16~0.27。该制备方法具有工艺简单、条件温和、成本低、环境友好、易于产业化等优势。所制备的Si‑CO3‑HTlc超薄片在催化、储能、阻燃剂、复合材料等领域有重要的应用前景。

标签:
复合材料
江苏 - 无锡 来源:中冶有色网 2023-03-18
复合彩钢瓦
复合彩钢瓦 661     
 0

本发明属于彩钢瓦技术领域,具体的说是一种复合彩钢瓦,包括彩钢瓦本体,彩钢瓦本体由复合材料制成,彩钢瓦本体凹陷处两端固接有一号挡板,一号挡板与彩钢瓦本体凹陷处形成储水槽;相邻一号挡板之间设有二号挡板,二号挡板与彩钢瓦本体侧面通过滑块滑动连接;二号挡板靠近彩钢瓦本体的一侧固接有齿条,二号挡板与彩钢瓦本体之间设有齿轮,齿轮通过转轴与彩钢瓦本体转动连接;本发明结构简单,一号挡板、二号挡板、活塞板和彩钢瓦本体凹陷处形成封闭腔体,减少腔体内的水分蒸发散失,增加复合彩钢瓦的隔热性能,有效降低室内温度。

标签:
复合材料
江苏 - 无锡 来源:中冶有色网 2023-03-18
可控移动传送机
可控移动传送机 666     
 0

本发明公开了一种可控移动传送机,其特征在于,包括主轴(1),在主轴(1)上设置皮带(2),通过传动杆(3)连接控制线(4),控制线(4)连接电机(5),在主轴(1)外设置护栏(6),在护栏(6)的一端设置从动轮(7),在电机(5)底部设置支架(8),在支架(8)上设置主动轮(9),在主动轮(9)和从动轮(7)上设置消音三角带(10),在从动轮(7)和主动轮(9)上设置刹车(11),本发明的有益效果是:本发明设计合理,结构简单。该可控移动传送机在工作时,将达到预期效果,大多主轴都需要有耐高温要求配置,而此发明从材料上达到了要求,主轴采用加强复合材料,使其加固提高使用安全性。

标签:
复合材料
江苏 - 无锡 来源:中冶有色网 2023-03-18
土壤生态环境修复方法

本发明提供了一种土壤生态环境修复方法,属于土壤修复领域。本发明操作简便,克服了一般土壤修复方法操作繁琐,操作条件苛刻的缺点,同时也克服了液体土壤修复剂容易在侵害健康土壤且含有一些有毒化学成分的缺点,是一种绿色环保的土壤生态环境修复方法。本方法包括使用挖掘设备将需修复的目标土壤挖松,去除土壤中的垃圾,完成对土壤的初步筛滤,然后加入磁性富羧基碳复合材料,充分混合,均匀地分布,并在可见光下照射,在此期间,向目标土壤中洒水,保持土壤湿润,然后往目标土壤中加入粘土矿物粉末和蘑菇堆肥。本发明的修复方法整个处理过程操作简便,对环境要求低,无pH和温度的要求,可以大规模用于土壤修复。

标签:
复合材料
江苏 - 无锡 来源:中冶有色网 2023-03-18
3D成型SiCp/Al复杂结构的制备方法

一种3D成型SiCp/Al复杂结构的制备方法,它涉及一种SiCp/Al复杂结构(点阵结构)的制备方法,具体涉及采用3D成型技术制备SiCp/Al点阵结构的方法。本发明的目的是要解决传统加工方法无法制造SiCp/Al复杂结构的问题。制备方法:一、制备混合粉料;二、参数设定;三、制备预制件;四、热固化;五、渗胶;六、脱脂;七、烧结得到SiCp/Al复杂结构。有益效果:利用SLS成型机,选择激光烧结技术,进行3D成型,无需模具,实现复杂结构SiCp/Al预制件的数字化成型,避免了对SiCp/Al复合材料二次加工成型,解决了SiCp/Al复杂结构难成型的问题。本发明主要用于制备SiCp/Al复杂结构。

标签:
复合材料
江苏 - 无锡 来源:中冶有色网 2023-03-18
钼酸铋/硫化铋/二硫化钼三元光电催化薄膜材料电极的制备方法

一种钼酸铋/硫化铋/二硫化钼三元光电催化薄膜材料电极的制备方法,本发明属于复合材料和光催化技术领域。解决现有对于Bi2MoO6薄膜的改性方法还无法将其用于光电催化领域的问题。制备方法:一、制备Bi2MoO6纳米片阵列薄膜;二、煅烧;三硫化,得到Bi2S3/MoS2/Bi2MoO6三元光电催化薄膜材料电极。本发明用于钼酸铋/硫化铋/二硫化钼三元光电催化薄膜材料电极的制备。

标签:
复合材料
江苏 - 无锡 来源:中冶有色网 2023-03-18
有序介孔材料负载荧光稀土-POSS配合物用于增强骨修复材料的制备及产品和应用

本发明涉及一种有序介孔材料负载荧光稀土‑POSS配合物用于增强骨修复材料的制备方法及其产品和应用。首先合成有序介孔纳米材料,然后将稀土‑POSS配合物通过化学键键合到介孔材料中,再对其表面加以聚乳酸修饰后将其添加到聚酯材料中。通过该方法得到的可降解复合骨修复材料,不仅具有稳定的荧光性能,便于体内直接观察材料降解行为,且力学强度较纯有机聚合物得到较大提升,可应用于性能指标要求较高的承重骨部位的骨修复材料使用。该发明制备工艺简单,可操作性强,无机纳米材料的加入量少,易加工成型,所得复合材料能满足临床应用的需求。

标签:
复合材料
江苏 - 无锡 来源:中冶有色网 2023-03-18
三向交织结构玄武岩纤维混凝土及其制备方法

本发明公开了一种三向交织结构玄武岩纤维混凝土及其制备方法,属于土工建筑增强复合材料制造技术领域。通过将三向交织玄武岩纤维织物作为增强体铺设在混凝土中,而三向交织结构玄武岩纤维织物是在一个平面内由3组互成60°相互交织而成的织物,其在交织点的相互锁合作用以及60°偏斜方向上的玄武岩纤维赋予其优良的力学性能,强度高,稳定性好,抗剪切性能好,具有较高的抗老化、耐疲劳性与抗冲击性。并且具有近似各项同性的特点,能够均匀的传递来自个方向的荷载。且三向交织结构织物的网孔能够起到锁定混凝土骨料的作用,显著增强了混凝土构件的抗折强度。

标签:
复合材料
江苏 - 无锡 来源:中冶有色网 2023-03-18
挤塑板及其制备方法
挤塑板及其制备方法 814     
 0

本发明涉及一种挤塑板及其制备方法,特别是一种具有泡孔结构的挤塑板及其制备方法,属于复合材料技术领域。其组成中包括有按照重量百分比计的72~94%的聚苯乙烯、2~16%的石墨、2~16%的阻燃剂,其特征在于:所述的挤塑板的表面上分布有泡孔,所述的泡孔的平均直径范围在80~200μm之间,且在400μm×400μm面积中,有5~25个泡孔。本发明所提供的具有泡孔结构的挤塑板具有较好的表面微观结构,能够进一步地提高挤塑板的保温效果。

标签:
复合材料
江苏 - 无锡 来源:中冶有色网 2023-03-18
可控淀粉基生物降解农用地膜

本发明公开了一种可控淀粉基生物降解农用地膜。本发明的农用地膜由PBAT+PLA或PBAT+PLA+MTPS或PBAT+PLA+MTPS+甘蔗渣纤维素与扩链剂、脱模剂组成,通过上述配方,结合膜下滴灌技术,通过调整组成配比,可根据气候特点及覆盖作物的生长发育与水肥需求规律,调控生物地膜的降解时间及降解效率,使其安全期达到当地覆盖农作物的最佳覆膜天数,既保证在覆盖期间起到增温保墒、控草减药、稳产增收应有的效果,又能在生长后期或收获之后及时降解,最终被土壤微生物分解为水和二氧化碳,不会造成土壤及生态环境污染;配方中加入了价格低廉的改性淀粉基复合材料和甘蔗纤维素,还可大幅降低生产成本,具有较好的综合性能和良好的市场应用前景。

标签:
复合材料
江苏 - 无锡 来源:中冶有色网 2023-03-18
低成本无酶免标快速检测有机磷农药的新方法

本发明公开了一种低成本无酶免标快速检测有机磷农药的新方法,主要是基于富含鸟嘌呤碱基序列的DNA[G3T]5与镧系金属Tb3+形成的复合材料,由于发生能量转移效应,[G3T]5能量转移给Tb3+,使Tb3+产生荧光,再加入一定量的银纳米粒子(AgNPs)溶液后Tb3+荧光显著增强,加入有机磷农药可引起Tb3+荧光的降低,其荧光降低与加入有机磷农药的浓度呈线性相关。本发明提供的方法非常简单、造价低、稳定性好、检测速度快,可进一步研制相应的试剂盒和试纸条,以满足现场快速、准确的检测要求。

标签:
复合材料
江苏 - 无锡 来源:中冶有色网 2023-03-18
阳离子胶原蛋白絮凝剂的制备方法

本发明公开了一种阳离子胶原蛋白絮凝剂的制备方法,以制革废胶原蛋白、丙烯酰胺、丙烯酰氧乙基三甲基氯化铵为原料,并引入壳聚糖/木质纤维素/蒙脱土纳米复合材料,通过叔丁基过氧化氢、焦亚硫酸钠氧化还原引发体系引发水溶液聚合反应,合成了一种阳离子胶原蛋白絮凝剂。本发明制备的絮凝剂化学性能稳定,絮凝能力好,成本低,实现了制革废物的资源化利用,减少了制革生产污染物排放,起到“以废治污”作用,且绿色环保无二次污染,易于被微生物降解。

标签:
复合材料
江苏 - 无锡 来源:中冶有色网 2023-03-18
耐磨复合橡胶的制备方法

本发明公开了一种耐磨复合橡胶的制备方法,SBR、POM/RCF复合填料、炭黑、ZnO、硬脂酸、CZ、DM、硫磺、废碳纤维、聚甲醛、玻璃纤维、玄武岩纤维作为主要原料,纤维垂直面的复合材料由于具有较好的力学性能而使橡胶的耐磨性有效的增加;解决了纳米无机粉体在基体聚合物中的分散性及提高其与基体聚合物的界面作用强度,使得磨耗指数大大降低。

标签:
复合材料
江苏 - 无锡 来源:中冶有色网 2023-03-18
清理尾气管道焦油的控温加热装置及其使用方法

本发明属于碳基复合材料的制造领域,涉及一种清理尾气管道焦油的控温加热装置及其使用方法。本发明控温加热装置包括玻璃纤维加热带、K型热电偶、控温表、接触器以及方形控制箱;其中,所述控温表分别连接K型热电偶和接触器,所述接触器连接玻璃纤维加热带;用标准滑轨将所述控温表和接触器固定在方形控制箱内;所述玻璃纤维加热带起加热作用;所述K型热电偶用来检测温度;所述控温表可以自由设置0‑300℃之间的温度,并控制温度恒定。本发明控温加热装置可解决原CVD工艺中副产物焦油堵塞尾气管道问题。

标签:
复合材料
江苏 - 无锡 来源:中冶有色网 2023-03-18
一维核壳结构的钛酸锶聚吡咯纳米复合纤维及制备方法

本发明提供了一种一维核壳结构的钛酸锶/聚吡咯纳米复合纤维及制备方法,纳米复合纤维由聚合物聚吡咯体和钛酸锶钡纳米纤维材料组成,钛酸锶钡纳米纤维外包覆有聚吡咯并形成核壳结构,这种具有核壳结构的钛酸锶钡/聚吡咯纳米复合纤维采用静电纺丝法结合气相聚合的方法制备,在聚合过程中以钛酸锶钡纤维为硬模板,聚乙烯吡咯烷酮为软模板,形成了钛酸锶钡/聚吡咯纳米复合纤维的核壳结构。本发明一维纤维状吸波材料的吸波能力明显优于球状吸波材料,同时复合纤维的壳层厚度可控、壳层材料具有良好的导电性能,有助于复合材料吸波频段的扩大,并且复合纳米纤维具有良好的一维形貌、尺寸分布均匀、分散稳定性好、制备工艺简单易行等优点。

标签:
复合材料
江苏 - 无锡 来源:中冶有色网 2023-03-18
柔性复合薄膜及其制备方法

本发明涉及一种柔性复合薄膜及其制备方法。一种柔性复合薄膜的制备方法,将无机纳米颗粒、金属有机化合物和聚乙烯吡咯烷酮混合得到溶胶,通过静电纺丝的方式成型得到复合纤维丝,再煅烧得到复合纳米纤维,将复合纳米纤维与偏二氟乙烯‑三氟乙烯‑氯氟乙烯共聚物进行复合以得到柔性复合薄膜,保证了复合纳米纤维的均匀分散,避免了使用无机纳米颗粒造成复合材料内部电场分布不均、电场聚集而造成击穿的情况;且有利于提高柔性复合薄膜的介电常数和极化性能;能够在保证较大的介电常数和极化性能的前提下,减少复合纳米纤维的用量,避免了复合纳米纤维的加入导致机械性能恶化而导致击穿强度降低和储能密度降低的问题。

标签:
复合材料
江苏 - 无锡 来源:中冶有色网 2023-03-18
新型水洗塔
新型水洗塔 1021     
 0

本发明公开了一种新型水洗塔,其特征在于,包括塔体(1),在塔体(1)底部设置循环水箱(2),在塔体(1)中部设置喷淋头(3),在塔体(1)内壁上设置填料层(4),循环水泵(6)通过管道(5)连接喷淋头(3),在塔体(1)旁设置加药桶(7),本发明的有益效果是:本发明设计合理,结构简单。该新型水洗塔在工作时,将达到预期效果,大多管道都需要有耐高温要求配置,而此发明从材料上达到了要求,管道采用加强复合材料,使其加固提高使用安全性。

标签:
复合材料
江苏 - 无锡 来源:中冶有色网 2023-03-18
纳米抗菌材料的制备方法

本发明提供一种纳米抗菌材料的制备方法,包括以下步骤:a、将聚酯多元醇和聚醚多元醇混合加入到反应釜中加热并搅拌,再温度进行脱水处理,得到材料一;b、向材料一中加入抗粘连剂、有机抗菌剂和无机抗菌剂,加热、抽真空,再降温、脱水处理,导入密炼机中并添加催化剂,密炼得到材料二;c、将纳米银锌复合材料、表面活性剂和去离子水混合导入混料机中,再加入无机纳米材料和无机填充料,得到材料三;d、将材料二、材料三混合并加入异氰酸酯、扩链剂和润滑剂,采用磁力搅拌机搅拌,再导入双螺杆中,在真空条件下挤出成型。本发明制备的纳米抗菌材料具有较好的加工性能和机械性能,抗菌性优良、绿色环保、使用寿命长。

标签:
复合材料
江苏 - 无锡 来源:中冶有色网 2023-03-18
柔性表面增强拉曼基底及制备方法和应用

本发明涉及一种柔性表面增强拉曼基底及制备方法和应用,由聚甲基丙烯酸甲酯和银纳米颗粒组成的复合材料,聚甲基丙烯酸甲酯形成倒金字塔型结构的基底,银纳米颗粒均匀分布在基底的内部,即为柔性表面增强拉曼基底,基底外观是透明的。具有很好的增强效果及检测灵敏度,可拉伸或弯曲,而且不影响检测效果。

标签:
复合材料
江苏 - 无锡 来源:中冶有色网 2023-03-18
具有光热协同效应的复合光催化材料的合成方法

一种具有光热协同催化效应的复合光催化材料的制备方法,包括以下步骤:(1)钛过氧化银氨复合物前驱体的合成,(2)有序介孔微球复合物的制备,(3)有序介孔金属/二氧化钛复合材料的制备。根据该制备方法通过合成钛过氧化银氨复合物前驱体,在分子级别控制最终产物的摩尔比,有利于载流子迁移,提高催化活性。在表面活性剂的模板化作用下,实现纳米结构的原位合成。该制备方法流程简单,可操作性强,同时相对成本低廉,适用于批量制备,具备工业化生产的可能性,具有广泛的应用前景。

标签:
复合材料
江苏 - 无锡 来源:中冶有色网 2023-03-18
铝用阳极浇铸铁水及其熔炼工艺

本发明公开了铝用阳极浇铸铁水及其熔炼工艺,属于铝电解生产技术领域。本发明针对现有磷生铁的生产通过补充生铁或磷生铁导致成本高,提供铝用阳极浇铸磷生铁及其熔炼工艺,采用废钢铁、回炉铁、增碳剂、硅铁、磷铁、元素吸收稳固剂作为原料按一定质量比例进行熔炼得到,其中元素吸收稳固剂的成分包括增碳剂、硅铁、锰铁、磷铁、稀土元素以及含有镁、钇、硅铁孕育剂的复合材料。本发明磷生铁符合铝用阳极浇铸性能要求,不需另外补充生铁或磷生铁,也不需进行磷生铁报废置换,可节约大量生铁或磷生铁原料的耗用,从而达到降低物耗的目的。

标签:
复合材料
江苏 - 无锡 来源:中冶有色网 2023-03-18
上一页 504 505 506 507 508 ... 786 下一页
共786页    到第

中冶有色为您提供最新的江苏无锡有色金属材料制备及加工技术理论与应用信息,涵盖发明专利、权利要求、说明书、技术领域、背景技术、实用新型内容及具体实施方式等有色技术内容。打造最具专业性的有色金属技术理论与应用平台!

全国热门有色金属设备推荐
展开更多 +
全国热门有色金属技术推荐
展开更多 +

 

江西省隆恩特环保设备有限公司
宣传

报名参会
更多+

报告下载

有色专家
更多+

南昌航空大学
副院长/教授
中国有色金属工业协会
副会长兼秘书长
云南锡业集团(控股)有限责任公司
副总经理
中铝检测科技(郑州)有限公司/国家轻金属质量检验检测中心
正高级工程师
北京工业大学、中国工程院
中国工程院 院士
赤泥综合利用研究报告2025
推广

热门技术
更多+

推荐企业
更多+

福建省金龙稀土股份有限公司
宣传

发布

在线客服

公众号

电话

顶部
咨询电话:
010-88793500-807