青岛垚鑫智能科技有限公司
宣传

位置:中冶有色 >

有色技术频道 >

> 加工技术

分类:
全部
矿山技术
冶金技术
材料制备及加工技术
环境保护技术
分析检测技术
 
全部
功能材料技术
复合材料技术
新能源材料技术
合金材料技术
加工技术
地区:
全部
北京
天津
上海
重庆
河北
山西
辽宁
吉林
黑龙江
江苏
浙江
安徽
福建
江西
山东
河南
湖北
湖南
广东
海南
四川
贵州
云南
陕西
甘肃
青海
内蒙
广西
西藏
宁夏
新疆
其他
其他
展开
 
全部
广州
韶关
深圳
珠海
汕头
佛山
江门
湛江
茂名
肇庆
惠州
梅州
汕尾
河源
阳江
清远
东莞
中山
潮州
揭阳
云浮

广东深圳有色金属加工技术理论与应用

免费发布技术信息>>
锂离子二次电池正极及包括该正极的锂离子二次电池

本发明提供了一种锂离子二次电池正极,该正极包括集流体和涂覆在该集流体上的涂覆层和正极材料层,所述涂覆层位于集流体和正极材料层之间,其中,所述涂覆层含有正极活性物质、正温度系数材料和粘结剂。本发明还提供了一种包括该正极的锂离子二次电池。本发明提供的正极,可以提高了电池的安全性能。同时,可以保证电池的容量不受损失。

标签:
加工技术
广东 - 深圳 来源:中冶有色网 2023-03-18
锂电池隔膜及锂电池
锂电池隔膜及锂电池 978     
 0

本实用新型涉及锂电池技术领域,特别是涉及一种锂电池隔膜、其制备方法及锂电池。该方法包括:制备溶剂型聚酰亚胺树脂涂料;向溶剂型聚酰亚胺树脂涂料添加纳米颗粒,获得混合涂料;涂布并烘干混合涂料,制备获得聚酰亚胺薄膜;以预定的温度,烘烤去除聚酰亚胺薄膜内的纳米颗粒,制备获得锂电池隔膜。本实用新型实施例提供的锂电池隔膜采用了聚酰亚胺材质,与现有常用的锂电池隔膜相比,具有良好的耐高温性能。而且,抗张强度较高,能够确保电池隔膜在使用过程中不容易被异物刺穿,导致安全事故。

标签:
加工技术
广东 - 深圳 来源:中冶有色网 2023-03-18
锂离子电池复合正极材料、正极极片及锂离子电池

一种锂离子电池复合正极材料,放电电压与放电容量成线性关系,放电电压为3.0-4.2V,放电电压对应的放电容量为0%-100%。本发明提供的锂离子电池复合正极材料的放电电压与放电容量曲线有显著的线性对应关系,从而根据放电电压准确指示电池剩余容量,进而有助解决剩余容量预测的问题。

标签:
加工技术
广东 - 深圳 来源:中冶有色网 2023-03-18
锂离子电池灌装聚合物组合物,灌装方法及锂电池和应用

一种锂离子电池灌装聚合物组合物,灌装方法及锂电池和应用,所述聚合物组合物其含有聚合物55-65重量份和固化剂1-5重量份以及用于提高机械强度的颜料和或填料1-17重量份;该灌装方法包括:1)将锂离子电池裸电芯单体置于灌装用模具中,通过将本发明的聚合物组合物浆料在打开模具上的排气阀门的状态下,注入该模具中;2)然后关闭排气阀门,加压至5~15MPa,保持压力直至浆料固化不流动为止;3)然后打开排气阀门至常压,进行干燥;拆卸模具,然后通过再注入电解液得到锂离子电池单体或组件。该灌装组装方法一次成型,所组成的电池组具有结构紧凑,价格低廉,运行安全可靠,电池化学接触界面优良,一致性提高等优点,适用于移动电源,电动汽车,电网电站等设备设施中。

标签:
加工技术
广东 - 深圳 来源:中冶有色网 2023-03-18
锂离子电池用分散剂及其制备方法、正极浆料、正极片和锂离子电池

本申请提供了一种锂离子电池用分散剂,该分散剂包括源自亲溶剂单体的结构单元A、源自共轭二烯类单体的结构单元B和源自高粘接力单体的结构单元C;其中,所述亲溶剂单体包括N‑乙烯基吡咯烷酮和丙烯酰胺类单体中的一种或两种;所述高粘接力单体包括不饱和烯腈类单体和丙烯酸酯类单体中的一种或两种。该分散剂兼具分散和粘结的作用,可使正极活性材料和导电剂等在锂离子电池正极浆料中短时间内达到较好的分散效果,还可部分或全部取代正极浆料中的粘结剂,不降低正极活性材料在正极片中的质量占比。本申请还提供了该分散剂的制备方法、包含其的正极浆料、正极片和锂离子电池。

标签:
加工技术
广东 - 深圳 来源:中冶有色网 2023-03-18
制备锂电池材料用匣钵机及锂电池材料烧结设备

本发明属于新能源电池制备技术领域,解决了现有制备锂电池材料用匣钵机的整机装配不紧凑、自动化程度低、破块压碎的效果不佳且效率低的技术问题,提供了一种制备锂电池材料用匣钵机及锂电池材料烧结设备,该匣钵机包括机架、输送机构和多个破块装置,对输送机构和多个破块装置的运行进行控制的控制器,输送机构依次输送匣钵经过多个待升降位,各个破块装置均包括用于驱动匣钵做升降运动的升降机构、对匣钵施加限位作用力的限位机构、用于驱动刀片组件做进退运动的伸缩机构以及设置于伸缩机构上的刀片组件。本发明制备锂电池材料用匣钵机及锂电池材料烧结设备具有整机装配紧凑、自动化程度高、破块压碎的效果佳且效率高的优点。

标签:
加工技术
广东 - 深圳 来源:中冶有色网 2023-03-18
锂电池、电池包、车辆以及锂电池的制作方法

本发明公开了一种锂电池、电池包、车辆以及锂电池的制作方法。锂电池包括壳体、电芯、加强丝和封装层。壳体的壁厚为0.04mm‑0.5mm,电芯设于壳体内,加强丝绕设于壳体外周,封装层用于将加强丝封装至壳体的外表面。根据本发明的锂电池,通过在壳体的外周设置加强丝,加强丝所产生的径向预压应力,可降低电芯工作时的切向拉应力,从而确保了壳体能够承受更高的内部压力,表现出更长的疲劳寿命,防止材料自身膨胀导致的电池壳体破裂,提高了锂电池的安全性。

标签:
加工技术
广东 - 深圳 来源:中冶有色网 2023-03-18
锂空气电池改性非碳正极及其制备方法和锂空气电池

本发明公开了一种锂空气电池改性非碳正极及其制备方法和锂空气电池。所述锂空气电池改性非碳正极的制备方法包括以下步骤:将泡沫镍集流体进行预处理;将经所述预处理后的所述泡沫镍集流体置于含钴盐的水溶液中进行水热反应,在所述泡沫镍集流体表面生长碱式碳酸钴前驱体;将生长的所述碱式碳酸钴前驱体进行洗涤和干燥处理后,进行煅烧处理,在所述泡沫镍集流体表面生长Co3O4;将生长有所述Co3O4的所述泡沫镍集流体于还原气氛中进行热还原处理,即得改性氧化钴复合泡沫镍非碳正极。所述制备方法制备的锂空气电池改性非碳正极具有良好的导电性和催化活性,赋予锂空气电池良好的稳定性及循环性能,而且使用寿命长。

标签:
加工技术
广东 - 深圳 来源:中冶有色网 2023-03-18
扣式锂离子电池用壳体及扣式叠片锂离子电池

本实用新型涉及锂离子电池领域,公开了一种扣式锂离子电池用壳体及扣式叠片锂离子电池,壳体包括:第一极壳,包括第一环形壳片,在所述第一环形壳片的末端形成有开口,另一端部封堵有第一端盖;第二极壳,包括第二环形壳片,在所述第二环形壳片的末端形成有开口,另一端部封堵有第二端盖;绝缘密封圈,包括第一环形绝缘体、环绕在所述第一环形绝缘体外的第二环形绝缘体、所述第一环形绝缘体、第二环形绝缘体一体化设计;所述密封圈套在所述第二环形壳片上,所述第二环形壳片被套于所述第一环形绝缘体、第二环形绝缘体之间,所述第一极壳、第二极壳开口相对地套接连接形成一密封的空腔,所述第一环形壳片、第二环形壳片相并行套接,所述绝缘密封圈间隔在第一环形壳片、第二环形壳片,以及间隔在所述第一环形壳片的末端与第二端盖之间。应用该技术方案,有利于提高扣式锂离子电池的容量。

标签:
加工技术
广东 - 深圳 来源:中冶有色网 2023-03-18
锂离子电池盖板组件及锂离子电池

本实用新型涉及一种锂离子电池盖板组件,包括盖板、绝缘件、极板以及铆钉,所述绝缘件位于盖板和极板之间,所述盖板开设有通孔。所述极板一侧设置有一穿过绝缘件并收纳在所述极板的通孔内的环形凸台,所述铆钉通过过盈配合铆入极板的环形凸台内,使所述盖板与所述极板连接。本实用新型还涉及使用所述电池盖板的锂离子电池。本实用新型锂离子电池盖板组件及电池,环形凸台和铆钉的过盈配合连接是在通孔内进行的,不仅结构简单而且由于铆接的结构设置在通孔内,所以能够有效减小盖板厚度,缩小整个锂离子电池的尺寸。

标签:
加工技术
广东 - 深圳 来源:中冶有色网 2023-03-18
锂粉的储存装置及锂粉的对接装置

本实用新型涉及一种锂粉的储存装置及锂粉的对接装置,所述储存装置包括罐体(1)和密封机构,所述罐体(1)上开设有料口(10),所述密封机构设置于所述料口(10)并包括开关阀(2)、外筒(3)以及密封件(4),所述开关阀(2)安装在所述料口(10)处并用于开闭所述料口(10),所述外筒(3)罩设于所述开关阀(2)的出口并形成有与所述出口连通的通道(31),所述密封件(4)连接于所述通道(31)处并用于打开或封闭所述通道(31)。该储存装置能够有效保证自身的气密性,实现锂粉的安全储存。

标签:
加工技术
广东 - 深圳 来源:中冶有色网 2023-03-18
锂电池的封装结构及锂电池

一种锂电池的封装结构,包括方框状胶壳和垫片,胶壳的内壁设有与锂电池电芯的结构相匹配的骨位,电芯可卡合固定于胶壳内。垫片包括面盖和底盖,分别盖合于方胶壳的顶面和底面,面盖和底盖的边缘均设有卡合部,胶壳上设有与所述卡合部的结构相匹配的卡合槽,用于将垫片固定在胶壳上。垫片材质的刚度大于胶壳材质的刚度。通过用方框状的胶壳固定电芯,并分别将面盖和底盖盖合于胶壳的顶面和底面且将面盖和底盖与胶壳卡合固定。由于垫片材质的刚度大于胶壳材质的刚度,垫片的厚度设计得比传统的塑胶外壳薄也能达到保护电芯的目的,在电池厚度不变的情况下可增大电芯的尺寸,从而提升电池容量。此外,本实用新型还提供了一种锂电池。

标签:
加工技术
广东 - 深圳 来源:中冶有色网 2023-03-18
镍锰酸锂锂电池正极材料的制备装置

本发明公开了一种镍锰酸锂锂电池正极材料的制备装置,涉及电池生产领域,包括箱体和安装在箱体外壁上的加热线圈,所述箱体的内部安装有圆盘、驱动机构、升降机构和刮料机构;所述圆盘底部的两侧均沿箱体轴向方向安装有搅拌杆,所述搅拌杆的外部安装有多个搅拌条;所述驱动机构安装在箱体上、以用于带动圆盘转动;所述升降机构包括分别固接在两个搅拌杆顶端的两个螺杆和用于分别带动两个螺杆竖向移动的联动组件;所述刮料机构包括分别安装在圆盘底部两侧的两个刮料筒;该镍锰酸锂锂电池正极材料的制备装置,能够在对溶液进行搅拌蒸干的同时,将箱体内壁和搅拌杆上残留的物料清理掉,从而避免了箱体内壁和搅拌杆外壁在长时间使用后容易结垢的问题。

标签:
加工技术
广东 - 深圳 来源:中冶有色网 2023-03-18
用于锂钠电池的隔膜制备方法

本发明涉及一种用于锂钠电池的隔膜制备方法,包括以下步骤:S1.将4,4‑二氟二苯甲酮和双酚芴按摩尔比1:1~1:2溶于混合溶剂中,搅拌均匀;S2.在惰性气体保护下,加入催化剂,对混合物进行加热保温,得到固状沉淀物,将固状沉淀物用溶剂浸泡后洗涤、烘干,制得隔膜材料;S3.将隔膜材料溶解于溶剂中,形成不同浓度的溶液,利用静电纺丝技术制得具有纳米纤维网状结构的聚合物隔膜。该制备方法易于实现,所得到的锂钠离子电池聚合物隔膜综合性能优异,包括:耐高温,具有很高的使用上限温度;孔隙率高;吸液、保液性好;离子电导率大;组装的扣式电池倍率性能优良;机械强度高。

标签:
加工技术
广东 - 深圳 来源:中冶有色网 2023-03-18
锂电池盖板组件及使用该组件的锂电池

本实用新型属于锂电池技术领域,提供一种锂电池盖板组件及使用该盖板组件的锂电池。这种锂电池盖板组件,包括顶板、固定于顶板中的正极柱和负极柱以及设置在顶板和正极柱及负极柱之间的密封垫圈,所述正极柱和负极柱均包括成一体的底板和两个柱体,该底板处于顶板的一侧,该柱体穿过顶板并延伸出顶板的另一侧。根据本实用新型的锂电池盖板组件,正、负极柱是整体结构,电池内阻小;电芯极耳与电池外壳内侧的正、负极柱容易焊接,外壳外侧的正、负极端子也容易连接从而方便电池组串联或并联;合板时,隔圈中的极耳弯折成”U”形,比弯折成“S”形空间利用率大。

标签:
加工技术
广东 - 深圳 来源:中冶有色网 2023-03-18
持续稳定的锂电池生产用磷酸铁锂粉体真空输送设备

本发明涉及粉体输送技术领域,且公开了一种持续稳定的锂电池生产用磷酸铁锂粉体真空输送设备,包括底板,所述底板的下表面固定连接有支撑架,所述底板的上表面中部固定安装有箱体,所述箱体的正面中部开设有第一卡槽,所述箱体的顶部中部固定安装有运输筒,所述运输筒的一侧内部设置有输送机构。该持续稳定的锂电池生产用磷酸铁锂粉体真空输送设备,通过清除机构内的斜板,斜板为倒圆台形,圆台的顶部固定连接于箱体的内壁,输送机构输送粉尘会落入斜板的上方空间进行抽真空处理,振动电机可以将斜板上残留的粉体进行振动清除,打开挡板即可时粉体向下落去,从而可以达到避免抽真空时残留下来的粉体附着在设备的内部的作用。

标签:
加工技术
广东 - 深圳 来源:中冶有色网 2023-03-18
高安全性钛酸锂锂离子电池及其制备方法

本发明提供一种高安全性钛酸锂锂离子电池的制备方法,包括:S1.制备三维带;S2:通过浸浆系统使得制得的三维带表面均匀地涂覆活性物质浆料,然后再使三维带通过浸浆系统上方的斜板式涂浆装置,成为湿态极板;所述活性物质浆料包含活性材料和有机纤维;S3:湿态极板经烘干、压片、切片后分别制成正极板和负极板;S4:将正极板和负极板彼此相对放置,隔膜设置在正极板和负极板之间,构成电极组件,将电极组件装入壳体中,往壳体中注入电解液。所制备的钛酸锂锂离子电池表现出相当高的能量密度、良好的循环寿命特性,安全性能优异,同时极板厚度大大增加,极板层数减少,减少了隔膜和集流载体的用量,提高了制造效率,大大降低了生产成本。

标签:
加工技术
广东 - 深圳 来源:中冶有色网 2023-03-18
锂离子电池用复合正极片、制备方法及锂离子电池

本发明公开了一种锂离子电池用复合正极片、制备方法及锂离子电池,该复合正极片包括正极集流体,正极集流体表面沿远离正极集流体的方向依次设有底涂层、活性物质层和固体电解质层;所述底涂层含有导电剂,导电剂为炭黑、碳纳米管、碳纤维、空心碳球、石墨烯中的任意一种或组合。底涂层可以改善活性物质与集流体间的接触电阻,提高其导电性、倍率性能及散热性能,同时又降低了电解液对集流体的腐蚀作用,避免了集流体长期循环后电阻增大造成的安全问题;固体电解质层可以有效阻止锂离子电池中的电解液直接与活性物质接触,减少副反应的发生,提高电池的倍率性能;该复合负极片用作锂离子电池的正极,可以兼顾循环性能和安全性能,适合推广应用。

标签:
加工技术
广东 - 深圳 来源:中冶有色网 2023-03-18
锂离子电池用镍掺杂锰酸锂正极材料的制备方法

本发明涉及一种镍掺杂锰酸锂正极材料的制备方法,该材料的化学式为LiMn1-xNixO2,其中:x=0.12-0.15,该方法包括如下步骤:(1)配制乙酸锰和聚乙烯吡咯烷酮混合溶液;将镍氰酸钠(Na2Ni(CN)4)水溶液,滴加到上述乙酸锰和聚乙烯吡咯烷酮混合溶液中,滴加量控制使得镍离子和锰离子的摩尔比为1 : 1,滴加完毕后,磁力搅拌后,静置,离心分离得到镍氰酸锰(MnNi(CN)4)纳米粒子,将纳米粒子煅烧得到前驱体MnNiO3;(2)将氢氧化锂、前躯体MnNiO3、氢氧化锰混合,加入去离子水,搅拌成粘稠浆状物,在150-250℃的恒温下反应,得到镍掺杂锰酸锂。本发明制备的正极材料,使用湿法制备的高纯度具有多微孔结构的MnNiO3作为主要原料,结合低温固相法以获取较高的能量密度、一致性好的镍掺杂锰酸锂复合材料。

标签:
加工技术
广东 - 深圳 来源:中冶有色网 2023-03-18
锂离子动力电池用硅酸盐正极材料及其制备方法、锂离子动力电池

本发明公开了一种锂离子动力电池用硅酸盐正极材料及其制备方法、锂离 子动力电池,要解决的技术问题是提高正极材料的导电性能、循环寿命。本发 明的正极材料,以LinMSiO4为基体,基体外包覆有碳材料微粒层,厚度在 0.5~50nm之间。其制备方法包括:将锂、过渡金属元素、硅和碳制成前驱体浆 料,静置、超细磨、再静置、干燥、热处理、融合处理。本发明的锂离子动力 电池,正极材料以LinMSiO4为基体,基体外包覆有碳材料微粒层,厚度在 0.5~50nm之间。本发明与现有技术相比,正极材料具有堆积密度高、体积比容 量高、电池加工性能好的优点,用该材料作正极材料制作的动力电池具有较高 的安全性能、倍率性能、循环性能。

标签:
加工技术
广东 - 深圳 来源:中冶有色网 2023-03-18
回收含锂废水中锂离子的系统

本实用新型涉及一种回收含锂废水中锂离子的系统,包括依次连接的前处理单元、一级反渗透单元和离子交换单元;一级反渗透单元的淡水出口连接离子交换单元,浓水出口连接二级反渗透单元;前处理单元包括依次连接的过滤器、pH调节池和脱碳器;离子交换单元的出口并联连接pH调节池和产水箱;二级反渗透单元的淡水出口连接pH调节池,浓水出口连接硫酸锂收集池。前处理单元能保护两级反渗透单元和离子交换单元;两级反渗透单元串联,提高浓缩效果;离子交换单元对一级反渗透单元的淡水进一步吸附除锂,提高锂回收率;离子交换单元和二级反渗透单元的淡水出口连接前处理单元,使回收锂离子进入两级反渗透单元,生产硫酸锂,提高锂离子回收率。

标签:
加工技术
广东 - 深圳 来源:中冶有色网 2023-03-18
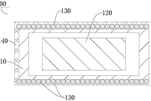
锂电池封装壳体和锂电池包

本实用新型公开一种锂电池封装壳体和锂电池包,其中,锂电池封装壳体包括两端开口的方形铝壳以及固定封盖于方形铝壳两端的两金属端盖,金属端盖上具有朝方形铝壳内部凹陷的凹槽,且凹槽的各个侧壁分别贴近方形铝壳的对应侧壁;方形铝壳的端面与金属端盖之间夹持有密封层,密封层环绕凹槽设置。本实用新型技术方案提升了锂电池封装壳体的美观性和防水密封效果。

标签:
加工技术
广东 - 深圳 来源:中冶有色网 2023-03-18
半圆盘形电芯、半圆盘形锂电池及圆盘形锂电池

本实用新型公开一种半圆盘形电芯、半圆盘形锂电池及圆盘形锂电池,所述圆盘形电芯包括:半圆形正极,半圆形负极,设置在所述半圆形正极与半圆形负极之间的隔膜;所述隔膜为圆形,所述隔膜设置有裂缝,所述隔膜对折后包覆所述半圆形正极或半圆形负极,所述正极极耳或负极极耳从所述裂缝中伸出。本实用新型将半圆形的正极、半圆形的负极和设置在所述半圆形正极与半圆形负极之间的隔膜叠成的半圆盘形电芯,再由半圆盘形电芯和铝塑复合膜组成半圆盘形锂电池和圆盘形锂电池,以满足在半圆盘形的安装空间和圆盘形的安装空间的需要,充分利用空间和提升容量。

标签:
加工技术
广东 - 深圳 来源:中冶有色网 2023-03-18
三元锂电防过充电解液及锂离子电池

本发明实施方式公开了一种三元锂电防过充电解液,有效解决锂电池过冲产生的爆炸起火问题,本发明还提供了一种锂离子电池。本发明的三元锂电防过充电解液,包括锂盐、有机溶剂、过充添加剂、阻燃添加剂、成膜添加剂。本发明的锂离子电池,包括阴极极片、阳极极片、置于阴极极片与阳极极片之间的隔离膜、和该三元锂电防过充电解液。

标签:
加工技术
广东 - 深圳 来源:中冶有色网 2023-03-18
锂离子电池软碳负极材料、其制备方法及锂离子电池

本发明涉及锂离子电池负极材料领域,具体涉及一种新型高容量软碳负极材料及其制备方法,以及使用该软碳负极材料的锂离子电池。所述软碳负极材料包括软碳粉末颗粒内核、单分散负载于所述软碳粉末颗粒内核表层的纳米材料涂层和包覆于所述纳米材料涂层外表面的导电碳层。本发明的软碳负极材料具有高容量和高首次充放电效率,同时具备优异的倍率性能和循环性能。所述软碳负极材料是以软碳粉末为原料、依次经过预烧、纳米材料喷涂及导电碳层包覆过程而制得,制备方法简单、易控制、制造成本低廉,易于实现规模化生产。

标签:
加工技术
广东 - 深圳 来源:中冶有色网 2023-03-18
锂离子电池钢壳及锂离子电池

本实用新型适用于电池领域,提供了一种锂离子电池钢壳,包括具有柱状的中空结构的钢壳金属层,所述锂离子电池钢壳还包括吸热层及导热层,所述吸热层覆盖于所述钢壳金属层的内周缘上,所述导热层包裹在所述钢壳金属层的外周缘上。本实用新型提供的锂离子电池钢壳,包括吸热层及散热层,当电池处于充放电时,电池内部产生的热量被吸热层吸收,然后通过钢壳金属层将所述热量传递至导热层并传导出去,从而减少热量在电池内部中的聚集,提高电池的安全性能。

标签:
加工技术
广东 - 深圳 来源:中冶有色网 2023-03-18
锂离子电池以及锂离子电池用转接板

本实用新型涉及锂电池领域,公开了一种锂离子电池以及锂离子电池用转接板。转接板包括:转接板PCB板,在于PCB板上设置有第一孔部、第二孔部,在于第一孔部、第二孔部侧于PCB板的顶面分别设置有第一焊盘区、第二焊盘区,在于PCB板的顶面汗分别设置有第三焊盘位、第四焊盘位,在于第三焊盘位、第四焊盘位的顶面分别焊接有正极输出管、负极输出管,于正极输出管、负极输出管与于第三焊盘位、第四焊盘位面与面相接触;其中于第三焊盘位、第四焊盘位的铜箔与于第一焊盘区、第二焊盘区上的铜箔以及于PCB板内的正极输出线路、负极输出线路分别电连通。

标签:
加工技术
广东 - 深圳 来源:中冶有色网 2023-03-18
锂电池极耳焊接工艺、电芯及锂电池

本发明公开了一种锂电池极耳焊接工艺,包括工序:将极片与极耳相互固定;采用激光装置将极耳焊接在极片上;极片的一侧面上设有焊接区,焊接区为非涂布区,采用激光以移动焊接轨迹的焊接方式将极耳焊接在极片的焊接区上;极片上除极片焊接区外的其他区域均是可涂布区并具有涂层;电芯的极片采用了锂电池极耳焊接工艺来焊接极耳;锂电池的极片采用了锂电池极耳焊接工艺来焊接极耳或锂电池包括上述电芯。该种锂电池极耳焊接工艺、电芯及锂电池具有加工步骤少、工艺简便、维护难度低、维护成本低等优点,在应用时可提升生产效率及生产质量,提升极片的有效幅面比例,提升电池能量密度,电池更加轻薄化及更加紧凑化,有助于进一步推广应用。

标签:
加工技术
广东 - 深圳 来源:中冶有色网 2023-03-18
从磷酸铁锂电池中回收碳酸锂的方法

本发明公开了一种从磷酸铁锂电池中回收碳酸锂的方法,包括S0:磷酸铁锂电池的放电、拆解、分选,取磷酸铁锂粉末,S1:高温煅烧,S2:氧化酸浸反应,pH值为0~1.5,S3:过滤,取滤液一,S4:加碱,调节pH值为2~4,过滤,取滤液,S5:继续加碱,调节pH值为8~11,过滤,取滤液,S6:蒸发结晶,250~550℃下烧结,取剩余块体粉末,S7:加水溶解,过滤,取滤液,S8:滴加碳酸钠溶液,得碳酸锂。本发明工艺流程简单、成本低廉,易于批量回收磷酸铁锂电池,碳酸锂产量高、纯度高。

标签:
加工技术
广东 - 深圳 来源:中冶有色网 2023-03-18
富锂锰基锂离子电池
富锂锰基锂离子电池 925     
 0

本发明提供了一种富锂锰基锂离子电池,包括正极材料、负极材料和电解液,所述正极材料包括富锂锰基氧化物,所述电解液包括溶剂及添加剂,所述添加剂包括以下结构式所示化合物:其中,R1和R3各自独立地选自R4选自S或Se;R5选自C、Si、Ge、Sn、S或Se;且R4和R5中至少有一个选自S,R2选自具有部分氢或全部氢被其它元素或基团取代的碳链;M1选自N、B、P、As、Sb或Bi;M2选自Li、Na、K、Ru、Cs、Fr、Al、Mg、Zn、Be、Ca、Sr、Ba或Ra,n选自1、2或3。本发明提供的富锂锰基锂离子电池能够有效抑制富锂锰基氧化物的充电活化过程中氧的不可逆溶出,锂离子电池的电压降、容量衰减问题都得到了大幅的改善。

标签:
加工技术
广东 - 深圳 来源:中冶有色网 2023-03-18
上一页 502 503 504 505 506 ... 531 下一页
共531页    到第

中冶有色为您提供最新的广东深圳有色金属加工技术理论与应用信息,涵盖发明专利、权利要求、说明书、技术领域、背景技术、实用新型内容及具体实施方式等有色技术内容。打造最具专业性的有色金属技术理论与应用平台!

全国热门有色金属设备推荐
展开更多 +
全国热门有色金属技术推荐
展开更多 +

 

江西省隆恩特环保设备有限公司
宣传

报名参会
更多+

2025年10月15日 ~ 17日
2025年10月17日 ~ 19日
2025年10月31日 ~ 11月02日
2025年11月07日 ~ 09日

报告下载

有色专家
更多+

矿冶科技集团有限公司
所长/研究员级高工
中国瑞林工程技术有限公司
中国工程院院士
赣州江钨钨合金有限公司
工程师
中国矿业大学(北京)
教授
重庆理工大学
教授
赤泥综合利用研究报告2025
推广

热门技术
更多+

推荐企业
更多+

福建省金龙稀土股份有限公司
宣传

发布

在线客服

公众号

电话

顶部
咨询电话:
010-88793500-807