青岛垚鑫智能科技有限公司
宣传

位置:中冶有色 >

有色技术频道 >

> 加工技术

分类:
全部
矿山技术
冶金技术
材料制备及加工技术
环境保护技术
分析检测技术
 
全部
功能材料技术
复合材料技术
新能源材料技术
合金材料技术
加工技术
地区:
全部
北京
天津
上海
重庆
河北
山西
辽宁
吉林
黑龙江
江苏
浙江
安徽
福建
江西
山东
河南
湖北
湖南
广东
海南
四川
贵州
云南
陕西
甘肃
青海
内蒙
广西
西藏
宁夏
新疆
其他
其他
展开
 
全部
广州
韶关
深圳
珠海
汕头
佛山
江门
湛江
茂名
肇庆
惠州
梅州
汕尾
河源
阳江
清远
东莞
中山
潮州
揭阳
云浮

广东深圳有色金属加工技术理论与应用

免费发布技术信息>>
锂离子电池正极浆料及其制备方法和锂离子电池正极片

本发明涉及锂离子电池正极浆料及其制备方法和锂离子电池正极片,锂离子电池正极浆料制备方法包括以下步骤:S1、将粘结剂和溶剂混合形成混合物,再通过搅拌和分散配制得设定固含量的胶液;S2、将锰酸锂、导电炭黑、石墨烯复合粉末混合并通过搅拌和分散捏合成混合粉体;S3、加入S1制得的胶液并搅拌,同时接入冷却循环水至胶液中形成混合浆料;S4、调节混合浆料的粘度,并对混合浆料的粘度进行测试;若混合浆料的粘度在设定条件内则停止搅拌;若小于设定条件则加入粘结剂继续搅拌至混合浆料的粘度达到设定条件;若大于设定条件则加入溶剂继续搅拌至混合浆料的粘度达到设定条件。该制备方法可有效降低电池内阻、提升倍率充放性能和循环稳定性。

标签:
加工技术
广东 - 深圳 来源:中冶有色网 2023-03-18
锂电池控制模组热压焊接方法及焊接后的锂电池控制模组

本发明涉及锂电池控制模组热压焊接方法及焊接后的锂电池控制模组。锂电池控制模组热压焊接方法,锂电池控制模组包括软板和硬板,软板上设置有软板热压焊盘,硬板上设置有硬板热压焊盘,软板热压焊盘和硬板热压焊盘通过热压焊接连接,热压焊接方法包括以下步骤:一、在软板热压焊盘上开孔,在硬板热压焊盘上和软板热压焊盘上印锡,将硬板热压焊盘与软板热压焊盘叠加到一起;二、利用端部带凹槽的热压焊接头,将热压焊接头端部的凹槽对准软板热压焊盘上的孔进行热压焊接,使硬板热压焊盘上的印锡融融后通过软板上开孔上翻形成焊接铆钉。解决了现有传统焊接技术存在假焊接,焊接不可靠的技术问题。

标签:
加工技术
广东 - 深圳 来源:中冶有色网 2023-03-18
锂离子化学电池及动力型锂离子电池及其壳体

本发明公开一种锂离子化学电池及动力型锂离子电池及其壳体。所述化学电池包括采用密封材料制作的壳体、壳体内的电解质溶液、以及部分浸在所述溶液中的正电极、负电极,所述壳体采用塑料作为制备材料,其中优选含卤素的塑料作为制备材料。本发明电池具有自阻燃特性与更高的刚性,即更高安全性,并且成本低。

标签:
加工技术
广东 - 深圳 来源:中冶有色网 2023-03-18
三维钛酸锂锂离子电池电芯的混合干燥装置

本实用新型提供一种三维钛酸锂锂离子电池电芯的混合干燥装置,三维钛酸锂锂离子电池采用三维带作为集流体,三维带包括金属箔本体和设在该本体上的翻边孔,翻边孔为无落料穿孔,各个翻边孔呈均匀间隔排列,相邻的或相邻行的该翻边孔的周边分别向所述的金属箔本体的两面突起;混合干燥装置包括干燥箱体,干燥箱体内部从进口到出口依次被分成两个干燥区域,在第一干燥区域内设有加热管,在第二干燥区域内设有微波加热源。在用加热管干燥过电芯之后,利用微波加热源调整微波频率,让微波快速加热电芯的正极片里的活性物质,在短时间内将正极片的水分含量降到一个很低的水平,这样可以有针对性的将正极内部的水分在短时间内降低,达到快速烘干的目的。

标签:
加工技术
广东 - 深圳 来源:中冶有色网 2023-03-18
扣式锂离子电池及适用于扣式锂离子电池的组合盖及电子产品

本实用新型涉及锂离子电池领域,公开了一种扣式锂离子电池及适用于扣式锂离子电池的组合盖及电子产品。组合盖包括:盖外板、塑胶密封圈、盖内板,其中,盖内板呈平板状,塑胶密封圈呈片状,盖外板的与盖内板相对的端面成平板状,塑胶密封圈绝缘的两表面分别与盖外板、盖内板的相对的两表面密封结合,塑胶密封圈的通孔位于盖外板的通孔内,塑胶密封圈的外沿超出在盖内板的外沿,盖外板的外沿超出塑胶密封圈的外沿。

标签:
加工技术
广东 - 深圳 来源:中冶有色网 2023-03-18
扣式锂离子电池及其壳体及扣式叠片锂离子电池

本发明涉及锂离子电池领域,公开了一种扣式锂离子电池及其壳体及扣式叠片锂离子电池,壳体包括:第一极壳,包括第一环形壳片,在其末端形成有开口,另一端部封堵有第一端盖;第二极壳,包括第二环形壳片,在其末端形成有开口,另一端部封堵有第二端盖;绝缘密封圈,包括第一环形绝缘体、环绕在第一环形绝缘体外的第二环形绝缘体;密封圈套在第二环形壳片上,第二环形壳片被套于第一环形绝缘体、第二环形绝缘体之间,第一极壳、第二极壳开口相对地套接连接形成一密封的空腔,第一环形壳片、第二环形壳片相并行套接。应用该技术方案,有利于提高扣式锂离子电池的容量。

标签:
加工技术
广东 - 深圳 来源:中冶有色网 2023-03-18
锂离子电池负极活性材料及制备方法、负极和锂离子电池

本发明提供了该活性材料包括第一硅碳材料及包覆在第一硅碳材料表面的碳;所述第一硅碳材料包括片状石墨及包覆在片状石墨表面的第二硅碳材料;所述第二硅碳材料包括纳米硅粉及包括在纳米硅粉表面的无定形碳;所述第一硅碳材料与包覆的碳的质量比1:0.01-0.3。本发明还提供了该活性材料的制备方法及含有该活性材料的负极、含有该负极的锂离子电池。本发明的负极活性材料纳米硅均匀分散在石墨中,与片状石墨形成为一体,电导率是一致的。用本发明的负极活性材料制备的锂离子电池有很好的充放电效率及容量保持率和库伦效率。

标签:
加工技术
广东 - 深圳 来源:中冶有色网 2023-03-18
锂离子电池制造用六氟磷酸锂取样装置

本实用新型公开了一种锂离子电池制造用六氟磷酸锂取样装置,具体涉及六氟磷酸锂取样技术领域,包括罐体,所述罐体底端固定设有第一管道,所述第一管道的底端设有连接筒,所述罐体的内部盛放有六氟磷酸锂粉末,所述第一管道的底端设有底座,所述底座的内部设有固定机构;所述固定机构包括卡块,所述卡块设在底座的上方,所述连接筒的底端与卡块的内部底端接触且二者插接,所述底座的顶端开设有第一滑槽和第二滑槽。本实用新型避免六氟磷酸锂在取样的过程中接触到氧气,且便于安装和拆卸,方便对连接筒和第一管道的内部进行清洗,保障了检测数据的准确性。

标签:
加工技术
广东 - 深圳 来源:中冶有色网 2023-03-18
锂电池盖板组件及锂电池

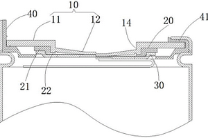
为克服现有技术中的锂离子电池在碰撞或侧面挤压时易失效或短路的问题,本实用新型提供了一种锂电池盖板组件,包括金属基板、铆钉和压塑件;所述金属基板上具有通孔,所述铆钉设置于通孔内;所述压塑件设置于金属基板与铆钉之间,且铆钉与金属基板绝缘密封;所述金属基板上还具有凹槽;所述金属基板上,所述凹槽所在位置的横截面积小于通孔所在位置的横截面积。本实用新型还提供了采用上述盖板组件的锂电池。本实用新型提供的锂电池盖板组件在受到碰撞或侧面挤压时可有效防止电池短路,以及电池短路后引起的电芯温度升高、起火爆炸的现象,利于提高电池的安全性能。

标签:
加工技术
广东 - 深圳 来源:中冶有色网 2023-03-18
锂离子电池正极材料磷酸锰锂及其制备方法

本发明公开了一种锂离子电池正极材料磷酸锰锂及其制备方法,要解决的技术问题是提高正极材料的电化学性能。本发明的材料具有磷酸锰锂基体,基体外包覆有碳材料包覆层,包覆碳材料包覆层后的磷酸锰锂锂具球形、长短轴为0.5~30ΜM的近似球形、菱形、锥形、片状、层状或/和块状的微观特征。制备方法包括以下步骤:纳米颗粒的制备,液相混合反应,前躯体的制备,焙烧处理,包覆有机物。本发明与现有技术相比,通过碳液相包覆来改善磷酸锰锂的电子电导性,碳对活性材料的包覆充分均匀,有效地阻止了颗粒团聚,具有4V左右的放电电压、较高的充放电容量、优异的循环稳定性,安全性高,工艺简单,成本低,对环境的影响小。

标签:
加工技术
广东 - 深圳 来源:中冶有色网 2023-03-18
全极耳圆柱锂电池帽盖及全极耳圆柱锂电池

本申请适用于锂电池技术领域,提供了一种全极耳圆柱锂电池帽盖及全极耳圆柱锂电池,包括防爆阀、隔离圈、连接片和密封圈,隔离圈设于防爆阀与连接片之间,密封圈套设于防爆阀的边缘;防爆阀包括连接部和防爆部,连接部沿防爆部的周向设置,连接部的边缘抵接于密封圈,防爆部上设置有破裂刻线,连接部的厚度大于防爆部的厚度。本申请提供的全极耳圆柱锂电池帽盖,通过防爆阀、隔离圈、连接片和密封圈组合形成,去除了顶盖的设计,减少了帽盖的零部件的数量,减小了帽盖使用状态时的电阻值,通过防爆阀的连接部和防爆部的厚度设置,当电池内部气压过大,冲破防爆阀上的破裂刻线,气流将在此区域排出,保证电池安全。

标签:
加工技术
广东 - 深圳 来源:中冶有色网 2023-03-18
正极片隔膜袋以及带该正极片隔膜袋的叠片锂离子电池

本实用新型涉及锂离子电池领域,公开了一种正极片隔膜袋以及带该正极片隔膜袋的叠片锂离子电池。正极片隔膜袋,其特征是,包括:第一隔膜层、第二隔膜层、正极片,所述第一隔膜层、第二隔膜层分别正对位于所述正极片的顶部、底部;在所述第一隔膜层、第二隔膜层的至少一宽度端部上分别形成热封封口,所述第一隔膜层、第二隔膜层在所述热封封口处热熔连接。应用该技术方案有利于改善产品的外观以及提高电化性能。

标签:
加工技术
广东 - 深圳 来源:中冶有色网 2023-03-18
锂离子电池组及锂离子电池组性能监测办法

本发明涉及锂电池领域,公开了一种锂离子电池组及锂离子电池组性能监测办法。电池组包括:电池组芯体、外包装、以及至少一个压力传感器;电池组芯体由复数个互相电连接的单体电池构成;各单体电池的壳体分别为密封的软包壳体电池组芯体被紧密固定在外包装内,压力传感器位于电池组芯体与外包装之间,分别与电池组芯体以及软包壳体相抵触;压力传感器的输出端与锂离子电池组管理系统电连接。应用该技术方案能够对锂离子电池组的应用安全性能进行有效监测,及时发现安全隐患。

标签:
加工技术
广东 - 深圳 来源:中冶有色网 2023-03-18
半固态金属锂负电极及锂电池

一种半固态金属锂负电极,包括负极浆料和集流体,所述负极浆料负载在所述集流体之中或之上;所述负极浆料包括固体组分和液体组分;所述固体组分包括锂金属颗粒、导电剂和增稠剂,所述液体组分为电解液溶液。本发明还涉及一种锂电池。本发明提供的半固态金属锂负电极及锂电池能够防止枝晶的生长与隔膜的刺穿,且能够提高金属锂电极的电化学性能和安全性能。

标签:
加工技术
广东 - 深圳 来源:中冶有色网 2023-03-18
含有新型集流体的锂电池及其制备方法

本发明公开了一种含有新型集流体的锂电池及其制备方法,锂电池包括依次层叠的正极极片、隔膜与负极极片,正极极片含有新型正极集流体,正极集流体具有多层结构,包括第一塑料薄膜,在第一塑料薄膜的上、下表面依次镀有第一粘接力增强层、铝金属镀层和第一防氧化层;负极极片含有新型负极集流体,负极集流体具有多层结构,包括第二塑料薄膜,在第二塑料薄膜的上、下表面依次镀有第二粘接力增强层、铜金属镀层和第二防氧化层。制备方法包括将正极极片、隔膜、负极极片进行层叠,通过铝塑膜包装后,注入适量电解液,对铝塑膜进行热压封装得到。本发明锂电池既能实现电池轻量化,提高能量密度,降低成本,又能使镀铜/铝层不容易脱落、不容易氧化。

标签:
加工技术
广东 - 深圳 来源:中冶有色网 2023-03-18
锂硫电池阻隔层、其制备方法及锂硫电池

本发明公开一种锂硫电池阻隔层的制备方法,涉及锂硫电池技术领域。其包括以下步骤:S1、棉花的溶解:将棉花浸泡在含氯化锌的盐酸溶液中密封保温,之后对混合物保温处理,得到粘稠浆料;S2、带类石墨烯结构的多孔碳基质的制备:对粘稠浆料依次进行碳化处理和酸化处理,之后洗涤、干燥及煅烧,得到带类石墨烯结构的多孔碳基质;S3、阻隔层的制备:将带类石墨烯结构的多孔碳基质与PVDF混合,加入NMP制得浆料,涂覆于光滑表面,干燥、滴加酒精浸润,取下、干燥即可获得阻隔层。同时,本发明还公开了采用上述制备方法制备而成的锂硫电池阻隔层及锂硫电池。本发明的制备方法简单、成本低,能够有效抑制多硫化锂的穿梭现象,提高锂硫电池容量和循环性能。

标签:
加工技术
广东 - 深圳 来源:中冶有色网 2023-03-18
锂离子电池正极材料及其制备方法、正极及锂离子电池

本发明公开了一种锂离子电池正极材料及其制备方法、锂离子电池正极及锂离子电池,涉及电池领域,能够有效避免金属杂质离子在负极上的析出,提高锂离子电池的循环性能和高温存储性能。其中,锂离子电池正极材料包括:导电剂;纳米磷酸盐,所述纳米磷酸盐的通式为LiMPO4,其中,M为Co、Ni、Mn、Fe和V中的一种或几种;功能聚合物材料,所述功能聚合物材料含有过渡金属离子螯合官能团。本发明还提供了一种锂离子电池的制备方法及一种通信设备。本发明可用于电池领域。

标签:
加工技术
广东 - 深圳 来源:中冶有色网 2023-03-18
锂离子电池正极和锂离子电池

本发明涉及锂离子电池技术领域,公开了一种锂离子电池正极和一种锂离子电池。所述正极包括集流体和涂布于集流体上的正极材料,所述正极材料含有正极活性物质、导电剂、粘结剂以及由下述式(1)表示的化合物。本发明可以显著降低锂离子电池的正极膜片的内阻,同时还可以提高锂离子电池的高温循环和存储性能,增加锂离子电池的首次充放电效率。

标签:
加工技术
广东 - 深圳 来源:中冶有色网 2023-03-18
锂离子电池的化成方法及一种锂离子电池

本发明公开了一种锂离子电池的化成方法,包括下述步骤:步骤1、提供锂离子电池,所述锂离子电池包含n种正极材料,n≥2,其中,设定第一正极材料的充电容量为C1…第n种正极材料的充电容量为Cn,并且,第n种正极材料的平台电压Vn大于第n-1种正极材料的平台电压Vn-1;步骤2、以电流I1对所述锂离子电池进行恒流限时充电,再以电流I1′对所述锂离子电池进行恒流限压充电,截止电压V1′…以电流In对进行恒流限时充电,以电流In′对所述锂离子电池进行恒流限压充电,截止电压Vn′。本发明根据混合正极材料各自的平台及标称容量设置化成电流及时间,可以充分活化混合正极材料,改善容量、循环性能和厚度。

标签:
加工技术
广东 - 深圳 来源:中冶有色网 2023-03-18
锂电池弹性压接结构及其锂电池

本实用新型公开了一种锂电池弹性压接结构,包括锂电池电芯和汇流板,其特征是:所述的汇流板与电芯的电极连接,并且汇流板固定安装在电芯上;所述的汇流板与电机之间设有柔性导电层,所述的柔性导电层包括弹性层和导电层,导电层包裹在弹性层外部,一种弹性压接锂电池使用了锂电池弹性压接结构。本实用新型拥有稳定性高、结构简单、性价比高以及寿命长的优点,本实用新型广泛适用于电池领域。

标签:
加工技术
广东 - 深圳 来源:中冶有色网 2023-03-18
锂电池在线检测器和锂电池在线检测系统

本实用新型公开一种锂电池在线检测器和锂电池在线检测系统,其中,该锂电池在线检测器包括机箱、设于所述机箱内的处理模块、以及设于所述机箱外侧面上的采集模块和触摸显示屏,所述采集模块和所述触摸显示屏均与所述处理模块连接,所述采集模块包括多个电压采集接口、多个电流采集接口和多个温度采集接口。本实用新型技术方案实现了对多个锂电池同时检测,提升了检测效率。

标签:
加工技术
广东 - 深圳 来源:中冶有色网 2023-03-18
锂离子电池盖帽及锂离子电池

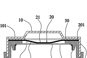
本实用新型提供一种锂离子电池盖帽及锂离子电池,孔板与防爆片的接触面积较大,易于焊接且焊接牢固,提高了盖帽的结构稳定性;并且,防爆片的防爆凹槽不易腐蚀,降低了防爆凹槽破裂或穿孔的风险,提高了盖帽的安全性能。

标签:
加工技术
广东 - 深圳 来源:中冶有色网 2023-03-18
锂离子电池电极片及锂离子电池

本实用新型提供了一种锂离子电池电极片及锂离子电池,所述电极片包括集流体和涂覆在所述集流体上的活性物质层,所述活性物质层上设置有槽,30微米≤槽的宽度≤100微米,10微米≤槽的深度≤4/5活性物质层的厚度,所述活性物质层的厚度为50~300微米。用本实用新型的正极片或负极片制备得到的半电池的高倍率充放电性能好用本实用新型的正极片高倍率循环寿命大大提高。

标签:
加工技术
广东 - 深圳 来源:中冶有色网 2023-03-18
含氟无序岩盐富锂氧化物及其包覆的富锂正极材料与电池

一种含氟无序岩盐富锂氧化物及其包覆的富锂正极材料与电池,含氟无序岩盐富锂氧化物具有通式:LixMyOzFu,0≤x≤3;0<y≤1;0<z≤2;0<u≤2;M包含Cr、V、Mo、Ti、Nb、Mn、Zr、Ni、Fe、Ru、Cu、Mg、W、Ta中的至少一种。该包覆材料含氟无序岩盐富锂氧化物可有效解决正极/电解液界面结构稳定性差、高电压下产气的问题,提升电池的循环稳定性和安全性能。

标签:
加工技术
广东 - 深圳 来源:中冶有色网 2023-03-18
锂离子电池和该锂离子电池的制备方法

本发明提出了一种锂离子电池和该锂离子电池的制备方法,所述锂离子电池包括电池壳体以及位于电池壳体内的电芯,所述电芯包括正极、负极以及位于正极和负极之间的电解质,其特征在于,所述电解质包括位于所述正极表面的第一固态电解质层和位于所述负极表面的第二固态电解质层,所述第一固态电解质层与所述第二固态电解质层相接触;所述第一固态电解质层包括第一粘结剂和第一无机电解质颗粒,所述第一无机电解质颗粒为NASICON型无机电解质和/或钙钛矿型无机电解质;所述第二固态电解质层包括第二粘结剂和第二无机电解质颗粒,所述第二无机电解质颗粒为硫化物系固体电解质。由本发明制备得到的锂离子电池,不仅安全性高,且具有较高的容量和良好的循环性能。

标签:
加工技术
广东 - 深圳 来源:中冶有色网 2023-03-18
锂离子二次电池隔膜及其制备方法及锂离子电池

一种锂离子二次电池隔膜(3),包括两个长边(5)和两个宽边(6),至少两边的边缘上涂覆有宽度为0.2CM-2CM的耐热性树脂(4)。其中,耐热性树脂的耐热温度性为150℃-300℃且热收缩率为0-1%。以及该隔膜的制备方法及含有该隔膜的锂离子电池。该隔膜解决了现有技术中正极集流体边缘毛刺易刺穿隔膜导致内部短路的问题,以及在较高环境温度下由于隔膜收缩引起正负极边缘直接接触造成的安全问题。本发明制备的隔膜抗边缘的毛刺刺破能力强、耐高温,有效降低了在较高环境温度下由于隔膜收缩引起正负极边缘直接接触造成的安全事故。

标签:
加工技术
广东 - 深圳 来源:中冶有色网 2023-03-18
锂离子电池用极片及叠片锂离子电池及制备方法

本发明涉及锂离子电池设计领域,公开了一种锂离子电池用极片及叠片锂离子电池及制备方法。该极片由可沿一折痕弯折的第一子极片以及第二子极片组成,所述折痕贯穿所述极片的长度方向,所述第一子极片、第二子极片的纵向外边缘到所述折痕的距离相同;在各所述第一子极片、第二子极片的宽度端部边上分别延伸突出有极耳焊接位,各所述极耳焊接位的延伸方向与所述宽度端部边正交,在各所述极耳焊接位的表面,所述集流体箔片裸露在外。应用本实施例技术方案,有利于降低叠片锂离子电池的内阻,降低在持续高倍率放电时电池的发热量,避免胀,提高叠片工艺的效率。

标签:
加工技术
广东 - 深圳 来源:中冶有色网 2023-03-18
锂离子电池极耳保护装置及锂离子电池

本实用新型提供了一种锂离子电池极耳保护装置及锂离子电池,包括一个隔圈主体,隔圈主体的中部为固定段,于固定段一端开设有通孔,固定段另一端的侧边向下延伸形成有挡片,该另一端上表面则设有极耳容置槽。相比于常见的隔圈结构,本实用新型的有益效果在于提供了一种新型隔圈主体,其安装与电芯上后可确保正极极耳下方不需要贴胶纸而通过隔圈主体上的挡板即可保护正极极耳不会与电芯的负极片接触造成短路,且贴胶纸固定隔圈时只需在隔圈中间的固定段的部位贴1道胶纸即可,有效提高了产品的可靠性并简化了生产工艺。

标签:
加工技术
广东 - 深圳 来源:中冶有色网 2023-03-18
锂硫电池正极材料、制备方法、正极片及锂硫电池

本发明提供了一种锂硫电池正极材料,包括导电基底、单质硫以及位于所述导电基底表面上的第一催化剂与第二催化剂、所述第一催化剂以及第二催化剂相互接触。本发明提供的所述锂硫电池正极材料能够降低多硫化物穿梭效应。本发明还提供了一种锂硫电池正极材料的制备方法以及一种正极片和包括所述正极片的锂硫电池。

标签:
加工技术
广东 - 深圳 来源:中冶有色网 2023-03-18
动力电池电芯、包含该电芯的锂电池及锂电池制备方法

本发明公开了一种动力电池电芯,设于动力电池壳体内,所述动力电池电芯外部包裹电池隔膜。本发明的动力电池电芯采用的是无Mylar结构,利用电池隔膜取代Mylar薄膜来对动力电池电芯进行包裹以及防护。同时,本发明中还提供了一种包含有上述动力电池电芯的锂电池,并提供了该锂电池的制备方法。本发明中的锂电池在现有电池的加工产线上无需添加任何多余步骤即可进行制备,制备方法简单易行,且制备出的锂电池内电芯结构稳定、绝缘性好,缓解了电芯内部液体泄漏的隐患。

标签:
加工技术
广东 - 深圳 来源:中冶有色网 2023-03-18
上一页 501 502 503 504 505 ... 531 下一页
共531页    到第

中冶有色为您提供最新的广东深圳有色金属加工技术理论与应用信息,涵盖发明专利、权利要求、说明书、技术领域、背景技术、实用新型内容及具体实施方式等有色技术内容。打造最具专业性的有色金属技术理论与应用平台!

全国热门有色金属设备推荐
展开更多 +
全国热门有色金属技术推荐
展开更多 +

 

江西省隆恩特环保设备有限公司
宣传

报名参会
更多+

2025年10月15日 ~ 17日
2025年10月17日 ~ 19日
2025年10月31日 ~ 11月02日
2025年11月07日 ~ 09日

报告下载

有色专家
更多+

西安建筑科技大学
教授
中国矿业大学
副院长/教授
长沙矿冶院检测技术有限责任公司
总经理
红河学院
研究员
中国铝业股份有限公司
总裁 党委副书记
赤泥综合利用研究报告2025
推广

热门技术
更多+

推荐企业
更多+

福建省金龙稀土股份有限公司
宣传

发布

在线客服

公众号

电话

顶部
咨询电话:
010-88793500-807