青岛垚鑫智能科技有限公司
宣传

位置:中冶有色 >

有色技术频道 >

分类:
全部
矿山技术
冶金技术
材料制备及加工技术
环境保护技术
分析检测技术
 
全部
废水处理技术
大气治理技术
固/危废处置技术
土壤修复技术
地区:
全部
北京
天津
上海
重庆
河北
山西
辽宁
吉林
黑龙江
江苏
浙江
安徽
福建
江西
山东
河南
湖北
湖南
广东
海南
四川
贵州
云南
陕西
甘肃
青海
内蒙
广西
西藏
宁夏
新疆
其他
其他
展开
 
全部

有色金属环境保护技术理论与应用

免费发布技术信息>>
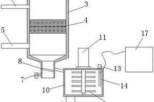
低质余热驱动的高盐废水喷雾蒸发盐水分离全回收设备

本实用新型公开一种低质余热驱动的高盐废水喷雾蒸发盐水分离全回收设备,用于高盐废水处理,包括高盐废水循环部分、循环气体循环部分、吸收式制冷循环部分、蒸发室、冷凝室、结晶盐回收部分和PLC控制部分。根据高盐废水喷雾蒸发和吸收式制冷强制冷凝回收洁净水,实现盐水分离。本实用新型将低质余热作为高盐废水处理的能量来源,将喷雾蒸发和吸收制冷技术耦合,实现能量与资源的综合利用。采用该方法水盐分离效果好,对低质余热充分利用,能耗低,最大限度的降低了处理成本;回收液体水质高达蒸馏标准,回收的固体物质可资源化利用,实现了零排放;避免了结垢和高温腐蚀。

标签:
废水处理
河南 - 郑州 来源:中冶有色网 2023-03-19
流动床废水软化装置
流动床废水软化装置 1047     
 0

本实用新型公开了一种流动床废水软化装置,涉及废水软化技术领域,包括树脂罐和盐水罐,所述树脂罐的顶部设有控制阀,所述树脂罐的内部设有搅拌装置,所述树脂罐底面的中心设有电机,所述控制阀的一端固定连通有废水进水管,所述控制阀的另一端固定连通有软水出水管,所述控制阀的输出管固定连通有输水管,所述搅拌装置包括搅拌横杆。该流动床废水软化装置,通过搅拌装置,在电机和转轴的作用下,对树脂罐内的废水和树脂进行搅拌催化,避免树脂堆积导致离子交换速率慢,解决了现有装置仅通过压力混合离子交换速率慢的问题,同时通过搅拌装置对树脂罐内的树脂搅拌,可以有效的提升树脂的流动性,从而有效的增强了树脂的利用率。

标签:
废水处理
北京 - 北京 来源:中冶有色网 2023-03-19
废水收集再处理装置
废水收集再处理装置 871     
 0

本实用新型公开了一种废水收集再处理装置,包括第一处理系统,该第一处理系统收集废气并通过洗涤装置进行洗涤处理;第二处理系统,所述第二处理系统收集所述第一处理系统洗涤后产生的废水,并对该收集的废水进行第二次处理;所述第一处理系统按照工艺流程包括两级洗涤装置,分别为第一洗涤塔和第二洗涤塔;所述第一处理系统通过风机引导废气依次通过两级洗涤装置并排空;所述第一处理系统形成有循环处理系统。本实用新型处理装置分为两级处理,第一处理系统用以处理滤盐槽收集的废气、第二处理系统用以处理第一处理系统产生的废水,实现两级处理后废气和废水都满足排放指标,环保效果更好。

标签:
废水处理
安徽 - 黄山 来源:中冶有色网 2023-03-19
高盐废水浓缩系统
高盐废水浓缩系统 1192     
 0

本实用新型公开了一种高盐废水浓缩系统,涉及废水处理技术领域,该高盐废水浓缩系统包括反渗透装置、浓缩塔装置和结晶器,所述反渗透装置包括原水箱、反渗透装置、反渗透产水箱和反渗透浓水箱,所述浓缩塔装置包括浓缩塔进料换热器、浓缩塔、浓缩塔再沸换热器和蒸汽冷凝换热器。该高盐废水浓缩系统采用反渗透装置、浓缩塔、结晶器的结合,解决了高盐废水处理时结晶器处理规模大、无机盐回收难度大、回收率低等难题,降低了投资成本和运行能耗。

标签:
废水处理
北京 - 北京 来源:中冶有色网 2023-03-19
废水杂质物检测装置
废水杂质物检测装置 793     
 0

本实用新型公开了一种废水杂质物检测装置,包括废水过滤筒和检测箱,废水过滤筒包括筒体和滤芯,滤芯安装在筒体内,筒体的下部侧边连通有进水管,筒体的上部侧边连通有出水管,筒体的下部连接有第一排渣管,第一排渣管内设置有筛网,第一排渣管的侧边连通有出渣管,出渣管连通于检测箱。本实用新型有益效果:本实用新型设置有废水过滤筒和检测箱,废水过滤筒内设置有滤芯,采用由下至上的方式将水滤掉,水从上面滤出,杂质物通过排渣管进入检测箱内,检测箱通过搅拌电机和搅拌桨对杂质物进行搅拌,搅拌完成后,利用杂质物检测头对杂质物进行检测,通过线缆传输至检测分析仪。

标签:
废水处理
湖北 - 武汉 来源:中冶有色网 2023-03-19
炼油废水深度处理的方法

本发明公开了一种炼油废水深度处理的方法。本发明以二级处理后的炼油废水为深度处理的原水,基于共代谢原理和原水水质特征,以乙酸为共代谢基质,利用曝气生物滤池进行深度处理。包括:控制单位时间进入曝气生物滤池中乙酸质量和原水COD量之投配比为0.25~0.60:1;曝气生物滤池的水力停留时间为2~6h,气水比为4~10:1。曝气生物滤池稳定运行后,出水水质达到并总体上优于《污水综合排放标准》(GB8978—1996)中一级标准要求,且满足《污水再生利用工程设计规范》(GB50335—2002)中用作循环冷却系统补充水的水质要求。有效解决了目前炼油废水深度处理流程复杂、维护不便和成本较高等问题。

标签:
废水处理
江苏 - 南京 来源:中冶有色网 2023-03-19
微界面强化超高效废水臭氧处理装置

本实用新型提供了一种微界面强化超高效废水臭氧处理装置,包括:臭氧发生器和反应塔;所述反应塔中部设置有分隔板;所述分隔板上方为第一处理区,下方为第二处理区;所述第一处理区侧壁连接有废水管路;所述第一处理区内设置有第一微界面机组,所述第二处理区内设置有第二微界面机组;所述臭氧发生器的入口连接有氧气管路,出口分别与所述第一微界面机组和所述第二微界面机组相连;所述第一处理区内设置有溢流管,所述溢流管穿透所述分隔板连通所述第一处理区和所述第二处理区。本实用新型的微界面强化超高效废水臭氧处理装置整体结构简单,能够有效提高对废水的净化处理效果,且能够实现对臭氧的高效利用,从而降低了废水处理成本。

标签:
废水处理
江苏 - 南京 来源:中冶有色网 2023-03-19
便于取样检测的废水治理装置

本实用新型公开了一种便于取样检测的废水治理装置,包括主体和固定机构,所述主体的顶端中部设置有电机,且电机的下端足有两侧设置有搅拌杆,所述搅拌杆的下端设置有箱体,且的做与偶两端设置有调节架,所述箱体的底端固定有轮子,所述箱体的中部安置有过滤板,且过滤板的外壁固定有内网板,所述箱体的后端固定有水泵,所述固定机构设置于水泵的下端。该便于取样检测的废水治理装置设置有过滤板,由于过滤板设置于内网板的中部,便于使用者将收集的废水进行二次过滤,有效的提高过滤废水的质量和不便于将废水多余的残渣进行捞取,过滤板卡合在内槽进行固定,过滤板的内槽内壁连接的滚轮,滚轮在滑槽进行滑动,有效的将过滤板的高度进行调整。

标签:
废水处理
浙江 - 杭州 来源:中冶有色网 2023-03-19
化工园区高难废水处理系统

本实用新型公开了一种化工园区高难废水处理系统,其包括沿废水处理方向依次连通的废水储罐、三维电解催化氧化耦合反应器、pH调节池、絮凝池、沉淀池、清水池、AAO生化池、生化水箱、SAO3‑II臭氧催化氧化耦合反应器、臭氧水箱及BAF曝气生物滤池。本实用新型解决了化工园区高难废水的处理问题,提高了B/C数值,提高整体污水的可生化性,同时兼具降低总磷和COD的功能,保证了化工园区高难废水处理稳定并达到国家提标后的四类水标准。

标签:
废水处理
北京 - 北京 来源:中冶有色网 2023-03-19
应用于酚氰废水处理的新型高稳定性反渗透系统

本实用新型属于废水应用技术领域,具体公开了一种应用于酚氰废水处理的新型高稳定性反渗透系统,包括RO保安过滤器、进水管、阻垢剂加药管、非氧加药管、阻垢剂加药管阀门、非氧加药管阀门、循环补水池、循环水管、循环水管阀门、导管、反渗透装置、RO高压泵、导管阀门、RO冲洗导管、RO冲洗导管阀门、化学清洗导管、循环水外送管、辅助化学清洗导管和辅助化学清洗导管阀门。本实用新型的一种应用于酚氰废水处理的新型高稳定性反渗透系统的有益效果在于:其设计合理,能对酚氰废水完成行高效、安全和稳定的处理,实现节能、环保和安全的废水处理作业,实用性强。

标签:
废水处理
江苏 - 无锡 来源:中冶有色网 2023-03-19
市政道路建设废水引流装置

本实用新型公开了一种市政道路建设废水引流装置,涉及废水处理技术领域,包括箱体,箱体的一侧顶端固定连接有进水槽,进水槽的一侧固定连接有第一管道,第一管道的一侧固定连接有第二管道,第一管道的内部固定连接有滤网,第二管道的另一端活动连接有管盖,第一管道的另一端固定连接有第一过滤仓。该市政道路建设废水引流装置,通过在第一管道底部固定连接第二管道,并在第一管道内部固定连接滤网,可以通过滤网对水里流动的大颗粒,石子、铁屑等进行阻挡,并使其落入第二管道内,待第二管道集满后通过卸下管盖可将杂质进行排出,通过滤芯对废水进行过滤,通过沉淀箱可以对废水进行沉淀使其内部的泥土与水分离,通过第一水泵为水提供动力。

标签:
废水处理
广东 - 湛江 来源:中冶有色网 2023-03-19
高盐度废水处理器
高盐度废水处理器 1147     
 0

本实用新型公开了一种高盐度废水处理器,包括底座、反应罐、清理装置和废水罐,所述底座的底部四角焊接固定有支撑腿,所述底座表面的右半部开设有安装槽,安装槽内固定有反应罐,所述反应罐的顶部焊接固定有安装架,安装架的表面通过螺栓固定有搅拌电机,所述搅拌电机的输出端焊接固定有搅拌轴,所述搅拌轴的外壁上焊接固定有多组搅拌桨,所述搅拌轴的底部螺纹连接清理装置,所述底座的左半部表面焊接固定有固定板,所述固定板内固定有废水罐。该高盐度废水处理器,不仅能够对高盐度废水进行有效的处理,降低处理成本,还能够对反应罐进行有效的清理,防止排污管堵塞。

标签:
废水处理
浙江 - 杭州 来源:中冶有色网 2023-03-19
含砷有机废水处理系统
含砷有机废水处理系统 1048     
 0

本实用新型涉及一种含砷有机废水处理系统,包括废水池,还包括:第一搅拌桶,与废水池管道连接,第一搅拌桶内设有加酸管;纳米铁原位生成等离子反应器,可向废水释放纳米铁颗粒,其设有进水口和出水口,进水口与第一搅拌桶管道连接;混合反应桶,与纳米铁原位生成等离子反应器的出水口管道连接,混合反应桶内设有双氧水添加管;第二搅拌桶,与混合反应桶管道连接,第二搅拌桶内设有加碱管;第三搅拌桶,与第二搅拌桶管道连接,第三搅拌桶内设有絮凝剂添加管;沉淀池,与第三搅拌桶管道连接。本实用新型对于含砷有机废水的除砷和除COD效果好,能够满足日益严格的砷排放标准。

标签:
废水处理
山东 - 济宁 来源:中冶有色网 2023-03-19
多金属络合废水处理装置

本实用新型公开了一种多金属络合废水处理装置,该装置主要由进水系统、破络电极、气浮电极、气浮室和沉降分离室等部分组成;废水在破络电极阳极的催化氧化作用下彻底破络分离,分离的金属离子和络合离子降解产物通过破络电极、气浮电极和沉降分离室的絮凝沉淀、氧化还原、电泳、气浮等联合作用得以高效去除。本实用新型把电解破络与电解气浮技术有机地结合在一起,为选冶、电镀等行业排放的毒性强、成分复杂的多金属络合废水提供了一种有效的处理装置,该装置在去除废水中金属络合物的同时也能够有效去除悬浮物、有机物等多种污染物。本实用新型设备简单、占地少、处理效果显著,适应于各种重金属络合废水的处理。

标签:
废水处理
北京 - 北京 来源:中冶有色网 2023-03-19
高盐高有机物化工废水处理系统

本实用新型公开了一种高盐高有机物化工废水处理系统,包括高盐废水物化处理系统、生活污水物化处理系统、生化处理系统和混合处理系统;高盐废水物化处理系统包括依次连接的第一格栅井、调节池、pH调节池、第一混凝反应池、初沉池与混合池;生活污水物化处理系统包括依次连接的集水井与第二格栅;生化处理系统包括依次顺序连接的厌氧池、第一好氧池与中沉池;混合处理系统包括依次连接的强氧化池、第二好氧池、第二混凝反应池与终沉池;且生活污水物化处理系统的格栅与高盐废水物化处理系统的混合池相连接;生化处理系统中的厌氧池与物化处理系统的混合池相连接,混合处理系统中的强氧化池与生化处理系统中的中沉池相连接,混合处理系统中的终沉池连接污泥排放系统。与现有技术相比,本实用新型用于高盐高有机物化工废水的污水处理系统对水质变化适应性强,出水稳定,污泥易于处理;经济节约,电耗少、造价低、占地少;同时易于管理,操作方便,设备性能稳定。

标签:
废水处理
广东 - 广州 来源:中冶有色网 2023-03-19
低成本回收DMF的废水处理系统

本发明公开一种低成本回收DMF的废水处理系统,采用MVR浓缩加精馏法回收低浓度DMF的方法,解决了低浓度DMF废水降解难、溶剂流失,回收能耗大、运行费用高、回收溶剂品质不高等难题,真正实现了废水的零排放及生产原料的回收,本发明具有使热能利用更加充分,同时新鲜蒸汽消耗量较小,运行费用低,并且流程简单、操作方便、设备紧凑、占地面积小、所需空间也小,在治理低浓度DMF废水的同时可实现废水的零排放及生产原料的回收,适于广泛应用于处理低浓度DMF废水的工艺过程中。

标签:
废水处理
广东 - 深圳 来源:中冶有色网 2023-03-19
环保低能耗纺织印染废水处理系统

本实用新型提供一种环保低能耗纺织印染废水处理系统,包括:废水罐;格栅池,与废水罐出口连接;集水池,与格栅池出液口连接;调节池,与集水池出水口连接;厌氧池,与调节池出水口连接;活性污泥池,与厌氧池出口连接;生化沉淀池,与活性污泥池出口连接;污泥浓缩池,与生化沉淀池初沉污泥出口连接;污泥压缩机,与污泥浓缩池污泥出口连接;生化沉淀池出水口依次连接水解酸化池、接触氧化池、混凝反应池、反应沉淀池及废水存储池;反应沉淀池底部设沉淀污泥出口,并通过一污泥管与污泥浓缩池污泥进口连接。所述处理系统,生化处理结合混凝处理,可有效实现对印染废水的处理。

标签:
废水处理
江苏 - 苏州 来源:中冶有色网 2023-03-19
农药废水处理系统
农药废水处理系统 1010     
 0

本申请提供一种农药废水处理系统,包括:以工艺管道依次串联的第一废水池、第二废水池、微电解塔、电气浮池、芬顿氧化池、第一絮凝沉淀池、综合调节池、厌氧池、厌氧中沉池、硝化池、硝化中沉池和清水池;芬顿氧化池连接有酸计量泵和双氧水加料泵;第一絮凝沉淀池连接有第一碱计量泵和第一絮凝剂加料泵。本申请提供的农药废水处理系统,将微电解、电气浮、芬顿氧化和生化处理相结合,处理农药废水的效率高,处理过程稳定,对农药废水处理彻底,出水稳定。

标签:
废水处理
内蒙 - 阿拉善盟 来源:中冶有色网 2023-03-19
有机废水处理用超声气振器

本实用新型公开了一种有机废水处理用超声气振器,解决了现有的有机废水处理,难以清除水体中的有害物质,净化不够彻底的技术问题。它包括壳体,所述壳体的顶部具有进水口,壳体的底部出水口,所述壳体内设有搅拌装置,所述搅拌装置包括搅拌轴和活动连接在搅拌轴上的搅拌叶片,所述搅拌轴的一端伸出壳体外侧且与驱动电机的输出轴连接;还包括作用于壳体内有机废水的超声装置和加入氧化剂的加药装置。本实用新型提供的有机废水处理用超声气振器,可以对有机废水进行搅拌,超声波发生器产生高频超声波同气态氧化剂共同作用于有机废水,与有害物质发生化学反应,从而更彻底的消灭有害物质。

标签:
废水处理
四川 - 成都 来源:中冶有色网 2023-03-19
毛皮加工废水预处理装置

本实用新型公开了一种毛皮加工废水预处理装置。该毛皮加工废水预处理装置包括:上层结构和下层结构,所述上层结构包括反应混凝区、沉淀区、气浮区,所述下层结构包括进水渠格栅区、收集调节区、回用区;该毛皮加工废水预处理装置适于对毛皮加工各工段产生的废水进行处理,满足各工段水质回用要求,使各工段废水可以单独循环利用,大大减少各工段废水的排放量,提高水回用率、降低生产成本。

标签:
废水处理
北京 - 北京 来源:中冶有色网 2023-03-19
高盐、高COD废水低温蒸发浓缩装置

一种高盐、高COD废水低温蒸发浓缩装置,包括第一箱体,第一箱体内壁的两侧均开设有滑槽,并且滑槽的内部滑动连接有滑块,两个滑块相对的一侧之间固定连接有第二箱体,并且第二箱体的底部与第一箱体内壁的底部之间固定连接有若干个弹性件,第二箱体内壁的底部固定连接有支撑箱,并且支撑箱的顶部固定连接有第三箱体,第二箱体的顶部活动连接有固定箱,第三箱体的底部和固定箱内壁底部的两侧均固定连接有加热板。本实用新型能够废水低温蒸发浓缩过程中使热量更加均匀充分的对废水进行传输,且能够使废水充分运动,从而使废水更加快速充分的受热,大大的提高了废水低温蒸发浓缩的效率和效果,更好更快的保证了生产工作的进行,适合推广。

标签:
废水处理
广东 - 广州 来源:中冶有色网 2023-03-19
多功能废水检测处理装置

本实用新型涉及废水检测处理装置技术领域,具体地说,涉及一种多功能废水检测处理装置,包括支架,支架上端固定有电机箱,电机箱上端设有内外水箱,电机箱内设有电机,电机的输出轴固定在内水箱的底部,电机箱上开有电源线接口,外水箱上端固定有进水管,进水管的进水口处固定有过滤网,可以滤除废水中的超大难溶物,外水箱的外壁靠近底端处设有阀门一,阀门一上设有阀门盖一,进水管延伸至内水箱的内部,内水箱外壁靠近阀门一的中心位置处设有阀门二,阀门二上设有阀门盖,内水箱上端设有吸油棉层可以吸收难溶于水且浮于废水上表面的油脂,内水箱的底端铺设有活性炭,可以吸附废水中的小颗粒难溶物,以及细菌等微生物,亦可消除废水中的异味。

标签:
废水处理
河北 - 保定 来源:中冶有色网 2023-03-19
化工品生产废水处理装置

本实用新型涉及废水处理的技术领域,特别是涉及一种化工品生产废水处理装置,其能够对化工品生产废水进行充分的过滤处理,减少其对环境造成的污染,提高环保性;包括过滤仓、动力电机和处理箱,过滤仓底端的左前侧、左后侧、右前侧和右后侧均设置有第一底座,过滤仓的内部设置有工作腔,工作腔的底部为斜设计,工作腔的顶端左侧连通设置有废水输送管,废水输送管的顶部输入端与外部的化工品生产废水输送装置连通,工作腔的顶端右侧连通设置有投料管,投料管的顶部输入端外侧设置有管盖,工作腔的左端下侧连通设置有出料管,出料管上设置有第一阀门,工作腔的右端下侧连通设置有输水管,输水管上设置有第二阀门,工作腔的右部设置有轴承座。

标签:
废水处理
山西 - 朔州 来源:中冶有色网 2023-03-19
可多层过滤的废水处理设备

本实用新型公开了一种可多层过滤的废水处理设备,包括支撑机构、顶盖和过滤机构,所述支撑机构的上方固定有外壳,且外壳的左端设置有进水口,所述进水口的左侧固定有法兰盘,且法兰盘与进水口之间为冲压成型,所述顶盖的顶端表面设置有固定螺栓,且顶盖位于外壳的上方,所述顶盖的上方连接有把手,且顶盖的下方设置有污水槽,所述过滤机构的右侧安装有出水口,且过滤机构位于污水槽的内部,该可多层过滤的废水处理设备结构稳定,工作时不会轻易的发生晃动,密封性好,内部的废水不会溢出或蒸发,便于对内部进行清理,且能够对废水进行多层过滤,顶盖将外壳密封,使外壳内部的废水不会溢出,导致废水溢出或蒸发对周围环境造成影响。

标签:
废水处理
广东 - 东莞 来源:中冶有色网 2023-03-19
废水处理消泡结构
废水处理消泡结构 867     
 0

本实用新型公开了一种废水处理消泡结构,包括消泡桶、固定圈、液位筒和进料口,所述固定圈底部均匀焊接有四个支撑腿,所述固定圈内部固定焊接有消泡桶,所述消泡桶底部中心固定连接有出水管,所述出水管与消泡桶连接处固定安装有限流阀,所述消泡桶底部一侧固定焊接有进水管,所述进水管远离消泡桶一端固定焊接有进料口,所述进水管中部固定安装有液位筒,所述消泡桶侧壁通过螺丝钉固定安装有卡环,本实用新型将废水通过进料口投入,废水通过进水管进入消泡桶,由于废水内部的泡沫会漂浮在废水表面,此时打开限流阀使没有泡沫的废水从出水管排出,当泡沫液面高于消泡桶侧壁时,泡沫会流进溢流槽,进入溢流槽的泡沫最终会通过出泡口排出收集。

标签:
废水处理
广东 - 河源 来源:中冶有色网 2023-03-19
难处理有机废水预处理装置

一种难处理有机废水预处理装置,包括石墨极板、导电铜板、壳体、曝气管、不锈钢极板、填料、曝气孔,所述填料填充在壳体内,所述曝气管安装在所述壳体内的底部,所述曝气管设有曝气孔,所述墨极板和不锈钢极板分别安装在所述壳体的左侧和右侧,在所述墨极板和不锈钢极板的顶端均连接有所述导电铜板。本实用新型使废水中的污染物发生诸如催化氧化分解、混凝、吸附等作用,使废水中的有机污染物迅速被去除,使废水中难降解的大分子有机物进一歩分解为小分子的容易降解的有机物,提高废水的B/C值,从而提高废水后续可生化性。

标签:
废水处理
湖南 - 长沙 来源:中冶有色网 2023-03-19
有机物催化氧化废水处理设备

本实用新型公开了一种有机物催化氧化废水处理设备,涉及废水处理技术领域。本实用新型包括催化池、装设于催化池一侧的氧化池、装设于氧化池一侧的回调池。本实用新型通过设置催化池和紫外光设备,可大幅度加快H2O2的分解形成具有强氧化性的氢氧自由基,在氧化池内设置曝气器,一方面减少H2O2的使用量,另一方面,氧气吸收紫外光后可生成臭氧等次氧化剂,对氧化废水中的有机物有一定协助作用,且此设备对废水中的有机物去处率可达到70%,同时有效减低处理过程中产生的污泥量,并能通过氢氧自由基的强氧化性,将长链高分子有机物分解、断链,形成短链的小分子有机物,更有利于生化工艺的处理,从而提升了废水的可生化性。

标签:
废水处理
广东 - 东莞 来源:中冶有色网 2023-03-19
一体化造纸废水动态处理装置

本实用新型提供一种一体化造纸废水动态处理装置,包括依次套接并构成三层结构的净化塔、流速变换器和流态变换器,净化塔为外层,流速变换器为中层,流态变换器为内层;三层结构顶部设有操作台,净化塔上端塔壁外侧设有集水槽并开有出水口,集水槽外侧与出水通道连接;流态变换器底部与进水管道连接,进水管道上设有加药装置,进水管道与流态变换器底部的连接处设有阻尼喷咀。本实用新型装置结构简单、使用方便,其实现的方法可完成造纸废水进行物化分离、净化和活化,大大缩短了造纸废水的处理流程,降低设备成本,减少场地投资,减少造纸废水的排放量,甚至实现造纸废水零排放。

标签:
废水处理
广东 - 广州 来源:中冶有色网 2023-03-19
钙铝化合物对高浓度含磷废水的三步处理法

本发明涉及钙铝化合物分步处理高浓度含磷(>200mg/L)废水的方法,属于废水处理领域。本发明根据磷酸盐形式的多样性,设计了钙铝化合物三步除磷法(如附图1),第一步控制溶液pH=4.0~5.0之间,使能够生成AlPO4沉淀;第二步溶液pH控制在5.0~7.0,使产物中有CaHPO4(H2O)2生成;第三步投加碱性调节剂,控制pH在10.0以上,有效利用溶液中的Ca源,产物主要是羟基磷灰石。因为投加试剂中可溶有效成分的差别,最终溶液中磷的去除率能达到60~99.99%。特别地,水铝钙石处理后溶液中磷的浓度低于0.5mg/L,达到排放标准。除磷后污泥的产量减少了10%~15%。该技术克服了以往化学沉淀能耗大、产生污泥量大的缺点,有效利用了试剂并大大减少了污泥量。

标签:
废水处理
上海 - 上海 来源:中冶有色网 2023-03-19
基于反渗透膜的低放废水处理实验系统

本实用新型公开了一种基于反渗透膜的低放废水处理实验系统,包括配水箱、反渗透处理装置和用于提供渗透压的高压泵,还包括用于对废水预先处理的预过滤器,高压泵进水端与配水箱启闭式连通,预过滤器的进水端与高压泵出水端启闭式连通,预过滤器的出水端与反渗透处理装置的进水端启闭式连通;通过设置预过滤器用于除掉配水中的大颗粒杂质,保护反渗透处理装置,通过反渗透处理装置的两级反渗透膜组件对废水内杂质的渗透过滤,其中两级反渗透膜组件可以单独运行,也可以串联运行,对比单级和两级反渗透膜的处理效果,从而得出低放废水处理所需分析数据;本实用新型结构简单,使用方便,不仅可用于对低放废水处理进行研究,也可直接用于进行低放废水的处理。

标签:
废水处理
重庆 - 重庆 来源:中冶有色网 2023-03-19
上一页 4941 4942 4943 4944 4945 ... 5000 ... 5981 下一页
共5981页    到第

中冶有色为您提供最新的有色金属环境保护技术理论与应用信息,涵盖发明专利、权利要求、说明书、技术领域、背景技术、实用新型内容及具体实施方式等有色技术内容。打造最具专业性的有色金属技术理论与应用平台!

全国热门有色金属设备推荐
展开更多 +
全国热门有色金属技术推荐
展开更多 +

 

江西省隆恩特环保设备有限公司
宣传

报名参会
更多+

2025年10月15日 ~ 17日
2025年10月17日 ~ 19日
2025年10月31日 ~ 11月02日
2025年11月07日 ~ 09日

报告下载

有色专家
更多+

鞍钢集团有限公司
中国工程院院士
洛阳有色矿业集团有限公司
生产技术部经理
赣州江钨钨合金有限公司
工程师
任灵宝金源矿业股份有限公司
技术发展部经理
赣州有色冶金研究所有限公司
副主任/高级工程师
赤泥综合利用研究报告2025
推广

热门技术
更多+

推荐企业
更多+

福建省金龙稀土股份有限公司
宣传

发布

在线客服

公众号

电话

顶部
咨询电话:
010-88793500-807