青岛垚鑫智能科技有限公司
宣传

位置:中冶有色 >

有色技术频道 >

> 固/危废处置技术

分类:
全部
矿山技术
冶金技术
材料制备及加工技术
环境保护技术
分析检测技术
 
全部
废水处理技术
大气治理技术
固/危废处置技术
土壤修复技术
地区:
全部
北京
天津
上海
重庆
河北
山西
辽宁
吉林
黑龙江
江苏
浙江
安徽
福建
江西
山东
河南
湖北
湖南
广东
海南
四川
贵州
云南
陕西
甘肃
青海
内蒙
广西
西藏
宁夏
新疆
其他
其他
展开
 
全部
合肥
芜湖
蚌埠
淮南
马鞍山
淮北
铜陵
安庆
黄山
阜阳
宿州
滁州
六安
宣城
池州
亳州

安徽合肥有色金属固/危废处置技术理论与应用

免费发布技术信息>>
磁性密封的固体热解燃烧反应器

本实用新型公开了一种磁性密封的固体热解燃烧反应器,包括机体,机体内设有燃烧室,所述燃烧室上罩设有滑门,所述滑门呈L形,且其水平端侧均设有滑轨,滑轨上滑动连接有滑块,滑块与滑门连接,所述滑门的凹侧安装有间隔设置的L形贴条。本实用新型结构简单,将滑门滑向燃烧室,滑门上的滑块沿滑轨移动,具有较好的平稳性能,此时,L形边条和L形贴条上的磁条吸引,实现对滑门的固定,使其不易意外滑开,在L形边条和L形贴条贴合时,其上的锯齿橡胶条啮合,实现密封,避免燃烧室内的废气从缝隙泄漏,污染室外环境。

标签:
固废
安徽 - 合肥 来源:中冶有色网 2023-03-19
用于在线分析固体燃料热解的大气压光电离质谱装置

本发明涉及一种在线分析固体燃料热解的大气压光电离质谱装置,该装置包括热解炉、辅助挥发溶剂引入机构、大气压光电离源和质谱仪。随着化石燃料的日益枯竭,通过固体燃料热解制备各种碳氢燃料和石油化工原料的工艺日益受到人们的重视。本发明可以准确快速实时在线分析固体废弃物(如聚丙烯)、生物质、煤、油页岩等固体燃料热解产物物种分布及生成机理,可以帮助我们更好地掌握其热解内在规律,全面实现资源的有效利用,对我国的可持续发展有着重要意义。

标签:
固废
安徽 - 合肥 来源:中冶有色网 2023-03-19
固体过滤及粉碎装置
固体过滤及粉碎装置 910     
 0

本实用新型涉及一种固体过滤及粉碎装置,是针对现有废水排入管道容易造成管道堵塞或泵被杂物缠绕而提供一种环保、卫生、可靠的固体过滤及粉碎装置。括与管道连接的外筒,外筒内部安装有内筒组件,所述的内筒组件包括轴流式铰刀、内筒、轴,在内筒筒体上设有供水流过的孔或网状结构,在内筒内设有通过水流驱动的轴流式铰刀,轴流式铰刀活动套接在轴上,并在轴的端部固定有防止轴流式铰刀滑出的连接块,轴一端固定在内筒内,且轴流式铰刀可相对轴转动。本实用新型环保、卫生、可靠,能使生活污水中大的固体过滤掉且粉碎成小的颗粒,从而使泵不会被杂物缠绕且使管道不易堵塞。

标签:
固废
安徽 - 合肥 来源:中冶有色网 2023-03-19
固体碱催化法制备生物柴油

本发明涉及一种固体碱催化法制备生物柴油,解决现有生物柴油技术中催化剂与产物分离工艺复杂、生产过程产生废水的问题。本发明的操作步骤是:在备有转速控制、温度控制的反应釜中,加入油脂、甲醇、碳酸钠以及碳酸钠与碳酸钾负载型催化剂,加热搅拌20~60MIN,温度控制在60~90℃,转速控制在100~600RPM,粗品经分相、真空蒸发去除甲醇、水洗、中和、干燥,得到脂肪酸甲酯产品。利用本发明的催化剂碳酸钾腐蚀性小,后处理过程可以省去中和步骤;碳酸钠以及碳酸钠与碳酸钾负载型催化剂在反应过程中均不溶,通过离心很容易使催化剂与产物分离,且催化剂可以重复使用,整个生产过程不产生废水,可以实现零排放。

标签:
固废
安徽 - 合肥 来源:中冶有色网 2023-03-19
固体焦油渣输送系统
固体焦油渣输送系统 937     
 0

本实用新型涉及一种应用于石油化工、钢铁加工等行业的固体废弃物处理装置,具体是涉及一种固体焦油渣输送系统。包括:具有供介质进入的入口部的缸体;设置于缸体端部的一侧的活塞液压缸,驱动主柱塞在缸体内作往复运动,以推动介质在缸体中输送;设置于缸体的外侧的滑动闸阀液压缸,驱动滑动闸阀在缸体内作往复运动,以启闭介质在缸体中的输送线路;提供活塞液压缸和滑动闸阀液压缸工作的动力源的液压系统。液压系统使主柱塞和滑动闸阀之间保持联动,实现固体焦油渣的高压远距离输送。整个输送过程均置于密闭环境中进行,不会影响生态环境。控制系统实现整个处理过程的本地或远程控制,使控制过程自动化程度得到显著提高。

标签:
固废
安徽 - 合肥 来源:中冶有色网 2023-03-19
针对固体样本进行全自动核酸提取的方法

本发明公开了一种针对固体样本进行全自动核酸提取的方法,用于解决现有的基于磁珠法的自动化核酸提取仪没有很好地解决固体不溶性杂质去除的问题;本发明将装有固体样本的双层裂解管放入自动化核酸提取仪的样本区;机械臂将样本放入加热震荡区,移液机械臂将试剂加入双层裂解管,机械臂给内管加盖加热震荡裂解;将样本放入自动配平离心机,离心,含有核酸的溶液流入外管,固体杂质残留在内管;机械臂丢弃内管,移液机械臂往外管中加入结合液,吹打混匀后将混合液转移至吸附柱中,吸附柱底部为核酸吸附硅胶膜,机械臂将吸附柱和废液槽一起放入自动配平离心机,实现了在仪器平台上自动化去除不溶性固体杂质的目标。

标签:
固废
安徽 - 合肥 来源:中冶有色网 2023-03-19
用于氢同位素分离的石墨烯固体电解池装置

本发明提供了一种用于氢同位素分离的石墨烯固体电解池装置,包括电解池以及设置在所述电解池内的石墨烯复合膜电极;其中,所述石墨烯复合膜电极由析氢催化层、石墨烯层、阴离子交换层和析氧催化层依次叠加构成;并且,所述析氢催化层所在面朝向所述电解池的阴极端,析氧催化层所在面朝向所述电解池的阳极端。本发明采用石墨烯层与阴离子交换层形成石墨烯复合膜固体电解质,实现氢离子的选择性分离;这种石墨烯复合膜能有效增加固体电解质的氢同位素的筛分能力,提高氢同位素的分离系数,降低电解法氢同位素分离的能耗。本发明有效提高了氢同位素分离系数,为氢同位素生产以及含氚废水处理提供更佳解决方案。

标签:
固废
安徽 - 合肥 来源:中冶有色网 2023-03-19
建筑施工用具有分离结构的建筑固体残渣输送装置

本发明涉及建筑施工用残渣输送设备技术领域,具体为一种建筑施工用具有分离结构的建筑固体残渣输送装置,包括输送件,所述输送件包括有支撑架,且支撑架的左右两侧对称状转动连接有输送辊,两组所述输送辊的外侧套设有输送带,两组所述输送辊之间通过输送带传动连接,其中一组所述输送辊的外侧固定连接有第一伺服电机。本发明通过设置水雾冲刷将残渣废料中的粉尘颗粒物分离冲出,便于对残渣废料进行回收利用,通过设置输送辊的中间位置为凹陷状,使得输送带中间位置向下凹陷,便于对水流进行汇集引导,有效的避免水流随意溢出,配合轮筒的旋转拨动,有利于保障该装置对于粉尘颗粒去除全面。

标签:
固废
安徽 - 合肥 来源:中冶有色网 2023-03-19
利用餐厨垃圾生产固体有机肥的工艺

本发明公开了利用餐厨垃圾生产固体有机肥的工艺。工艺包括以下几个步骤:(1)预处理;(2)一次发酵;(3)二次发酵;(4)包装。本发明的工艺步骤简单,处理方便,成本低,适合大规模的生产应用。通过将餐厨垃圾进行固液分离后,取固体垃圾部分,经过两次发酵,得到优质的固体肥料,得到的固体肥料保质时间长,二次发酵时添加了秸秆、菌菇包、动物粪便、木屑和树叶,使得肥料营养成分更加丰富,含有丰富的碳、磷和氮元素以及多种微量元素。生产过程污染少,对环境影响小,变废为宝,充分实现了餐厨垃圾的价值。

标签:
固废
安徽 - 合肥 来源:中冶有色网 2023-03-19
磁性固体酸及其制备方法

本发明公开了一种磁性固体酸及其制备方法,其中制备方法包括如下步骤:在木质纤维素类生物质上吸附铁离子,得到铁负载生物质;将铁负载生物质在惰性气氛下进行热解,得到磁性多孔碳前体;将得到的磁性多孔碳前体进行磺化,即获得磁性固体酸。本发明以废弃的生物质材料为原料,通过吸附铁离子,再经过热解制备磁性多孔碳前体,然后再对该前体进行磺化,从而制备出磁性固体酸。本发明提供的磁性固体酸制备方法原料成本低且来源广泛,容易大规模生产,而且具有环境友好性,制得的磁性固体酸催化效果好且容易分离,具有广阔的应用前景。

标签:
固废
安徽 - 合肥 来源:中冶有色网 2023-03-19
固体氧化物燃料电池热电冷联供和储能装置

本实用新型固体氧化物燃料电池热电冷联供和储能装置,特征是经换热器预热后的燃料气和空气进入燃料电池反应输出电能,产生的高温废气经换热器后进入蒸气发生器;由经过换热器的热水管道供热;由蒸气发生器、冷凝器、蒸发器和吸收器构成的氨吸收制冷循环制冷;吸收器与蒸发器之间的液氨管道与液氨储存罐相连,吸收器与蒸气发生器之间的浓氨水管道、稀氨水管道分别与浓氨水储存罐、稀氨水储存罐相连,进行储能;空气进入换热器之前可先进入水回收器,废气在水回收器中冷凝回收其中的水。该装置能够实现热电冷三联供,储能密度高,可回收排气中的水分,易于小型化和风冷化,可使能量利用效率从固体氧化物燃料电池的50-80%提高到80-92%。

标签:
固废
安徽 - 合肥 来源:中冶有色网 2023-03-19
蟹营养速溶固体饮料的制作方法

本发明公开了一种蟹营养速溶固体饮料的制作方法,其特征在于包括梭子蟹下脚料粉碎、烘干、脱脂、复合酶解、离心、清液浓缩、调味、匀质、喷雾干燥等步骤,复合酶解采用中性蛋白酶与风味蛋白酶。本发明有效提取梭子蟹下脚料中的营养成分,生产固体饮料,实现了变废为宝,产生可观的经济效益,又能满足人们的消费需要,增进人体健康。

标签:
固废
安徽 - 合肥 来源:中冶有色网 2023-03-19
固体燃料及制备方法
固体燃料及制备方法 981     
 0

本发明涉及固体废弃物资源化利用技术领域,具体的说是一种固体燃料及制备方法,所述固体燃料包括如下组分:猪粪、植物秸秆、草木灰、粉煤灰、煤炭、除臭剂;所述制备方法包括:原料预处理:将猪粪便置于发酵池中,加入草木灰、植物秸秆、除臭剂,搅拌均匀,放置5~7天,干燥;固体燃料的制备:向处理后的原料中加入粉煤灰、煤炭,搅拌均匀,干燥至含水量为5~8%;固体燃料的成型:将得到的混合物粉碎、挤压成型,即得所述固体燃料。本发明所述的固体燃料及制备方法,不仅能够有效去除粪便异味,还能实现废弃物的再利用,提高了资源利用率,此外,所述制备方法工艺简单,操作方便,具有较好的应用价值。

标签:
固废
安徽 - 合肥 来源:中冶有色网 2023-03-19
固体生物质热解气化裂解炉

本发明公开了一种固体生物质热解气化裂解炉,包括上部的沸腾气化炉、中部的催化裂解段及下部的燃气初级净化室,所述沸腾气化炉倾斜设置于所述燃气初级净化室上方,在燃气初级净化室的上部设有能够调节插入深度的插板炉排,在沸腾气化炉的底部设有气化剂入口及气化剂喷嘴,所述插板炉排的下方设有燃气出口,所述沸腾气化炉的上部设有物料入口及点火孔。本发明可用于秸秆等农林固体废弃物热解气化,也可用于城镇固体生活垃圾和城镇污水处理厂脱水干燥后的污泥焚烧并获取能源;气化产生的焦油粒子被裂解,大部分二氧化碳被还原,增加可燃气体产量;燃气质量高:燃气中无焦油,利于净化处置;气化温度高,不产生二噁英等有害气体。

标签:
固废
安徽 - 合肥 来源:中冶有色网 2023-03-19
固体酸碱两步法制备生物柴油的方法

本发明涉及一种固体酸碱两步法制备生物柴油的方法。包括三道操作步骤:A、将高酸值油脂除杂、脱水;B、废油脂比甲醇按1∶9-1∶20的摩尔比,并加入1.5%-4%的固体酸催化剂,在60-80℃进行酯化反应2-5小时,收集油相,回收甲醇相;C、在油相中加入甲醇和1.5%-4%的固体碱催化剂;油相与甲醇的摩尔比为1∶6-1∶12,在温度60-80℃进行酯化反应1.5-2.5小时,静置分层,收集生物柴油相,蒸除甲醇,即得生物柴油。本发明利用了餐饮废油以及油脚和皂脚,扩大了原料来源,降低生物柴油的生产成本;整个生产过程无废液排出,不污染环境;所用固体催化剂均为无机化合物,来源广泛,价格便宜且催化效率高。

标签:
固废
安徽 - 合肥 来源:中冶有色网 2023-03-19
固体氧化物燃料电池热电冷联供和储能系统

本发明固体氧化物燃料电池热电冷联供和储能系统,特征是燃料电池输出电能后产生的高温废气进入换热器,预热供给燃料电池的燃料气和空气,也加热进入其中的回水供热;废气随后驱动由蒸气发生器、冷凝器、蒸发器和吸收器构成的氨吸收制冷系统制冷;通过与吸收器和蒸发器之间的液氨管道相连的液氨储存罐,分别与吸收器和蒸气发生器之间的浓氨水管道、稀氨水管道相连的浓氨水储存罐、稀氨水储存罐进行储能;废气排空前也可进入水回收器,利用进入换热器之前的空气进行冷凝以回收水。该系统能够实现热电冷三联供,储能密度高,可回收排气中的水分,易于小型化和风冷化,可使能量利用效率从固体氧化物燃料电池的50-80%提高到80-92%。

标签:
固废
安徽 - 合肥 来源:中冶有色网 2023-03-19
可燃性固体半固体物零烟雾燃烧配套小型炉具炉芯及形状

本发明是对本发明人2018.04.27申请的发明专利“烟煤褐煤生物质燃料聚烯烃等废塑料零烟雾燃烧技术”(申请号201810390637.4)当中,配套炉芯(2)及聚火板(6)、煤型和通风孔总面积扩大及合理布局三部分内容的技术性细化。1,遴选保温‑耐火性能同时优良的高白度硅酸铝纤维模块作为炉芯(2)A段的内圈,采用保温‑耐火性能亦较好的泡沫玻璃或泡沫陶瓷或硅酸钙模块即炉芯(17)作外圈。2,将下置煤(9)顶部内圈通风孔部位设计为凹形,以利方便、快捷地对正煤堆的通风孔。3,将通风孔总面积扩大30%,并布局为主要扩大4个内圈通风孔。如此可大为增加中小型炉具炉灶实现全过程充分、零烟雾燃烧的可靠性。

标签:
固废
安徽 - 合肥 来源:中冶有色网 2023-03-19
用于桶装固废处理结构

本实用新型公开了一种用于桶装固废处理结构,包括主框,所述主框的内侧壁设置有定位槽,所述定位槽的内侧设置有双向电机的外侧固定连接在一起,所述双向电机的延伸轴与螺纹杆的一端固定连接在一起,所述螺纹杆的外侧与旋转轴承架的内侧螺纹连接在一起,所述旋转轴承架的底端与定位板的顶端固定连接在一起,所述定位板的底端设置有液压伸缩杆,所述液压伸缩杆的底端与定位框架的顶端固定连接在一起,所述定位框架的内侧壁设置有夹取伸缩杆,且两个夹取伸缩杆对称分布在定位框架的内侧壁。本实用新型中,通过驱动电机带动切割刀具对桶体进行切割,切割后桶底进行吸取,从而便于对桶体进行处理,增加加工的效率。

标签:
固废
安徽 - 合肥 来源:中冶有色网 2023-03-19
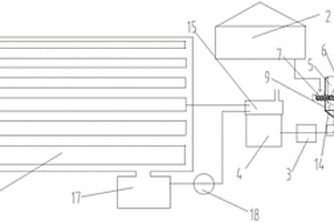
固废填埋场防雨棚
固废填埋场防雨棚 695     
 0

本实用新型公开了一种固废填埋场防雨棚,其技术方案要点是:包括:两个固定块,两个所述固定块的左右两侧均固定连接有连接块,所述连接块的一侧设置有安装块;安装板,所述安装板固定连接在安装块的一侧,若干个所述安装块的顶面固定连接有防雨棚;固定组件,所述固定组件设置在所述连接块的一侧,当工作人员将两个安装板通过螺栓固定连接在一起后,从而使两个安装块可以固定在一起,同时,由于安装块通过安装栓固定在连接块的一侧,进而便于后期工作人员增加安装块,使该填埋场防雨棚可以增加长度进行使用,由于支撑架通过限位板固定在连接板的底面,从而使工作人员可以增加会去除支撑架,便于后期工作人员调整该填埋场防雨棚的高度。

标签:
固废
安徽 - 合肥 来源:中冶有色网 2023-03-19
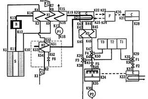
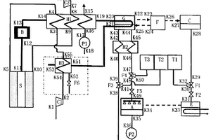
链板式固废热解装置
链板式固废热解装置 1213     
 0

本发明公开了一种链板式固废热解装置,包括外炉体以及固定连接在外炉体内的内炉筒;外炉体与内炉筒之间具有空隙,外炉体内设有若干个加热内炉筒的燃烧组件;内炉筒的左、右两端位于外炉体外,内炉筒的左端连接有上料组件;内炉筒的右端连接有出料组件;内炉筒内具有炉体内腔,炉体内腔内设有物料输送组件,上料组件将物料上料至物料输送组件,通过物料输送组件输送物料至出料组件出料,物料在输送过程中被加热;物料输送组件包括物料输送链板,物料输送链板连接有驱动组件。采用上述装置部件热处理物料,不仅能够有效实现物料稳定输送,且上述装置热处理效率高,有效提高了物料的炭化热处理效率。

标签:
固废
安徽 - 合肥 来源:中冶有色网 2023-03-19
农业有机固废生态处理系统

本发明提出了农业有机固废生态处理系统,包括温室大棚和牲畜养殖系统,牲畜养殖系统包括牲畜养殖场、沼气制备装置和沼气收集器,沼气收集器通过管道连接有沼气燃烧器,沼气燃烧器连接大棚内供暖装置,沼气制备装置连接固液分离装置,经固液分离装置分离后的沼液作为温室大棚中农作物的冲施肥,沼渣作为苗木和果树的有机肥料,沼气制备装置包括沼气发酵池,沼气发酵池上设置有气体出口、物料进口和废料排出口,废料排出口上设置有自动开关门,沼气发酵池的外围设置保温墙,保温墙上设置有沼液出口和沼渣出口,由于采用了种植植物、养殖牲畜同沼气发酵池同时使用,相互大配,实现了资源的合理配置与利用;实现冬季可通过沼气燃烧对大棚内进行加温。

标签:
固废
安徽 - 合肥 来源:中冶有色网 2023-03-19
固废加工处理厂用喷淋除尘设备

本实用新型公开了一种固废加工处理厂用喷淋除尘设备,包括底板,底板的顶面设有横向固接的底箱,底板的底面设有横向固接的储水箱,底箱的一侧面中部设有贯穿固接的风机筒,风机筒内安装有输出端朝内的风机,位于风机后方在底箱内安装有除尘组件,底箱内底部设有排污组件,底箱的顶部安装安装有喷淋组件。本实用新型通过各组件的配合使用,解决了现有喷淋除尘设备操作步骤不便及污泥清理不彻底的问题,且整体结构设计紧凑,方便了工人单人作业,方便了对污泥杂质进行有效的清理,提高了设备稳定运行的效率。

标签:
固废
安徽 - 合肥 来源:中冶有色网 2023-03-19
固废脱水设备用安全防盗门

本实用新型公开了一种固废脱水设备用安全防盗门,包括固定门板和活动门板,固定门板包括后板、左侧板和右侧板,固定门板和活动门板中部焊接多根防盗杆,固定门板和活动门板包裹设置在中控机箱的外侧,固定门板和活动门板的上下端均焊接密封板,左侧板的左侧外壁下方固定连接散热电扇,右侧板的右侧外壁下方固定连接暖风电扇。左侧板的左侧外壁下方固定连接散热电扇,散热电扇能将中控机箱产生的热量吸出,进行扇热,右侧板的右侧外壁下方固定连接暖风电扇,防止中控机箱内部设备受潮,多根防盗杆的内侧固定连接有吸水棉层,吸水棉层能够在空气进行交互时,吸收空气中的水分,起到防潮效果。

标签:
固废
安徽 - 合肥 来源:中冶有色网 2023-03-19
农业固废处理设备
农业固废处理设备 854     
 0

本发明涉及机械技术领域,具体地说,涉及一种农业固废处理设备,包括第一进料装置、切碎机构、揉丝机构以及装袋机构,第一进料装置包括粉碎刀、推拉门手把、第一进料斗和风扇,切碎机构包括输送电机、输送轴、切割电机和切割刀片,输送电机与所述输送轴相连接,切割刀片与所述切割电机相连接,切碎机构的出料口与揉丝机构连接,揉丝机构包括由助力飞轮带动的揉搓桶体以及安装在所述揉搓桶体内壁上的多个切刀,揉搓桶体上安装有出料筒,本发明的结构合理,工作效果好,自动化程度高,可以有效降低工作强度。

标签:
固废
安徽 - 合肥 来源:中冶有色网 2023-03-19
垃圾、固废焚烧净化装置

本实用新型公开了一种垃圾、固废焚烧净化装置,属于环保净化装置领域,包括焚烧炉、烟气净化装置,所述焚烧炉固定在地面上,所述焚烧炉内包括干燥炉床和燃烧炉床,所述燃烧炉床的上方连接有二次燃烧炉,所述二次燃烧炉右侧固定有余热锅炉,所述余热锅炉右侧设有急冷塔,所述急冷塔的右侧连接有布袋除尘器,所述布袋除尘器通过引风机管道与酸吸收塔连接,所述酸吸收塔与烟气加热器固定,所述烟气加热器连接有烟囱。本实用新型克服了现有技术的不足,设计合理,尽可能焚毁垃圾废物,处理量大、减容性好、占地少,使被焚烧的物质变为无害,节约大量填埋场占地,还减少新的污染物质产生,避免造成二次污染;并利用焚烧产生的热量发电,达到节约资源的目的。

标签:
固废
安徽 - 合肥 来源:中冶有色网 2023-03-19
固废回收制备建材用的车间粉尘回收装置

本实用新型属于建材回收技术领域,具体为一种固废回收制备建材用的车间粉尘回收装置,包括塔体和吸尘罩,所述吸尘罩的右侧固定连接有第一连接管,所述第一连接管的右侧固定连接有第二连接管,所述第二连接管的另一端与塔体相连通,所述第二连接管的内腔设置有抽风装置,所述塔体内腔的顶部安装有气液分离器,所述塔体内腔的底部安装有收集筒,所述收集筒的底部连接有排污管,所述排污管的另一端延伸至塔体的外侧,所述排污管的右侧安装有抽泥泵,本新型方案能够对粉尘进行有效的回收和处理,减少对资源的浪费,同时对空气进行二次过滤,保证了空气排放的洁净效果,操作简单,节能环保且利于使用和推广。

标签:
固废
安徽 - 合肥 来源:中冶有色网 2023-03-19
基于X光识别技术的固废分选设备

本发明提供基于X光识别技术的固废分选设备,涉及物料分选技术领域,包括底座、桌台、输送模组、识别模组及分选模组,分选模组设置在底座上,识别模组及分选模组设置在桌台上,输送模组包括传送带及料斗,传送带靠近料斗一端配合有具有往复滑动结构的碾压机构,本方案通过碾压机构对物料的堆积进行整理,利用碾棒的推移以及碾棒与物料接触因摩擦产生的转动,将原本堆积混乱的物料碾压均匀,降低堆积的厚度,为后续识别模组及分选模组的工作提供便捷。

标签:
固废
安徽 - 合肥 来源:中冶有色网 2023-03-19
煤基固废环保型轻质空心砖

本实用新型公开一种煤基固废环保型轻质空心砖,包括用于堆砌中间墙体的第一砖体,用于堆砌底层墙体的第二砖体,用于堆砌顶层墙体的第三砖体,用于堆砌侧边墙体的第四砖体、第五砖体和第六砖体,用于堆砌顶角墙体的第七砖体和第八砖体,各层空心砖之间相互卡合,相邻的空心砖之间相互卡合。本实用新型空心砖通过设置异形的第一砖体,使得在进行墙体堆砌时,各层之间的第一砖体相互卡合,左右相邻的第一砖体也为卡合连接,使得墙体堆砌完成后更为稳固,通过用于堆砌底层墙体的第二砖体,用于堆砌顶层墙体的第三砖体,用于堆砌侧边墙体的第四砖体、第五砖体和第六砖体,用于堆砌顶角墙体的第七砖体和第八砖体,使得堆砌形成的墙体边界能够平整。

标签:
固废
安徽 - 合肥 来源:中冶有色网 2023-03-19
发电厂固废处理系统及方法

本发明涉及一种发电厂固废处理系统及方法,包括底座、烘干装置、上料斗和碾碎分选装置,所述的底座上端安装有烘干装置,烘干装置上端安装有上料斗,底座上端安装有碾碎分选装置,碾碎分选装置位于烘干装置下方;本发明采用先烘干再碾碎的方式解决了露天粉煤尘有水分大、呈块状等问题,处理了堆积多年的“粉煤尘山”,本发明采用筛选的方式筛分出不同用处的粗灰和细灰,解决了粉煤尘作为原材料规格不一致的问题;本发明采用设置的碾碎分选装置,通过碾碎机构对大块的粉煤尘进行碾碎,通过筛分机构的设计,利用L型板带动粉煤尘转动上升,然后掉落在筛网上,在对粉煤尘造成二次粉碎的同时,也防止了粉煤尘在筛网上淤积。

标签:
固废
安徽 - 合肥 来源:中冶有色网 2023-03-19
用于大颗粒固废催化热解的催化剂评价装置及评价方法

本发明涉及一种用于大颗粒固废催化热解的催化剂评价装置及评价方法,包括热解反应装置、催化反应装置,包括光电离质谱在线检测设备,用于实时监测产物在任意时间点的全组分信息以及催化剂的失活状态,监测时间间隔最短可达100ms;耐高温隔断阀控制两反应器之间的连通与隔断;球阀用于排空微型流化床反应器内的载气;本发明采用微型流化床反应器与微型固定床反应器相串联的方式,可同时具有热解反应传质传热效率高、反应速率快、二次反应少、气固相接触充分等优点;采用异位催化的方式不仅可以避免热解炭和催化剂内焦炭难以分离、催化转化效率相对较低问题,而且热解反应和催化反应温度可以独立控制,进而提高目标产物产率以及催化剂使用寿命。

标签:
固废
安徽 - 合肥 来源:中冶有色网 2023-03-19
上一页 30 31 32 33 34 ... 37 下一页
共37页    到第

中冶有色为您提供最新的安徽合肥有色金属固/危废处置技术理论与应用信息,涵盖发明专利、权利要求、说明书、技术领域、背景技术、实用新型内容及具体实施方式等有色技术内容。打造最具专业性的有色金属技术理论与应用平台!

全国热门有色金属设备推荐
展开更多 +
全国热门有色金属技术推荐
展开更多 +

 

江西省隆恩特环保设备有限公司
宣传

报名参会
更多+

报告下载

有色专家
更多+

洛阳有色矿业集团有限公司
生产技术部经理
中冶沈勘秦皇岛工程技术有限公司
原矿山院院长/教授级高工
中铝检测科技(郑州)有限公司/国家轻金属质量检验检测中心
正高级工程师
广东省科学院工业分析检测中心
副主任
中南大学、中国工程院
院士
赤泥综合利用研究报告2025
推广

热门技术
更多+

推荐企业
更多+

福建省金龙稀土股份有限公司
宣传

发布

在线客服

公众号

电话

顶部
咨询电话:
010-88793500-807