青岛垚鑫智能科技有限公司
宣传

位置:中冶有色 >

有色技术频道 >

> 固/危废处置技术

分类:
全部
矿山技术
冶金技术
材料制备及加工技术
环境保护技术
分析检测技术
 
全部
废水处理技术
大气治理技术
固/危废处置技术
土壤修复技术
地区:
全部
北京
天津
上海
重庆
河北
山西
辽宁
吉林
黑龙江
江苏
浙江
安徽
福建
江西
山东
河南
湖北
湖南
广东
海南
四川
贵州
云南
陕西
甘肃
青海
内蒙
广西
西藏
宁夏
新疆
其他
其他
展开
 
全部
合肥
芜湖
蚌埠
淮南
马鞍山
淮北
铜陵
安庆
黄山
阜阳
宿州
滁州
六安
宣城
池州
亳州

安徽合肥有色金属固/危废处置技术理论与应用

免费发布技术信息>>
基于铁氧体固废的电磁波吸收材料的制备方法

本发明公开了一种基于铁氧体固废的电磁波吸收材料的制备方法,以软磁磁芯生产环节磨削产生的铁氧体固废为磁性基体,在晶界上进行碳的包覆,获得复合结构的电磁波吸收材料。本发明制备的铁氧体/碳复合电磁波吸收材料具有抗氧化、抗腐蚀能力,界面碳材料的加入可以降低吸波体的密度,有利于制造轻、薄吸波产品,力学性能也会得到稳定和加强。本发明制备的电磁波吸收材料具有广泛的适用性,适用于DC‑42.5GHz频段的电磁波吸收应用,可以用于块体、贴片、角锥、劈锥、涂层、薄膜等产品。

标签:
固废
安徽 - 合肥 来源:中冶有色网 2023-03-19
用于高蛋白有机固废无害化处理的节能微波消解系统

本实用新型公开了一种用于高蛋白有机固废无害化处理的节能微波消解系统,其特征在于,包括依次设置的均质罐、微波消解器和冷却罐,均质罐与微波消解器之间连接有隔膜泵,微波消解器与冷却罐通过隔膜泵连接,均质罐上连接有预热装置,冷却罐和微波消解器上分别连接有第一冷却装置和第二冷却装置,第一冷却装置和第二冷却装置上连接有蓄热装置;本实用新型的节能微波消解系统,合理的将有机固废在微波消解中产生的热量进行收集并重复利用,节能环保。

标签:
固废
安徽 - 合肥 来源:中冶有色网 2023-03-19
铁氧体固废循环再利用制备电磁波吸收材料的方法

本发明公开了一种铁氧体固废循环再利用制备电磁波吸收材料的方法,是通过介电氧化物在铁氧体界面上的复合和改性,以介电损耗性能的增强平衡磁损耗性能的差异,改善界面阻抗匹配并制备出宽频带的高效电磁波吸收材料及其器件。本发明中铁氧体晶界上的介电氧化物复合,极大的改善了吸波体因固废颗粒的差异而导致的裂纹、凹凸、脆断等力学性能问题,并同时增强了吸波体的热力学稳定性。

标签:
固废
安徽 - 合肥 来源:中冶有色网 2023-03-19
固废垃圾处理防尘装置
固废垃圾处理防尘装置 1007     
 0

本实用新型公开了一种固废垃圾处理防尘装置,包括多个相互拼接的装置单体,装置单体包括安装平板和固定支架,固定支架焊接或螺栓固定在安装平板的下方;安装平板上穿插安装有两个分流管,分流管顶部通过轴承转动安装有旋转轴管,旋转轴管可以进行旋转,旋转轴管的顶部安装有球头,球头的表面等角度安装有雾化喷嘴;固定支架的内侧设置有导流主管,分流管的底部与导流主管内部连通,导流主管的两端均设置有螺纹端头,本实用新型适用于固废垃圾处理,该装置可以根据实际的需求增加或减少相应数量的装置单体,从而使得该装置适用性更高,适用范围更广,且该装置在进行喷雾防尘是可以进行旋转喷雾,使喷射范围更高,效果更高,且喷雾均匀。

标签:
固废
安徽 - 合肥 来源:中冶有色网 2023-03-19
固废筛选装置
固废筛选装置 1225     
 0

本实用新型公开了一种固废筛选装置,包括底座,底座左侧边设置有侧支撑架,侧支撑架中部设置有结构块,侧支撑架中部的结构块内固定安装有转动杆,转动杆外侧转动安装有支撑轴,支撑轴右侧设置有筛选框,筛选框右侧设置有滑动支撑块,底座右侧设置有电机,转动轴外侧通过键槽固定连接有凸轮,筛选框右侧设置有滑动支撑块,滑动支撑块内设置有滑动轨。本实用新型通过电机带动凸轮进行转动,长短轴的交错来实现对于筛选框上下动作的起伏,将物料在筛选框内的两组滤板上进行左右倾斜的交错滚动,提升筛选的质量和效率,并且筛选完成后通过对应的出料口进行分别排出,结构简单可靠,可以快速实现对于固废的分类合并收集,实用性强。

标签:
固废
安徽 - 合肥 来源:中冶有色网 2023-03-19
固废废弃物颗粒粉煤灰再利用处理方法

本发明涉及一种固废废弃物颗粒粉煤灰再利用处理方法,该固废废弃物颗粒粉煤灰再利用处理方法采用如下设备,该设备包括收集框、支撑腿、外框体、输送装置、中间板、击碎装置、筛分装置和破碎装置,本发明能够通过垂直从上往下的螺旋输送结构,能够很好的将这些结块的粉煤灰输送下去,在输送螺纹的不断旋转下可以使得粉煤灰持续的向下进行输送,再借助下面的破碎装置对其进行破碎,这样一次的处理量小且持续,对于结块的粉煤灰处理效果大大提高,同时由于是螺旋的结构,所以对于下面破碎过程中产生的粉煤灰的弥漫能够将其完全隔绝在设备内部,这样该设备不仅能提高粉煤灰的破碎效果,还能够完全隔绝粉煤灰的弥漫情况。

标签:
固废
安徽 - 合肥 来源:中冶有色网 2023-03-19
医疗固废处理设备
医疗固废处理设备 718     
 0

本实用新型公开了一种医疗固废处理设备,属于医疗固废处理设备技术领域,包括固定平台以及设置在固定平台上端的粉碎仓,固定平台的底端设置有若干个支撑柱,位于固定平台底端外侧的两个支撑柱之间安装有电机,粉碎仓的左右两侧分别设置有与固定平台固定连接的支座A和支座B,粉碎仓的内部一侧活动连接有贯穿支座A的转辊A,粉碎仓的内部另一侧活动连接有贯穿支座B的转辊B,转辊A的外侧一周固定设置有若干个均匀分布的转轮A,转辊B的外侧一周设置有若干个均匀分布的转轮B。本实用新型通过转轮和锯齿间配合使用以及采用安全罩上设置进料口,从而达到粉碎效果好,效率高,安全性高的目的。

标签:
固废
安徽 - 合肥 来源:中冶有色网 2023-03-19
固废脱水设备用连续式进料装置

本实用新型公开了一种固废脱水设备用连续式进料装置,包括进料筒、盖板以及转动杆,进料筒的顶部扣接有盖板,盖板的板面贯穿设置有转动杆,转动杆的杆体上固定连接有限位环板,限位环板处于盖板的底面下部,限位环板与转动杆的端面关于盖板对称分布,转动杆的杆体上固定连接有搅拌框体,搅拌框体的内部固定连接有垂直切割板,且搅拌框体和转动杆的表面均设置有导向槽,导向槽的内部滑动连接有刮料板,搅拌框体的外壁螺接有固定螺钉;本实用新型提出的固废脱水设备用连续式进料装置内部设置搅拌结构,便于对进料筒内部的成团污泥进行切割粉碎,避免其造成进料筒的堵塞,且搅拌结构为可拆卸结构,实用方便。

标签:
固废
安徽 - 合肥 来源:中冶有色网 2023-03-19
煤制天然气固废资源回收再利用系统

本发明公开了一种煤制天然气固废资源回收再利用系统,属于煤制天然气技术领域,一种煤制天然气固废资源回收再利用系统,包括回收装置和回收方法,回收装置包括装置箱,装置箱两侧的外壁上均固定连接有支撑脚架,装置箱一侧的外壁上连通有进料管,装置箱的内部活动安装有筛分斗,筛分斗的顶端连通有第一波纹软管,第一波纹软管的顶端固定连接有顶板,进料管与第一波纹软管相连通。可以实现对煤气项目实施过程产生的固废粉煤灰进行收集、筛分,筛分后粒度不同的粉煤灰可分别进行回收再利用,不仅降低了对环境的污染,同时节省了资源,并解决了粉煤灰在收集筛分过程中容易扬尘的问题,避免工作人员的身体健康受到危害。

标签:
固废
安徽 - 合肥 来源:中冶有色网 2023-03-19
用于煤矿塌陷区的固废灌注设备

本发明涉及煤矿塌陷区灌注技术领域,具体的是一种用于煤矿塌陷区的固废灌注设备,本发明包括连接凹架和活动底座,所述活动底座的顶部固定连接有倾斜设置有的液压推杆,所述活动底座的两侧均固定连接有支撑架,两个所述支撑架远离所述活动底座的一端之间转动连接有倾斜设置的送料槽架,所述送料槽架的底部固定连接有导向滑轨,通过倾斜设置的送料槽架,方便将固废通过送料槽架输入到塌陷区的位置,连接凹架安装在车辆上,使得进行固废灌注时,使得灌注时,工作人员无需靠近塌陷区,而且灌注设备无需装载在塌陷区附近的位置,避免因为灌注设备的重量导致塌陷区的位置产生二次塌陷,提升灌注的安全性。

标签:
固废
安徽 - 合肥 来源:中冶有色网 2023-03-19
采用固废料回收生产的环保砖

本实用新型公开了一种采用固废料回收生产的环保砖,环保砖包括砖体,所述砖体两侧均设有阵列分布的固定槽,固定槽内设有滑槽,砖体底部设有对称分布的安装槽,两组砖体之间设有连接件,连接件下端设有挡板,连接件上设有对称分布的卡槽,砖体内部设有第一固废层和第二固废层,砖体上方设有可拆卸的普通道路板和盲人道路板。本实用新型环保砖结构稳定可靠,采用拼接式设计,使多个砖体连成一体,有效降低了砖石经常变形或者移动的几率,整体稳定性更好,砖体上方设有普通道路板和盲人道路板,普通道路板和盲人道路板均为塑胶材质有效提高了防滑性能,防止行人在雨天行走时滑倒。

标签:
固废
安徽 - 合肥 来源:中冶有色网 2023-03-19
固废脱水设备用二次处理装置

本实用新型公开了一种固废脱水设备用二次处理装置,包括第一圆筒,所述第一圆筒上端面一体成型设置有进料口、吹风管,所述第一圆筒边侧一体成型设置有支撑架,所述第一圆筒中贯穿设置有转动杆、并且转动杆边侧一体成型等距设置有搅拌杆,所述第一圆筒底端一体成型等距设置有连接弹簧,所述连接弹簧另一端一体成型设置在凹槽中、凹槽设置在第二圆筒中,所述第二圆筒底端一体成型设置有出料口,所述第二圆筒边侧对称设置有振动装置,通过本实用新型对于经过脱水处理的固废能够进行很好的二次处理,提高脱水效率,进而调高固废脱水工作效益。

标签:
固废
安徽 - 合肥 来源:中冶有色网 2023-03-19
有机固废气化熔融无害化处理的系统

本实用新型涉及有机固废处理技术领域,提供了一种有机固废气化熔融无害化处理的系统。本实用新型提供的系统包括预处理装置1、循环流化床气化炉2、高温气流床3、激冷排渣机4、换热器5和气体净化装置6,其中循环流化床气化炉可以实现有机固废的减量化及部分无害化处理,高温气流床可以实现完全无害化处理,且在无害化处理过程中可以副产可燃气,实现资源化利用;循环流化床气化炉和高温气流床可以对有机固废进行分级气化,实现协同处理;使用本实用新型的系统对有机固废进行处理,具有气化效率高,无害化、减量化及资源化水平高,经济效益好,易于产业化推广及应用。

标签:
固废
安徽 - 合肥 来源:中冶有色网 2023-03-19
环保型危险固废处理系统

本发明公开了一种环保型危险固废处理系统,包括移动底座,其平行设置活动连接在地面顶部,且移动底座的顶部固定连接有支撑柱,并且支撑柱的顶部固定安装有外壳体,而且外壳体的顶部嵌设有金属漏斗,并且外壳体的内部垂直贯穿转动连接有破碎杆。该环保型危险固废处理系统,通过设置的破碎杆,使得第一电机在转动时能够带动金属破碎刀对危险固废进行初步粉碎,以此来将较大块的固废分解成小块固废,通过设置的研磨条,使得连接轴在带动外套筒进行转动时能够将小块固废研磨成粉状固废,以此来便于该处理装置的后续处理,通过设置的螺旋叶,使输送进防护壳内的粉状固废能够得到进一步的粉碎,以此来确保进入焚烧区域内的危险固废能够处于粉末状态。

标签:
固废
安徽 - 合肥 来源:中冶有色网 2023-03-19
过量锌掺杂的铁氧体固废基电磁波吸收材料的制备方法

本发明公开了一种过量锌掺杂的铁氧体固废基电磁波吸收材料的制备方法,从铁氧体晶体结构的角度入手,通过过量锌原子的替位掺杂,使尖晶石结构铁氧体中A位的Fe3+在Zn2+的驱动下更多的进入B位,增加分子磁矩,极大的增强磁矩对电磁波的响应,从而改善低损耗磁芯固废的磁损耗性能,且平衡不同混合固废间的磁损耗差异,获得高性能的宽频带电磁波吸收材料及器件。本发明操作简单,生产周期短,对于设备硬件要求低,可广泛推广于各类电子电气和无线通讯设备的电磁屏蔽、抗电磁干扰、防电磁辐射等用途,具有极好的低频段电磁波吸收性能,应用非常广泛。

标签:
固废
安徽 - 合肥 来源:中冶有色网 2023-03-19
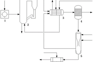
有机固废焚烧熔融无害化处理的方法和系统

本发明涉及有机固废处理技术领域,提供了一种有机固废焚烧熔融无害化处理的方法和系统。本发明先将预处理后的有机固废进行焚烧处理,实现减量化和部分无害化,焚烧处理产生的飞灰与燃料和添加剂混合进行熔融处理,实现有机固废的彻底无害化处理,焚烧处理与熔融处理产生的烟气可用于生产蒸汽和预热空气,实现资源化利用,本发明提供的方法焚烧效率高,无害化、减量化及资源化水平高,经济效益好,易于产业化推广及应用;本发明提供的系统以循环流化床焚烧炉为焚烧装置,以高温气流床为熔融装置,整个系统的运行成本低、能耗低,设备投资小,飞灰进入高温气流床熔融时不需要复杂的磨粉预处理等系统,工艺更加简单。

标签:
固废
安徽 - 合肥 来源:中冶有色网 2023-03-19
有机固废气化熔融无害化处理的方法和系统

本发明涉及有机固废处理技术领域,提供了一种有机固废气化熔融无害化处理的方法和系统。本发明先将预处理后的有机固废进行气化处理,从而实现减量化和部分无害化,气化处理产生的气化燃气、含碳飞灰和氧气、添加剂混合进行气化熔融处理,从而实现有机固废彻底无害化处理,气化熔融处理产生的中温燃气用于预热气化剂,从而提高热利用率,本发明提供的方法无害化、减量化及资源化水平高,经济效益好,易于产业化推广及应用;本发明提供的系统以循环流化床气化炉为气化处理装置,以高温气流床为气化熔融装置,整个系统的运行成本低、能耗低,设备投资小,含碳飞灰进入高温气流床时不需要复杂的磨粉预处理等系统,工艺更加简单。

标签:
固废
安徽 - 合肥 来源:中冶有色网 2023-03-19
有机固废焚烧熔融无害化处理的系统

本实用新型涉及有机固废处理技术领域,提供了一种有机固废焚烧熔融无害化处理的系统。本实用新型提供的系统包括预处理装置1、循环流化床焚烧炉2、余热回收装置3、烟气净化装置4、高温气流床5和激冷排渣机6;本实用新型提供的系统在飞灰进入高温气流床熔融时不需要复杂的磨粉预处理等系统,运行成本低、能耗低、设备投资小;利用本实用新型提供的系统可以实现有机固废的彻底无害化处理,不存在飞灰和二噁英的污染问题,并且可以副产蒸汽,使用本实用新型的系统对有机固废进行处理,具有焚烧效率高,无害化、减量化及资源化水平高,经济效益好,易于产业化推广及应用。

标签:
固废
安徽 - 合肥 来源:中冶有色网 2023-03-19
固废垃圾处理设备
固废垃圾处理设备 878     
 0

本发明涉及一种固废垃圾处理设备,包括底板架、壳体架、破碎装置和分离装置,所述的底板架上端安装有壳体架,壳体架呈梯形结构,壳体架上端安装有破碎装置,壳体架内部安装有分离装置,分离装置后侧与破碎装置相连接。本发明可以解决现有的设备在对固废垃圾进行破碎处理时,破碎效果差、破碎不均匀,不利于固废垃圾后续分离,影响固废垃圾的后续使用效果,同时现有的设备在对固废垃圾进行破碎处理时,通常是直接将破碎后的固废垃圾倒入过滤网上,导致过滤网长时间保持较大承载力的状态,使得过滤网容易发生受损的现象,而且不能够对过滤网进行更换清洗,影响过滤网的过滤效果等难题。

标签:
固废
安徽 - 合肥 来源:中冶有色网 2023-03-19
基于互联网的家禽养殖固废清理智能监控装置及方法

本发明公开了一种基于互联网的家禽养殖固废清理智能监控装置,其特征在于,包括以下步骤:S1:通过标签扫描仪识别所述固废的标签,其中,所述标签通过多个回收机构对所述固 废进行处理并贴上标签利用安装有回收监控装置的回收车辆对所述固废进行运输,所述标 签可识别不同回收机构的回收处理;S2:通过多个传感器采集固废收运车辆和所述固废的信息;S3:通过控制器控制所述多个传感器的数据采集;S4:将所述采集数据发送到监控中心进行统一的管理;以及 S5:监控中心根据所接收到的所述采集数据进行处理判别。

标签:
固废
安徽 - 合肥 来源:中冶有色网 2023-03-19
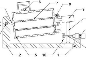
纯物理且高效的固废脱水装置及其使用方法

本发明公开了一种纯物理且高效的固废脱水装置,包括包括固废脱水装置本体,固废脱水装置本体的内壁上设置有导向槽,导向槽的内部滑动连接有限位滑块,限位滑块固定连接在脱水板的侧壁上,脱水板的板面上设置有限位槽,限位槽的内部螺接有夹环,夹环设置有两个,两个夹环的内壁上均固定连接有锥刺,且两个夹环之间设置有吸水棉芯,本发明还公开了一种纯物理且高效的固废脱水装置的使用方法,包含以下步骤:填料,振动控水,废液外排,固废外排;本发明提出的纯物理且高效的固废脱水装置在脱水板上安装吸水棉芯,通过夹环固定在脱水板上,避免脱水过程中颗粒物混入废液中导致的排水孔堵塞。

标签:
固废
安徽 - 合肥 来源:中冶有色网 2023-03-19
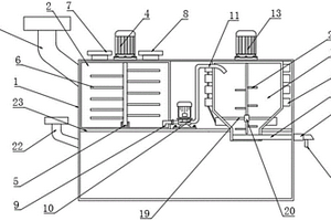
生物质类固废及危废处理装置

本实用新型公开了一种生物质类固废及危废处理装置,包括箱体,所述箱体的内部设有搅拌腔,所述箱体的侧表面固定连接有进料管,所述箱体对应搅拌腔的上表面固定连接有搅拌电机,所述搅拌腔内壁的底部固定连接有轴承。本实用新型通过进料管加注生物固废至搅拌腔中,加药口可添加消毒化学药物对生物固废进行消毒,启动搅拌电机将生物固废和消毒药物搅拌消毒,通过抽污泵将生物固废吸入到干燥腔中,液态水可通过过滤铁网的作用通过排水方管排出,干燥完毕时将拉动把手带动排水方管向右滑动,生物固废可下落到收集腔中,消毒处理过程简单快捷,通过搅拌的方式将生物固废与药物充分混合,使得杀毒作用更彻底有效。

标签:
固废
安徽 - 合肥 来源:中冶有色网 2023-03-19
智能化、撬装式等离子体危险固废处置系统

本实用新型涉及危险固废处理技术领域,具体公开了一种智能化、撬装式智能化、撬装式等离子体危险固废处置系统,其包括该处置系统危险固废进料单元、等离子体处理单元、出渣单元、烟气净化单元、参数监测采集单元和控制系统单元;其连锁控制方法包括进料过程控制、等离子体处理控制、出渣过程控制和烟气净化过程控制;本实用新型公开的智能化、撬装式等离子体危险固废处置系统,其实现了整个等离子体危险固废处置过程的自动化,并通过互联网无线传输的方式将相关运行数据、报警信号等传输至相应的用户端,使得相关人员在远程了解系统的运行情况、故障点及故障现象,同时可以做到远程协助运行及系统正常运行后的无人值守,远程监控。

标签:
固废
安徽 - 合肥 来源:中冶有色网 2023-03-19
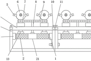
煤基固废填充用破碎混合装置

本发明涉及煤基固废利用技术领域,公开一种煤基固废填充用破碎混合装置,破碎混合装置包括可移动的底架;固定在底架上的破碎桶;安装在破碎桶内的可拆卸的散料件,用于对煤基固废进行散料导向;设置在破碎桶一侧的筛选件,筛选件上设有筛分结构,通过位于散料件下的筛分结构对破碎的煤基固废颗粒进行筛选;固定在底架且位于破碎桶一侧的混料桶,与破碎桶连接进行煤基固废粉料输送,混料桶内设有转动件。本发明破碎混合装置,对煤基固废进行可控的上料,然后通过第一斜板与第二斜板进行遮挡散料,且煤基固废物料对破碎辊的冲击较小,可往复移动的筛选结构,对无法筛分的煤基固废进行返回破碎加工,混合装置对浆料加工混合充分。

标签:
固废
安徽 - 合肥 来源:中冶有色网 2023-03-19
铁氧体固废基陶瓷吸波材料的制备方法

本发明公开了一种铁氧体固废基陶瓷吸波材料的制备方法,利用不同颗粒度的固废原料混合,并加入导电炭黑作为修饰。通过惰性气氛中的两段热处理,以亚微米细晶在大晶粒晶界间的优先生长,结合炭黑纳米颗粒的钉扎,形成固废基晶界的致密结构和炭黑的嵌入式界面。该嵌入式致密吸收体结构解决了固废基吸波材料因晶粒尺寸差异而形成的空气隙通病,同时通过导电炭黑的活性基团激活了晶界的界面介电弛豫,抵消了混合固废的磁损耗差异且避免了涡流损耗,从而获得高性能的低频段吸波材料及器件。本发明原料价格低廉且工艺简单,可广泛应用于铁氧体磁芯固废的环保循环利用。

标签:
固废
安徽 - 合肥 来源:中冶有色网 2023-03-19
用于固废资源化利用的一体化破碎装置及其工作方法

本发明公开了一种用于固废资源化利用的一体化破碎装置及其工作方法,包括破碎箱体,破碎箱体的两端分别设有进料通道和出料通道,所述破碎箱体内设有破碎装置筒体,破碎装置筒体外部设有牵引装置,破碎装置筒体和破碎箱体之间设有限位削,破碎装置筒体内设有多个破碎辊筒,破碎装置筒体上部设有自动进料窗口,破碎装置筒体下部设有筛选装置。本发明工作时,固废进入进料通道,自动进料窗口打开进入破碎装置筒体内,破碎装置筒体在转动链的作用下自动旋转,而破碎辊筒在电动执行机构下作用对固废进行碾压破碎,达到一定程度后,符合粒径的固废颗粒经过筛选装置进入出料通道后到达收集箱,而大粒径的固废再次进入破碎系统循环破碎。

标签:
固废
安徽 - 合肥 来源:中冶有色网 2023-03-19
等离子体危险固废处置系统及连锁控制方法

本发明涉及危险固废处理技术领域,具体公开了一种等离子体危险固废处置系统及连锁控制方法,其包括该处置系统危险固废进料单元、等离子体处理单元、出渣单元、烟气净化单元、参数监测采集单元和控制系统单元;其连锁控制方法包括进料过程控制、等离子体处理控制、出渣过程控制和烟气净化过程控制;本发明公开的等离子体危险固废处置系统,其实现了整个等离子体危险固废处置过程的自动化,并通过互联网无线传输的方式将相关运行数据、报警信号等传输至相应的用户端,使得相关人员在远程了解系统的运行情况、故障点及故障现象,同时可以做到远程协助运行及系统正常运行后的无人值守,远程监控。

标签:
固废
安徽 - 合肥 来源:中冶有色网 2023-03-19
多元煤基固废复合酸激发井下充填材料及其制备方法

本发明本发明涉及矿井填充材料领域,公开一种多元煤基固废复合酸激发井下充填材料及其制备方法,充填材料包括胶凝材料5‑40wt%、细骨料20‑55wt%与粗骨料40‑75wt%,所述胶凝材料包括水泥、脱硫石膏、醋酸与水,所述细骨料包括气化渣与粉煤灰,所述粗骨料包括煤矸石与炉底渣。本发明以复合多元煤基固废为主要原材料,辅掺超细硅酸盐水泥为反填充材料,以醋酸为激发剂,制备一种环境友好型多元煤基固废复合酸激发井下充填材料,该充填材料的研发不仅能够实现多元煤基固废的大规模安全消纳与资源化利用,有效缓解多元煤基固废造成的环境污染问题,还能实现采空区的回填,有效防止采空区塌陷所造成的一些列环境与经济问题。

标签:
固废
安徽 - 合肥 来源:中冶有色网 2023-03-19
树脂强化的铁氧体固废基宽频带电磁波吸收体的制备方法

本发明公开了一种树脂强化的铁氧体固废基宽频带电磁波吸收体的制备方法,首先通过洗涤、分散、过滤、磁性分离等步骤提纯软磁铁氧体固废,然后对提纯的铁氧体固废晶粒进行修饰改性,随后将其与树脂复合制备获得力学性能与吸波性能俱佳的电磁波吸收体。本发明从固废循环利用的角度,通过树脂在铁氧体固废晶界上的复合和强化,并引入界面偶极增强介电损耗,从而平衡固废品类带来的性能差异,改善界面阻抗匹配和宽频带电磁波吸收性能,同时增强电磁波吸收体的力学性能和热力学稳定性。

标签:
固废
安徽 - 合肥 来源:中冶有色网 2023-03-19
大宗固废水洗装置及操作方法

本发明提供了一种大宗固废水洗装置及操作方法,该装置包括主体装置和控制系统,主体装置包括水洗箱、搅拌器、pH传感器、吸附板、可移动支撑架和溶液收集器,工作时,将碾碎的固废倒入水洗箱,然后进行水洗,并利用搅拌器搅拌,水洗溶液通过吸附板渗入溶液收集器,当水洗溶液pH值接近中性时,水洗完成。该水洗装置结构简易,功能齐全,操作方法简单、巧妙,其发明符合中国绿色发展理念,大大提高了大宗固废的预处理效率,对于促进大宗固废资源化利用具有重要的工程实际意义。

标签:
固废
安徽 - 合肥 来源:中冶有色网 2023-03-19
上一页 31 32 33 34 35 ... 37 下一页
共37页    到第

中冶有色为您提供最新的安徽合肥有色金属固/危废处置技术理论与应用信息,涵盖发明专利、权利要求、说明书、技术领域、背景技术、实用新型内容及具体实施方式等有色技术内容。打造最具专业性的有色金属技术理论与应用平台!

全国热门有色金属设备推荐
展开更多 +
全国热门有色金属技术推荐
展开更多 +

 

江西省隆恩特环保设备有限公司
宣传

报名参会
更多+

报告下载

有色专家
更多+

南昌航空大学
副院长/教授
中国矿业大学
教授
重庆理工大学
教授
北京工业大学、中国工程院
中国工程院 院士
昆明工学院
教授(博士生导师)
赤泥综合利用研究报告2025
推广

热门技术
更多+

推荐企业
更多+

福建省金龙稀土股份有限公司
宣传

发布

在线客服

公众号

电话

顶部
咨询电话:
010-88793500-807