青岛垚鑫智能科技有限公司
宣传

位置:中冶有色 >

有色技术频道 >

分类:
全部
矿山技术
冶金技术
材料制备及加工技术
环境保护技术
分析检测技术
 
全部
废水处理技术
大气治理技术
固/危废处置技术
土壤修复技术
地区:
全部
北京
天津
上海
重庆
河北
山西
辽宁
吉林
黑龙江
江苏
浙江
安徽
福建
江西
山东
河南
湖北
湖南
广东
海南
四川
贵州
云南
陕西
甘肃
青海
内蒙
广西
西藏
宁夏
新疆
其他
其他
展开
 
全部
其他

其他有色金属环境保护技术理论与应用

免费发布技术信息>>
使用中性酶预蒸煮连续生产用于点心和玉米粉圆饼的速食玉米粉

使用木聚糖酶、内淀粉酶和内蛋白酶作为加工助剂通过酶预蒸煮来连续生产预蒸煮和部分脱麸玉米粉。使用内酶溶液的低温和中性-PH预蒸煮实现了部分麸皮水解,同时避免了过度的预糊化,降低了洗涤和废水中的玉米固体损耗。然后稳定含水量,接着研磨和在高温和短时干燥来产生磨碎的核仁中受控的糊化和变性,冷却并进一步干燥干燥-磨碎的颗粒。从较粗的颗粒分离和回收细粒子尺寸或细粉,还将粗颗粒隔离来分离部分水解的麸皮部分,用于完整的粉或动物饲料膳食,再次研磨并过筛较粗的颗粒来产生用于点心的速食玉米粉,并将细颗粒与石灰混合来获得用于玉米粉圆饼和其他玉米食品的湿润粉糊粉。

标签:
固废
其他 - 其他 来源:中冶有色网 2023-03-19
放射性聚乙烯醇产品的处置和净化

本发明公开了用于使在核电厂使用的由聚乙烯醇(PVA)制备的一次性防护产品净化至低于最低可检测活性(MDA)的方法和设备。在所公开的方法和设备中,将由核电厂产生的由PVA制备的固体防护产品溶解于液体中,然后将其净化至小于MDA。将采用这种方式净化的PVA溶液浓缩至合适的浓度或干燥,最后经历自处置。该方法可从根本上阻断可燃废物的产生量,达核电厂的低等和中等水平废物的50%或以上,从而显著引起减少核电厂的操作成本。本发明进一步涉及用于自处置由常规的聚乙烯醇(PVA)制造的一次性防护产品的方法和设备,通过使通过浓缩产生的PVA溶液热解/催化氧化,并在工厂内处理净化的PVA溶液。在水中,将PVA防护产品溶解/浓缩/氧化,以首先除去有机物,然后,通过使用小型热解/催化氧化反应器,将PVA溶液中的PVA材料完全氧化为CO2和H2O。

标签:
固废
其他 - 其他 来源:中冶有色网 2023-03-19
用于通过吸附剂静电分离过量喷涂物的方法和装置

一种用于从涂敷设备—尤其涂漆设备—的携带过量喷涂物的室废气中分离过量喷涂物的方法,由空气流携带过量喷涂物并且输送到静电工作的分离装置(42;1042;2042)。在分离装置中至少大部分来自过量喷涂物的固体在至少一个分离面(46、48;1046、1048;2046、2048;3046、3048;5046、5048)上被分离。使用导电的材料或材料混合物作为分离剂,该分离剂涂覆在分离装置(42;1042;2042)的至少一个分离面(46,48;1046,1048;2046,2048;3046,3048;5046,5048)上,并且在处于分离装置(42;1042;2042)的工作温度时该分离剂具有类似于蜡的粘度。本发明还涉及具有类似于蜡的材料的分离装置(42,;1042;2042)和用于物体涂敷的系统。

标签:
固废
其他 - 其他 来源:中冶有色网 2023-03-19
从酸溶液中提取或回收酸的方法和装置

本发明提供一种提取或回收酸的方法,特别是通过高温水解处理和随后吸收和/或冷凝在吸收水溶液中如此形成的气体而从含有金属的氢氟酸、盐酸和硝酸溶液中提取这些酸的方法,在该方法中产生的固体被去除,其特征在于在高温水解之前首先将酸洗废液预浓缩。

标签:
固废
其他 - 其他 来源:中冶有色网 2023-03-19
用于制备冷粘结人工骨料的组合物及制得的冷粘结人工骨料

本发明提供了一种用于制备冷粘结人工骨料的组合物,其包括常见的固体废弃物水泥混凝土灰浆以及垃圾焚烧炉渣作为组成成分。本发明还提供了由所述组合物制得的冷粘结人工骨料及其制备方法。本发明提供的冷粘结人工骨料具有工业固体废弃物利用率高、性能良好等优点,生产过程具有工业推广的可行性,大大促进了环境保护和资源循环利用的理念,具有良好的应用前景。

标签:
固废
其他 - 其他 来源:中冶有色网 2023-03-19
带有横向传送系统的水平取向气化器

本发明描述一种用于将包括市政固体废物的含碳原料通过气化转化为产物气体的高效转化的方法和装置。更特别地,提供一种具有一个或多个用于移动材料使之通过气化器的横向传送系统的水平取向气化器,从而允许气化过程的横向扩展,使得实现原料干燥、挥发和烧焦物至灰分转化的相继改善。

标签:
固废
其他 - 其他 来源:中冶有色网 2023-03-19
用于预处理的浆状残留物的催化油化反应的带有液压垫片的油料反应器真空泵及其方法

本发明描述了一种用于两阶段的含碳氢化合物的残留物的扩散-催化转换的方法和装置,在第一阶段,温度为120-200℃,利用发电机的废热进行加热以便将固体原料转换为反应浆液,在第二阶段,通过采用一个或多个油料反应真空泵的转换过程,将反应浆液转换为中间馏分,油料反应真空泵的内部覆有涂层而且配有液压垫片。

标签:
固废
其他 - 其他 来源:中冶有色网 2023-03-19
循环式流化床反应器及其操作方法

本发明涉及一种循环流化床反应器,其具有其内包含冷却元件的基本竖直的壁,所述的竖直壁限定了反应器反应室(14)的内部。用于将粒状原料与废气分离的分离器与所述反应器反应室的上部相连。一个回收孔(26)与分离器相连。一个沸涌式流化床(28′)与反应器相邻并提供有热交换的装置。在所述沸涌式流化床反应室与反应器反应室之间提供一个对固体有密封作用的排放通道(38)。该排放通道的上部有一个开口用于保证粒状原料被从上部排放。本发明还涉及一种用于操作一个循环流化床反应器的方法,该循环式流化床反应器在沸涌式流化床与反应器反应室之间有一个排放通道。冷却的粒状原料被从所述沸涌式流化床的下部排进排放通道的下部。粒状原料在排放通道内被流化且被从上部引入反应器反应室。

标签:
固废
其他 - 其他 来源:中冶有色网 2023-03-19
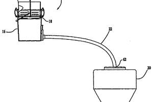
混凝土回收设备
混凝土回收设备 1022     
 0

一种设备(10),其用于从冲淡的湿混凝土混合物中分离固体,具有:(A)有排水口(24)和上开口(26)的自由固定的第一储存器(16);(B)放置在第一储存器(16)内的过滤器(18);(C)排水口截止阀(56);(D)能为回收液体提供蓄水能力的第二储存器(20);和(E)允许废物从第一储存器(16)的排水口(24)由重力作用排到第二储存器(20)的传递导管(22)。

标签:
固废
其他 - 其他 来源:中冶有色网 2023-03-19
用于生产建材的材料、方法及装置

为了经济利用至今作为废料的韧皮纤维植物的亚麻屑,其生产建材所采用的是韧皮纤维植物并有某种粘合剂时,根据使用目的,来自韧皮纤维物的亚麻屑皆与纤维处于混杂状态,没有完全脱离出来的纤维可能与亚麻屑处于自然连联状态。这些纤维的侧部均无规则地与亚麻屑分离,并且纤维的长度在2—100m范围。亚麻屑自由纤维和/或未能完全脱离纤维的亚麻屑,按照适当的撕开和配料,被送往一台液体添加料的加料装置上和/或进入固体加料的散射系统,接着,成纤维网和饼块状被散逸出,在此可以通过气流进行机械缩绒。

标签:
固废
其他 - 其他 来源:中冶有色网 2023-03-19
墙面节能装饰板及其制作方法

本发明涉及一种墙面节能装饰板及其制作方法,墙面节能装饰板由以下重量份数的原料制成:水泥10-20,粉煤灰50-55,水10-20,玻璃纤维网2-3,高分子聚合物3-5,发泡剂0.1-0.5,引气剂0.01-0.1,稳泡剂0.01-0.5,辅料6-12;其中墙面节能装饰板的制作方法包括以下步骤:混合、制浆、成型、蒸压、养护以及饰面。本发明的有益效果为:减少消耗矿产资源的同时,也消耗电力工业所产出的固体废料;原料价格相对较低,制作工艺简单,节约成本;保温隔热、防水(吸水率低)、质量更轻、在高温明火中不燃烧且不释放任何气体、导热系数极低,抗冲击性能强;产品使用范围广。?

标签:
固废
其他 - 其他 来源:中冶有色网 2023-03-19
工艺水净化的工艺和设备

用于在按照固定床压力气化和熔渣浴气化工艺气化固体含碳废料的工艺中,冷却和清洗生成的气体时产生的工艺水的工艺水净化工艺和设备。此工艺水,以稠焦油-焦油-酚水混合物的形式产生,在两个平行安装、独立的、其中每种情况下只有一个以所有量的待过滤产物运行的回冲过滤器系统。将该回冲过滤器体系中的过滤器残渣导入一个与低压气体系统接通的捣碎容器中,在此用冲洗水和搅拌器悬浮和稀释。高硬度粗料(金属,石头等)通过重力沉积作用沉积在捣碎容器的最下部。将捣碎的过滤器残渣粉碎,一分流为提高液流的涡流度而沿切线方向返回入捣碎容器。另一分流在过滤阶段之前返回至工艺水流中。然后,工艺水用已知方法进一步处理。本发明的突出之处除了一系列其它优点外,是没有对环境加重负担的气态物质排到大气中。

标签:
固废
其他 - 其他 来源:中冶有色网 2023-03-19
由硫酸法的分解残留物制备二氧化钛的方法

本发明涉及一种用于从分解残留物制备获得二氧化钛的方法,该分解残留物是作为传统的制备二氧化钛的硫酸法的废弃物得到的。本发明特别涉及从制备二氧化钛的硫酸法的分解残留物制备获得二氧化钛的方法,其包括下列步骤:(a)分解残留物与硫酸和任选其他的含钛的原料以如下方式混合,即60-100重量%所加入的二氧化钛为分解残留物的形式,而0-40重量%所加入的二氧化钛为传统使用的原料的形式;(b)加入发烟硫酸或水或稀硫酸开始分解反应;(c)溶解所得到的反应产物;(d)从液相分离未溶解的固体物质;(e)从液相制备获得二氧化钛。

标签:
固废
其他 - 其他 来源:中冶有色网 2023-03-19
芳族羧酸的连续生产方法

所公开的是一种改进的连续生产芳族羧酸如对苯二甲酸的方法。该方法是将烷基芳族化合物用含氧气体进行液相氧化。过程的操作通过在或接近柱形氧化反应器顶部喷入循环反应介质得到改进,它使得在工艺废气中夹带出的反应器中的液体和/或固体组分减少到最低限度。

标签:
固废
其他 - 其他 来源:中冶有色网 2023-03-19
用于制造颗粒的吸着剂的方法和实施此方法的设备

本发明涉及制造颗粒吸着剂的方法以及实施该 方法的设备。本发明涉及的核心在于,在混合器中用无废 弃物的氢氧化铝和锂盐的固体相获得分子式为LiCl·2Al(OH)3·nH2O(DHAL-CL)的铝和锂的双氢氧化物,接着在离心研磨机-活化器中连续地活化晶体形式的DHAL-Cl以获得缺陷的材料结构。产生的产品用氯化的聚氯乙烯作结合剂与液体的氯混合。通过挤压产生膏糊并且接着细化成颗粒进行造粒。混合后构成甲基氯。用高沸点的有机液体作吸着剂截取甲基氯。在接触相的对流中用理想的渗滤工作方式从牵引气体流中的材料流引出甲基氯蒸汽。在加热用过的吸着剂过程中用热法分两个阶段进行甲基氯回收。通过封闭的材料循环所述方法以比现有技术显著地减轻环境污染为特征。颗粒的吸着剂特别适用于从氯盐中提取锂,相应矿化的提取率为95%。

标签:
固废
其他 - 其他 来源:中冶有色网 2023-03-19
用于调节电弧炉一氧化碳排放的方法和装置

本发明涉及一种用于调节电弧炉的一氧化碳排放的方法和装置,该电弧炉具有炉缸、用于以固体声测量为基础确定在炉缸的至少三个区域内的泡沫渣的高度的机构、至少一个用于调节氧输入的第一装置和至少一个用于调节碳添加到炉缸中的第二装置。确定在所述至少三个区域中的每个区域内的泡沫渣的高度并且配属于电弧炉废气中的一氧化碳含量,其中这样调节在所述至少三个区域的至少一个区域内的碳添加和/或氧输入,使泡沫渣的高度保持在最大值以下。

标签:
固废
其他 - 其他 来源:中冶有色网 2023-03-19
通过激光雕刻制造柔性版印版的方法

本发明涉及一种通过直接激光雕刻来制造柔性版印版的方法,在该方法中,通过抽吸装置吸收雕刻过程中产生的微粒和气态降解产物,通过由至少一个固体颗粒过滤器和至少一个氧化操作的净化级构成的组合来净化满载降解产物的废气流。

标签:
固废
其他 - 其他 来源:中冶有色网 2023-03-19
用于产生氢和电的热还原气化方法

用于从废有机材料产生合成气的装置,所述装置由热还原气化反应器组成,所述反应器是具有用于气化有机材料的干燥和挥发区以及用于将气化的有机材料转变成合成气的转化区的旋转反应器。将固体废有机材料进料到反应器,该反应器将所述固体材料加热到约600℃至约1000℃的温度。由所述装置产生的合成气基本是氢和一氧化碳。将所述装置与发电系统组合用于制造净化的氢和电。备选地,可以将所述合成气用作氢源。将所述合成气净化,将所述组成改变成富集氢的内容物,并且将所述氢从其它补充所述合成气的气体离析出。备选地,可以将所述合成气发酵形成有机醇和有机酸。

标签:
固废
其他 - 其他 来源:中冶有色网 2023-03-19
堆肥生物处理方法
堆肥生物处理方法 772     
 0

本发明公开了一种固体废弃物的堆肥生物处理方法。该方法通过在堆肥处理过程添加木屑和粉煤灰,有效地降低了堆肥中生物有效态重金属的浓度。

标签:
固废
其他 - 其他 来源:中冶有色网 2023-03-19
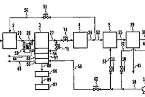
灰渣熔化炉设备和将灰渣供入熔化炉的方法

在对待供入炉内的灰渣进行预处理的路线中,设置一台干燥分选机,它具有由灰渣中去除大于预定尺寸的固体颗粒的分离功能和将灰渣干燥的干燥功能,及一台由已干燥的灰渣尘中去除金属的磁选机。此外配置有一根干燥空气管道,用于将由灰渣熔化炉所排出废气经热回收的高温空气引入干燥分选机。因而通过具有分离和干燥功能的干燥分选机,可简化炉尘预处理工艺并减小设备所占空间。

标签:
固废
其他 - 其他 来源:中冶有色网 2023-03-19
用于取代烧煤工厂中的煤的工程燃料原料

公开了新型工程燃料原料、由所述过程生产的原料以及制造该燃料原料的方法。由处理过的城市固体废物流衍生的组分可用于制造这类实质上不含玻璃、金属、砂砾和不燃物的原料。这些原料具有多种用途,其中包括与煤的共同燃烧以及作为煤的替代物。

标签:
固废
其他 - 其他 来源:中冶有色网 2023-03-19
包含有机成分的淤浆的厌氧净化方法和设备

本发明涉及一种对包含有机成分的淤浆进行厌氧净化的方法,要被处理的淤浆被周期性或连续地输送到一充满混合物基本上封闭的反应器(2)内,迫使淤浆与来自反应器的混合物(3)混合,反应器内的混合物经历向上运动,进行水解处理。通过注入低氧气体,来自反应器的混合物在浮选室内浮集,诸如来自反应器的沼气以及所形成的固体浮动层返回到反应器内的混合物中,在加工中所形成的低颗粒液体作为废水被排出。本发明也涉及一种使用符合本发明方法的设备。

标签:
固废
其他 - 其他 来源:中冶有色网 2023-03-19
用于处理包含氯硅烷的液体的装置和方法

本发明提供了一种用于处理包含至少一种氯硅烷的液体的方法,所述方法包含汽化所述液体,通过在洗涤室内与碱性介质接触来处理经汽化的液体,以获得pH为9至13的洗涤液,并随后在废水处理装置中对从洗涤室中移出的洗涤液进行处理,其中,添加酸以将pH设定为6-9,并通过离心从所述洗涤液中分离出固体。

标签:
固废
其他 - 其他 来源:中冶有色网 2023-03-19
用于从金伯利岩尾矿制备硅酸钠的方法

在本发明中,公开了一种用于从在钻石开采中作为固体废物产生的金伯利岩尾矿制备硅酸钠的方法。所述方法包括将金伯利岩尾矿与无机酸反应以除去酸溶性杂质,随后在敞开或封闭系统中,用碱溶液煮解酸处理的金伯利岩尾矿以得到用于商业应用的硅酸钠。

标签:
固废
其他 - 其他 来源:中冶有色网 2023-03-19
从含有溶解的贱金属的石油焦炭浆液中回收钒

公开了从烃油加氢处理用废浆液催化剂中回收钒的方法。在一个实施方案中,在脱油之后,用氨和空气处理废催化剂形成浸提浆液。该浸提浆液随后用絮凝剂处理。在固-液分离回收含有焦炭和偏钒酸铵的固体残渣之后,用硫酸铵溶液洗涤该固体残渣并用热水浸提。在固-液分离回收含偏钒酸铵的溶液之后,使偏钒酸铵从浸提溶液中结晶并纯化。

标签:
固废
其他 - 其他 来源:中冶有色网 2023-03-19
提高静态精度的λ探测器

本发明涉及一个用于确定在测量气体室(112)里面的气体的至少一个物理参数的传感器元件(110),尤其用于确定内燃机废气中的气体组分分量。该传感器元件(110)具有至少一个第一电极(114)、至少一个第二电极(118)和至少一个使第一电极(114)和第二电极(118)连接的固体电解质(116)。第二电极(118)设置在至少一个电极空腔(120)里面。该传感器元件(110)具有至少一个气体输入路径(122),通过它以来自测量气体室(112)的气体加载电极空腔(120)。该气体输入路径(122)具有至少一个包括至少一个多孔流动屏障(126)的第一段(124)和至少一个包括至少一个扩散通道(136)的第二段(130)。在此第一段(124)和第二段(130)串联。第一段(124)具有第一扩散阻力,所述气体输入路径(122)具有总扩散阻力。第一扩散阻力是总扩散阻力的20%至80%。

标签:
固废
其他 - 其他 来源:中冶有色网 2023-03-19
具有两种不同类型燃料电池的燃料电池发电系统和其控制方法

固体氧化物燃料电池组(57)通过氧与重整气体(27)(由天然气(1)通过重整器(3)制成)中的氢或氢和一氧化碳的电化学反应发电,并将废热和包含蒸汽的阳极排出气体(61)供给至重整器(3)。通过重整器(3)产生的重整气体(27)通过CO转化器(4)和CO选择氧化器(5)降低其CO浓度。聚合物电解质燃料电池组(9)通过氧与重整气体(38)中氢的电化学反应发电,所述重整气体通过CO选择氧化器(5)释放,其CO浓度降低,水分通过冷凝器(39)冷凝。

标签:
固废
其他 - 其他 来源:中冶有色网 2023-03-19
过滤装置
过滤装置 973     
 0

过滤装置尤其在废水净化和水处理中用于从液体中分离出未溶解的物质。该过滤装置可旋转地布置在一个容器(2)里并由所要过滤的液体包围。过滤装置(1)由多个相互间隔距离的过滤元件(6)组成,该过滤元件组合成一个转筒过滤器。滤出液在过滤元件(6)的周围被导出。本发明的任务是避免在过滤过程中在过滤器上粘附固体物体。这可以如下来实现:转筒过滤器在中间具有一个空腔,并在该空腔里装有一个通风装置(8),以便使过滤装置旋转。通过向上流动的空气液体混合物使过滤器在过滤过程中连续地得到清洗。

标签:
固废
其他 - 其他 来源:中冶有色网 2023-03-19
从糖中分离酸的方法
从糖中分离酸的方法 1030     
 0

本发明公开了一种分离来自液体的酸和糖的方法,所述液体通过包含纤维素和半纤维素中的至少一种的物质的酸水解而得到,该方法包括:将该液体加入包括阴离子交换或排斥色谱材料床的分离装置中,这样酸就吸附到该色谱材料上,由此得到包含糖溶液的一系列第一级分和包含酸溶液的随后系列级分。本发明还公开了一种从市政固体废物和其它纤维素类原料中经济地、能量上有效率地生产乙醇的方法。

标签:
固废
其他 - 其他 来源:中冶有色网 2023-03-19
直接熔炼设备
直接熔炼设备 1181     
 0

一种直接熔炼设备包括:熔炼容器,固体供给装置,气体喷射装置。该设备分为4个功能区域,这些区域绕容器周向间隔分布,从容器向外延伸;氧化气体输送管道装置和废气管道装置在第一区内延伸,排出金属装置和排出金属液流槽设置在第二区;排渣装置和排渣液流槽位于第三区。卸渣装置和卸渣液流槽位于第四区域。这个布置减小了热气体、含金属供给材料和熔融金属与熔渣之间的干扰。

标签:
固废
其他 - 其他 来源:中冶有色网 2023-03-19
上一页 25 26 27 28 29 ... 117 下一页
共117页    到第

中冶有色为您提供最新的其他有色金属环境保护技术理论与应用信息,涵盖发明专利、权利要求、说明书、技术领域、背景技术、实用新型内容及具体实施方式等有色技术内容。打造最具专业性的有色金属技术理论与应用平台!

全国热门有色金属设备推荐
展开更多 +
全国热门有色金属技术推荐
展开更多 +

 

江西省隆恩特环保设备有限公司
宣传

报名参会
更多+

报告下载

有色专家
更多+

矿冶科技集团有限公司
党委书记 / 董事长
中南大学
院长/教授
云南锡业集团(控股)有限责任公司
副总经理
北京工业大学、中国工程院
中国工程院 院士
中铝郑州有色金属研究院有限公司
党委书记 董事长
赤泥综合利用研究报告2025
推广

热门技术
更多+

推荐企业
更多+

福建省金龙稀土股份有限公司
宣传

发布

在线客服

公众号

电话

顶部
咨询电话:
010-88793500-807