青岛垚鑫智能科技有限公司
宣传

位置:中冶有色 >

有色技术频道 >

> 新能源材料技术

分类:
全部
矿山技术
冶金技术
材料制备及加工技术
环境保护技术
分析检测技术
 
全部
功能材料技术
复合材料技术
新能源材料技术
合金材料技术
加工技术
地区:
全部
北京
天津
上海
重庆
河北
山西
辽宁
吉林
黑龙江
江苏
浙江
安徽
福建
江西
山东
河南
湖北
湖南
广东
海南
四川
贵州
云南
陕西
甘肃
青海
内蒙
广西
西藏
宁夏
新疆
其他
其他
展开
 
全部
杭州
宁波
温州
绍兴
湖州
嘉兴
金华
衢州
台州
丽水
舟山

浙江杭州有色金属新能源材料技术理论与应用

免费发布技术信息>>
新能源汽车驱动、制动、转向一体化系统

本实用新型公开了一种新能源汽车驱动、制动、转向一体化系统,转矩传感器和角度传感器采集电机在方向盘上产生的转矩和角度信息,传输总线负责上位机和各个系统部分的通信,线控传输系统负责对制动能量回收控制模块、左右车轮电机控制模块的信息传输,车轮驱动电机可以对换向器输入合并动力。在车轮和换向器处安装有转矩传感器和角度传感器,实时采集路面信息反馈回方向盘的现实状况比较,通过PID校正实时输出,给司机模拟真实的路感信息。进一步的,可以在汽车的前后均布置本实用新型的驱动、制动、转向一体化系统,从而实现车体灵活转向、稳定制动,能量高效回收以及整车智能化的推广。

标签:
新能源
浙江 - 杭州 来源:中冶有色网 2023-03-18
具有减震功能的新能源汽车电池箱

本实用新型公开了一种具有减震功能的新能源汽车电池箱,包括电池箱,所述电池箱的其中两侧对称固定有第一固定块,所述电池箱的另外两侧对称固定有第二固定块,所述第一固定块和第二固定块的内部开设有多个定位孔,所述定位孔的两侧对应于第一固定块和第二固定块的底部对称开设有固定槽,所述固定槽的内部设置有固定柱,所述固定柱与固定槽为固定状态,所述固定柱的内部固定有硅胶块,所述电池箱的底部设置有安装座;通过设计的固定柱,使硅胶块与电池箱之间通过固定柱固定,通过设计的硅胶块、卡槽,使第一固定块和安装座之间形成一定的高度,避免工作人员用力过大使第一固定块产生损坏,从而增加连接稳定性。

标签:
新能源
浙江 - 杭州 来源:中冶有色网 2023-03-18
新能源汽车两驱底盘测功系统

本实用新型涉及汽车性能检测技术领域,公开了一种新能源汽车两驱底盘测功系统,包括处理器与处理器连接的控制装置、与控制装置连接的加载装置、与加载装置连接的滚筒装置,加载装置通过变速器与滚筒装置连接,加载装置上设有力传感器,滚筒装置上设有第一转速传感器和第一转矩传感器,滚筒装置上还设有与处理器连接的过载检测模块和与过载检测模块连接的报警模块,滚筒装置包括主动滚筒和从动滚筒,主动滚筒与加载装置连接,从动滚筒的一端设有与从动滚筒连接的反托电机;还包括数据采集模块、与数据采集模块连接的数据存储模块,第一转速传感器、第一转矩传感器、力传感器与数据采集模块连接。本实用新型测试精准,使用的安全性高。

标签:
新能源
浙江 - 杭州 来源:中冶有色网 2023-03-18
应用于新能源汽车的广告设备

本发明涉及广告设备技术领域,且公开了一种应用于新能源汽车的广告设备,包括:车体,所述车体的上表面固定安装有固定框,固定框内部的下端固定安装有固定架,固定架的正面活动安装有涡轮,涡轮的内部固定安装有支架,右侧支架的正面活动安装有活动块,活动块的外表面滑动连接有活动框,活动框的上端固定安装有连接块,连接块的上端固定安装有卡框,卡框的内部滑动连接有固定块,固定块的背面固定安装有广告牌本体。通过涡轮、支架与活动块的配合使用,可以利用自然风为动力源,不需要外界电源等带动,节约了电能,实现了节能减排、节约成本的效果,且构思巧妙,方便了使用。

标签:
新能源
浙江 - 杭州 来源:中冶有色网 2023-03-18
基于物联网的新能源飞行汽车充电系统

本发明涉及一种基于物联网的新能源飞行汽车充电系统,包括飞行汽车、基架、转向板、防护架、折叠机构、柔性框、太阳能电池板、擦拭机构和一号液压缸;转向板的中部空槽内安装有多组柔性框,柔性框与折叠机构传动连接且柔性框的内侧均匀安装有柔性材质太阳能电池板。本发明的有益效果是:本发明通过使太阳能电池板主动弯曲折叠成弧面形状,可在吸收直射角度太阳光的同时,对太阳能电池板表面折射及漫反射的太阳光进行二次的吸收利用,提升阳光的汇聚程度,进一步提升单位面积内太阳光的有效利用率和太阳能电池板的发电能力。

标签:
新能源
浙江 - 杭州 来源:中冶有色网 2023-03-18
新能源汽车变速器及该变速器的防护壳体

本发明涉及变速器领域,尤其涉及一种新能源汽车变速器及该变速器的防护壳体,包括有下保护壳、上保护壳、安装圆盘一、安装圆盘二、安装圆盘三等;下保护壳顶部通过紧固件连接的方式连接有上保护壳,上保护壳与下保护壳之间通过过盈配合的方式连接有安装圆盘一,上保护壳与下保护壳之间通过过盈配合的方式连接有三个安装圆盘二,安装圆盘三同样通过过盈配合的方式连接于上保护壳与下保护壳之间。通过设置的叶轮,能够在挂挡过程中利用液压转换成动力势能进而切换动力传递,使得传递至输出轴的转动速度逐渐加快,输出轴输出速度逐渐加快,从而达到使汽车变速的目的。

标签:
新能源
浙江 - 杭州 来源:中冶有色网 2023-03-18
新能源汽车轻量化前端框架

本发明公开了一种新能源汽车轻量化前端框架,包括水箱上横梁、水箱下横梁和调整结构,调整结构设有两组,对称分布在水箱上横梁和水箱下横梁之间,用于调节水箱上横梁的高度,水箱上横梁与水箱下横梁间设有强化结构,用于对装置进行结构强化,本发明通过设置有调整结构,在汽车平台化开发中对前端框架的水箱上横梁的高度进行调节,以适应更多型号的汽车前端模块,同时通过设置可以根据水箱上横梁的调节而调节的强化结构来对变化后的前端框架进行强化固定,进一步提高了装置的可适用性。

标签:
新能源
浙江 - 杭州 来源:中冶有色网 2023-03-18
新能源汽车电池回收环保污水处理装置

本发明公开了一种新能源汽车电池回收环保污水处理装置,处理箱内固定有储水池,处理箱顶部固定有储药箱,储药箱底部开设有与处理箱内部相通的投药孔,投药孔连接有输药管,输药管的一端设置在储药箱的上方,储水池底部连接有排水管,排水管贯穿储水池,排水管顶部设有网筛,网筛内设有筛布一,储水池底部螺纹配合有收集柱,收集柱上开设有圆槽,排水管远离储水池的一端设置在圆槽内,排水管上固定有两挡板,挡板与圆槽所适配,两挡板上开设有若干交错开的排水孔一,排水孔一上固定有筛布二,收集柱的顶部侧壁上开设有若干与圆槽相通的排水孔二,解决了污水中会携带大量金属沉淀物与杂物和污水呈酸性无法直接进行排放的问题。

标签:
新能源
浙江 - 杭州 来源:中冶有色网 2023-03-18
用于收集波浪能的新能源装置

本发明公开了一种用于收集波浪能的新能源装置,包括机身,所述第一浮板和所述第二浮板随着波浪上下浮动准备进行蓄能,所述推板上下滑动带动所述第一摇杆上下摇动进行蓄能,第二摇杆摇动带动第二摇杆底座转动进行蓄电,设计了动力功能、蓄力功能、运动功能,动力功能可以将波浪起伏的动力差收集起来进行再生能源,蓄力功能可以将波浪能转化为机械能再转化为电能,运动功能可以将改变整个机身的运动方向,方便于回收机器,在机身上设计了灯,可以在夜间作业时便于找到装置位置,以免丢失。

标签:
新能源
浙江 - 杭州 来源:中冶有色网 2023-03-18
新能源油电双动力输入齿轮箱

本发明公开了一种新能源油电双动力输入齿轮箱,涉及动力传递齿轮箱领域;由柴油机连接带动的输入联轴节与输入轴的一端相连接,输入轴的另一端固装有主油泵,主动齿轮空套在输入轴上,在输入轴上固装有离合器;主动齿轮与固装在输出轴上的输出齿轮相啮合,输出轴的端部装有输出联轴节向外界输出动力;固装在箱体上的电机通过电机联轴节与电机轴的一端相连,电机轴的另一端装有电机油泵,电机主动齿轮空套在电机轴上并与输出齿轮相啮合;电机轴上固装有电机离合器。本发明的有益效果为:实现柴油机、电机独立驱动齿轮箱,或共同驱动齿轮箱;在当前对环保及节能具有更高标准的形势下,充分利用电能,达到结构紧凑,效率高的目的。

标签:
新能源
浙江 - 杭州 来源:中冶有色网 2023-03-18
新能源汽车分布式驱动智能化热管理系统

本发明公开了一种新能源汽车分布式驱动智能化热管理系统,包含一个电机散热单元、一个座舱空调单元及一个电池冷暖控温单元,其中,该电机散热单元包括连接在电机散热回路上的第一散热器、第一液体泵,该座舱空调单元包含座舱空调、压缩机、第二散热器以及热交换器;该电池冷暖控温单元包括,为动力电池提供冷却液的电池散热回路,在低温环境下加热动力电池,以供动力电池启动以及使动力电池在控制温度下运行的电池加热回路;所述热交换器还连接在电机散热回路和/或电池散热回路/电池加热回路中。本发明可优化热能分配,减少热能损失,节约电力,使电池续航更持久。

标签:
新能源
浙江 - 杭州 来源:中冶有色网 2023-03-18
同步带驱动调节式新能源汽车刹车系统

本发明涉及汽车刹车系统。一种同步带驱动调节式新能源汽车刹车系统,包括顶杆、踏板、刹车增力液压缸、刹车减力液压缸、双向液压泵、从动同步皮带轮、同步皮带、主动同步皮带轮、驱动主动同步皮带轮的调速电机、控制模块和检测顶杆速度的速度传感器,从动同步皮带轮通过同步皮带同主动同步皮带轮连接在一起,刹车增力液压缸的有杆腔和刹车减力液压缸的有杆腔通过管路连通,刹车增力液压缸的无杆腔和刹车减力液压缸的无杆腔通过双向液压泵连通,从动同步皮带轮同液压泵的转轴连接在一起,主动同步皮带轮和从动同步皮带轮啮合在一起。本发明挤压踏板感能够在使用时进行自主调整的优点,解决了现有的刹车的踏板感事后不能够调整的问题。

标签:
新能源
浙江 - 杭州 来源:中冶有色网 2023-03-18
新能源转轴生产用快速抛光机

本实用新型公开了一种新能源转轴生产用快速抛光机,包括底座,所述底座顶端边部固定安装有机箱,所述底座顶端中部开设有凹槽,所述凹槽内壁一侧固定安装有支撑座,所述支撑座顶端内壁中部贯穿连接有丝杆,所述丝杆一端中部连接有第一电机,所述第一电机的输入端和市电的输出端电性连接,通过凹槽、丝杆、第一电机、水平槽和倾斜槽,第一电机运行时带动丝杆转动,从而使移动块沿着凹槽内部移动,而移动块移动时带动倾斜板移动,从而使凹槽内部的灰尘沿着倾斜板进入到水平槽内部,而倾斜板表面的灰尘沿着倾斜槽内部排出,进而确保了凹槽内部清洁,降低了凹槽内部的灰尘,从而便于对凹槽进行清理,降低了凹槽的清理难度。

标签:
新能源
浙江 - 杭州 来源:中冶有色网 2023-03-18
新能源客车分体式空调系统

本实用新型公开了一种新能源客车分体式空调系统,包括顶置空调热交换系统、空调压缩系统、车内暖风取暖系统及空调控制模块;所述空调压缩系统包括变频空调压缩机、四通换向阀及气液分离器;所述顶置空调热交换系统包括外置冷凝器、干燥过滤器、视液镜、板式热交换器A、主电子膨胀阀、次电子膨胀阀及内置蒸发器;所述车内暖风取暖系统包括暖风循环水泵、暖风循环水呼吸水箱、暖风散热器及板式热交换器B;所述空调控制模块包括显示控制面板及与显示控制面板电连接的集成控制板。本实用新型采用分体布局,空间布局合理,能减轻整车重量,制热效能高,能效比高。

标签:
新能源
浙江 - 杭州 来源:中冶有色网 2023-03-18
新能源汽车快速充电桩

本实用新型公开了一种新能源汽车快速充电桩,包括充电桩,充电桩的两侧均固定连接有充电枪放置座,充电枪放置座的内壁固定连接有除盐块,充电枪放置座的内部设置有充电枪,充电枪的一侧固定连接有充电线,充电线的一端固定连接有分流线,分流线的下表面固定连接有进电线,充电桩的内侧壁均固定安装有吹风机,吹风机的内部设置有电机,电机的一端设置有扇叶,电机的另一端设置有铁网,控制面板的下方设置有刷卡板。本实用新型通过顶板和挡雨壳的设置,通过顶板对充电桩遮挡暴晒和雨淋,通过挡雨壳对充电枪遮挡暴晒和雨淋,有效的解决了充电桩会经常受到暴晒和雨淋之后对充电桩使用造成短路等影响的情况。

标签:
新能源
浙江 - 杭州 来源:中冶有色网 2023-03-18
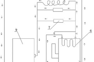
应用新能源测试循环装置

本实用新型公开了一种应用新能源测试循环装置,包括清理系统、调节系统、温控系统、动力系统和若干连接管,清理系统的一端与被测动力设备连接,清理系统的一侧设有三通阀,三通阀的一端与调节系统连接,三通阀的另一端与温控系统连接,调节系统包括流量计一与蓄液室,流量计一与蓄液室一侧的连接管固定连接,蓄液室的一侧设有循环泵一,循环泵一用于调节连接管内的液体流量,温控系统包括调温室,调温室内设有调温装置,动力系统包括液泵,液泵与连接管连接,液泵用于驱动连接管内循环液的流动,本实用新型结构合理,循环液经过清理后,通过调节系统调整循环液的量,温控系统对循环液的温度进行调节,使循环液符合下次测试的要求。

标签:
新能源
浙江 - 杭州 来源:中冶有色网 2023-03-18
用于新能源汽车电池的维修装置

本实用新型公开了一种用于新能源汽车电池的维修装置,包括升降组件、固定组件、第一机座、第二机座和滚轮,所述升降组件包括第一固定块、第一滑轨、第一滑块、第一轴承、第一支撑杆、第二轴承、第二支撑杆、第三轴承、第二固定块、电机、螺纹杆、连杆、第一螺纹孔、轴承座、第二滑块、第四轴承和第二滑轨,该实用新型的升降组件能够根据实际所需的高度对工作台进行升降,较之现有的电池维修装置,本实用新型结构简单,有体积小和重量轻的优点,所采用的固定组件能对电池进行固定,有效避免了在维修期间电池滑动的问题,螺纹杆所自带的自锁功能能确保本装置的结构稳固,防止因经常使用导致升降组件松动。

标签:
新能源
浙江 - 杭州 来源:中冶有色网 2023-03-18
便于调节位置的供热新能源设备

本实用新型公开了一种便于调节位置的供热新能源设备,包括底座、装置主体、位置调节机构、升降皮带和轨道,所述底座顶端的一侧转动安装有装置主体,且装置主体底部的一侧安装有蓄电池,所述装置主体底部的一侧固定有装置主板,且装置主板表面的两侧皆固定有从动轮,并且从动轮内部的一侧转动安装有安装架,安装架表面的一侧缠绕有升降皮带,所述装置主板表面的两侧皆固定有轨道,且轨道表面的一侧滑动安装有滑块,且滑块表面的一侧固定有固定架。本实用新型不仅延长设备的使用寿命,提高设备的供热性能,还提升设备的操作便捷性。

标签:
新能源
浙江 - 杭州 来源:中冶有色网 2023-03-18
用于新能源商用车的地板总成及驾驶室白车身

本实用新型提供了一种用于新能源商用车的地板总成及驾驶室白车身,属于车辆车身领域。所述地板总成设置于车辆的驾驶室底部,且包括地板主体,所述地板主体包括:水平的平板部,其两侧的后端形成有相对于所述车辆的纵向对称平面对称的缺口;和两个凸起部,分别覆盖于两个所述缺口处且均朝向所述车辆的顶部凸起,所述凸起部位于所述车辆的前部车轮的正上方。本实用新型还提供了包括上述地板总成的驾驶室白车身。本实用新型的地板总成和驾驶室白车身能够有效提升纵向刚度,降低部件成本。

标签:
新能源
浙江 - 杭州 来源:中冶有色网 2023-03-18
用于新能源汽车真气泵的控制器及控制系统

本实用新型公布了用于新能源汽车真气泵的控制器及控制系统,包括控制模块,用于实时处理控制动作、信号的接收、及报警信号输出;气压传感模块,用于采集真空泵气管处的压力并转换成电压信号提供给控制模块;驱动模块,用于根据控制模块处理后的电压信号来控制真空泵电机的启动与停止;同时,驱动模块又反馈电流信号给控制模块,控制模块根据电流大小来输出信号给驱动模块控制真空泵电机的启动与停止;电源模块,用于为控制器的各模块进行供电。替代了传统汽车中用发动机凸轮轴带动油压助力的装置,通过检测压力实时控制真空泵的启动与停止;通过反馈电流与一定时间内检测电压的异常,对真空泵进行异常排除与检查,发现异常时,关闭真空泵并报警。

标签:
新能源
浙江 - 杭州 来源:中冶有色网 2023-03-18
卫浴新能源综合节能系统及其综合热水器

本实用新型涉及节能技术领域,特别是指一种节能系统,尤其是一种卫浴新能源综合节能系统及其综合热水器。包括综合热水器,所述的综合热水器的输出口通过输出管道连接有空调风机组和地暖器,输出管道末端连接有水冷空调;综合热水器与带有水泵的水冷空调连接。本实用新型的优点在于:水箱内通过各种方式实现内部水液的加热,通过热交换器能够将热量释放在出来,合理利用能源,避免能源的浪费。

标签:
新能源
浙江 - 杭州 来源:中冶有色网 2023-03-18
新能源轻卡驱动桥用减速器

本发明公开了一种新能源轻卡驱动桥用减速器,包括壳体,差速器总成,主动齿轮总成,过油通道,两个进油控制组件;轴承座的内壁配置有两个出油孔和两个导流孔,壳体上设有进油通孔,进油控制组件对称的设于导流孔的孔体端口;进油控制组件包括进油基套,进油基套通过连接杆与弹性配合件旋转连接,进油基套的内部设有通孔,进油基套的外壁上环绕布设有多个向外伸展的导油叶片,多个导油叶片的侧方末端与导流孔的内壁连接。本发明可以促使进入导流孔的润滑油分散开来,是一种润滑性能优良、稳定性好的驱动桥用减速器。

标签:
新能源
浙江 - 杭州 来源:中冶有色网 2023-03-18
新能源车电池模组
新能源车电池模组 1042     
 0

本发明公开了一种新能源车电池模组,涉及电池模组技术领域;包括主体、套在主体上的扎带;主体包括依次布置的左端板、缓冲机构、挡板、若干电池块、右端板;扎带用于将主体扎紧从而使得电池块之间紧密连接在一起;缓冲机构用于对挡板施加向电池块的力,从而使得挡板和右端板把电池块夹紧;左端板和右端板和底盘固接,挡板和底盘滑动连接。本发明的有益效果是:电池块在充放电的过程中,膨胀的时候,弹簧收缩,挡板向左端板移动,使得电池块之间压力不至于变大很多,保护了电池块,使得电池块寿命更长。

标签:
新能源
浙江 - 杭州 来源:中冶有色网 2023-03-18
矿用新能源重型卡车热电联供控制方法

一种矿用新能源重型卡车热电联供控制方法,包括以下控制步骤:1)当电池系统电量SOC低于设定阈值SOCsita时,采用外部加热器给驾驶室和电池系统供热供热,电池系统能量全部用于车辆动力需求,能量回馈全部用于电池系统充电:2)当电池系统电量SOC大于设定阈值SOCsita时,需要判断当前的环境温度,根据不同的环境温度采用以下控制方法:3)电池系统电量SOC充满时,能量回馈全部用于电加热器供热。与现有技术相比,本发明通过控制扩展能源对车辆供热供电,增加续航里程,减少能源消耗,提高能量利用率。并将所述电池系统热管理单元、驾驶室热管理单元和扩展能源热管理单元进行集成,有效地提升了用户的综合驾驶体验。

标签:
新能源
浙江 - 杭州 来源:中冶有色网 2023-03-18
新能源汽车用压力温度一体化传感器

本发明公开一种新能源汽车用压力温度一体化传感器,包括传感器壳体、电气接头、敏感元座、PCB电路板、压力敏感元、温度敏感元,传感器壳体下端一体化成型设有螺纹管接头,传感器壳体内腔中安装有敏感元座,敏感元座上端面设有方形凹腔、两组对称设置的支撑凸起以及两组对称设置的卡扣,方形凹腔中安装有压力敏感元,敏感元座下端设有凸台,凸台上设有向下延伸并从螺纹管接头下端口伸出的支座,支座下端设有盲孔,盲孔中安装有温度敏感元;电气接头下端置于传感器壳体内部,电气接头内部端面上竖直插接有四根PIN针,PCB电路板卡接入电气接头下端外侧壁上两组对称开设的U形槽内。本发明可以检测液体或气体的压力和温度,且结构稳定性强。

标签:
新能源
浙江 - 杭州 来源:中冶有色网 2023-03-18
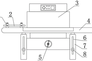
新能源电池包装机
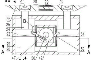
新能源电池包装机 883     
 0

本发明公开了新能源电池包装机,包括输送架,所述输送架的顶部开设有一体式的包装机箱,所述输送架的底部装设有底座,所述底座上开设有限位槽,所述输送架的底部开设偶遇一体式的限位杆,所述底座的前表面装设有手轮,所述底座的内侧转动装设有丝杠,所述丝杠上旋设有螺母;在装置的输送架与底座之间装设有可调节的升降机构,若机器需要搭配不同高度的流水线生产作业时,可在底座上升降调节输送架的水平高度,方便输送架与流水线处在同一高度,使用时比较方便,在装置的输送架顶部一端装设有导架,当电池在进入包装机箱时,通过导架可防止电池出现倾斜或者侧倒,防止包装出现凸起,影响包装时的稳定性,提高了该装置的实用性。

标签:
新能源
浙江 - 杭州 来源:中冶有色网 2023-03-18
新能源汽车电池用夹持装置

本发明公开了一种新能源汽车电池用夹持装置,包括第一支座和第二支座,所述第一支座的内表面活动安装有多个等距分布并通过第一传送带传动连接的第一输送辊,且第一支座底部的左前端固定安装有输出轴通过皮带与位于第一支座内表面最左端的第一输送辊传动连接的第一电机。本发明设置了滑座和滑动器,可达到带动夹持机构左右移动的目的,设置了第一电动伸缩杆,可达到带动夹持机构上下移动的目的,设置了夹持机构,可满足第一夹板和第二夹板对电池进行夹持以及对所夹持的电池进行转向的目的,通过以上结构的配合,有效提高了本夹持装置对不同类型电池的夹持效率,为人们的使用带来极大的便利。

标签:
新能源
浙江 - 杭州 来源:中冶有色网 2023-03-18
新能源车的换电系统
新能源车的换电系统 927     
 0

本发明公开了一种新能源车的换电系统,包括检测模块:检测模块对驶入的车进行定位,籍以确定车身电池箱位置;抓取模块,用于抓取满电电池箱和待替换电池箱;转送模块,用于承接满电电池箱,并将满电电池箱置入车身;换电系统被配置为:在一个换电周期内,抓取模块抓取满电电池箱放置于转送模块上,接着抓取模块从车身上抓取待替换电池箱,最后转送模块将满电电池箱置入车身。本发明通过合理布局换电系统各个单元的功能,在传统单个拾取部完成工作的基础上,增加一个转送模块,转送模块用于临时存放满电电池,并承担将满电电池置入车身的任务,使得电池的取放可以更加紧密地衔接,从而提高换电效率。

标签:
新能源
浙江 - 杭州 来源:中冶有色网 2023-03-18
新能源物流车
新能源物流车 878     
 0

本发明涉及物流车技术领域,公开了一种新能源物流车,包括车体,所述车体内开设有容纳电池的容纳腔,所述容纳腔内设置有支撑板,所述车体内设置有用于顶升支撑板的顶升装置,所述支撑板上方设置有用于平移电池的平移小车;所述车体上设置有用于伸出车体外且与平移小车配合的轨道组件;所述平移小车上设置有用于提升或下放电池的提升组件;所述提升组件与电池通过连接组件连接。通过顶升装置来将电池顶升,通过平移小车将电池移动至车体外侧;通过提升组件将电池放置在地面上,从而减少工作人员的工作强度。

标签:
新能源
浙江 - 杭州 来源:中冶有色网 2023-03-18
新能源汽车锂电池用软包装材料

本发明公开了一种新能源汽车锂电池用软包装材料。由外层尼龙层,中层铝箔层和内层聚丙烯薄膜层构成,所述中层铝箔层分为2层,上层厚度为9‑13um,下层厚度为60‑80um;所述2层铝箔之间涂设有第一粘胶层;所述尼龙层和铝箔层的上层面之间涂设有第二粘胶层;所述铝箔层的下层面和聚丙烯薄膜之间涂设有第三粘胶层。本发明制备的软包装材料,可塑性强,防水,耐电解液腐蚀,防刺穿能力强,适合于电动汽车用锂电池的包装。

标签:
新能源
浙江 - 杭州 来源:中冶有色网 2023-03-18
上一页 25 26 27 28 29 ... 71 下一页
共71页    到第

中冶有色为您提供最新的浙江杭州有色金属新能源材料技术理论与应用信息,涵盖发明专利、权利要求、说明书、技术领域、背景技术、实用新型内容及具体实施方式等有色技术内容。打造最具专业性的有色金属技术理论与应用平台!

全国热门有色金属设备推荐
展开更多 +
全国热门有色金属技术推荐
展开更多 +

 

江西省隆恩特环保设备有限公司
宣传

报名参会
更多+

报告下载

有色专家
更多+

华东理工大学
主任/教授
中南大学
常务副校长
矿冶科技集团有限公司
中国工程院院士
中国矿业大学(北京)
教授
中冶沈勘秦皇岛工程技术有限公司
原矿山院院长/教授级高工
赤泥综合利用研究报告2025
推广

热门技术
更多+

推荐企业
更多+

福建省金龙稀土股份有限公司
宣传

发布

在线客服

公众号

电话

顶部
咨询电话:
010-88793500-807