青岛垚鑫智能科技有限公司
宣传

位置:中冶有色 >

有色技术频道 >

分类:
全部
矿山技术
冶金技术
材料制备及加工技术
环境保护技术
分析检测技术
 
全部
功能材料技术
复合材料技术
新能源材料技术
合金材料技术
加工技术
地区:
全部
北京
天津
上海
重庆
河北
山西
辽宁
吉林
黑龙江
江苏
浙江
安徽
福建
江西
山东
河南
湖北
湖南
广东
海南
四川
贵州
云南
陕西
甘肃
青海
内蒙
广西
西藏
宁夏
新疆
其他
其他
展开
 
全部
广州
韶关
深圳
珠海
汕头
佛山
江门
湛江
茂名
肇庆
惠州
梅州
汕尾
河源
阳江
清远
东莞
中山
潮州
揭阳
云浮

广东惠州有色金属材料制备及加工技术理论与应用

免费发布技术信息>>
水下滑翔机电池单元、水下滑翔机电池组及水下滑翔机

本实用新型公开了一种水下滑翔机电池单元、水下滑翔机电池组及水下滑翔机。该电池组包括:锂原电池、二极管和锂离子超级电容器;所述锂原电池的负极与所述锂离子超级电容器的负极、所述二极管的正极以及负极输出端相连;所述锂原电池的正极与所述锂离子超级电容器的正极、所述二极管的负极以及正极输出端相连,达到高能量密度、可较大倍率脉冲放电并且低自放电率的技术效果。

标签:
加工技术
广东 - 惠州 来源:中冶有色网 2023-03-18
户外充电电蚊香
户外充电电蚊香 827     
 0

本实用新型公开一种户外充电电蚊香,具备电蚊香本体和固定在电蚊香本体上的锂电池盒,电蚊香本体包括底座,锂电池盒固定在底座上,锂电池盒内设有并排排列的N个锂电池、连接所述N个锂电池的电路板,电路板上设有一个输入端和两个输出端,所述两个输出端分别是输出端一和输出端二,其中输出端一与电蚊香本体连接,输出端二与USB接口连接,USB接口连接有USB磁接线;锂电池盒下部连接有框形的盒底座,USB接口设置在盒底座上。本实用新型提供一种可以在户外使用的电蚊香,且该电蚊香能够为手机平板等电子设备提供充电功能。

标签:
加工技术
广东 - 惠州 来源:中冶有色网 2023-03-18
刀模
刀模 1150     
 0

本实用新型属于模切技术领域,公开了一种刀模,包括:底板,底板的一侧用于连接于动力输出端;刀片,刀片设置为环形刀片,刀片的一端连接于底板远离动力输出端的一侧;缓冲层,缓冲层连接于底板远离动力输出端的一侧,缓冲层用于缓冲底板对金属锂薄片的挤压;弹性件,弹性件连接于底板上,且弹性件位于底板和缓冲层中间,弹性件能够将金属锂薄片从缓冲层上推开。公开的刀模裁切金属锂极片的方法用于使用上述刀模裁切金属锂极片,通过上述结构和方法,该刀模在加工金属锂极片时能够避免金属锂极片粘连,有利于金属锂极片的快速、规模化生产。

标签:
加工技术
广东 - 惠州 来源:中冶有色网 2023-03-18
改性固态电解质及其制备方法和应用

本发明提供了一种改性固态电解质及其制备方法和应用,所述改性固态电解质包括氧化物电解质及位于氧化物电解质表面的界面保护层,所述界面保护层包括锂盐,本发明在氧化物电解质表面设置锂盐作为界面保护层,可以隔离锂金属与电解质,从而避免了浸润性、副反应等问题,该保护层同时对锂金属、电解质化有良好的化学、电化学稳定性,保护层对锂离子有较好的导通作用,但是对电子绝缘,同时,所述界面保护层可引导锂金属均匀沉积。

标签:
加工技术
广东 - 惠州 来源:中冶有色网 2023-03-18
电池极片造孔装置
电池极片造孔装置 1174     
 0

一种电池极片造孔装置,包括置料板,置料板设置有置料区;打孔压板,打孔压板与置料板间隔设置;及多个针体,针体的一端与打孔压板朝向置料区的一面连接,针体用于对电池极片的涂层进行打孔。本实用新型通过在打孔压板上设置有多个针体,将锂离子电池极片放置于置料区上,通过针体对锂离子电池极片的涂层进行打孔,使锂离子电池的极片具有多个孔洞,提高了锂离子电池的极片的孔隙率,加快锂离子电池极片后续对电解液的吸收,有利于提高生产效率,增大了离子电池极片对电解液的容量,有利于提高锂离子电池的充放电倍率性能,改善锂离子电池的循环性能和循环寿命。

标签:
加工技术
广东 - 惠州 来源:中冶有色网 2023-03-18
复合负极极片、电池以及制备方法

本发明提供了一种复合负极极片、电池以及制备方法,所述复合负极极片包括负极片,以及依次层叠设置于负极片至少一侧表面的第一保护层、锂层和第二保护层。本发明通过在负极片的至少一侧表面依次层叠设置有第一保护层、锂层和第二保护层,实现了锂离子电池充足的锂源供应,有效避免金属锂在剥离和沉积过程中产生锂枝晶,进一步地能够与低成本的硫正极材料或者二硫化铁正极材料使用,有效提高电池的安全性能和循环性能,电池的能量密度可达250Wh/kg,循环次数可达500次,具有结构简单、便于制备、易于规模化生产和稳定性高等特点。

标签:
加工技术
广东 - 惠州 来源:中冶有色网 2023-03-18
电池远程控制系统
电池远程控制系统 1047     
 0

本发明涉及一种电池。一种电池远程控制系统,包括蓄能系统,所述蓄能系统通过稳压器连接有信息收集与定位模块,信息收集与定位模块通过移动通信网络与远程控制中心进行信号连接。所述信息收集与定位模块为SIM芯片及与SIM芯片连接的GPS芯片。所述蓄能系统为磷酸锂铁电池组及磷酸锂铁电池组的电池管理系统,并由外部电力系统或太阳能光伏板系统为磷酸锂铁电池组供电。本发明可将电池实时信息通过移动通信网络源源不断的传送到远程控制中心,便于管理者的管理与处理,GPS芯片可将电池的位置坐标通过移动通信网络传输至远程控制中心,对电池起到定位追踪作用,有效防止电池失窃,减少后续搜寻的时间与减少人力、物力的消耗。

标签:
加工技术
广东 - 惠州 来源:中冶有色网 2023-03-18
盖帽焊接设备
盖帽焊接设备 887     
 0

本发明涉及一种盖帽焊接设备,用于将盖帽、钢网及锂片装配于一体。治具循环设于回转平台的回流通道内,盖帽震动盘运送盖帽至治具中,钢网料盘及拉网机构分别对钢网进行放卷及收卷,冲网模具冲压钢网至治具的盖帽上,焊接机构焊接钢网于盖帽上,转移机械手转移盖帽及钢网至锂片成型机构,锂片成型机构用于将锂片卷绕于钢网上,产品取出机构用于将成形的产品取出。盖帽焊接设备在各个部件的配合下,将钢网与盖帽进行焊接,同时将锂片卷绕于钢网上,最终将钢网、盖帽及锂片装配成一个整体,实现了机械自动化生产。

标签:
加工技术
广东 - 惠州 来源:中冶有色网 2023-03-18
自供电的智能推窗控制器

本实用新型涉及一种自供电的智能推窗控制器,包括外壳和设置于所述外壳内的控制板以及按键,所述控制板包括单片机、锂电池保护板、和用于向所述控制板和推窗器供电的锂电池组;所述锂电池保护板与所述锂电池电连接,所述锂电池保护板设置有电压检测电路、电流检测电路和温度检测电路;锂电池保护板通过控制板上的正反转互锁电路与推窗器电连接;所述按键与所述单片机电连接。采用锂电池供电的方式,控制器实现电源的自供应,使用更加灵活,无须进行电路走线也能实现控制器功能。即使市电无法供应,控制器的功能也能正常使用,无须担心意外状况导致推窗器无法开关窗,并使得控制器的使用场所广泛,户内户外皆可使用。

标签:
加工技术
广东 - 惠州 来源:中冶有色网 2023-03-18
原位固化电解液及其制备方法、固态电池及其制备方法

本发明提供了一种原位固化电解液及其制备方法、固态电池及其制备方法,包括聚合物单体、引发剂、锂盐和有机溶剂,其中,聚合物单体包括第一聚合物单体和第二聚合物单体;引发剂为含碳酸锂的的固态电解质或含氢氧化锂的固态电解质,且碳酸锂或氢氧化锂的质量为固态电解质质量的0.5~10wt%;引发剂的质量为聚合物单体质量的1~8wt%;聚合物单体和引发剂的质量之和为原位固化电解液总质量的0.5~10wt%。相比于现有技术,本发明提供的电解液,采用含碳酸锂的固态电解质或含氢氧化锂的固态电解质共同作为引发剂,其在固态电池中原位引发聚合物单体聚合后不会残留于固态电池中,也不会造成电池的性能恶化。

标签:
加工技术
广东 - 惠州 来源:中冶有色网 2023-03-18
电极、电极材料及其制备方法

本发明公开了一种电极、电极材料及其制备方法,包括电极主材、碳材和氟化锂;其中,所述电极主材、碳材和氟化锂的质量比为1:(0.01~0.5):(0.001~0.20)。电极由于氟化锂材料优异的稳定性以及锂离子传导性,使得电解液在石墨界面上的副反应减少,首次效率得到提升的同时,固态电解质界面膜更加稳定,有效改善锂离子电芯的循环稳定性和高温稳定性;锂离子传导效率增强,降低锂离子在石墨负极上嵌入、脱出的阻力,使得电芯的低温放电性能得到改善。

标签:
加工技术
广东 - 惠州 来源:中冶有色网 2023-03-18
轨道交通后备电源系统
轨道交通后备电源系统 1034     
 0

本发明公开了一种轨道交通后备电源系统,包括锂电池组、分别与所述锂电池组连接的电池管理系统BMS和极限保护继电器、以及与所述电池管理系统和所述极限保护继电器连接的车载充电机,所述电池管理系统还与所述极限保护继电器连接,所述电池管理系统用于对所述锂电池组进行统一管理和维护,所述车载充电机用于通过所述极限保护继电器对所述锂电池组进行充电,所述极限保护继电器用于在极限条件下对所述锂电池组进行保护,所述极限条件为所述锂电池组的过充或过放状态。本发明使用锂电池组替换原有镍镉蓄电池组,实现蓄电池组的轻量化和无污染,同时采用特定结构的电池管理系统,提高了电源系统的可靠性和安全性。

标签:
加工技术
广东 - 惠州 来源:中冶有色网 2023-03-18
复合正极材料及其制备方法、正极片和二次电池

本发明属于二次电池技术领域,尤其涉及一种复合正极材料及其制备方法、正极片和二次电池,包括以下步骤:步骤S1、第一铝源与锂源、钴源混合,加热干燥,加热烧结得到中间处理物;步骤S2、将中间处理物破碎,加入钴掺杂钛酸锂和第二铝源搅拌混合,加热烧结得到钴酸锂正极材料。本发明的复合正极材料的制备方法在制备钴酸锂内核时添加第一铝源,铝离子半径与钴锂相似,能够形成结构更稳定的LiCo1‑xAlxO2而不引起二维层状结构改变,再与钴掺杂钛酸锂和第二铝源进行包覆形成包覆层,包覆层结构更稳定,而且能够在钴酸锂晶体外形成尖晶石结构的过渡层,有效地复合正极材料的高温和高电压下的稳定性。

标签:
加工技术
广东 - 惠州 来源:中冶有色网 2023-03-18
移动电源
移动电源 1152     
 0

本实用新型属于电器电源技术领域,尤其涉及一种手机用移动电源。该移动电源内置的用于充放电的锂电池可以为圆柱形锂电池或者聚合物锂电池。作为改进,所述圆柱形锂电池或者聚合物锂电池可以置换,即一个移动电源至少配备两块相同类别、型号的锂电池,用户在日常工作和生活中,可以分别将两块以上的锂电池都充好电,以备不时之需使用。本实用新型提供的新型移动电源,因为锂电池可以替换,故可以解决现有移动电源的内置电池电量有限的局限,另一方面也符合国家节约资源、保护环境的要求。

标签:
加工技术
广东 - 惠州 来源:中冶有色网 2023-03-18
负极材料及其制备方法、电池负极、电池

本发明公开了一种负极材料及其制备方法、电池负极、电池,包括内核、第一碳层和第二碳层;所述第一碳层包裹在所述内核表面,所述第二碳层包裹在所述第一碳层表面;其中,所述内核为补锂后氧化亚硅,其组成是纳米硅与硅酸锂的混合物;所述第二碳层中掺杂有氟化锂。本发明的负极材料,第一碳层包裹住内核,形成首次包覆层。然后用第二碳层包裹第一碳层,形成二次包覆层,第二碳层中掺杂有氟化锂以对第二碳层改性。通过对氧化亚硅进行补锂,首效得到明显提升,另外负极的表面包覆层含有氟化锂,氟化锂优异的稳定性以及锂离子传导性,可成为SEI膜的构成部分,使得电解液在负极界面上的副反应减少,首次效率再次得到提升。

标签:
加工技术
广东 - 惠州 来源:中冶有色网 2023-03-18
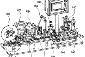
扣式电池组装设备
扣式电池组装设备 1096     
 0

本发明涉及一种扣式电池组装设备,包括机架和设在机架上的工作台,在工作台上依序设有分别将扣式电池组件负极盖、锂片、隔膜、正极片、正极盖输送至组装工位的送料机构,移送负极盖的输送轨道和将锂片在负极盖中成型的锂片成型机构以及往负极盖中灌入电解液的注液机构、封装电池的封口机构,输送轨道上设有定位负极盖的夹座,上述机构与主控电路连接。本发明实现了电池组件的自动送料、组装和封口,提高了生产效率和产品质量,大大降低了工人的劳动强度和节约了生产成本,特别适合进行大批量生产锂锰扣式电池的需要,提高了企业的市场竞争力。

标签:
加工技术
广东 - 惠州 来源:中冶有色网 2023-03-18
储能电池
储能电池 1165     
 0

本实用新型提供了一种储能电池,包括多组锂电池组、与多组所述锂电池组件连接的多个双向直流变换器,以及与多个所述双向直流变换器和多组所述锂电池组连接的至少一个锂电池高压管理系统。上述储能电池,将电压值不同的多组锂电池组接入双向直流变换器,双向直流变换器将低压锂电池组变换升到更高电压后对外放电,或者通过双向直流变换器将高压的锂电池组变换降到低电压对低压的锂电池组充电,可将低压锂电池转换成高压锂电池使用,使得可以对不同厂商、不同容量、不同生产批次、不同新旧锂电池组合使用。

标签:
加工技术
广东 - 惠州 来源:中冶有色网 2023-03-18
高能电池及其制备方法
高能电池及其制备方法 1159     
 0

一种高能电池及其制备方法,其中该电池包括正极,该正极的材料由重量配比为80-90∶1-4∶1-4∶2-4的黄铁矿、导电碳黑、石墨、锂氧化物组成;含有金属锂或锂铝合金的负极;含有有机溶剂和无机锂盐溶质的混合物的电解液,和包括PP/PE/PP的聚乙烯树脂的隔膜。该电池的制备方法包括如下步骤,将正极片烘干后,与负极、隔膜卷绕后,装入钢壳,加入电解液后,滚槽、封口。

标签:
加工技术
广东 - 惠州 来源:中冶有色网 2023-03-18
快充石墨复合材料及其制备方法

本发明涉及一种快充石墨复合材料及其制备方法,所述快充石墨复合材料包括内壳和外壳,所述外壳包括无机锂盐、碳纳米管和余量的无定形碳,所述内核包括多孔石墨和固体电解质,所述固体电解质一部分镶嵌于所述多孔石墨的层间,另一部分贴附在所述多孔石墨的表面;在本发明中,利用固体电解质离子导电率高、碳纳米管电子导电率高以及无机锂盐的三维嵌锂通道特性,能够提高锂离子的传输速率,从而提升该材料的快充性能,降低膨胀;通过其制备方法,有利于提高了固体电解质和无机锂盐之间的结合力,能够增强内壳结构的稳定性,较好的保护快充石墨复合材料,降低了该材料容量的损失,改善循环性能。

标签:
加工技术
广东 - 惠州 来源:中冶有色网 2023-03-18
复合负极和电池
复合负极和电池 1191     
 0

本发明涉及电池制造领域,特别是一种复合负极和电池,复合负极包括集流体、合金层和有机物层,合金层设置在集流体上,有机物层设置在合金层的表面上;合金层为锂金属与亲锂金属的混合物,有机物层为高分子弱酸;电池包括包括正极、隔膜和上述的复合负极。本发明提供了一种复合负极;其中,合金层中的亲锂金属表面具有较低锂成核过电势,能够诱导锂金属在其表面均匀沉积;有机物层的聚乳酸能够与合金层中的锂金属发生原位反应,进而生成聚乳酸锂作为负极的SEI膜;聚乳酸锂具有优异锂离子传导能力和力学性能,具有疏锂性的聚乳酸锂能够抑制锂枝晶纵向生长;从而使得电池的容量保持率得到提高。

标签:
加工技术
广东 - 惠州 来源:中冶有色网 2023-03-18
正极片及其制备方法和用途

本发明涉及一种正极片及其制备方法和用途。所述正极片包括集流体,以及涂覆在所述集流体表面的膜层,所述膜层包括正极活性物质、粘结剂、导电剂和锂金属氮化物;所述锂金属氮化物的化学式为Li3‑xMxN,其中,0<x<1,M包括Al、Mg、Sn或过渡金属元素中的任意一种或至少两种的组合。在锂离子电池工作电压范围内,因所述锂金属氮化物的充放电电压平台低(<2V),首次充电过程中锂离子将优先从锂金属氮化物中脱出,产生多余的锂离子。所述多余的锂离子补偿了锂离子电池首次循环中不可逆反应造成活性锂的损失,具有良好的补锂效果,提升锂离子电池的首次效率、能量密度和循环保持率。

标签:
加工技术
广东 - 惠州 来源:中冶有色网 2023-03-18
正极粘结剂及其制备方法、正极浆料、正极和锂离子电池

本公开涉及一种正极粘结剂,粘结剂包括第一组分和第二组分;第一组分为偏氟乙烯和第一单体的共聚物,第一单体为C2‑C8烯烃和除偏氟乙烯以外的C2‑C4卤代烯烃中的一种或几种;第二组分为丙烯腈单体与第二单体的共聚物,丙烯腈单体为丙烯腈和/或甲基丙烯腈,第二单体为丙烯酰胺类单体、丙烯酸类单体和氮杂环类单体中的一种或几种;第一组分和第二组分的重量比为(1:4)‑(4:1)。含有本公开正极粘结剂的浆料具有良好的抗凝胶化性能。

标签:
加工技术
广东 - 惠州 来源:中冶有色网 2023-03-18
正极极片、锂离子电池及用电装置

本实用新型提供了一种正极极片,包括正极集流体、正极活性物质层和安全涂层;正极活性物质层涂覆于正极集流体的至少一表面;安全涂层涂覆于正极集流体远离裸电芯中心的一面的尾部空箔区。相比于现有技术,本正极极片在其集流体的尾部空箔区增加了安全涂层的设置,一方面提高了正极集流体与电池壳体铝塑膜之间的粘接力,在跌落测试过程中使得裸电芯与铝塑膜之间很好的贴合在一起而不发生移动;另一方面该安全涂层的设置还可以优先与负极活性物质层接触,大大减小正极集流体与负极活性物质层的接触概率,由此大大降低了目前容易发生“正极集流体+负极活性物质”的危险短路问题。

标签:
加工技术
广东 - 惠州 来源:中冶有色网 2023-03-18
电池用顶封装置、电池制造设备及锂离子电池

本实用新型提供了一种电池用顶封装置,包括顶封本机和插片机;顶封本机用于放置电芯和顶封电芯;插片机包括驱动件和与驱动件电连接的插片件;插片件用于按压电芯的尾部,且按压动作发生于电芯放入电池壳体后,及电池壳体合上前;所述驱动件用于驱动所述插片件的移动以实现所述电芯尾部的按压。相比于现有技术,本实用新型的顶封装置新增了插片机的设置,通过插片件对电芯尾部的按压辅助,解决了电池壳体(铝塑膜)在合拢过程中将电芯尾部极片带翻的问题,在完成合拢动作后,插片件再从中撤出,而后再对电芯进行顶封即可。本顶封装置彻底解决了极片尾部翻折的问题,大大提高了产品的优率,将极片尾部的翻折比例由2%降低至0.1%。

标签:
加工技术
广东 - 惠州 来源:中冶有色网 2023-03-18
极片结构及锂离子电池
极片结构及锂离子电池 1195     
 0

本发明属于电池的技术领域,具体涉及一种极片结构,包括极片本体,所述极片本体包括:集流体;致密涂层,涂覆于所述集流体至少一个表面上;活性涂层,涂覆在所述致密涂层的表面;其中,所述致密涂层包括阻燃材料、导电剂及粘接剂,所述致密涂层的厚度为0.3‑1.0μm。本发明通过优化涂层材料和厚度,能够避免电池发生热失控的问题,还能降低底涂层的厚度,从而减少能量密度的损失。

标签:
加工技术
广东 - 惠州 来源:中冶有色网 2023-03-18
极片制备方法及锂电池

本发明提供了一种极片制备方法。所述极片制备方法,包括以下步骤:将流动浆料涂覆于极片主体上,通过烘烤将溶剂挥发,形成具有涂层的极片主体;通过激光清洗将所述极片主体上的涂层清洗掉,形成多个清洗位置,多个所述清洗位置沿所述极片主体的纵向从上至下依次排布;辊压后确定分切位置,将所述极片主体分切,所述清洗位置分为第一部分和第二部分,所述第一部分位于分切后的一个极片上,所述第一部分用于焊接极耳,所述第二部分位于分切后的另一个极片上,所述第二部分的周侧为操作位置,所述操作位置用于贴设绝缘胶或者用于裁切形成裁切缺口。本发明的极片制备方法,可以降低电芯内阻、厚度、减少毛刺、提升容量、提高充放电性能。

标签:
加工技术
广东 - 惠州 来源:中冶有色网 2023-03-18
聚合物涂层隔膜及包含其的锂离子电池

本实用新型提供一种聚合物涂层隔膜,所述聚合物涂层隔膜包括基膜和设置于基膜至少一个表面的陶瓷涂层,所述聚合物涂层设置于基膜或陶瓷涂层的边缘,通过在边缘涂覆聚合物涂层,基膜或陶瓷层中部不再涂覆聚合物涂层,降低了聚合物涂层对基膜透气性的影响,提高聚合物涂层隔膜的离子电导率,无堵孔风险,可保证电池制造生产过程中正负极极片不会发生移位或错位。

标签:
加工技术
广东 - 惠州 来源:中冶有色网 2023-03-18
复合隔膜的制备方法及复合隔膜、锂离子电池

本发明提供了一种复合隔膜的制备方法,包括以下步骤:S1、先将偶联剂与溶剂混合,然后加入无机填料,40~60℃下偶联4~5h;接着再加入分散剂进行混合,得到改性后的无机填料溶液;S2、将增稠剂、粘结剂加入到改性后的无机填料溶液中,搅拌,得到改性无机填料水性浆料;S3、将PMMA、乳化剂和丙烯酸加入到改性无机填料水性浆料中,加热至60~65℃反应3~4h,得到复合粒子浆料;S4、将步骤S3得到的复合粒子浆料涂覆于基膜的至少一表面,烘干,得到隔膜。相比于现有技术,本方法不仅解决了目前隔膜2次涂覆工艺繁杂的问题,也解决了因PMMA涂层的厚度和面密度增量小导致对生产过程难以管控一致性差的问题。

标签:
加工技术
广东 - 惠州 来源:中冶有色网 2023-03-18
三元前驱体及制备方法、一种三元材料及锂离子电池

本申请提供一种三元前驱体,所述三元前驱体的粒径分布D50为2.5‑4.5μm,(D90‑D10)/D50为0.7‑1.3,所述三元前驱体含硫元素150‑400ppm,含钠元素低于100ppm。该三元前驱体的粒径小、比表面积大,粒度分布均匀,振实密度高,且钠、硫等杂质的含量低,通过该三元前驱体有利于制备得到性能优异的三元正极材料。

标签:
加工技术
广东 - 惠州 来源:中冶有色网 2023-03-18
外壳组件及锂电池
外壳组件及锂电池 754     
 0

本申请属于电池技术领域,涉及一种外壳组件及锂电池。包括壳体及盖板,所述壳体为一端开口的方形结构,所述壳体内形成有用于容纳极芯的容纳腔,所述盖板扣合在所述壳体的开口端;所述壳体的开口边缘设置有向外延伸的外延部,所述外延部凸出于所述壳体的侧壁,所述盖板朝向所述壳体的一侧面上设置有向所述壳体凸出的凸缘,所述凸缘的外侧面与所述壳体的侧壁的内表面抵接,所述盖板的外边缘与所述外延部贴合焊接。本申请的外壳组件,凸缘能够对盖板起预定位的作用,沿着盖板的外边缘与外延部贴合焊接时,盖板并不会松动,提高焊接质量。

标签:
加工技术
广东 - 惠州 来源:中冶有色网 2023-03-18
上一页 23 24 25 26 27 ... 127 下一页
共127页    到第

中冶有色为您提供最新的广东惠州有色金属材料制备及加工技术理论与应用信息,涵盖发明专利、权利要求、说明书、技术领域、背景技术、实用新型内容及具体实施方式等有色技术内容。打造最具专业性的有色金属技术理论与应用平台!

全国热门有色金属设备推荐
展开更多 +
全国热门有色金属技术推荐
展开更多 +

 

江西省隆恩特环保设备有限公司
宣传

报名参会
更多+

报告下载

有色专家
更多+

北方民族大学
院长/教授
中南大学
常务副校长
矿冶科技集团有限公司
党委书记 / 董事长
广西大学
处长/教授
赣州江钨钨合金有限公司
副总经理
赤泥综合利用研究报告2025
推广

热门技术
更多+

推荐企业
更多+

福建省金龙稀土股份有限公司
宣传

发布

在线客服

公众号

电话

顶部
咨询电话:
010-88793500-807