青岛垚鑫智能科技有限公司
宣传

位置:中冶有色 >

有色技术频道 >

> 废水处理技术

分类:
全部
矿山技术
冶金技术
材料制备及加工技术
环境保护技术
分析检测技术
 
全部
废水处理技术
大气治理技术
固/危废处置技术
土壤修复技术
地区:
全部
北京
天津
上海
重庆
河北
山西
辽宁
吉林
黑龙江
江苏
浙江
安徽
福建
江西
山东
河南
湖北
湖南
广东
海南
四川
贵州
云南
陕西
甘肃
青海
内蒙
广西
西藏
宁夏
新疆
其他
其他
展开
 
全部
武汉
黄石
十堰
宜昌
襄阳
鄂州
荆门
孝感
荆州
黄冈
咸宁
随州
恩施土家族苗族自治州
仙桃
潜江
天门

湖北武汉有色金属废水处理技术理论与应用

免费发布技术信息>>
失活脱硝催化剂再生废液处理回收方法及其应用

本发明提供了一种失活脱硝催化剂再生废液处理回收方法及其应用。具体为:失活脱硝催化剂再生废液包括再生废碱液和再生废酸液,从再生废碱液中加酸调节pH加入氯化铵进行沉淀回收V得到偏钒酸铵固体,继续回收W得到仲钨酸铵固体和再生废碱液母液;从再生废酸液中加氨水调节pH进行沉淀回收V得到偏钒酸铵固体和再生废酸液母液。回收方法简单,不引入额外金属杂质离子,回收V和W得到偏钒酸铵和仲钨酸铵,可用于配置失活脱硝催化剂再生中所需活性组分浸渍液,而回收得到的再生废液母液,可用于配置失活脱硝催化剂再生中所需酸洗液或碱洗液,实现了失活脱硝催化剂再生废液在失活脱硝催化剂再生工艺中的循环利用,满足了工业废水零排放的要求。

标签:
废水处理
湖北 - 武汉 来源:中冶有色网 2023-03-19
用于高级氧化技术的CuO-CN过氧化物复合催化剂及其制备方法和应用

本发明提供了一种用于高级氧化技术的CuO‑CN过氧化物复合催化剂的制备方法,步骤包括:将有机铜源、二氢二胺在含羟基的有机溶剂中混合,溶剂挥发后以1‑10K/min的升温速率升温至500‑600℃保温2‑5h,冷却后研磨,得到用于高级氧化技术的CuO‑CN复合催化剂。得到了以异质结作用相互结合的CuO和CN复合催化剂,这种异质结构可以有效改善单体催化的原理缺陷,在无光等外加能量作用下,达到极高的氧化剂利用率。且CuO‑CN复合催化剂催化性能佳,在2min可降解90%以上的有机污染物,具有良好的稳定性,具有极佳的pH适用性,在实际废水的处理中具有极强的适应能力,且本发明制备工艺简单,具备良好的工业推广应用前景。

标签:
废水处理
湖北 - 武汉 来源:中冶有色网 2023-03-19
微波诱导催化剂及其制备方法

本发明涉及一种微波诱导催化剂及其制备方法。该催化剂的制备方法是:先用浸渍法将稀土元素的硝酸盐加载到经活化后的活性氧化铝上,然后经一定温度热处理使稀土元素以氧化物的形式存在于活性氧化铝表面上,制成经稀土元素改性的活性氧化铝。然后再用浸渍法将过渡金属硝酸盐加载到经改性的活性氧化铝表面上,由于稀土元素氧化物的存在,热处理后过渡金属氧化物晶体能更均匀地分布在活性氧化铝表面上,最终制成负载型催化剂。该催化剂具有在水处理过程中良好的固液分离性、比常规活性炭体系更高的稳定性及更强的诱导催化活性等优点,解决了微波诱导催化氧化技术在废水处理上难以工业化的问题。

标签:
废水处理
湖北 - 武汉 来源:中冶有色网 2023-03-19
提高真空碳酸钾脱硫工艺碱洗段碱液利用率的方法及装置

本发明涉及一种提高真空碳酸钾脱硫工艺碱洗段碱液利用率的方法及装置。一种提高真空碳酸钾脱硫工艺碱洗段碱液利用率的方法,它包括以下步骤:采用化产车间蒸氨后的蒸氨废水代替工业新水对NaOH溶液进行稀释后储放于NaOH碱液槽中;将NaOH碱液槽的NaOH碱液送至脱硫塔上部的氢氧化钠碱洗段进行碱洗,同时将碱洗后的碱洗液回流至废碱槽中,然后将废碱槽中的碱洗液和NaOH碱液槽中的NaOH碱液混匀后回送至脱硫塔上部的氢氧化钠碱洗段重复使用,至废碱槽中的废液pH低于10时,停止回用;将废碱槽中的废液送至蒸氨塔代替NaOH作碱使用。其可将碱洗段NaOH碱液循环使用,在保证脱硫塔脱硫效果的前提下提高了碱液使用效率。

标签:
废水处理
湖北 - 武汉 来源:中冶有色网 2023-03-19
PVA海绵负载纳米银材料的制备方法与应用

本发明涉及一种PVA海绵负载纳米银材料的制备方法,具体包括如下步骤:制备PVA海绵;将PVA海绵浸泡于多巴胺溶液内,并用Tris缓冲溶液调节PH值至7.0~9.5;将经过多巴胺溶液和Tris缓冲溶液浸泡过后的PVA海绵浸泡于硝酸银溶液;将经过多巴胺溶液、Tris缓冲溶液和硝酸银溶液浸泡过后的PVA海绵浸泡于硼氢化钠溶液,清洗干燥,制得PVA海绵负载纳米银材料。PVA海绵负载纳米银材料应用于工业废水中对硝基苯酚有机染料的还原。本发明的有益效果为:PVA海绵负载纳米银材料在硼氢化钠降解对硝基苯酚有机染料实验中具有优异的催化活性,而且反应完成后不造成二次污染;经过多次循环使用仍保持良好的催化效果。

标签:
废水处理
湖北 - 武汉 来源:中冶有色网 2023-03-19
微波-无极紫外光催化氧化水处理方法

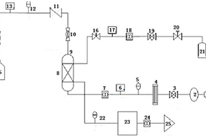
本发明是一种微波-紫外光催化氧化水处理方法,其特征是一种微波-无极紫外光催化氧化水处理方法,包括如下步骤:微波发生器(1)发出微波(2);微波(2)激发无极紫外光源的发光体(3)稀有气体,产生紫外光(4);微波(2)与紫外光(4)协同作用,对工业废水(5)中的有机污染物进行微波降解和光催化氧化反应。本发明具有能耗少、成本低、实用性强和利于推广等优点。

标签:
废水处理
湖北 - 武汉 来源:中冶有色网 2023-03-19
空气型光催化反应膜的制备方法及其应用

本发明属于工业有机废水降解技术领域,具体涉及一种空气型光催化反应膜的制备方法,其包括以下步骤:S1将不锈钢丝网作为基底材料,放入亚克力板的凹槽内,使基底材料与凹槽底部水平;S2将PDMS溶液与固化剂配制得到粘着剂混合液,并将纳米二氧化钛P25分散在Nafion溶液中得到光催化剂混合液;S3将粘着剂混合液缓慢滴在基底材料上,并进行抽真空处理;S4将亚克力板水平放入烘箱内烘烤;S5将光催化剂混合液倒入粘着剂上,将亚克力板水平放入烘箱内继续烘烤,制得空气型光催化反应膜。本发明的方法制备的膜具有降解效率高、性能稳定、可以实现气液两相分离和氧气扩散、无需曝气和搅拌、成本低廉等优点。

标签:
废水处理
湖北 - 武汉 来源:中冶有色网 2023-03-19
埃洛石纳米管改性聚乙烯醇海绵载银材料及其制备方法和应用

本发明属于工业废水中4‑NP有机染料的还原技术领域,具体涉及一种埃洛石纳米管改性聚乙烯醇海绵载银材料及其制备方法和应用。本发明利用机械发泡制备的埃洛石纳米管改性聚乙烯醇海绵载银材料具有亲水性和多孔结构,容易吸附水污染物。此外,由于HNTs和PVA对Ag离子的锚定能力强,埃洛石纳米管改性聚乙烯醇海绵载银材料对4‑NP的还原表现出很高的催化性能。

标签:
废水处理
湖北 - 武汉 来源:中冶有色网 2023-03-19
便于藻类资源高效利用的污水处理方法

本发明涉及一种便于藻类资源高效利用的污水处理方法,包括:将工业废水通过二级沉淀池中的倾斜式沉淀板,进行沉淀得到第一级处理水;将第一级处理水通过活性炭层进行污水中的金属物质反应过滤,得到第二级处理水;将第二级处理水通过沸石层进行污水的沉淀和碳化处理得到第三级处理水;将第三级处理水通过污水处理池的藻类层进行微生物分解处理得到第四级处理水。本发明具有除磷效果好、过滤速度快及低能耗等优点;水过滤速度快,过滤效果好,过滤网无需经常进行更换,更换滤网和维修的频率低,有效的降低了使用和维护成本;当通过利用MBR进行含有PVA的污水的净化处理时,该方法能够稳定地进行污水净化处理,同时抑制结垢的发生。

标签:
废水处理
湖北 - 武汉 来源:中冶有色网 2023-03-19
废FCC催化剂资源化利用的方法

本发明公开了一种废FCC催化剂资源化利用的方法。其技术方案是:以50~70wt%的废FCC催化剂、25~45wt%的黏土和2~5wt%的TiO2为催化剂原料,混合,烘干,研磨;置入圆盘造粒机,边转动边喷洒占催化剂原料10~15wt%的过渡金属盐水溶液,转动圆盘造粒机至形成粒径为3~5mm的球状催化剂颗粒;烘干,于1080~1200℃条件下烧结15~30min,制得臭氧催化剂。按照臭氧催化剂的填充体积为氧化塔或反应池有效容积的45~60%,将臭氧催化剂填充于催化氧化塔或反应池,臭氧投加量为50~75mg/L,反应15~30min,深度处理后的难降解工业废水COD达标排放。本发明工艺简单、成本低廉和资源化程度高,所制备的臭氧催化剂的催化性能稳定和催化活性高。

标签:
废水处理
湖北 - 武汉 来源:中冶有色网 2023-03-19
胺化木质素改性聚乙烯醇海绵载银材料及其制备方法和应用

本发明属于工业废水中对硝基苯酚有机污染物的还原技术领域,具体涉及一种胺化木质素改性聚乙烯醇海绵载银材料及其制备方法和应用。该方法包括以下步骤:1)获取胺化木质素;2)在制备聚乙烯醇海绵的过程中,在反应液中分散胺化木质素和银离子,并制备得到分散有胺化木质素的聚乙烯醇海绵半成品;3)对聚乙烯醇海绵半成品进行还原处理,得到胺化木质素改性聚乙烯醇海绵载银材料。该方案利用机械发泡制备的胺化木质素改性聚乙烯醇载银海绵具有亲水性和多孔结构,容易吸附水污染物。此外,由于胺化木质素提高了碱木质素的羟基含量,增强了对银离子的锚定能力,使得胺化木质素改性聚乙烯醇海绵载银材料对4‑NP表现出优异的催化还原性能。

标签:
废水处理
湖北 - 武汉 来源:中冶有色网 2023-03-19
悬移式气水同时冲洗三相分离周边排水槽

悬移式气水同时冲洗三相分离周边排水槽是一种适用于双层、三层滤料池用的有效冲洗设备。其特征在于具有功能分明的气液分离槽和固液分离槽,使气水同时冲洗时,气液固三相仍以很好分离,有效地解决了上层轻质煤滤料,随冲洗废水排放而流失的问题。从而保证了气水同时冲洗的顺利进行。本设备结构简单,制作方便,具有良好的分离性能及冲洗效果,显著的经济效益,应用本实用新型可对旧滤池进行挖潜改造。

标签:
废水处理
湖北 - 武汉 来源:中冶有色网 2023-03-19
马桶节水装置
马桶节水装置 722     
 0

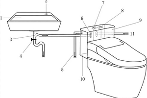
本实用新型涉及一种马桶节水装置,包括一个与马桶配合使用的储水箱,所述储水箱包括用箱体以及设置在箱体内的隔板,所述隔板将储水箱分为用于存储污水的污水储水箱以及用于存储清水的清水储水箱;清水储水箱通过清水控制钮控制清水进入马桶;污水储水箱通过污水控制钮控制污水进入马桶;所述清水储水箱通过管道与自来水源连接;污水储水箱通过污水控制系统与污水源连接。本实用新型可以根据用户需要,自主决定马桶的冲水方式。由于马桶水箱被分为污水储水箱与清水储水箱两部分,两者可以协调工作,因此可提前储存清水或者较洁净的生活废水,在需要时对马桶进行冲洗,对保护淡水资源的保护具有重要意义。

标签:
废水处理
湖北 - 武汉 来源:中冶有色网 2023-03-19
多功能射流除尘器
多功能射流除尘器 977     
 0

本实用新型公开了一种除尘、脱硫一体化装置,它由筒体1、引风管2、引射器3、旋流器4、分子筛反应层5、污水过滤层13、出风管6、出灰门14及水循环系统组成,筒体1的盖板18上固定有引风管2,筒体1内装置有引射器3和旋流器4,分子筛反应层5于旋流器4外侧设置在筒体1内,筒体1内的底部装置有污水过滤层13,外侧开有出灰门14,筒体1上段一 侧安装有出风管6。它将除尘与脱硫有机结合成一体,具有极高的除尘效率和脱硫效率,而且避免过剩废水的二次污染,其结构紧凑,体积小,重量轻,生产成本低。

标签:
废水处理
湖北 - 武汉 来源:中冶有色网 2023-03-19
带粪便污水处理功能的排水检查井

本实用新型公开了一种带粪便污水处理功能的排水检查井,包括依次连接的井筒、井脖和井座,井座上盖设有井盖,井筒内通过隔板分割为第一区和第二区,隔板上开设有联通孔,井筒的第一区的筒壁上设置有进水管和通气管,井筒的第二区的筒壁上设置有出水管。本实用新型结构简单,占地面积小;因就近与出户管衔接,埋深较浅,清掏方便;避免了采用大量的污水管道收集零星、分散、小水量的污水,降低建设成本,同时也减少了污水管道的淤积堵塞现象;另外,通过改变隔板联通孔的位置,将联通孔设置在井底部后就可以变换功能,处理厨房油腻废水。

标签:
废水处理
湖北 - 武汉 来源:中冶有色网 2023-03-19
去除溶解放射性气体的装置

本实用新型属于水净化领域,具体涉及一种去除溶解放射性气体的装置。目前燃料组件破损检测手段主要有在线啜吸检测和离线啜吸检测,在线啜吸检测时有较多疑似破损组件,检测精度不高,换料时间较长。本装置包括:进水单元、出水单元、进气口、出气口。保安过滤器一端和脱气膜组件进水口通过管道相连;脱气膜组件出气口与排气组件相连,脱气膜组件排气口与真空泵一端通过管道相连;气体吹扫单元与脱气膜组件进气口通过管道相连;出水单元与脱气膜组件出水口通过管道相连。本装置能有效实现放射性废水净化,不破坏水池化学环境。

标签:
废水处理
湖北 - 武汉 来源:中冶有色网 2023-03-19
景观设计用便于清理的喷泉头

本实用新型公开了一种景观设计用便于清理的喷泉头,其技术方案要点是:包括第一连接柱,所述第一连接柱的内圆壁面活动套接有第二连接柱,第一连接柱的内部底面固定安装有电动推杆,第二连接柱的外圆壁面固定安装有两个侧柱,第一连接柱的内圆壁面开设有两个内槽,内槽与侧柱活动连接在一起,第二连接柱的顶面活动连接有第三连接柱,通过转动第三连接柱,第三连接柱会带动螺纹柱与螺纹孔转动,此时第二连接柱与第三连接柱分离,可通过转动喷头将喷头与底座进行分离,可从转动槽与卡槽的内部将过滤网拿出,此时可使用清洁剂或者水对设备进行清理,可通过拉动侧握杆,侧握杆会将出水柱与侧盖分离,废水会从出水柱内流出,方便装置进行拆分与清洗。

标签:
废水处理
湖北 - 武汉 来源:中冶有色网 2023-03-19
滚揉机
滚揉机 822     
 0

本申请涉及食品加工的领域,尤其是涉及滚揉机,包括机架以及横向安装在机架上的滚筒,滚筒的开口处设置有盖体,盖体可拆扣合在滚筒的开口处,盖体的中心处开设有清洗口,滚筒的侧壁开设有排水口,排水口处转动连接有封盖。本申请具有能够对滚揉机内部进行全面的清洗并完全的将清洗液排出,防止废水残留,保证后续进行食品生产的安全性的效果。

标签:
废水处理
湖北 - 武汉 来源:中冶有色网 2023-03-19
双级双循环厌氧反应器
双级双循环厌氧反应器 1024     
 0

本实用新型公开了一种双级双循环厌氧反应器,包括本体,本体还包括设置在本体底部的进水布水装置,一级三相分离器和二级三相分离器将本体从上至下依次分割为沉淀室、深度进化反应室和流化床反应室,一级三相分离器通过一级沼气提升管与一级气液分离器连接,一级气液分离器通过一级沼气排气管与二级气液分离器连接,二级气液分离器通过二级沼气提升管与二级三相分离器连接,二级气液分离器的出气口伸出本体外,一级气液分离器和二级气液分离器分别与内循环回环管。本实用新型用于对废水进行高效的厌氧生物处理,容积负荷高,节省投资和占地面积;内部循环量大,节省动力消耗,兼有外部循环,抗冲击负荷能力强;出水稳定性好,并可回收沼气。

标签:
废水处理
湖北 - 武汉 来源:中冶有色网 2023-03-19
生态疏浚底泥的脱水固磷一步法

生态疏浚底泥的脱水固磷一步法,其特征在于:采用自制的钙基聚合氯化硫酸铝铁三元复合脱水固磷剂Ca‑PAFCS进行脱水与固磷,既对底泥进行有效脱水、减少底泥的体积,同时又将脱水过程产生的磷有效固持到底泥之中,不使磷存在于脱除水之中,以此减少河湖水体中磷的含量,防止水体富营养化。本发明可使含水率在95~99%,含磷量在0.6~2.0mg/g的生态疏浚底泥通过脱水固磷后,含水率降至80%以内、底泥中含磷量为1.95~8.46mg/g、被脱除水中磷含量0.5mg/L以内,废水中COD在100mg/L以内,该方法工艺简单,操作安全,添加脱水固磷剂不对底泥产生二次污染。

标签:
废水处理
湖北 - 武汉 来源:中冶有色网 2023-03-19
烟草薄片梗液的处理方法

本发明公开了一种烟梗液处理的方法,包括如下步骤:1)烟梗液的脱色,2)烟梗液的脱烟碱,3)脱色的洗脱,4)脱烟碱的洗脱,5)去离子水洗脱后,COD、氨氮和盐度很低可以直接进行生化处理。本发明的有益效果:1、解决了烟梗液难于处理的问题;2、去除了烟梗液中的色素等部分有机物,可以集中收集处理,有利于污水处理;3、提取了烟梗液中的烟碱,并容易富集提高,避免了传统做法碱化的步骤减少了污染;4、脱色脱烟碱后,COD大幅度降低有利于废水处理;5、提取的烟碱可以应用于多种新型烟草薄片产品,提高新型烟草的抽吸感受,提高产品竞争力。

标签:
废水处理
湖北 - 武汉 来源:中冶有色网 2023-03-19
PtRu-SnNb<Sub>2</Sub>O<Sub>6</Sub>二维复合材料的制备方法

本发明公开一种PtRu‑SnNb2O6二维复合材料的制备方法。首先在水热反应釜中制备铌酸锡纳米片,然后用光还原的方法将二元合金纳米颗粒原位沉积到铌酸锡纳米片上,最终得到了PtRu‑SnNb2O6二维复合光催化材料。本发明制备方法简单,容易操作,反应条件温和容易控制,具有实际的可行性。所制备的二维复合光催化材料对废水中的有机污染物进行高效率的降解,经过试验这证实其对罗丹明B有机污染物的降解速率比单Ru‑SnNb2O6纳米片提高了157%。

标签:
废水处理
湖北 - 武汉 来源:中冶有色网 2023-03-19
基于Eu3+-MOF的高水稳定性双发射荧光探针及其制备方法和应用

本发明公开了一种基于Eu3+‑MOF的高水稳定性双发射荧光探针的制备方法和应用,该荧光探针将2‑羟基对苯二甲酸掺入UiO‑66‑(COOH)2,再用Eu3+修饰后制得,对Fe3+和Al3+具有高度选择性和灵敏性。本发明制得的基于Eu3+‑MOF的高水稳定性双发射荧光探针在450nm和614nm处有双重发射,Fe3+淬灭450nm和614nm的发射峰;而Al3+只淬灭450nm处的发射峰,614nm处的发射峰的荧光强度基本不变,表现出一种比率荧光信号。Fe3+和Al3+之间的信号没有明显的干扰,可以同时检测Fe3+和Al3+。即该荧光探针对Fe3+和Al3+的高选择性和高灵敏性,并且具有不同的响应模式。该基于Eu3+‑MOF的高水稳定性双发射荧光探针可用于Fe3+和Al3+的检测,特别是应用于猪场废水中的Fe3+和Al3+的同时定量检测。

标签:
废水处理
湖北 - 武汉 来源:中冶有色网 2023-03-19
从玉米麸质水中制备玉米多肽的方法

本发明公开了一种从玉米麸质水中制备玉米多肽的方法。该方法通过使用亚硫酸钠调节玉米麸质水pH至5.5~8.0,再经超声波处理,离心收集液体;再用氢氧化钠调节液体的pH至8~11加入碱性蛋白酶酶解;对酶解液通过微滤膜除杂,再将微滤滤液通过纳滤膜浓缩,将浓缩物干燥处理得到玉米多肽。本发明以玉米麸质水为原料提取生产玉米多肽,生产成本较低;通过调整pH和超声处理,在酶解前完成醇溶蛋白的改性,提高了蛋白质的纯和水解效果;经两级膜分离处理,得到蛋白质含量90%的玉米多肽产品,工艺收率约85%;无有机溶剂淬取,玉米多肽产品中不含溶剂残留,安全性高;剩余少量废水COD≤800mg/L,稍作处理即可达标排放。

标签:
废水处理
湖北 - 武汉 来源:中冶有色网 2023-03-19
烟草阳离子半纤维素的制备方法及应用

本发明提供一种烟草阳离子半纤维素的制备方法及应用。所述烟草阳离子半纤维素具体是将废弃的烟草原料提取后的固相物与碱溶液混合后加热搅拌后收集滤液,再加入乙醇过滤后收集沉淀物干燥后得到烟草半纤维素,然后加入氢氧化钠搅拌反应后再缓慢加入阳离子表面活性剂反应1~3h,再加入弱酸中和后,通过乙醇沉淀,然后过滤后收集沉淀物再通过乙醇洗涤、干燥得到烟草阳离子半纤维素。本发明制备的烟草阳离子半纤维素作为再造烟叶浆料助留剂,能有效地提高的填料留着率、改善浆料滤水性能、提高吸收阴离子干扰物的能力,减轻白水与废水负荷、更容易生物降解,改善再造烟叶燃烧性能,降低了焦油及CO释放量,对卷烟感官质量有一定提升。

标签:
废水处理
湖北 - 武汉 来源:中冶有色网 2023-03-19
用酒糟制备的重金属吸附剂及其制备方法

本发明公开了一种用酒糟制备的重金属吸附剂及其制备方法,该吸附剂以包含固态白酒酒糟的混合物为原料经微生物培养后制备而成。本发明充分利用酿酒废弃物,生产大量菌体及菌丝。酒糟成分及微生物的有机成分对废水等水体中的重金属成分有独特的吸附及离子交换等多种作用,使水体重金属成分含量降低;根据水体不同重金属成分,可采用不同菌种接种,使这种方法生产的吸附剂具有选择特异性;也可将不同微生物的培养物混合制备吸附多种重金属的吸附剂。该吸附剂经过洗脱、活化后可重复使用,具有成本低、无二次污染等优点。另外,含有重金属成分的吸附剂经过焚烧处理可回收重金属成分。

标签:
废水处理
湖北 - 武汉 来源:中冶有色网 2023-03-19
用于免蒸养预制混凝土构件的纳米晶核早强剂

本发明公开了一种用于免蒸养预制混凝土构件的纳米晶核早强剂,采用如下方法制备:第一步,对商混搅拌站生产过程中产生的废弃塑性混凝土进行砂石分离,得废浆A;第二步,使废浆A在废水沉降罐内静置,取下层的浓浆B;第三步,使浓浆B置于匀化灌内,添加匀化剂搅拌,加水将浓浆B稀释至固含量为20%,得到废浆C;匀化剂的添加量为浓浆B中固体质量的0.5~1%;第四步,利用立式砂磨机对废浆C进行研磨,获得纳米晶核早强剂。本发明利用搅拌站生产全周期中产生的废弃混凝土来制备纳米晶核早强剂,不仅实现了商混搅拌站废弃物零排放,所制备的早强剂还实现了真正的混凝土免蒸养早强。

标签:
废水处理
湖北 - 武汉 来源:中冶有色网 2023-03-19
复合中空碳球离子吸附材料及其制备方法与应用

本发明提供了一种复合中空碳球离子吸附材料的制备方法,包括以下步骤:首先,将海藻粉体与醇类溶剂混合并研磨,固液分离、干燥获得前驱体A;其次,将前驱体A、有机凝胶剂、交联剂溶解于溶剂I中,加入表面活性剂,经乳化反应、冷冻干燥,获得碳球前驱体B;再次,向碳球前驱体B中加入稳定剂和调节剂,经加热处理,得到中空碳球;最后,将中空碳球分散于溶剂II中,加入有机单体和引发剂进行反应,得到改性中空碳球;再经处理剂溶液浸泡处理,清洗干燥,即得到复合中空碳球离子吸附材料。制得的吸附材料具有更大的比表面积,其表面修饰的有机官能团能够提升离子吸附容量并提高吸附效率,适于在重金属污染废水的治理领域进行推广和应用。

标签:
废水处理
湖北 - 武汉 来源:中冶有色网 2023-03-19
Eu3+功能化MOF荧光探针及其制备方法和检测四环素类药物的应用

本发明公开了一种Eu3+功能化MOF荧光探针及其制备方法和检测四环素类药物的应用,该Eu3+功能化MOF荧光探针将Eu3+引入UiO‑66‑(COOH)2/p‑CBA制得,该Eu3+功能化MOF荧光探针对四环素类药物具有高度选择性和灵敏性。本发明制得的Eu3+功能化MOF荧光探针对6种典型四环素类抗生素显示出高选择性和高灵敏度,6种典型四环素类抗生素为土霉素、金霉素、亚甲基四环素、米诺环素、四环素和多西环素,因此,该Eu3+功能化MOF荧光探针可用于四环素类药物的检测,特别是应用于检测猪废水和猪肾中的多西环素。

标签:
废水处理
湖北 - 武汉 来源:中冶有色网 2023-03-19
高铝含量无碱无氯速凝剂的制备方法

本发明公开了一种高铝含量无碱无氯速凝剂的制备方法,向十八水硫酸铝中缓慢滴加氨水溶液,搅拌溶液呈清澈状态,持续搅拌;在继续保持搅拌状态,缓慢加入十八水硫酸铝,确保pH值在3.8~5.0范围内;加入后,持续搅拌,确保加入低铝辅助速凝组分后,速凝体系稳定清澈液;向速凝体系稳定清澈液加入交联剂、无机酸和早强剂;搅拌即得高铝含量无碱无氯速凝剂。本发明合成所得的氢氧化铝溶胶为高铝主要速凝组分;硫酸铝是低铝辅助速凝组分;硫酸铵可为无机盐早强剂组分;交联剂影响到交联体系的活性;无机酸调pH值,增加体系稳定性本发明原材料常见易得,工艺简单明了,生产过程无污染,无热源、无噪声,无外排气体和废水,产品稳定有效。

标签:
废水处理
湖北 - 武汉 来源:中冶有色网 2023-03-19
上一页 22 23 24 25 26 ... 60 下一页
共60页    到第

中冶有色为您提供最新的湖北武汉有色金属废水处理技术理论与应用信息,涵盖发明专利、权利要求、说明书、技术领域、背景技术、实用新型内容及具体实施方式等有色技术内容。打造最具专业性的有色金属技术理论与应用平台!

全国热门有色金属设备推荐
展开更多 +
全国热门有色金属技术推荐
展开更多 +

 

江西省隆恩特环保设备有限公司
宣传

报名参会
更多+

报告下载

有色专家
更多+

中国矿业大学
教授
中南大学
中国工程院 院士
紫金矿业信息化研发中心
副总经理
有研资源环境技术研究院(北京)有限公司
副总经理/教授级高工
长沙矿冶院检测技术有限责任公司
总经理
赤泥综合利用研究报告2025
推广

热门技术
更多+

推荐企业
更多+

福建省金龙稀土股份有限公司
宣传

发布

在线客服

公众号

电话

顶部
咨询电话:
010-88793500-807