青岛垚鑫智能科技有限公司
宣传

位置:中冶有色 >

有色技术频道 >

> 新能源材料技术

分类:
全部
矿山技术
冶金技术
材料制备及加工技术
环境保护技术
分析检测技术
 
全部
功能材料技术
复合材料技术
新能源材料技术
合金材料技术
加工技术
地区:
全部
北京
天津
上海
重庆
河北
山西
辽宁
吉林
黑龙江
江苏
浙江
安徽
福建
江西
山东
河南
湖北
湖南
广东
海南
四川
贵州
云南
陕西
甘肃
青海
内蒙
广西
西藏
宁夏
新疆
其他
其他
展开
 
全部
杭州
宁波
温州
绍兴
湖州
嘉兴
金华
衢州
台州
丽水
舟山

浙江杭州有色金属新能源材料技术理论与应用

免费发布技术信息>>
用于电能系统ECS的新型链环式通信系统

本发明提出一种用于电能系统ECS的新型链环式通信系统,包括:电能系统和通信系统,电能系统,包括若干个子电能平台,子电能平台由固定数量的子电能单元串联而成;通信系统,采用一体链环双向双通道通信架构,包括母控单元MCU和与子电能平台供电连接的子控单元,所述子控单元定义第一个子控单元为SBU1,定义第二个子控单元为SBU2,依此类推,定义最后一个子控单元为SBUm,相邻的子控单元信号连接,首尾的子控单元与母控单元MCU信号连接。本发明采用一体链环双向双通道通信架构,当出现断线故障时,发生反射通信,也能完好接收数据,同时接入低功耗电源模块LPM减少电能的损耗,利用异常诊断模块对通信线进行检测,检测更加全面,可用于新能源汽车和新能源储能系统,安全可靠性高、成本低。

标签:
新能源
浙江 - 杭州 来源:中冶有色网 2023-03-18
微型电网系统中用于分布式电源并联运行模式的基于通信网络的改进的下垂控制方法

本发明公开了一种微型电网系统中用于分布式电源并联运行模式的基于通信网络的改进的下垂控制方法,旨在改进传统下垂控制方法的缺陷,改进分布式电源在并联运行模式中的性能,提高系统的稳定性,适用于集成了新能源分布式发电的微型电网系统中并联运行模式的控制。本发明以通信网络为基础,将微型电网系统的中央控制器与每个逆变器单元的控制器组成一个整体控制系统,通过计算公共负载的有功功率和无功功率,修正每一台分布式电源的下垂控制方案。采用该方案,可以实现更好的功率均流效果,更小的母线电压频率和幅值偏差,具有良好的应用前景。

标签:
新能源
浙江 - 杭州 来源:中冶有色网 2023-03-18
石墨烯与MoS2的复合纳米材料及其制备方法

本发明公开了一种石墨烯与MoS2的复合纳米材料及其其制备方法,复合材料由石墨烯和MoS2纳米材料复合构成,石墨烯与MoS2纳米材料的之间物质量之比为1∶1-4∶1;其制备方法是先用化学氧化法将石墨制备成氧化石墨纳米片,然后用钼酸盐溶解在去离子水中形成0.02~0.07M的溶液,加入L-半胱氨作为硫源和还原剂,L-半胱氨与钼酸盐的物质量的比为5∶1~12∶1,再将氧化石墨纳米片加入该溶液中,超声处理使氧化石墨纳米片充分分散在水热反应溶液中,将该混合物转入水热反应釜中密封,通过一步水热方法合成得到石墨烯与MoS2的复合纳米材料,复合材料中石墨烯纳米片与二硫化钼的物质量之比为1∶1-4∶1。本发明的方法具有反应条件温和和工艺简单的特点。本发明合成的石墨烯与MoS2的复合纳米材料作为新能源电池的电极材料、高性能国体润滑剂和催化剂载体等具有广泛的应用。

标签:
新能源
浙江 - 杭州 来源:中冶有色网 2023-03-18
考虑储能装置的透明微网群经济运行域生成方法

本发明涉及一种考虑储能装置的透明微网群经济运行域生成方法,包括以下步骤:步骤一:基于经验分布方法预测新能源出力区间和负荷水平区间;步骤二:根据调度偏好设置成本函数,得到最小化成本函数;步骤三:根据调度偏好确定约束条件,所述约束条件生成基于潮流分配系数矩阵的数学优化模型;步骤四:根据所述新能源出力区间、所述负荷水平区间、所述最小化成本函数和所述数学优化模型,求解得到透明微电网群机组经济运行域。上述技术方案能够在考虑储能装置运行约束的前提下,快速求解出计及电网源荷不确定性的微电网群机组优化运行区间,即“经济运行域”,可应用于日内实时滚动调度计划生成,具有较大的工程应用价值和推广前景。

标签:
新能源
浙江 - 杭州 来源:中冶有色网 2023-03-18
充电桩车位管理方法、装置及系统

本申请提供一种充电桩车位管理方法、装置及系统,用以提高车辆分类的准确率。该充电桩车位管理方法包括:根据抓拍的第一视频图像,确定目标车辆以及所述目标车辆的车牌相关信息,所述第一视频图像为抓拍的充电桩车位入口处的图像;当根据所述车牌相关信息确定所述目标车辆为非新能源车辆时,对所述目标车辆进行子品牌识别,获取所述目标车辆的子品牌信息;当根据所述子品牌信息确定所述目标车辆为新能源车辆时,控制车位锁解锁以允许所述目标车辆进入所述充电桩车位。

标签:
新能源
浙江 - 杭州 来源:中冶有色网 2023-03-18
锂电池装配设备
锂电池装配设备 1046     
 0

本发明涉及新能源生产技术领域。锂电池装配设备,包括机架组件、支撑架、电芯送料组件、上料机械手组件、中转组件、转盘组件、贴胶组件、压胶组件、包胶组件和下料机械手组件。该锂电池装配设备的优点是顶面贴胶和侧端面包胶全自动操作。

标签:
新能源
浙江 - 杭州 来源:中冶有色网 2023-03-18
石墨烯纳米片/WS2的复合纳米材料及其制备方法

本发明公开了一种石墨烯纳米片与WS2的复合纳米材料及其合成方法及其制备方法,复合材料由石墨烯和WS2纳米材料复合构成,石墨烯纳米片与WS2纳米材料的之间物质量之比为1∶1-4∶1。其制备方法是先用化学氧化法将石墨制备成氧化石墨纳米片,然后用钨酸溶解在去离子水中形成0.02~0.07M的溶液,加入L-半胱氨作为硫源和还原剂,L-半胱氨与钨酸的物质量的比为5∶1~12∶1,再将氧化石墨纳米片加入该溶液中,超声处理使氧化石墨纳米片充分分散在水热反应溶液中,将该混合物转入水热反应釜中密封,通过一步水热方法合成得到石墨烯纳米片与WS2的复合纳米材料,复合材料中石墨烯纳米片与二硫化钨的物质量之比为1∶1-4∶1。本发明的方法具有反应条件温和和工艺简单的特点。本发明合成的石墨烯纳米片与WS2的复合纳米材料作为新能源电池的电极材料、高性能国体润滑剂和催化剂载体等具有广泛的应用。

标签:
新能源
浙江 - 杭州 来源:中冶有色网 2023-03-18
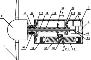
双涡轮互动式风力发电路灯

一种双涡轮互动式风力发电路灯,属于新能源技术领域;由两个涡轮式球形风轮,分别设置在一个同轴发电机的两个外转子上,主轴固定在机架中,导线分别连接发电机、控制盒、灯具、光伏电池、引风扇;特征是:第二风轮设在第一风轮内部,灯柱内壁设螺旋形风道和引风扇,使上升气流由直线运动转换成螺旋形运转上升,产生强大的涡旋形旋转力矩,推动第二风轮按逆时钟旋转,气流从多个弧形叶片空隙中排出推动第一风轮按顺时针旋转,两种风轮产生助动作用带动两个外转子按不同的方向旋转发电;改变和隔离气流的排气方向,克服外界风力大于柱内气流时两种气流相互抵销的缺陷,使发电机的效率增强一倍以上,能在微风和无风的常态下24小时全天候运转发电。

标签:
新能源
浙江 - 杭州 来源:中冶有色网 2023-03-18
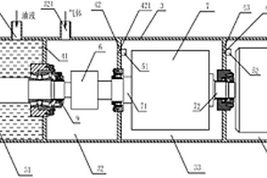
换气照明两用风力发电机

本发明公开一种换气照明两用风力发电机,属于新能源供电系统设备技术领域,包括:主机9与球托8连接,主轴6固定在机架10上,上端通过主轴承4支承风轮5和助动风轮2,顶部连接助动风口3,机架10套接在机座12上,以及控制盒、止动器、为主要部件组成;特征是:主机内设有通风冷却装置和自动监控调速系统,克服了永磁体因温升过热造成的退磁老化问题,风力发电机在低风速下难以启动或高风速中发电效率低、输出不稳定、噪音大等问题,缩小和减轻了发电机的重量和体积,大幅度地降低了制造成本。产品不仅具有广阔的市场潜力,而且,一机多能、免费通风换气、免费供电照明、对于缓解目前与日俱增的城市用电量来说,具有事半功倍的效果。

标签:
新能源
浙江 - 杭州 来源:中冶有色网 2023-03-18
基于内外因素关联的锂电池预警系统及其预警方法

本申请涉及新能源汽车的领域,其具体地公开了一种基于内外因素关联的锂电池预警系统及其预警方法,其通过编码器和卷积神经网络模型对所述新能源车的外部因素和内部因素数据进行关联特征提取,以得到第一特征向量和第二特征向量,进一步计算这两个所述特征向量之间的响应性指数,可以有效表示这两方面的交互数据特征相对于彼此的响应性特征,以提高两方面的特征在分类应用中的可协调性,并且还计算这两个所述特征向量的响应性准则因数,以进一步基于向量整体的响应性指数计算节点之间的响应性细节。这样,通过响应性准则因数作为所述第二特征向量的加权因数,可以比较准确地表示所述第一特征向量对所述第二特征向量的作用结果,从而提高分类准确性。

标签:
新能源
浙江 - 杭州 来源:中冶有色网 2023-03-18
利用锅炉烟气余热干化污泥的方法

本发明公开了一种利用锅炉烟气余热干化污泥的方法。本发明主要是利用锅炉烟气余热,通过两段式或三段式干化过程,使污水处理厂污泥在低温条件下得到干化,并形成粒径为1-6毫米的坚硬污泥团粒。该污泥团粒可以作为锅炉的辅助燃料,也可以烧制轻质节能砖和生产水泥压制品。本发明利用锅炉烟气余热干化污泥,可以在不用消耗新能源的情况下,将污水处理厂污泥的含水率降低,使污泥干化过程在较低的经济成本下运行,实际上开辟了一条废物循环利用,以废治废的有效途径,不仅能够产生显著的社会和环境效益,而且也能获得明显的经济效益。本发明已在江苏江阴投入实际运用,实践表明,采用该项技术不仅使工业废水和生活污水污泥得到有效的无害化和资源化处理,而且使烟气完全达标排放,获得显著的社会、环境和经济三重效益。

标签:
新能源
浙江 - 杭州 来源:中冶有色网 2023-03-18
利用热电厂烟气余热的串联式污泥干化系统

本发明公开了一种利用热电厂烟气余热的串联式污泥干化系统。它具有供热系统、污泥预处理系统、进料系统、污泥干化和成粒系统、除尘除气系统。本发明利用热电厂烟气余热干化污泥,不仅为城市污水处理厂污泥的无害化、减量化和资源化处理提供了基本条件,可以在不用消耗新能源的情况下,将污水处理厂污泥的含水率降低,并形成质地坚硬的污泥团粒,使污泥干化和成粒过程在较低的经济成本下运行,从而克服了因经济费用高使污泥无害化、减量化和资源化处理难以付诸实际的瓶颈问题。这实际上开辟了一条废物循环利用,以废治废的有效途径,不仅能够产生显著的社会和环境效益,而且也能获得明显的经济效益。

标签:
新能源
浙江 - 杭州 来源:中冶有色网 2023-03-18
双涡轮互动式通风发电两用机

本发明公开一种双涡轮互动式通风发电两用机,属于新能源技术领域;由两个涡轮式球形风轮,分别设在一个同轴发电机的两个外转子上,主轴固定在机架中,导线分别连接同轴发电机、控制盒或光明电阻、负载、光伏电池、电扇构成,特征是:两个涡轮式球形风轮由多个弧形叶片组成,第二风轮设在第一风轮内部,电扇促使室内气流螺旋形加速上升,推动第二风轮按逆时针旋转,从多个弧形叶片之间的空隙中排气推动第一风轮按顺时针旋转,两个风轮分别带动两个外转子按不同方向旋转发电;改变和隔离室内通风气流的排气方向,克服室外自然界风力大于室内上升气流时两种气流相互抵销的缺陷,提高风能的利用率和通风性能,能全天候运转,使发电效率增强一倍以上。

标签:
新能源
浙江 - 杭州 来源:中冶有色网 2023-03-18
换气发电两用风力发电机

本发明公开一种换气发电两用风力发电机,属于新能源供电系统设备技术领域,包括:主机9与球托8连接,主轴6固定在机架10上,上端通过主轴承4支承风轮5和助动风轮2,顶部连接助动风口3,机架10套接在机座11上,以及控制盒12、止动器13、导线14为主要部件组成;特征是:主机内设有通风冷却装置和自动监控调速系统,克服了永磁体因温升过热造成的退磁老化问题,风力发电机在低风速下难以启动或高风速中发电效率低、输出不稳定、噪音大等问题,缩小和减轻了发电机的重量和体积,大幅度地降低了制造成本。产品不仅具有广阔的市场潜力,而且,一机多能、免费通风换气、免费供电照明、对于缓解目前与日俱增的城市用电量来说,具有事半功倍的效果。

标签:
新能源
浙江 - 杭州 来源:中冶有色网 2023-03-18
自动捕捉且可将风力放大的高效风能利用装置

本发明涉及新能源技术领域,且公开了一种自动捕捉且可将风力放大的高效风能利用装置,包括安装架,该自动捕捉且可将风力放大的高效风能利用装置,通过卡槽、半椭圆体、限位槽、卡柱和涡轮扇的设置,使不同风向时,转座可绕定位轴左右转动,则涡轮扇的角度则左偏或右偏,可更好地最大程度捕捉不同方向风,提高了风能的利用率,通过锥形软管、转换轴、弯折铜管、电池、磁铁和螺旋条的设置,使支撑架底部的气压增大,离心扇以大于涡轮扇转速的数倍高速转动,使风能转换为能量的效率高,既使在风力底微的地形也能最大程度地产能,帮助了新能源技术的推广,结构简单,制作成本低,经济效益高,实用性强,便于推广。

标签:
新能源
浙江 - 杭州 来源:中冶有色网 2023-03-18
基于配点法的考虑风电场出力随机性的最优潮流求解方法

本发明公开了一种基于配点法的考虑新能源出力随机性的最优潮流求解方法。通过计及风电场出力随机变化对系统最优潮流解的影响,满足并进一步完善了电力系统安全分析和控制的需求,能够更全面地反映系统稳态最优潮流受风电场等新能源出力的影响。该方法可适用于电力系统的各种复杂工况下最优潮流的求解,适用范围广,并且求解速度快,可为电力系统的安全稳定分析及控制提供科学合理的分析方案。

标签:
新能源
浙江 - 杭州 来源:中冶有色网 2023-03-18
海流能发电装置的水下密封方法

本发明属于新能源发电领域,具体涉及一种海流能发电装置的水下密封方法,该方法将机舱内部空间分成四个腔室,外部油液源向第一腔室中注入油液保持第一腔室与外部海水压力的平衡,外部气体源向第二腔室充入气体保持第二腔室与第一腔室之间的压力平衡,从第二腔室开始,依次通过两个气体单向阀,逐级降低第三腔室和第四腔室内的压力等级,从而提高第四腔室静密封的可靠性。采用本发明,通过平衡机舱内外部压力及机舱内部各腔室之间的压力,而达到改善密封套件的工况的目的,提高了动密封和静密封的可靠性和密封效果。在机舱内部采用多级密封,有效防止机舱外部海水及第一腔室内部的油液进入第四腔室损坏发电机。

标签:
新能源
浙江 - 杭州 来源:中冶有色网 2023-03-18
双定子风力发电换气两用机

本发明公开一种双定子风力发电换气两用机,属于新能源供电技术领域;包括:主轴上端通过防雨罩内的轴承支撑风轮,下端设有风扇,未端通过发电机固定在机架上,前端盖与球托连接,导线分别与发电机、控制盒、负载或光敏电阻或灯具连接;特征是:发电机为双定子发电机,由:第一、第二定子分别设置在转子的内、外两侧,中心与主轴固定,主轴通过前、后端盖中的轴承或磁浮轴承支撑,螺丝将转子固定在上述两端盖中间,其中,转子与第一、第二定子之间分别设有气隙;风轮内部设置导流器,风轮顶端设置定向风轮,促使室内、外空气同步,合力推动风轮运转;可以免费通风换气和输出供电,对于缓解目前与日俱增的城市用电量来说,具有事半功倍的效果。

标签:
新能源
浙江 - 杭州 来源:中冶有色网 2023-03-18
低速半直驱海流能发电装置

本发明属于新能源发电领域,具体涉及一种低速半直驱海流能发电装置。该发电装置包括叶轮、轮毂、机舱、变桨距机构和发电机,所述发电机的转子固定在机舱内部底面的立柱上,发电机的转子的轴向方向与叶轮的主轴的轴向方向相垂直。所述叶轮的主轴与发电机的转子之间采用一对锥形齿轮传动。在所述主轴上设有一沿轴线方向的通孔,变桨距机构的驱动机构位于机舱内,驱动机构的驱动杆贯穿所述主轴的通孔进入所述轮毂中,所述驱动杆与位于轮毂内的变桨距机构的执行机构相连接。本发明采用一对锥形齿轮传动方案,将发电机的安装方式由通常采用的水平安装方式转变为垂直安装方式,有效减小机舱迎流截面积,从而减小了机舱对海水流动的阻碍作用。

标签:
新能源
浙江 - 杭州 来源:中冶有色网 2023-03-18
自供电环保型路灯及广场灯

本发明公开了一种自供电环保型路灯及广场灯,属于新能源供电系统设备技术领域,包括:主轴(3)穿过防雨罩(2),顶部设置太阳能光伏电池板或水平轴风力发电机(1),中部装置垂直轴风力发电机,特征是:主轴(3)由大口径钢管制成,直接支撑、贯通连接太阳能光伏电池板或水平轴风力发电机,使垂直轴和水平轴的两种风力发电机以及太阳能发电同轴使用,综合利用三种发电功能;灯柱中设有风道、进风口(12),将内部的通风、散热、引风力和外界自然风力与发电机内部结构的设计溶于一体,科学地发挥了各种自然潜能,减少了占地空间,显著有效地提高了发电功效。

标签:
新能源
浙江 - 杭州 来源:中冶有色网 2023-03-18
基于生产运营模拟的储能容量优化配置方法

本发明公开了一种基于生产运营模拟的储能容量优化配置方法,属于电气工程技术领域。所述储能容量配置方法首先采用蒙特卡洛法量化负荷、风电、光伏等不确定性因素,生成电力系统典型运行场景。进一步,建立基于生产运营模拟的储能容量优化配置模型,以建设成本、运行成本、新能源消纳水平、电能质量为优化目标,保证方案在规划层面和运行层面的全局最优性。最后,与无储能的电力系统运行情况进行对比,通过新能源消纳指标与电压质量指标,衡量储能配置方案的综合效益。

标签:
新能源
浙江 - 杭州 来源:中冶有色网 2023-03-18
面向一次调频储能系统功率和能量配置的方法

本发明涉及一种面向一次调频储能系统功率和能量配置的方法,包括步骤:确定储能系统参与一次调频时的死区范围;收集储能系统的机组所在区域电网的频率,采集历史数据;以采集到的历史数据作为统计样本,剔除储能系统死区范围内的数据,得到储能系统死区范围外的频率差信号统计样本。本发明的有益效果是:本发明根据区域电网运行的频率历史数据,提出了一种简单、经济、合理以及高效的面向一次调频的储能系统功率/能量配置方法;本发明既可以用于已建的火电机组、水电机组以及新能源机组,也可以用于相同区域新建的火电、水电机组以及新能源机组;本发明使储能系统的功率或能量配置更加贴近真实需求;本发明能最大化地提高储能系统的收益。

标签:
新能源
浙江 - 杭州 来源:中冶有色网 2023-03-18
基于源网荷储的多能互补智慧能源系统及控制方法

本发明公开了一种基于源网荷储的多能互补智慧能源系统及控制方法。本发明目的是为了在园区用能中减少消耗公用电网电能,降低对电网的依赖,集中于电网低谷用电,为电网削峰填谷,实现碳中和,提供一种将新能源发电电源技术、电网技术、储能技术、冷热电转化系统与计算机、互联网技术的结合,进行源网荷储物联网融合,实现新能源发电、电网、储能、冷热电转化系统与环境以及源网荷储的多能互补状态信息实时的共享,实现智能化的源网荷储多能互补系统数据收集、传递、处理、执行,在园区用能中增加可再生能源成份,同时参与电网削峰填谷,使园区用户成本最低的源网荷储的多能互补供给系统及控制方法。

标签:
新能源
浙江 - 杭州 来源:中冶有色网 2023-03-18
基于直流局域网的分布式发电系统及控制方法

本发明涉及分布式发电技术,旨在提供一种基于直流局域网的分布式发电系统及控制方法。该系统包括分离布置的多台发电装置,以及直流母线构成的DC局域网;所述发电装置是直流发电装置或交流发电装置中的至少一种,并通过一一对应的协调器并联接入DC局域网。本发明属于新能源的分布式发电的技术创新,十分有利于风力与光伏发电资源的规模化采集和开发利用。通过本发明将多个光伏或风力发电装置的电能汇集到DC局域网,形成直流供电;或通过大中型逆变器交流供电;或通过大中型逆变器并入市电。本发明将显著改进由多台微型新能源发电装置组成系统的技术经济性能、简化并网控制要求、提高并网可靠性,有利于风力与光伏发电资源的规模化采集和开发利用。

标签:
新能源
浙江 - 杭州 来源:中冶有色网 2023-03-18
基于温升与能耗控制的加氢站氢气优化加注方法及其系统

本发明涉及可再生、清洁环保的新能源领域,旨在提供一种基于温升与能耗控制的加氢站氢气优化加注方法及其系统。该方法包括:建立内置于可编程控制器中的数据库,用于记录相应加注初始条件及针阀开度值对应关系;可编程控制器根据加注的初始条件,查询得到从不同压力级别储氢罐取气时的针阀开度值;根据可编程控制器查询到的数据,将针阀设置为相应标定位置,进行加注操作。本发明能以较低的冷却装置能耗运行,并保证车载储氢容器的温度严格控制在要求的范围内,且显著地缩短加注时间;从而使整个系统能够快速有效、安全可靠地为车辆加注高压氢气,并具有高取气率和低能耗等优点。

标签:
新能源
浙江 - 杭州 来源:中冶有色网 2023-03-18
基于序导纳重塑的并网逆变器低频谐振抑制方法

本发明公开了一种基于序导纳重塑的并网逆变器低频谐振抑制方法,属于新能源并网逆变器稳定控制技术领域。根据谐波线性化建模过程,建立并网逆变器的序导纳模型,基于所建立的序导纳模型,通过引入交轴电压前馈控制来抵消锁相环控制参数对并网逆变器低频谐振的影响,以及通过引入采样电压前馈控制来补偿相位,进而通过交轴和采样电压前馈联合控制达到序导纳重塑的目的,抑制并网逆变器输出阻抗和电网线路阻抗交互引起的谐振问题;且本发明所设计的前馈控制系数不依赖于电网阻抗、锁相环控制器、电流控制器等系统参数,便于实际应用,进而保障新能源并网的稳定运行。

标签:
新能源
浙江 - 杭州 来源:中冶有色网 2023-03-18
风力供电广告牌
风力供电广告牌 767     
 0

本发明公开了一种风力供电广告牌,属于新能源供电系统设备技术领域,包括:风力发电机10的外转子与球托7连接,主轴6固定在机架9上,通过主轴承4支承风轮5和助动风轮2,顶部设有助动风口3,机架套装在支柱13上,支柱中设有风道14、进风口15、导线与控制盒16、光敏电阻17,灯具12连接,以及止动器为主要部件组成;特征是:电机中设有助动风道、自动跟踪调速系统,采用大口径钢管制作主轴的方法和超高功率型大功率LED灯,具有亮度高、射程远、节能环保、自动控制、免费供电等优点;对于缓解目前与日俱增的城市用电量来说,具有立竿见影的效果。

标签:
新能源
浙江 - 杭州 来源:中冶有色网 2023-03-18
偏氯乙烯聚合物基中孔-微孔复合多孔炭的制备方法

本发明公开了一种偏氯乙烯聚合物基中孔-微孔复合多孔炭的制备方法,步骤为:(1)在纳米氧化硅水分散液中加入壬基酚聚氧乙烯醚乳化剂,升温搅拌达到吸附平衡,得到改性纳米氧化硅水分散液;(2)将改性纳米氧化硅水分散液、引发体系加入反应釜中,升温,滴加偏氯乙烯与第二单体的混合物、阴离子乳化剂,原位乳液聚合得到偏氯乙烯聚合物/纳米氧化硅复合粒子;(3)将偏氯乙烯聚合物/纳米氧化硅复合粒子高温炭化,得到炭/纳米氧化硅复合物;(4)刻蚀去除炭/氧化硅复合物中的纳米氧化硅,制得中孔-微孔复合多孔炭。采用本发明方法制备的多孔炭具有中孔和微孔结构,中孔孔径分布窄,比表面积和孔容大,在新能源、环境保护、工业催化等领域具有良好的应用前景。

标签:
新能源
浙江 - 杭州 来源:中冶有色网 2023-03-18
真双极柔性直流输电系统虚拟同步机协调控制方法

本发明公开了一种真双极柔性直流输电系统虚拟同步机协调控制方法,这种方法针对现有真双极柔性直流输电系统控制策略在电网故障阶段无法为电网提供惯量支撑的不足,通过模拟传统同步机的数学模型,提出一种适用于真双极系统的正、负极协调虚拟同步机控制策略,能够在保证系统不发生过电流的条件下为交流电网提供惯量支撑。与已有方法相比,本方法不仅能够为新能源电网提供稳定的电压和频率,还能够在故障发生时增强电网的惯量稳定性,对于包含大规模新能源发电系统的新型电力系统更具友好性。

标签:
新能源
浙江 - 杭州 来源:中冶有色网 2023-03-18
锂电池贴胶机
锂电池贴胶机 1069     
 0

本发明涉及新能源生产技术领域。一种锂电池贴胶机,包括机架组件、支撑架、电芯送料组件、上料机械手组件、中转组件、转盘组件、贴胶组件、压胶组件、包胶组件和下料机械手组件。该锂电池贴胶机的优点是可以自动适应不同间距尺寸的电芯进行贴胶操作,并且顶面贴胶和侧端面包胶全自动操作。

标签:
新能源
浙江 - 杭州 来源:中冶有色网 2023-03-18
上一页 21 22 23 24 25 ... 71 下一页
共71页    到第

中冶有色为您提供最新的浙江杭州有色金属新能源材料技术理论与应用信息,涵盖发明专利、权利要求、说明书、技术领域、背景技术、实用新型内容及具体实施方式等有色技术内容。打造最具专业性的有色金属技术理论与应用平台!

全国热门有色金属设备推荐
展开更多 +
全国热门有色金属技术推荐
展开更多 +

 

江西省隆恩特环保设备有限公司
宣传

报名参会
更多+

报告下载

有色专家
更多+

昆明理工大学
副校长
北京科技大学
主任/教授
湖南科技大学
所长/教授
中国矿业大学(北京)
教授
赣州有色冶金研究所有限公司
副主任/高级工程师
赤泥综合利用研究报告2025
推广

热门技术
更多+

推荐企业
更多+

福建省金龙稀土股份有限公司
宣传

发布

在线客服

公众号

电话

顶部
咨询电话:
010-88793500-807