青岛垚鑫智能科技有限公司
宣传

位置:中冶有色 >

有色技术频道 >

> 固/危废处置技术

分类:
全部
矿山技术
冶金技术
材料制备及加工技术
环境保护技术
分析检测技术
 
全部
废水处理技术
大气治理技术
固/危废处置技术
土壤修复技术
地区:
全部
北京
天津
上海
重庆
河北
山西
辽宁
吉林
黑龙江
江苏
浙江
安徽
福建
江西
山东
河南
湖北
湖南
广东
海南
四川
贵州
云南
陕西
甘肃
青海
内蒙
广西
西藏
宁夏
新疆
其他
其他
展开
 
全部
北京

北京有色金属固/危废处置技术理论与应用

免费发布技术信息>>
有机固体废弃物资源化利用的系统

本实用新型提出了有机固体废弃物资源化利用的系统,包括:预处理装置、混合装置、热解炉和直接还原装置,其中,预处理装置适于将有机固体废弃物进行预处理;混合装置适于将预处理后有机固体废弃物与铁矿石进行混合,以便得到热解原料,其中铁矿石作为催化剂;热解炉与混合装置相连,热解炉适于对热解原料进行热解处理,以便得到热解炭和铁矿石的混合物以及热解气和热解油的混合物;以及直接还原装置与热解炉相连,且适于对热解炭和铁矿石的混合物进行直接还原铁处理,以便得到金属化球团混合物。由此,利用上述系统可以有效实现有机固体废弃物的无害化、减量化和资源化处理。

标签:
固废
北京 - 北京 来源:中冶有色网 2023-03-19
适用于有机固体废弃物处理的除臭剂及其应用

本发明为一种适用于有机固体废弃物处理的除臭剂及其应用,该除臭剂包括固、液两部分,固体部分为:膨润土、硅藻土、菱苦土、铁基物质、多孔植物秸秆类,各成分比例为0.5~2.5:?0.5~2.5:0.5~2.5:3~5:5~10;液体部分为:5%磷酸溶液、10%糠醛溶液及15%丁酸溶液的混合物,各成分比例为2~4:1~2:3~5。将除臭剂固体部分掺入有机固体废弃物中,其掺量为5%~10%,搅拌均匀后喷淋除臭剂的液体部分,其掺量为1~5%,搅拌后进行堆肥或生物干化处理,可将生物处理过程中的臭气浓度降低90%以上,同时可减少大气PM2.5类物质排放总量,增加有机固体废弃物的有机质含量和热值。

标签:
固废
北京 - 北京 来源:中冶有色网 2023-03-19
防氚渗透的放射性固体废物储存桶

本实用新型公开了一种防氚渗透的放射性固体废物储存桶,其包括有桶体、上盖、底盖、底法兰以及充气孔,所述桶体上端与所述上盖构成密封的紧固性相连,所述桶体底端通过所述底法兰与所述底盖构成密封的紧固性相连,所述充气孔设置在所述上端上,其中所述桶体内壁上喷涂有铝涂层,铝涂层经氧化后表面形成一层氧化铝涂层;本方案中的上述固体废物储存桶其能够在含氚固体废物压缩减容处理时用于存放废物及作为桶内压缩的边界容器,在压缩减容后用于含氚固体废物的长期储存,并且在长期储存过程中,能够有效的阻止氚的渗透和扩散,稳定性能够得到保证。

标签:
固废
北京 - 北京 来源:中冶有色网 2023-03-19
利用有机固体废弃物提高原油采收率的方法

本发明公开了一种利用有机固体废弃物提高原油采收率的方法,包括以下步骤:A、有机固体废弃物的预处理,将其加工成粒径为100~500μm固体粉末物;B、内源微生物驱油:将预处理后有机固体废弃物、无机盐和地层水以有质量比等于8~10∶1∶4000~5000的比例从注水井注入地层,外源微生物驱油:将预处理后有机固体废弃物、无机盐、发酵菌液和地层水以质量比等于8~9∶1∶900~1000∶4000~5000的比例从注水井注入地层;C、注入地层的有机固体废弃物和无机盐与注入的发酵菌或内源微生物,在地层内进行微生物发酵反应,生成有利于提高原油采收率的代谢产物。本发明既具有施工简单、成本低、效果好,又能有效减少了环境污染。本发明广泛应用于石油开采中。

标签:
固废
北京 - 北京 来源:中冶有色网 2023-03-19
利用多种工业固体废弃物制备的快硬早强混凝土及其制法

本发明属于碱激发胶凝材料技术领域,涉及利用多种工业固体废弃物制备的快硬早强混凝土及其制法。该快硬早强混凝土包括:尾矿废石35‑45份、铁尾矿砂30‑40份、粉煤灰4‑10份、粒化高炉矿渣微粉4‑10份、钢渣微粉1‑2份;还含有氢氧化钠0.15%‑0.30%、水玻璃3%‑6%、缓凝剂0.4%‑0.6%、减水剂0.05%‑0.10%、水4.5%‑5.5%。本发明将尾矿废石、铁尾矿砂、粉煤灰、粒化高炉矿渣微粉、钢渣粉等大宗工业固体废弃物充分利用,得到性能优异的快硬早强混凝土,不仅制备出性能优异的建筑材料,更重要的是消纳了多种固体废弃物,实现了固体废弃物再利用。

标签:
固废
北京 - 北京 来源:中冶有色网 2023-03-19
木质纤维素类固体废物堆肥化促腐复合菌剂

本发明公开了属于微生物发酵菌剂范围的用于加速木质纤维素含量高的农业固体废物、城市园林废物的好氧堆肥处理过程的一种木质纤维素类固体废物堆肥化促腐复合菌剂。包括复合菌剂1#和2#,在以加糖豆浆作为液态发酵培养基或者用锯末米糠等物质作为固态发酵培养基中发酵培养出来,分别适用于堆肥过程的一次发酵的高温阶段和二次发酵的降温阶段,其中1#复合菌剂能够耐受75℃以上的高温,并在高温下发挥木质纤维素的降解能力;2#复合菌剂能够在45℃以下的中温和常温阶段发挥木质纤维素降解能力,加速中间产物矿化和腐殖化过程。用于菜蔬废物、花卉秸秆等农业固体废物以及枯枝落叶、剪枝杂草等园林绿化废物的堆肥处理,通过加快木质纤维素的降解和转化,协同不同降解能力废物间的降解过程,达到缩短发酵时间,促进堆肥腐熟度,提高堆肥产品品质30%以上。

标签:
固废
北京 - 北京 来源:中冶有色网 2023-03-19
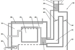
放射性固体废物仓库
放射性固体废物仓库 1088     
 0

本实用新型公开了一种放射性固体废物仓库,放射性固体废物仓库包括用于储存放射性固体废物的仓储室、与仓储室相邻地设置并且与所述仓储室通信连接的控制室以及用于屏蔽所述仓储室内的放射性固体废物对所述控制室的辐射的屏蔽单元。屏蔽单元能够屏蔽仓储室内放射性固体废物对控制室的辐射,通过控制室对仓储室中的放射性固体废物的放入和取出过程进行监视和控制,并在放射性固体废物储存时间达到预定时间后将放射性固体废物自动从仓储室中取出进行后续处理,在减少了操作人员与放射性固体废物的直接接触的同时及时取出放射性固体废物,提高了放射性固体废物的储存效率,人员不进入仓储室内降低对屏蔽的要求,并可有效降低操作人员接受的辐射剂量。

标签:
固废
北京 - 北京 来源:中冶有色网 2023-03-19
分布式可控热等离子体炬的固体废弃物连续处理装置

本实用新型提供的一种分布式可控热等离子体炬的固体废弃物连续处理装置,所述固体废弃物连续处理装置包括:若干串联的焚烧炉,所述焚烧炉内排布有多个热等离子体炬,所述焚烧炉内底部设置有多个用于搅拌固体废弃物的桨叶搅拌器;固体废弃物进入焚烧炉内,经过桨叶搅拌器搅拌的同时采用所述热等离子体炬处理焚烧,焚烧尾气排出后的固渣可实现回收再利用。本实用新型的固体废弃物连续处理装置降低了本身热等离子体炬的功率,而且整个处理装置工艺设计合理,能够实现对处理后物质的资源化有效再利用。

标签:
固废
北京 - 北京 来源:中冶有色网 2023-03-19
以固体废弃物为原料的海水拌养型混凝土及其制备方法

本发明涉及以固体废弃物为原料的海水拌养型混凝土及其制备方法,属于新材料及环境保护与资源节约领域,所述混凝土是由固体废弃物、凝石成岩剂及海水混合拌制而成,该混凝土中原料及配方的重量百分比为:固体废弃物85~94%,凝石成岩剂1~5%,海水5~14%。所述制备方法为将适用于粉体物料的多种固体废弃物均匀混合后研磨成比表面积大于等于380m2/kg的粉状复合物料或将适用于粉体物料的固体废弃物分别研磨成粉后均匀混合;将上述粉状复合物料与凝石成岩剂、粗骨料、细骨料混合后,采用海水拌合养护制备高性能耐侵蚀混凝土;本发明的混凝土在常温下即可制备,不需要添加耗能大的胶凝材料,材料生产成本低,资源能源消耗低,对环境污染小,具有广阔的市场应用前景。

标签:
固废
北京 - 北京 来源:中冶有色网 2023-03-19
用于极低放射性固体废物填埋场的覆盖结构

本实用新型公开了一种用于极低放射性固体废物填埋场的覆盖结构,包括:隔离层,隔离层填充于装有极低放射性固体废物的密封储存罐之间及周边的空隙,以及覆盖于装有极低放射性固体废物的密封储存罐的顶部,以防止填埋后的极低放射性固体废物泄漏后发生扩散;防渗层,防渗层覆盖于隔离层,用于防止地表水渗入隔离层中;排水层,排水层覆盖于防渗层,用于将防渗层阻隔的水导排至填埋区域之外;绿化土层,绿化土层覆盖于排水层,用于种植植被。本实用新型应用于极低放射性固体废物填埋场的最终覆盖,避免极低放射性固体废物对周围环境的污染,并为填埋场地及附近土地的后续开发利用提供便利。

标签:
固废
北京 - 北京 来源:中冶有色网 2023-03-19
固体废弃物粉碎用环保机械设备

本实用新型涉及固体废弃物粉碎技术领域,具体为一种固体废弃物粉碎用环保机械设备,包括:粉碎件,粉碎件包括若干个呈矩阵分布的碾块,相邻两个碾块之间滑动连接,每个碾块均与框架之间均通过弹性件连接,框架与机架之间滑动连接;碾盘,碾盘表面向下凹陷有矩形容置槽,碾盘与机架之间通过连接架铰接,碾盘容置槽的面积等于若干个碾块的底面面积之和。本实用新型只需将固体废弃物倒入下料框内,启动驱动件,就可以自动完成对固体废弃物碾碎以及出料,操作较为简单,直接通过多个碾块逐步的下压将固体废弃物逐步的碾碎,固体废弃物被碾碎的较为彻底,固体废弃物的碾碎效果较好。

标签:
固废
北京 - 北京 来源:中冶有色网 2023-03-19
固体废品预处理系统
固体废品预处理系统 892     
 0

本实用新型提供一种固体废品预处理系统,包括粉碎机,用于将固体废品粉碎成颗粒状废品;熔融炉,与粉碎机连接,用于承接颗粒状废品并将颗粒状废品融化成液体废品;喷射组件,包括输送管和喷枪,输送管连接在熔融炉的出液端与喷枪之间,喷枪用于与燃烧设备连接并将液体废品喷射到燃烧设备内。本实用新型提供的固体废品预处理系统,通过粉碎机将固体废品粉碎成颗粒状废品,颗粒状废品在熔融炉内融化成液体废品,喷枪将液体废品喷射到燃烧设备内,不同品质的固体废品熔融成液体废品容易混合均匀,品质均一,经喷枪雾化喷入燃烧设备内,可稳定快速燃烧,保证燃烧器内热工制度稳定,应用到水泥窑时,由于热工制度稳定,可使熟料品质得到保证。

标签:
固废
北京 - 北京 来源:中冶有色网 2023-03-19
固体废物连续综合处理装置

本发明公开了一种固体废物连续综合处理装置,包括机壳及设置于机壳上的进料斗、破碎机构、过滤机构、分类机构、压实机构和出料口,进料斗设置于破碎机构的一侧,破碎机构的出口与过滤机构的进口连通,过滤机构用于过滤泥沙和废液,破碎机构的出口下方设置分类机构,分类机构将固体废物分为两类,固体废物分别进入两个压实机构,压实机构的一侧设置有出料口。本发明设置有破碎机构、过滤机构、分类机构和压实机构,可以达到一次性对废物进行压碎、过滤、分类和压实等综合处理效果,分类操作简单,处理方便实用,使固体废弃物被压缩成一定的形状,从而使固体废弃物在进行运输的过程中更加的方便,固体废弃物处理效果较好。

标签:
固废
北京 - 北京 来源:中冶有色网 2023-03-19
垃圾中有机固体废物无害化耦合发电工艺

本发明公开了一种垃圾中有机固体废物无害化耦合发电工艺,包括如下步骤:首先,将垃圾进行初步分选处理,得到脱水后的有机固体废物;然后将达到规定湿度的有机固体废物送入裂解炉,并给有机固体废物加热实现高温无氧裂解,产生裂解气;再将一部分裂解气通入能量釜,并在能量釜内产生高温无氧气化剂气体继续供给裂解炉使用,将余下裂解气通入工业锅炉,并与工业锅炉的燃料进行耦合后燃烧发热,用于制备蒸汽带动汽轮机发电。该工艺能够将有机固体废物在裂解仓内经热化学反应裂解,生成包含有可燃性气体的裂解气,然后利用裂解气与电厂燃料气体一起发电,从而对有机固体废物减量化、无害化处理,也使得废物得以利用。

标签:
固废
北京 - 北京 来源:中冶有色网 2023-03-19
固体废物多热源无氧裂解处理系统

本发明涉及一种固体废物多热源无氧裂解处理系统,包括固体废物进料系统、排气系统、无氧裂解系统、拨炭装置、出炭系统、主传动系统、可视系统、智能控制系统和气体净化系统,无氧裂解系统产生的可燃气体作为裂解能源。本发明可以将城市中的固体废物,特别是城市生活垃圾中的有机固体废物转化成可再生利用的可燃气、油和炭等,生成的可燃气返回到多热源加热系统中作为燃料,循环利用了能源,降低了能耗,也降低了处理成本;多余可燃气送可燃气储罐储存另作它用,达到节约能源之目的。由于固体废物是在无氧环境下受热裂解,没有可污染物生成条件,解决了二次污染问题。

标签:
固废
北京 - 北京 来源:中冶有色网 2023-03-19
含氚放射性固体废物处理系统

本发明公开了一种含氚放射性固体废物处理系统,其包括有运输车、外部导轨、充气密封门、手套箱、用于对固体废物进行压缩处理的压缩室、干料进料箱和湿料进料箱、冷冻式干燥机以及排风系统,所述外部导轨、手套箱以及压缩室依次衔接相连,所述手套箱和压缩室的各自入口端和出口端都设置有所述充气密封门,所述干料进料箱和湿料进料箱分别与所述压缩室相连通,用于向其内的金属桶中放入固体废物;本方案中的含氚放射性固体废物处理系统有效可靠的对放射性固体废物进行了减容处理,针对防氚渗漏和扩散进行了专门的设计,有效的防止了放射性的外泄,保护了人员的安全。

标签:
固废
北京 - 北京 来源:中冶有色网 2023-03-19
固体废弃物智能处理系统

本发明提供了一种固体废弃物智能处理系统,解决现有固体废弃物分类处理中缺乏处理灵活性的技术问题。包括:固料定向传输装置,用于通过传送带形成固体废弃物的环形传输路径,在环形传输路径上确定批次固体废弃物,对批次固体废弃物进行持续性分布调整;图像采集识别装置,用于建立面向环形传输路径的光学传感器形成图像特征连续采集通道,对批次固体废弃物图像特征进行持续采集,通过图像特征识别形成批次固体废弃物的材质组成数据;固料分流控制装置,用于根据材质组成数据形成对环形传输路径上传输分支路径的时序控制,控制传输分支路径的开启和关闭。较好地部分替代了原有的大功率专业化分类过程,可以实现有效的主要材质预分类,降低了后续物理分类的成本。同时利用在环形传输路径上形成受控的传输分支路径控制将预分类的固体废弃物与对应分类专用设备衔接,保证专用设备的固体废弃物分类效率,有效降低专用设备的功耗和损耗,提升分类效率。

标签:
固废
北京 - 北京 来源:中冶有色网 2023-03-19
用于处理有机固体废物的复合菌剂及其制备方法

一种用于处理有机固体废物的复合菌剂及其制 备方法,由保藏在中国微生物菌种保藏管理委员会普通微生物 中心的编号为CGMCC NO.1364的高温单胞菌,编号为 CGMCC NO.1365的枯草芽孢杆菌,编号为CGMCCNO.1366 的木霉菌和CGMCC的菌种目录中公开的菌种编号为1.813的 地衣芽孢杆菌混配而成,该复合菌剂从根本上解决了现有技术 中存在的混配菌群不能发挥各自优势的缺陷,其单独培养而混 合在一起的菌群匹配合理,适用范围广,能充分地发挥各菌群 自身的生物特性和相互协调的作用功效,显著缩短处理有机固 体废物时间,提高原料利用率和处理效果及其生成物产量和质 量,人工培养过程中的菌种稳定,制备方法简便、菌群生长速 度快,有利于对有机固体废物的治理,无任何环境污染。

标签:
固废
北京 - 北京 来源:中冶有色网 2023-03-19
从固体废弃物中提取高纯稀土及锆化合物的生产工艺

一种从固体废弃物中提取高纯稀土及锆化合物的生产工艺,属于稀土和有色金属的二次再生资源提取领域。本发明的通过原料的预处理,碱性条件下高温焙烧转化,焙烧转化物经酸洗、酸溶的处理过程,得到含稀土及锆的溶液,经进一步处理获得洁净高纯锆化合物产品,同时将提取锆后的溶液用溶剂萃取分离等方法处理,制备高纯单一稀土化合物。从而实现从含稀土和锆固体废弃物中回收提取洁净高纯锆化合物及高纯单一稀土化合物的目的。其优点是以较低的成本实现了固体废弃物中稀土和锆提取和利用,并充分回收了金属固体废弃物中稀土元素和锆元素,同时实现工艺过程产生的废水中Ca2+、NH4+全部回收利用,易于实现工业化生产和二次资源的综合利用。

标签:
固废
北京 - 北京 来源:中冶有色网 2023-03-19
有机固体废弃物处理方法和处理装置

本发明属于废弃物处理技术领域,提供了一种有机固体废弃物处理方法和处理装置,处理方法包括:通过外部热源间接加热有机固体废弃物和通过过热蒸汽直接加热有机固体废弃物,使有机固体废弃物实现持续无氧热解;使有机固体废弃物热解所产生的热解气体与过热蒸汽所形成的混合气体进行高温气化燃烧,且过热蒸汽作为反应物参与到高温气化燃烧过程中,高温是指温度≥800℃。处理装置包括加热室、热解室、过热蒸汽供给管、燃烧室、排气管、排放装置、热解气体燃烧机和辅助燃料燃烧机。本发明能够实现有机固体废弃物的无害化和资源化处理,也可以用于从废弃物中回收原尺寸的高价值资源。整个装置结构简单、易维护,且处理成本低。

标签:
固废
北京 - 北京 来源:中冶有色网 2023-03-19
放射性固体废物屏蔽装置

本实用新型涉及放射性物质屏蔽技术领域,尤其涉及放射性固体废物屏蔽装置,包括桶体、第一盖体、第二盖体和脚踏组件,第一盖体上设有通孔,第二盖体盖于通孔处,第一盖体设置于桶体的开口上,脚踏组件与第二盖体连接。通过脚踏组件控制第二盖体翻起打开,便于将放射性固体废物通过桶体的开口投放入桶体中,第二盖体落下闭合,将桶体的开口盖住使放射性固体废物屏蔽在桶体中,通过打开第一盖体,将装满放射性固体废物的废物袋从桶体内提出。本实用新型采用脚踏式双盖设计,提供一种安全、方便、密封的放射性固体废物屏蔽废物桶,在放射性工作场所使用时,能够代替多数手提式开盖方式的放射性屏蔽固体废物桶,操作省力,不容易造成交叉污染。

标签:
固废
北京 - 北京 来源:中冶有色网 2023-03-19
有机固体废弃物无害化处理的干馏方法及装置

本发明涉及一种有机固体废弃物无害化处理的干馏方法及装置,先将有机固体废弃物送入水平设置的干燥室中进行干燥,然后推送到水平设置的密封的干馏室中进行干馏,干馏过程中不停对物料进行搅拌,使物料被充分干燥和干馏,干馏效率高;干馏生成的固体干馏物主要是可利用的焦炭,干馏生成的干馏气是高热值的气体,部分经燃烧后作为干燥和干馏的热源,剩余部分可收集储存。本发明不仅可实现有机固体废弃物无害化处理,不仅节省能源,通过干馏还可生产利用程度高的清洁能源。

标签:
固废
北京 - 北京 来源:中冶有色网 2023-03-19
固体废品预处理系统及方法

本发明提供一种固体废品预处理系统及方法,包括粉碎机,用于将固体废品粉碎成颗粒状废品;熔融炉,与粉碎机连接,用于承接颗粒状废品并将颗粒状废品融化成液体废品;喷射组件,包括输送管和喷枪,输送管连接在熔融炉的出液端与喷枪之间,喷枪用于与燃烧设备连接并将液体废品喷射到燃烧设备内。本发明提供的固体废品预处理系统及方法,通过粉碎机将固体废品粉碎成颗粒状废品,颗粒状废品在熔融炉内融化成液体废品,喷枪将液体废品喷射到燃烧设备内,不同品质的固体废品熔融成液体废品容易混合均匀,品质均一,经喷枪雾化喷入燃烧设备内,可稳定快速燃烧,保证燃烧器内热工制度稳定,应用到水泥窑时,由于热工制度稳定,可使熟料品质得到保证。

标签:
固废
北京 - 北京 来源:中冶有色网 2023-03-19
新型有机固体废物堆肥发酵及反应装置

本实用新型公开了一种新型有机固体废物堆肥发酵及反应装置,包括堆肥箱,所述堆肥箱顶部靠近一侧位置通过螺栓安装有进料漏斗,且堆肥箱内部通过螺栓安装有呈一端开口的搅拌筒,所述搅拌筒的开口处与进料漏斗的下方位置之间安装有用于引导固体废物的导向滑管。本实用新型所述的一种新型有机固体废物堆肥发酵及反应装置,一是通过在防护外壳的内部设置过滤筒,能够对搅拌后的固体废物进行过滤,保证固体废物搅拌的均匀性,提高后续的发酵反应的稳定性,二是通过在进料管的内部安装电磁阀,能够对过滤后的废物进行分类存储与发酵,三是通过在发酵箱的内部安装晃动板,能够将带发酵固体废物均匀的铺设到晃动板上,提高固体发酵的效率。

标签:
固废
北京 - 北京 来源:中冶有色网 2023-03-19
利用矿山固体废弃物的膏体联合充填方法

本发明一种利用矿山固体废弃物的膏体联合充填方法,首先,在井下采空区的入口处构筑充填隔墙,充填不含目标金属或目标金属含量低于边界品位的块度为0~400mm废石,松散静止角为40°~45°,废石充填体积比率为10~45%;,然后,将占重量百分比为6.25~21.25%胶凝剂、充填骨料53.75~78.75%和水15~25%在搅拌机中制备成重量浓度在75~85%的膏体胶结材料;通过充填管道泵送或者在重力作用下沿充填管道自流将膏体胶结材料输送至采空区,膏体胶结材料渗透入废石的孔隙内,凝固后与废石形成联合充填体。该方法使选矿全尾砂、冶炼水淬渣、井下废石利用率达到100%,做到尾矿不入库、废石不出坑、冶炼水淬渣不堆存,从源头上解决了地表废弃物在地表堆放的环境和安全问题。

标签:
固废
北京 - 北京 来源:中冶有色网 2023-03-19
有机固体废弃物堆肥处理及生物除臭系统及其操作方法

本发明涉及有机固体废弃物堆肥处理及生物除臭系统及其操作方法。一混合有机固体废弃物和通过输送设备接受来自被粉碎机I粉碎的调理剂的混合机II,通过输送设备与立式强制通风堆肥装置III联接;立式强制通风堆肥装置III通过输送设备与腐熟仓IV联接,立式强制通风堆肥装置III的排气口通过管道与带有排气口的生物除臭反应装置VI的进气口联接;腐熟仓IV通过输送设备与筛分机V联接;筛分机V的出料端口分为成品料口及残品料口,残品料口通过输送设备与混合机II联接。采用时间-温度联合通风控制方式。经过本发明的技术处理后,不仅有机固体废弃物达到了无害化和稳定化,堆肥产品也可用于农业、林业和园林等。

标签:
固废
北京 - 北京 来源:中冶有色网 2023-03-19
危废固体材料的固封方法

本发明公开了一种危废固体材料的固封方法,具体包括以下步骤:(1)将危废固体材料进行筛分或粉碎;(2)加入活性材料和水,并搅拌均匀;(3)压制成块体;(4)运输至填筑区域内进行填充,中间的缝隙采用填缝材料填充,直至填充至表面;(5)依次重复投入危废固体制品和填充填缝材料的步骤,直至完工。本发明通过将危废固体材料进行筛分或粉碎、活化、压制和投入填充等步骤,实现了危废固体材料的完全固封。

标签:
固废
北京 - 北京 来源:中冶有色网 2023-03-19
固体废弃物处理监管系统

本实用新型公开了一种固体废弃物处理监管系统,其包括:电子摄像识别子系统,设置在固体废弃物产生地和倾倒地,用于采集固体废弃物运输车辆的信息;数据传输子系统,与电子摄像识别子系统连接,以传输电子摄像识别子系统所采集到的车辆信息;中心监控和信息处理子系统,与数据传输子系统连接,接收、处理和显示数据传输子系统传输的车辆信息;数据库管理子系统,与中心监控和信息处理子系统连接,对收集到的车辆信息进行统一分类管理。本实用新型利用了射频识别技术、红外技术等技术,对出固体废弃物产生地和进倾倒地的废弃物运输车辆进行实时的信息采集、处理、保存和显示便于对固体废弃物的处理进行有效安全的管理,满足管理部门的需要。

标签:
固废
北京 - 北京 来源:中冶有色网 2023-03-19
塑料与固体废物复合的建筑材料及其制造方法

本发明涉及一种塑料与固体废物复合的建筑材料,原料为30-60重量份的塑料和40-70重量份的固体废物;所述的塑料为聚乙烯、聚氯乙烯、聚丙烯、聚苯乙烯、聚对苯二甲酸乙二酯中的一种或几种的混合;所述的固体废物为炉灰渣、粉煤灰、建材工业粉尘以及脱水污泥中的一种或几种的混合;所述的建筑材料是通过将所述的原料按比例均匀混合并升温至120-180℃再送入压力机中压制成型而制得。本发明原料来源较广,在加工时不需要水洗,也不采用任何胶粘剂,塑料原料也不会分解,因此在生产过程中不会产生环境污染;产品无毒无味,破损后还可以回收重复利用,不产生二次污染,所有的边角料及报废产品均即时回收利用,符合清洁生产的要求和主导思想。

标签:
固废
北京 - 北京 来源:中冶有色网 2023-03-19
固体废物浆渣新型处理方法

本发明涉及一种固体废物浆渣新型处理方法,通过将固态、半固态、液态废物在预处理池进行混合调配,使其具有一定流动性的混合物。混合物和大块固体物一起提升到剪切破碎机进行剪切破碎,再进入混合器充分混合搅拌,混合均匀的浆渣通过螺旋输送机、柱塞泵、喷枪等设备,输送到水泥回转窑中焚烧。废物浆渣中的有机成分在高温下被彻底分解,其无机成分成为水泥生产的原料,重金属在高温下经过复杂的化学反应被固化在水泥中。本发明通过水泥回转窑的焚烧对固体废物浆渣进行彻底处理,整个过程实现了人与废物、废物与环境的零接触并且生产过程连续、自动、安全可靠,没有二次污染。

标签:
固废
北京 - 北京 来源:中冶有色网 2023-03-19
上一页 218 219 220 221 222 ... 226 下一页
共226页    到第

中冶有色为您提供最新的北京有色金属固/危废处置技术理论与应用信息,涵盖发明专利、权利要求、说明书、技术领域、背景技术、实用新型内容及具体实施方式等有色技术内容。打造最具专业性的有色金属技术理论与应用平台!

全国热门有色金属设备推荐
展开更多 +
全国热门有色金属技术推荐
展开更多 +

 

江西省隆恩特环保设备有限公司
宣传

报名参会
更多+

报告下载

有色专家
更多+

昆明理工大学
副校长
矿冶科技集团有限公司
中国工程院院士
武汉工程大学
教授
中冶沈勘秦皇岛工程技术有限公司
原矿山院院长/教授级高工
中铝检测科技(郑州)有限公司/国家轻金属质量检验检测中心
正高级工程师
赤泥综合利用研究报告2025
推广

热门技术
更多+

推荐企业
更多+

福建省金龙稀土股份有限公司
宣传

发布

在线客服

公众号

电话

顶部
咨询电话:
010-88793500-807