青岛垚鑫智能科技有限公司
宣传

位置:中冶有色 >

有色技术频道 >

> 新能源材料技术

分类:
全部
矿山技术
冶金技术
材料制备及加工技术
环境保护技术
分析检测技术
 
全部
功能材料技术
复合材料技术
新能源材料技术
合金材料技术
加工技术
地区:
全部
北京
天津
上海
重庆
河北
山西
辽宁
吉林
黑龙江
江苏
浙江
安徽
福建
江西
山东
河南
湖北
湖南
广东
海南
四川
贵州
云南
陕西
甘肃
青海
内蒙
广西
西藏
宁夏
新疆
其他
其他
展开
 
全部
杭州
宁波
温州
绍兴
湖州
嘉兴
金华
衢州
台州
丽水
舟山

浙江杭州有色金属新能源材料技术理论与应用

免费发布技术信息>>
利用水库的浮力储能装置

一种利用水库的浮力储能装置,包括放置在水库内的浮体、若干切换浮体下沉或上浮状态的储能单元、以及与储能单元电连接的变压站;所述浮体具有下沉状态和上浮状态,当浮体处于下沉状态时,储能单元将外部电能转化为浮体的浮力势能;当浮体处于上浮状态时,储能单元将浮体的浮力势能转化为电能;储能单元包括设置在水库岸边平台上的发电电动机、卷扬机和上部滑轮、以及设置在水库底部的下部滑轮;变压站通过电缆与发电电动机连接,变压站将风机或光伏电网的多余电能输送至储能单元、或将储能单元产生的电能输送至公共电网。本发明可满足平坦地区的陆上风能、光伏等新能源发电的储能需求。

标签:
新能源
浙江 - 杭州 来源:中冶有色网 2023-03-18
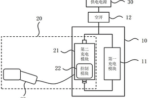
直流充电装置及其控制方法

本发明提供了一种直流充电装置及其控制方法,该装置包括便携式充电枪和第一充电模块,所述第一充电模块的输入端用于与供电电源连接;所述便携式充电枪包括第二充电模块、控制模块和枪头,所述控制模块用于分别与所述第二充电模块和所述枪头通信连接,所述枪头的电源输入端与所述第二充电模块的输出端连接,所述第一充电模块和所述第二充电模块用于将供电电源的输出电流转换为直流;其中,所述第二充电模块的两端用于与所述第一充电模块的两端并联,且所述控制模块还用于与所述第一充电模块通信连接,或,所述第二充电模块的输入端用于与供电电源连接。本发明通过复用便携式充电枪,能够在满足新能源汽车充电需求的同时,降低充电的整体成本。

标签:
新能源
浙江 - 杭州 来源:中冶有色网 2023-03-18
基于运行松弛度的电气化铁路自适应频率响应方法

本发明公开了一种基于运行松弛度的电气化铁路自适应频率响应方法,属于需求侧管理与电力系统频率控制领域。该方法首先建立适用于频率控制的列车运行策略优化模型,然后定义了列车运行松弛度以量化列车的频率调节能力,最后提出包含列车速度距离模式曲线在线更新和自适应下垂控制在内的电气化铁路自适应频率响应方法。该方法利用列车能在短时间内调整牵引功率的特点,根据列车运行状态自适应地提供合适的频率响应功率,能够在保证列车经济驾驶和准点到站的前提下有效提升电力系统的频率调节能力,对新能源规模化接入电力系统具有明显的支撑作用。

标签:
新能源
浙江 - 杭州 来源:中冶有色网 2023-03-18
锂电池的回收方法
锂电池的回收方法 1069     
 0

本发明涉及新能源电池回收领域。锂电池的回收方法,步骤依次包括破碎拆解、材料分选和金属分离,破碎拆解是先电池分离再电池芯拆解,电池分离包括下述步骤:(1)通过上料组件将锂电池搬运到分离组件中,使电池芯与绝缘包覆层分离;(2)取皮组件将分离组件中的绝缘包覆层夹取住;(3)皮回收组件用于承接取皮组件夹取的绝缘包覆层并进行收集;(4)废渣吸取组件将热切产生的废渣进行回收;(5)出料组件将与绝缘包覆层分离的电池芯运出。该锂电池的回收方法的优点是提高了锂电池回收的效率。

标签:
新能源
浙江 - 杭州 来源:中冶有色网 2023-03-18
基于路况识别的燃料电池与超级电容系统优化方法

本发明公开了一种基于路况识别的燃料电池与超级电容系统优化方法。本发明针对混合动力汽车中燃料电池与超级电容系统之间的实时功率分配问题,提出了一种基于路况识别的自适应能量管理策略,能够最大化较少燃料消耗,利用设计的能量管理控制器进行功率分配。为了延长燃料电池的使用寿命和减少氢气消耗,设计算法优化一些关键参数,基于设计的多层感知器分类器提取的特征,使新能源汽车能够成功地识别当前的驾驶模式,在超级电容的充电状态维持在期望的限度内,在各种驾驶条件下可以实现更少的电流波动和燃料消耗与传统的能源管理控制。

标签:
新能源
浙江 - 杭州 来源:中冶有色网 2023-03-18
生物质燃料压块的物联制造系统

本发明属于新能源领域,具体涉及一种生物质燃料压块的物联制造系统,其包括生产端和数据中心,生产端包括至少一台生物质的压制设备,至少一台可被调用的运输车辆;数据中心接收或获取物联数据和运输车辆的数据,并根据这些数据向生产端发送生产控制指令和运输控制指令。在所述运输车辆上进行半成品的风干作业,并且根据物联数据调整压制成型时用原料的量。本发明优化了制造流程,且利用本发明制造出来的生物质燃料结构紧实,不易破碎,易于运输和保存。

标签:
新能源
浙江 - 杭州 来源:中冶有色网 2023-03-18
锂聚合物电池检验机
锂聚合物电池检验机 958     
 0

本发明涉及新能源生产技术领域。锂聚合物电池检验机,包括机架及其上的料盘输送机构、电池输送机构、自动搬运机械手、电池载具、电池检测机构、电池搬运机械手和下料机构。该锂聚合物电池检验机的优点是自动完成锂聚合物电池的条码扫描检验和边电压测试,检验效率高。

标签:
新能源
浙江 - 杭州 来源:中冶有色网 2023-03-18
锂电池贴条码装置和锂电池装配机

本发明涉及新能源电池技术领域。锂电池贴条码装置,包括安装基板、走条码组件、条码移取组件、调节组件、动力组件和条码检测器;调节组件用于调节安装基板的位置;条码检测器安装在安装基板上,条码检测器用于控制条码移取组件运行;走条码组件、条码移取组件和动力组件均安装在安装基板上。该锂电池贴条码装置可以自动完成锂电池贴条码的操作。

标签:
新能源
浙江 - 杭州 来源:中冶有色网 2023-03-18
石榴石型复合电解质材料及其制备方法和应用

本发明公开了一种石榴石型复合电解质材料及其制备方法,属于新能源材料领域,该石榴石型复合电解质材料为以石榴石型氧化物为内核,以配位氢化物为壳层的核壳结构;本发明所述的石榴石型复合电解质材料的制备方法,包括:在惰性气体保护下,石榴石型氧化物与配位氢化物在球磨作用下发生氧化还原反应,得到石榴石型复合电解质材料。本发明所制备的石榴石型复合电解质材料具有锂离子电导率高、电压窗口高等优点,可应用于全固态锂离子电池的制备,在全固态锂离子电池的工业生产中具有较高的应用价值。

标签:
新能源
浙江 - 杭州 来源:中冶有色网 2023-03-18
太阳能热水系统远程监测平台

本发明提供了一种太阳能热水系统远程监测平台,包括太阳能热水系统,还包括传感系统、数据采集系统、数据传输系统和客户管理系统;太阳能热水系统连接传感系统,传感系统连接数据采集系统,数据采集系统连接数据传输系统,数据传输系统连接客户管理系统。本发明提供的太阳能热水系统远程监测平台,对分散的太阳能热水系统进行集中统一管理,实时监测太阳能热水系统的运行、能效状况,便于管理、维护,显著降低维护成本,提高客户的新能源体验,提高太阳能热水系统的利用效率。

标签:
新能源
浙江 - 杭州 来源:中冶有色网 2023-03-18
针对弱网远端严重电压故障的逆变器低电压穿越控制方法

本发明公开了一种针对弱网远端严重电压故障的逆变器低电压穿越控制方法。在弱网远端严重电压故障发生时,逆变器中将有功电流控制目标量和无功电流控制目标量切换到零,然后设计逆变器的有功电流控制目标量和无功电流控制目标量输入,进行暂态过渡,并且优化锁相环、电流内环和电压前馈参数,改善低电压穿越时逆变器稳定性和动态控制性能。本发明能避免弱网下远端发生严重电压跌落故障时逆变器失稳,能有效恢复逆变器端电压并使逆变器注入一定有功功率用于支撑电网频率,可应用于弱网下以逆变器为接口的新能源电站并网系统远端发生严重电压故障时,实现逆变器系统低电压穿越。

标签:
新能源
浙江 - 杭州 来源:中冶有色网 2023-03-18
农村生活污水处理站的分布式光伏发电并网系统

本发明提供了一种农村生活污水处理站的分布式光伏发电并网系统,所述光伏阵列包括埋入地下的基础桩,所述基础桩上安装有光伏组件安装框架,多块光伏组件安装在光伏组件安装框架上组成光伏阵列;所述光伏阵列在太阳照射上发出直流电,直流电通过直流配电柜送入电控室的并网逆变器中,并网逆变器将直流电转换成交流电,一路通过并网电柜接入电网,一路接入终端电柜。本发明在农村生活污水处理站建立用户侧光伏智能微电网,可以清洁高效地利用当地的可再生能源,有效解决了能源和环境之间的矛盾,有效利用了农村生活污水处理站的用地,较好地解决了发展新能源和大量占用地的矛盾,又可以解决离网光伏发电不足时造成的农村生活污水处理效果不稳定等问题。

标签:
新能源
浙江 - 杭州 来源:中冶有色网 2023-03-18
基于计算机视觉技术的助盲打车方法

本发明公开了一种基于计算机视觉技术的助盲打车方法,通过websocket协议和微信小程序获取当前用户路况;利用计算机视觉技术得到车辆坐标进行车辆跟踪并为每辆车标定唯一ID;利用计算机视觉技术获取一定帧数车牌坐标计算车辆高度;通过车辆跟踪框和单目相机相似三角形原理得出人与车辆的距离、车辆的行驶速度;根据车辆的行驶速度筛选出需要进行车牌检测、车牌识别的车辆跟踪框;通过OCR技术得到车牌的坐标以及车牌号找到目标车辆;通过websocket协议将目标车辆ID对应的车辆信息反馈给用户。本发明解决了现有技术实时性不足、车牌会被遮挡、新能源车牌识别不准以及助盲打车软件空缺的问题。

标签:
新能源
浙江 - 杭州 来源:中冶有色网 2023-03-18
利用地热能的家庭用水再循环装置

本发明涉及新能源技术领域,且公开了一种利用地热能的家庭用水再循环装置,所述地面的内部分别固定安装有收集箱漂白剂箱与安装座,所述收集箱的内部固定安装有隔板,所述隔板的顶部分别固定安装有第一水泵与第二水泵,所述第一水泵的左侧固定安装有第一进水管,所述第一进水管的外侧活动安装有过滤网,通过收集箱内部的家庭用水进入时,第二水泵将会通过第二进水管将漂白剂箱内部的漂白剂送入第二出水管的内部,通过第二出水管底部的喷头洒向家庭用水,而且收集箱底部的地热温度也可以杀死家庭用水内的部分杂质,再通过第一水泵、第一进水管与第二出水管的配合使用,从而可以达到利用地热能对家庭用水进行杀菌效果。

标签:
新能源
浙江 - 杭州 来源:中冶有色网 2023-03-18
计及电网运行约束的电化学储能应用场景评估方法

本发明公开了一种计及电网运行约束的电化学储能电站应用场景评估方法。本发明采用的技术方案为:采用电网常规机组、抽水蓄能机组、新能源出力、区外送电以及负荷数据作为输入,基于电网运行约束指标量化了不同约束条件下的电网运行瓶颈,考虑未来电网演化特性和发展趋势进行电网运行瓶颈分析,并且基于识别的运行瓶颈场景,对比不同瓶颈场景下电化学储能和其他方案消除瓶颈的经济性。本发明的有益效果是:给出一种寻找电网运行瓶颈方法,通过消除瓶颈方案对比找到电化学储能的经济可行性应用场景,从而为电化学储能电站商业运营提供参考。

标签:
新能源
浙江 - 杭州 来源:中冶有色网 2023-03-18
汽车天窗可调节降噪顶棚装置

本发明提供一种新能源汽车天窗可调节降噪顶棚装置,它包括收卷模块、定位模块及隔离模块;所述收卷模块包括柱状的收卷外壳;所述收卷模块包括旋转辊;所述旋转辊的端部设置有绷紧模块;所述定位模块包括柱状的定位外壳,所述定位外壳的开口内侧设置有柔性材料制作的定位条;所述隔离模块包括柔性材料制作的隔离布;所述隔离布的中心设置有圆形开口;该汽车天窗可调节降噪顶棚装置是一种通过在汽车天窗位置设置能够横向滑动的顶棚,既能保证摄像设备所需的拍摄视野,又能避免因开启天窗造成的噪音、气流及雨水干扰的装置。

标签:
新能源
浙江 - 杭州 来源:中冶有色网 2023-03-18
用于电动汽车的组合型保持装置

本发明公开了用于电动汽车的组合型保持装置,涉及新能源汽车零件领域,包括两个相对放置的保持架,保持架均匀环绕布置钢珠槽,保持架相对侧面环绕设有安装孔,保持架开设安装孔,保持架相对侧面连接有第一连接件,第一连接件包括第一基体,第一基体为环形结构,第一基体相对侧固联第一环体,第一环体与第一基体同轴设置,第一环体相对侧固联管状第一环套,第一环套相对侧边缘环绕设有卡接槽;第一环套相对侧面设有环状设计的第二基体,第二基体分别与两侧的第一连接件连接,第二基体两侧均设有与第一环套上卡接槽一一对应的卡接块;卡接槽和卡接块对应设有紧固孔。解决了无法高效散热的问题,该组合型保持装置长时间运转平稳且易于拆卸。

标签:
新能源
浙江 - 杭州 来源:中冶有色网 2023-03-18
集成式汽车制动系统液压单元

本发明公开了一种集成式汽车制动系统液压单元。该液压单元包括:液压阀块及安装在液压阀块上的制动主缸、电机、两个液压泵、两个开关阀、第二开关阀、四个增压阀、四个减压阀、储油室和压力传感器;液压阀块上集成有制动主缸缸体,制动主缸活塞置于该制动主缸缸体中,该制动主缸活塞通过推杆与制动踏板连接;电机安装在液压阀块上与液压泵相连;与液压阀块相连的储油室,通过液压阀块上的油道与制动主缸缸体两个进油口相连外,还与减压阀出口、液压泵进油口相连。本发明结构简单紧凑,成本低廉,节能环保,适用面广,功能强大,制动液压建立迅速,有利于减小制动距离,增加行车安全。本发明可用于传统汽车,也可用于新能源汽车。

标签:
新能源
浙江 - 杭州 来源:中冶有色网 2023-03-18
阵列式光能动力装置
阵列式光能动力装置 1015     
 0

本发明涉及一种将光能转化为动能的装置,公开了一种阵列式光能动力装置。包括外壳和设置在外壳上的挡板壳,以及设置在外壳内的传动轴,其特征在于:所述的传动轴上连接有若干转轴,每一个转轴上设有若干记忆合金片,每个转轴上方设有对应的聚光装置。本发明通过利用记忆合金的记忆功能,将光能转化为动能输出,本装置的结构简单,单位面积光能利用率高,产生的能源清洁可再生,对环境的保护以及新能源的开发与利用具有重大意义。

标签:
新能源
浙江 - 杭州 来源:中冶有色网 2023-03-18
节能环保的沼气池
节能环保的沼气池 1041     
 0

本发明涉及新能源设备技术领域,且公开了一种节能环保的沼气池,包括沼气箱,所述沼气箱上表面的右侧开设有进料口,所述沼气箱左侧面的底部连通有出料管,所述沼气箱左侧箱壁的中线处固定连接有分割板,所述沼气箱上表面的中心处固定安装有第一转轴座,通过太阳能吸热板配合支撑杆、第一空腔、第二空腔、第三空腔、第四空腔、导热板和导热线可以对沼气箱内的物料进行加热,通过滑槽配合滑板、堵板、螺纹管、螺纹杆、电机、安装座、第一挡板、第一收纳槽、第二挡板、第二收纳槽、进料口、出料管、搅拌杆、通孔和分割板可以将沼气箱分割成两个发酵室,使物料的发酵率更高,避免浪费物料,发酵程度更高。

标签:
新能源
浙江 - 杭州 来源:中冶有色网 2023-03-18
车辆混合动力传动系统

本发明公开了一种车辆混合动力传动系统,其涉及汽车新能源技术领域,其主体设置有输入构件,其中,输入构件设置有行星齿轮组和车轮,车轮和行星齿轮组均设置有两组,两组行星齿轮组分别连接于两个车轮上,实现行星齿轮组对车轮的单独驱动控制,无需安装差速器即可实现两个车轮的差速行驶过程,因此,涉及的零部件相对减少,其生产成本亦相对降低,经济效益更高。

标签:
新能源
浙江 - 杭州 来源:中冶有色网 2023-03-18
冷媒阀性能测试系统
冷媒阀性能测试系统 838     
 0

本发明创新提供了一种冷媒阀性能测试系统,包括压缩机组、气体控温器、第一测试工装区、冷凝器、过冷恒温箱、第二测试工装区、第三测试工装区、蒸发器以及第四测试工装区,所述压缩机组用于将冷媒介质压缩成气态冷媒介质,气态冷媒介质通过连接管路依次经过气体控温器、第一测试工装区、冷凝器、过冷恒温箱、第二测试工装区、第三测试工装区、蒸发器、第四测试工装区以及压缩机组,所述冷凝器用于将气态冷媒介质冷凝至液态冷媒介质,所述蒸发器用于将雾化小液滴状冷媒介质转化至气态冷媒介质;本发明优点在于:能够模拟新能源汽车制冷环境的高精度多性能检测。

标签:
新能源
浙江 - 杭州 来源:中冶有色网 2023-03-18
充电插头能自检并替换的充电桩

本发明涉及新能源充电桩相关领域,且公开了一种充电插头能自检并替换的充电桩,包括充电桩体,所述充电桩体一侧开设有两个存放空间,两个所述存放空间远离开口一侧共同连通设有移动空间,所述移动空间内能滑动的设有移动块,所述移动空间内底部设有控制所述移动块滑动的平移组件,所述移动块内贯穿设有导滑腔,所述导滑腔内滑动设有线缆,所述线缆靠近所述存放空间一端固定设有线缆接头,两侧所述存放空间内均设置有枪头。该充电桩通过通过自动卷线机构对线缆和充电插头进行回收,同时能够在回收过程中对充电插头进行检测并由替换机构对损坏的枪头进行替换,避免了使用者因为枪头问题无法充电甚至是触电的问题。

标签:
新能源
浙江 - 杭州 来源:中冶有色网 2023-03-18
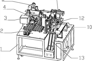
动力锂电池电芯贴底部胶纸装置

本发明涉及新能源锂电池生产领域,涉及一种动力锂电池电芯贴底部胶纸装置。一种动力锂电池电芯贴底部胶纸装置,包括机架组件、电芯料盘装置、电芯搬运装置、第一工作台、胶纸定长切割装置、胶纸粘附装置和控制组件;机架组件用于安装其他装置,电芯料盘装置固定设置在机架组件上,电芯搬运装置固定设置在机架组件上,安装于电芯料盘装置上方,第一工作台固定设置在机架组件,与电芯料盘装置相衔接,胶纸定长切割装置固定设置在机架组件,安装于第一工作台正上方,胶纸粘附装置固定设置在机架组件,与第一工作台和胶纸定长切割装置相衔接;该装置完成了方形锂离子电芯贴底部胶纸,提高了自动化水平,使方形锂电池的生产更加智能化。

标签:
新能源
浙江 - 杭州 来源:中冶有色网 2023-03-18
方便调节角度的太阳能电池板

本发明涉及新能源技术领域,且公开了一种方便调节角度的太阳能电池板,包括基座,所述基座的内部开设有矩形内腔,所述矩形内腔的内底壁开设有两个定位槽,两个所述定位槽的内部均固定安装有第一轴承,左侧的所述第一轴承的内部固定安装有第一转动杆,所述第一转动杆的外侧并且矩形内腔的内部固定安装有第一齿轮。该方便调节角度的太阳能电池板,通过驱动马达带动第一齿轮转动,第一齿轮在带动第二齿轮的转动,使安装板可以三百六十度的转动,有效的满足的太阳能电池板对不同方向的光线需求,有效的提高了太阳能电池板的工作效率,同时与传统的人工调节,本装置能够有效的减少劳动强度,有效的提高了角度的精确性。

标签:
新能源
浙江 - 杭州 来源:中冶有色网 2023-03-18
径向透平高速发电机组
径向透平高速发电机组 1231     
 0

本发明公开了一种径向透平高速发电机组,包括径向透平涡轮、高速永磁发电机、整流器、逆变器及数字发电控制模块。中低压蒸汽或其它工质(0.8Mpa‑6MPa)通过进汽机构送入径向透平涡轮做功,径向透平涡轮通过磁力联轴器直接带动高速永磁发电机(转速在10000~120000rpm之间、发电功率10‑2000kW)发电,产生的高频交流电流经过整流器、逆变器整流调制为50HZ、380kV的工频交流电,送到配电网或用户负荷。本发明的目的是克服现有径向汽轮发电机组不足,提供一种结构简单、运行可靠、维护成本低、高发电效率、不依赖于发电励磁同步限制、发电机转速可变调节的中低压工质高效发电装置。适用于分布式供能、热电冷三联供、工业余热回收利用及新能源发电领域。

标签:
新能源
浙江 - 杭州 来源:中冶有色网 2023-03-18
具有变宽度调磁齿的磁性齿轮

本发明公开了一种具有变宽度调磁齿的磁性齿轮。包括同轴安装在定子机壳内的主动轮、从动轮和调磁栅,主、从动轮分别装在调磁栅的两端,并存有间隙;主动轮内圈的外周面间隔均布装有主动轮永磁体;从动轮内圈的外周面间隔均布装有从动轮永磁体,相邻主、从动轮之间装有从动轮聚磁块;调磁齿间隔均布安装在调磁栅内圈外周围,呈T形调磁齿轴向部分的两端弧长不相等;气隙磁场穿过轴向和径向气隙形成闭合磁路,利用永磁体和磁场相互作用实现无接触传动。本发明的传动效率高,单位体积的转矩密度大,可靠性高,不存在机械接触造成的磨损,无需润滑,可实现输入输出轴的隔离,具有过载保护功能,可广泛应用在风力发电、电动汽车、电动舰船等新能源领域。

标签:
新能源
浙江 - 杭州 来源:中冶有色网 2023-03-18
快速建立微生物燃料电池硝化系统的方法

本发明涉及新能源和污水处理领域,旨在提供一种快速建立微生物燃料电池硝化系统的方法。包括:对隔膜材料进行处理,使隔膜材料表面形成硝化细菌易于生长成膜的生物环境;以所得微生物燃料电池运行含有硝化细菌的溶液,用于实现硝化细菌的接种,在隔膜材料上形成硝化细菌生物膜。本发明可以大大缩短微生物燃料电池硝化系统的建立时间;在建立微生物燃料电池硝化系统的过程中,反硝化细菌也同步生长,可以实现在反应器内发生同步的硝化反硝化过程;以价格低廉隔膜作为硝化细菌的附着位点,操作简单,处理效果稳定,而且有利于微生物燃料电池获得长期稳定的产电性能,非常有利于实际应用。

标签:
新能源
浙江 - 杭州 来源:中冶有色网 2023-03-18
电力电子高压组合开关
电力电子高压组合开关 1112     
 0

本发明涉及电力系统的控制技术,旨在提供一种电力电子高压组合开关。该组合开关包括箝位电容与多个逆导型开关,由若干个单元级联构成。本发明能耐受远高于单个功率半导体器件的开关电压,适用于电力系统的高压直流输电变流器、电力电子变压器、智能电网多种关键高压变流和开关装置、高压变频传动装置、新能源的直接并网发电,以及工业应用中的高压整流、逆变装置。本发明具有简洁的模块化结构,控制简单、可靠,适合高频工作,电磁兼容性优良,部分种类还具备双向开关等特点。本发明易于制成高压开关模块,没有明显的电压、功率等级瓶颈、技术应用范围宽广,而由其构成的变流系统的体积、重量与成本有望比现有同类产品显著降低。

标签:
新能源
浙江 - 杭州 来源:中冶有色网 2023-03-18
陆地超高风机可快速施工的吊装平台及其施工方法

本发明涉及一种陆地超高风机可快速施工的吊装平台及其施工方法。适用于陆地超高风机吊装,应用于新能源领域。本发明提出一种结构简单、施工周期短的陆地超高风机可快速施工的吊装平台及其施工方法,使得主吊站位区满足承载力要求,以确保陆地超高风机安全平稳完成吊装。本发明所采用的技术方案是:一种陆地超高风机可快速施工的吊装平台,其特征在于:具有若干打入地基基础用于地基加固的PHC预制桩,PHC预制桩顶部设置有砼梁平台,砼梁平台上部铺设有路基板,所述PHC预制桩顶部置于所述砼梁平台内、并与砼梁平台之间采用连接件连接。

标签:
新能源
浙江 - 杭州 来源:中冶有色网 2023-03-18
上一页 18 19 20 21 22 ... 71 下一页
共71页    到第

中冶有色为您提供最新的浙江杭州有色金属新能源材料技术理论与应用信息,涵盖发明专利、权利要求、说明书、技术领域、背景技术、实用新型内容及具体实施方式等有色技术内容。打造最具专业性的有色金属技术理论与应用平台!

全国热门有色金属设备推荐
展开更多 +
全国热门有色金属技术推荐
展开更多 +

 

江西省隆恩特环保设备有限公司
宣传

报名参会
更多+

报告下载

有色专家
更多+

江西理工大学
副校长
中南大学
中国工程院 院士
赣州江钨钨合金有限公司
副总经理
中国矿业大学(北京)
教授
辽宁忠旺集团
教授级高工
赤泥综合利用研究报告2025
推广

热门技术
更多+

推荐企业
更多+

福建省金龙稀土股份有限公司
宣传

发布

在线客服

公众号

电话

顶部
咨询电话:
010-88793500-807