青岛垚鑫智能科技有限公司
宣传

位置:北方有色 >

有色技术频道 >

> 废水处理技术

分类:
全部
矿山技术
冶金技术
材料制备及加工技术
环境保护技术
分析检测技术
 
全部
废水处理技术
大气治理技术
固/危废处置技术
土壤修复技术
地区:
全部
北京
天津
上海
重庆
河北
山西
辽宁
吉林
黑龙江
江苏
浙江
安徽
福建
江西
山东
河南
湖北
湖南
广东
海南
四川
贵州
云南
陕西
甘肃
青海
内蒙
广西
西藏
宁夏
新疆
其他
其他
展开
 
全部
南京
无锡
徐州
常州
苏州
南通
连云港
淮安
盐城
扬州
镇江
泰州
宿迁

江苏无锡有色金属废水处理技术理论与应用

免费发布技术信息>>
快拆筒式过滤器
快拆筒式过滤器 921     
 0

本实用新型涉及过滤器技术领域,且公开了快拆筒式过滤器,包括壳体,所述壳体内固定安装有隔板,隔板将壳体分为左室和右室,壳体上表面于右室中点处开设有一个长方形口,且该长方形口上设置有进水口,进水口与壳体固定连接,右室内设置有排污装置,该快拆筒式过滤器,使用排污装置来对废水中过滤出的废物进行处理,在进水口进入污水后,上托板会引导污水向隔板位置流动从而进行过滤,而污水中的废物则会被留在上托板上,同时会减缓污水的过滤速度并下压上托板,此时则能够转动转盘旋转半圈,使得上托板与下托板的上下位置进行转变,同时上托板上的废物也会跟随上托板掉落到下方,从而能够快速的进行污水的持续过滤,提高了工人的工作效率。

标签:
废水处理
江苏 - 无锡 来源:北方有色网 2023-03-19
喷淋清洗装置
喷淋清洗装置 998     
 0

本实用新型为喷淋清洗装置。其可以克服现有喷淋装置使工件产生二次污染的不足,同时减少了水的用量,同时也减少了废水的排放量。其包括清洗槽、喷淋装置,所述清洗槽由单槽连接而成,所述喷淋装置包括喷淋管、喷嘴,其特征在于:每个所述单槽对应安装有一个喷淋装置,顺着工件沿清洗槽的行走方向,与所述清洗槽最后一道单槽相连的喷淋装置中,所述喷淋管通过电磁阀、增压变频恒压水泵与水源连接;所述连槽其它单槽的喷淋装置中,所述喷淋管分别连接一个水泵,所述水泵的吸水口分别位于沿着工件行走方向的下一道单槽中。

标签:
废水处理
江苏 - 无锡 来源:北方有色网 2023-03-19
微曝气生物滤池
微曝气生物滤池 1032     
 0

本实用新型涉及一种有机废水处理技术,具体地说是一种微曝气生物滤池。按照本实用新型提供的技术方案,所述微曝气生物滤池,包括第一滤池与第二滤池,其特征是:在第一滤池上设置污水进口管,在第一滤池内设置过滤室,所述过滤室内竖向布置若干根相互平行的竹筒,每根竹筒的底端与第一滤池的下部连通,每根竹筒的顶端与位于第一滤池上面的溢水槽连通;在第二滤池内设置能够移出或移入的生化床,所述生化床内放置块状的滤料,在生化床下方的第二滤池内设置曝气头,在生化床上方的第二滤池内设置排水管;在第二滤池内设置用于将污水引导至生化床的底部的导流腔,所述导流腔与所述溢水槽连通。以缩短生化反应时间,降低设备投资,简化操作工艺。

标签:
废水处理
江苏 - 无锡 来源:北方有色网 2023-03-19
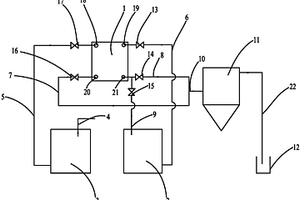
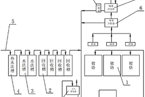
镀硬铬生产线铬酸循环回收处理系统

本实用新型公开了一种镀硬铬生产线铬酸循环回收处理系统,该系统包括若干个镀铬槽,所述镀铬槽的一侧依次设置有回收槽、水洗槽和热水洗槽,所述镀铬槽的上方安装有铬雾回收器,所述铬雾回收器连接喷淋净化塔,所述喷淋净化塔连接自动补水装置,且所述喷淋净化塔的顶部连接有风机,且所述处理系统还包括镀铬辅槽,所述镀铬辅槽通过铬酸循环泵和管路与镀铬槽相连通,且所述镀铬辅槽通过浓缩液输送泵和管路与蒸发循环槽相连通,所述蒸发循环槽通过蒸发器提升泵和管路与大气蒸发器相连通,所述回收槽、喷淋净化塔、铬雾回收器以及大气蒸发器内的废水废液回流入蒸发循环槽内。上述处理系统对镀铬清洗水和铬酸资源回收再利用,降低成本,节省能耗。

标签:
废水处理
江苏 - 无锡 来源:北方有色网 2023-03-19
集中供液系统
集中供液系统 863     
 0

本实用新型涉及一种供液系统,具体来说是一种集中供液系统,包括自动混合器、清洗机水箱、原液桶、混合液水箱和控制器;自动混合器上设有连接水源的供水管道;清洗机水箱内设有连接供水管道的回收水管道,回收水管道上设有第一水泵,回收管道的进水口设有过滤网;原液桶通过原液管道连接自动混合器;混合液水箱的顶部通过混合液管道连接自动混合器,混合液管道上设有第二水泵,混合液水箱的底部设有供液管道,供液管道上设有第三水泵;控制器连接第一水泵、第二水泵和第三水泵。本实用新型工作稳定可靠,成本低,减少了人工配比环节,实现了切削液集中供应,降低切削液使用量20%,同时实现了清洗机废水零排放回收利用。

标签:
废水处理
江苏 - 无锡 来源:北方有色网 2023-03-19
—种卧式内燃双锅筒燃油锅炉

本实用新型公开了—种卧式内燃双锅筒燃油锅炉,涉及燃油锅炉设备领域,包括锅炉本体和固定箱,所述锅炉本体的顶部固定连接有蓄电箱,所述蓄电箱的顶部固定连接有太阳能板,本实用新型有益增效:设置有蓄电箱和太阳能板,实现了自给供电,节省了电力资源消耗,减少了成本消耗,设置有定量组件,实现了在进行添加燃油时定量添加,避免添加过多或过少导致的装置损坏,设置有第一温度传感器、第二温度传感器,实现了及时将内部的温度变化反馈至控制面板,方便工作人员作出调整,延长了整体的使用寿命,降低了成本消耗,设置有蓄水箱、废水出口和设有进水孔的内壁,实现了可以根据需要对炉体内壁进行清理,避免了堵塞,提高了其使用效率。

标签:
废水处理
江苏 - 无锡 来源:北方有色网 2023-03-19
布袋过滤器用快装式压簧密封装置

本实用新型公开了一种布袋过滤器用快装式压簧密封装置,包括圆形压环、位于圆形压环顶面的垂直于圆形压环板面方向的三根以上的支撑杆,支撑杆沿圆形压环圆周方向等间距布置,支撑杆顶部套设有弹簧组,所述弹簧组包括连接圈、位于连接圈上的和支撑杆数量相等的连接条、连接在连接条端部的压簧,压簧套设在支撑杆上,压簧远离支撑杆一端超出支撑杆顶部,连接圈顶部高度低于压簧顶部高度。本实用新型中的快装式压簧密封装置通过三个以上沿圆形压环圆周方向等间距布置的压簧,即使盖板和滤带支撑圈之间几个点的高度存在差距,由于压簧的存在也可以使得圆形压环各个方向始终均衡的压紧过滤袋,防止废水没经过过滤袋过滤即排出的情况出现。

标签:
废水处理
江苏 - 无锡 来源:北方有色网 2023-03-19
SDA吸收塔一体化脱硫脱硝烟气处理系统

本实用新型属于环保技术领域,公开了一种SDA吸收塔一体化脱硫脱硝烟气处理系统,包括依次连接的锅炉出口烟道、氧化剂分散系统、SDA吸收塔、除尘器、引风机、烟囱;氧化剂分散系统连接有氧化剂制备系统,SDA吸收塔上部连接有工艺减温水系统和吸收剂制备系统;SDA吸收塔下部设置有塔底排灰系统,除尘器设置有外排灰系统。本实用新型对锅炉适应性强,可以应用于生物质锅炉及垃圾焚烧锅炉,不受烟气中碱金属及重金属的影响。对运行工况的适应性强:氧化温度不受烟气温度的变化而变化;系统可实现废水零排放量,而且系统投资及运行费用低,易于推广应用,具有良好的市场前景。

标签:
废水处理
江苏 - 无锡 来源:北方有色网 2023-03-19
用于工程塑料离心泵的耐腐耐磨双端面机械密封结构

本实用新型公开一种用于工程塑料离心泵的耐腐耐磨双端面机械密封结构,包括泵壳叶轮以及配合安装的主轴,所述主轴上通过轴套垫床相应安装有轴套;主轴的前端安装有对应设置的动环安装座以及静环安装座,而动环安装座的外侧又相应安装有与泵壳叶轮配合的叶轮垫床;所述的动环安装座和静环安装座内均相应安装有动静环。本装置用于密封水可以高压回收或介质禁止泄漏的场合,并且在冷却水接口处配套标准密封冲洗系统,可以实密封液和冷却水系统完全隔离,实现零废水排放,同时满足耐腐耐磨工程塑料泵的应用范围。

标签:
废水处理
江苏 - 无锡 来源:北方有色网 2023-03-19
盘管曝气式臭氧反应器

本实用新型涉及废水深度处理技术领域,具体公开了一种盘管曝气式臭氧反应器,包括反应器塔体和设在反应器塔体顶部的尾气处理单元,塔体一侧下方设置有进水管和进气口,侧面上方设置有出水口,反应器塔体内设有用于催化臭氧的催化剂床层,所述反应器塔体内设置有沿塔体内壁盘式旋转的从下向上管径逐渐变小的变径曝气管路,变径曝气管路上布置有沿管路朝向反应器塔体内部的微孔结构。本实用新型结构设计简单,通过变径曝气管路来提高从进气口往上臭氧浓度逐步上升,而且使臭氧在水体的停留时间更长,保持臭氧催化氧化去除效果稳定和高效。

标签:
废水处理
江苏 - 无锡 来源:北方有色网 2023-03-19
钛白粉后处理水洗洗液回收利用装置

本实用新型涉及一种回收利用装置,尤其是一种钛白粉后处理水洗洗液回收利用装置,属于钛白粉处理的技术领域。按照本实用新型提供的技术方案,所述钛白粉后处理水洗洗液回收利用装置,包括板框压滤机,所述板框压滤机的反洗水进口通过反洗水管与反洗水槽相连通;板框压滤机的正洗水进口通过正洗水管与正洗水槽相连通;所述板框压滤机的反洗水出口通过反洗出水管与过滤器相连通,板框压滤机的正洗水出口通过正洗出水管与过滤器相连通;反洗出水管通过反洗回收管与正洗水槽相连通。本实用新型在不影响水洗效率的同时,能够节省脱盐水的使用量,减少废水排放,结构简单紧凑,使用方便,降低处理成本,节能环保,安全可靠。

标签:
废水处理
江苏 - 无锡 来源:北方有色网 2023-03-19
易更换磁化滤水装置
易更换磁化滤水装置 1089     
 0

本实用新型涉及一种易更换磁化滤水装置,包括管道,特征是:在所述管道的管壁上开设有两个左右对称设置的开口,在所述开口处分别设置有离子捕捉装置,所述的离子捕捉装置与所述开口之间相匹配;在所述管道的外壁对应于离子捕捉装置的位置分别设置有左右对称的两个电磁线圈,所述电磁线圈的两个电流接入端分别与直流电源的正、负极相连接。在所述电磁线圈和离子捕捉装置之间设置有隔板,隔板的内侧表面与离子捕捉装置相匹配。所述隔板完全覆盖住离子捕捉装置。本实用新型所提供的易更换磁化滤水装置无需拆卸管道即可将离子捕捉装置与管道分离,易于更换且插接方便,提高作业效率;可将离子与水或其他液体分离,净化生产废水。

标签:
废水处理
江苏 - 无锡 来源:北方有色网 2023-03-19
用于污水深度处理的一体化装置

本实用新型涉及污水处理设备技术领域,尤其是一种用于污水深度处理的一体化装置,经过设置螺旋环形槽,环形槽中心设储水腔,使得污水经螺旋环形槽过滤净化处理后,从环形槽中心过滤渗透出来,储水腔顶部设抽风机,使得储水腔内部呈负压,保障污水从曝气池端不断向储水腔内渗透过滤净化;经环形槽内从储水腔端开始,依次设细砂石层、粗砂石层、隔网活性炭层和鹅卵石层,实现过滤材质粒径不断变化,并经隔网活性炭层设置,充分吸附了污水中杂质,提高了过滤净化效果,经前端曝气池曝气处理,充分提高了污水净化后的溶氧率,增强了净化废水排放之后的自净化能力,结构简单紧凑,占地面积小。

标签:
废水处理
江苏 - 无锡 来源:北方有色网 2023-03-19
油水分离器
油水分离器 1046     
 0

本实用新型公开了一种油水分离器,油水分离器内部具有用于分离油废水的过滤区和聚集分离后水的清水区,清水区与过滤区通过分隔板完全分离,清水区位于过滤区的下方;分隔板上垂直固定有多根滤杆,每根滤杆上套设有一个滤芯;滤杆的下端穿过分隔板与清水区相通;滤杆的内部具有与清水区相通的通孔,滤杆的外侧壁上具有若干个与通孔相连的条形孔;滤杆的上端固定连接有螺纹杆,螺纹杆上螺纹连接有用于固定滤芯的螺母;螺纹杆顶端到油水分离器的壳体顶面的距离大于滤芯的高度;油水分离器的外侧壁上对应滤杆的位置开有人孔,人孔的内径不小于50公分;油水分离器上设置有封闭人孔的密封盖。通过上述方式,本实用新型能够简单方便的更换滤芯。

标签:
废水处理
江苏 - 无锡 来源:北方有色网 2023-03-19
高效蒸氨塔塔板
高效蒸氨塔塔板 870     
 0

本实用新型公开了一种高效蒸氨塔塔板,包括若干个长斜板和若干个短斜板,所述长斜板和所述短斜板依次交错成V型槽,所述长斜板和短斜板上靠近V型槽槽底处均设置有一列孔状通道。所述长斜板和短斜板上的孔状通道交错设置。本实用新型的通过V形槽和孔状通道的喷射作用可使含氨氮废水形成液滴状分布,增大了气液的接触面积,传质效率增强,加速了平衡的转化;使蒸汽得以集中利用,可节省30%的蒸汽用量;孔状通道的喷射作用使固体物质难以聚集,因此,不会出现堵塞、结垢现象;采用该设计的蒸氨塔塔板的蒸氨塔的氨氮去除效率可达99%以上;同时V型喷射塔板制作简单,维修清洗方便,仅需清水冲洗即可。

标签:
废水处理
江苏 - 无锡 来源:北方有色网 2023-03-19
半导体有机清洗设备的供水系统

本实用新型揭示了一种半导体有机清洗设备的供水系统,该供水系统的组成包括用于回收清洗废水的加热水箱,与加热水箱排放管相连的清洗泵,以及从清洗泵连至工艺腔的出水管路,其中加热水箱中设有与其中贮水直接接触的电磁加热系统,且加热水箱中设有测量范围高于60℃的水温采集装置。通过自动阶梯式的电磁加热保持水质,并且该加热水箱还一个多套系统共用。应用本实用新型的技术方案,可以在满足半导体清洗所用超纯水要求下,省却传统系统的多个过滤器及电阻率测量装置,从而节省了可观的加工成本,大大增加了设备正常运行的时间。

标签:
废水处理
江苏 - 无锡 来源:北方有色网 2023-03-19
热转移印花百洁布海绵刷

本实用新型涉及一种热转移印花百洁布海绵刷,属于厨房用品技术领域,其主要包括海绵和无纺布,无纺布粘在海绵上,特征是:所述无纺布表面设置有热转移印花层,或所述无纺布粘贴在海绵一面上,所述海绵另一面上设置有热转移印花层。本实用新型时尚美观,并且采用热转移印花,不会产生废水废气,有利于环保。

标签:
废水处理
江苏 - 无锡 来源:北方有色网 2023-03-19
油田压裂返排液过滤分离系统

一种油田压裂返排液过滤分离系统,包括依次通过管道连接的调节池、搅拌池、中间水箱一、机械过滤器、精滤过滤器一、超滤过滤器、中间水箱二,调节池与搅拌池之间设有中间水泵,搅拌池与中间水箱一之间设有压滤机,中间水箱二的出口与膜分离设备连接,中间水箱二与膜分离设备之间设有高压泵。采用高压泵把废水加压到一定压力然后通过膜分离设备,有效的分离出水中的各种超标成分的离子,尤其氯离子通过处理后,其含量小于300PPm。还有其它指标COD、重金属离子、油含量分别达到国家排放标准。

标签:
废水处理
江苏 - 无锡 来源:北方有色网 2023-03-19
具有较高密封性的布袋过滤器

本实用新型公开了一种具有较高密封性的布袋过滤器,包括过滤筒体,过滤筒体顶部设有盖板,过滤筒体内设有滤袋支撑圈,过滤筒体侧壁设有进水口和出水口,进水口位于滤袋支撑圈上方,出水口位于滤袋支撑圈下方;滤袋支撑圈上支撑有顶部开口的金属滤网和过滤袋,所述过滤袋套在金属滤网外部,所述滤袋支撑圈内侧设有向上翻折的支撑折边,所述金属滤网顶部设有卡入支撑折边的L型挂边;所述滤袋支撑圈和盖板之间设有快装式压簧密封装置。本实用新型中的快装式压簧密封装置通过三个以上沿圆形压环圆周方向等间距布置的压簧,使得圆形压环各个方向始终均衡的压紧过滤袋,防止废水没经过过滤袋过滤即排出的情况出现。

标签:
废水处理
江苏 - 无锡 来源:北方有色网 2023-03-19
车间净化装置
车间净化装置 894     
 0

本实用新型涉及一种车间净化装置,其特征在于它包括安装在窗户上的水幕帘(1),在所述水幕帘(1)的上方设置有进水管(2),所述进水管(2)与冷水装置相连,在所述水幕帘(1)的下方设置有出水管(3),所述出水管(3)与一废水回收装置(4)相连。本实用新型通过在车间的窗户上安装净化装置,不仅能给车间降温,同时可以起到除尘、除蚊虫的功效,提高工作环境。

标签:
废水处理
江苏 - 无锡 来源:北方有色网 2023-03-19
自动冲洗曝气生物滤池

自动冲洗曝气生物滤池,涉及废水生物处理装置,包括过滤池体、池体内的滤料、滤料下方的布水滤帽、过滤池体底部集水区内的布气装置,池体顶部设有进水管和排气管,一冲洗水箱置于池体上且与池体连成一体,所述的冲洗水箱通过池体内的连接管接通池体底部集水区,出水管置于冲洗水箱顶部,池体顶部的进水管上置有一三通分别设置有进水阀和排水阀,通过在曝气生物过滤池体上方设置冲洗水箱,实现无动力反冲洗生物滤料,节约了动力消耗,降低了运行成本,整个设备紧凑,处理效率高。

标签:
废水处理
江苏 - 无锡 来源:北方有色网 2023-03-19
用于清洗机的水体收集装置

本实用新型提供一种用于清洗机的水体收集装置,包括运输机构,以及设置于运输机构上的收集机构;收集机构包括设于运输机构上的收集组件和收纳组件,收集组件包括储存罐、连接管、水泵和手把,储存罐、水泵和手把依次设于运输机构上,且储存罐、水泵和手把之间均通过连接管连接;手把远离连接管的一端设有吸收管;收纳组件包括收纳块和滚筒,收纳块设于运输机构上,并位于手把和水泵之间,且收纳块的上表面上开设有收纳槽;滚筒设于收纳槽内,并与收纳槽的槽壁活动连接,且滚筒上环绕有连接管;本实用新型便于对废水进行收集,避免了水资源的浪费。

标签:
废水处理
江苏 - 无锡 来源:北方有色网 2023-03-19
温度调节器
温度调节器 929     
 0

本实用新型涉及一种温度调节器,其包括混合器,所述混合器的两端分别设有蒸汽连接管及交换器连接管,所述蒸汽连接管与混合器相连通,且蒸汽连接管上设有蒸汽调节阀;交换器连接管与混合器相连通,且交换器连接管上设有出口阀;混合器上对应邻近蒸汽连接管的一端设有再生水连接管,所述再生水连接管与混合器相连通,且再生水连接管上设有进水调节阀。本实用新型通过调节进水调节阀、止回阀及蒸汽调节阀的开口度,能够满足混合器内再生水恒温的要求,结构简单、操作方便可靠,可连续恒温供水,树脂离子交换充分,树脂交换容量增大,交换器周期产水量稳定,降低了再生水的使用量,减少了废水排放对环境的影响,节能环保。

标签:
废水处理
江苏 - 无锡 来源:北方有色网 2023-03-19
新型一体化泵站
新型一体化泵站 822     
 0

本发明公开了一种新型一体化泵站,包括泵站筒体、水泵、进水口、排水口、检修门、检修梯和排风口,所述泵站筒体的内壁上设置有与进水口连通的方形管路,所述方形管路的一端固定在泵站筒体的内壁上,另一端设置有滤网,所述方形管路的底部朝着滤网方向向上倾斜设置,所述泵站筒体和方形管路的底部的连接处向外凸出形成集渣箱,所述集渣箱和方形管路连通,所述集渣箱的顶部设置有清理门。本实用新型与现有技术相比,通过方形管路和集渣箱的相互配合设置,使得废水过滤下来的杂质能够集中在集渣箱内,使得工作人员能够方便、及时、有效的对杂质进行清理,从而保证了一体化泵站的顺利、高效运行。

标签:
废水处理
江苏 - 无锡 来源:北方有色网 2023-03-19
冷拔钢管生产用洗管机
冷拔钢管生产用洗管机 1241     
 0

本实用新型适用于冷轧钢管技术领域,提供了一种冷拔钢管生产用洗管机,包括支撑组件和清洗组件,所述支撑组件包括支撑架、进料辊、主动辊、从动辊和传动链,所述清洗组件包括防护板、进水管、排水管和喷头,安装有电机驱动主动辊,可带动从动辊转动进而输送钢管,操作简单,节省人力;且从动辊上安装有限位套,可通过限位套上的限位槽卡接钢管,限制钢管的运动位置,可防止钢管传送使滑落,安全性更高,提高清洗效率;且设置有防护板,防止清洗时水流四溅,提高工作场地的整洁性,防护板上安装有多个喷头,可同时对钢管进行清洗,减少清洁死角;且此洗管机结构简单,通过废水槽可循环用水,占地面积更少,适合小场地使用,更值得推广使用。

标签:
废水处理
江苏 - 无锡 来源:北方有色网 2023-03-19
空气连续流砂过滤器提砂装置

本实用新型公开了一种空气连续流砂过滤器提砂装置,包括,提砂管,包裹在提砂管外侧的主体外壳;所述提砂管和主体外壳之间设有过滤网;所述提砂管上设有出气孔;所述主体外壳上设有进气孔。本实用新型公开的空气连续流砂过滤器提砂装置,结构简单,能够快速高效的过滤废水,防止砂子过滤层板结。

标签:
废水处理
江苏 - 无锡 来源:北方有色网 2023-03-19
磁化滤水装置
磁化滤水装置 921     
 0

本实用新型涉及一种磁化滤水装置,包括管道,特征是:在所述管道的内壁设置有离子捕捉装置,在管道的外壁的左右两侧分别对称设置有电磁线圈,所述电磁线圈的两个电流接入端分别与直流电源的正、负极相连接。所述电磁线圈固定在保护罩内,保护罩套设在管道的外壁上。在所述离子捕捉装置与管道的内壁之间设置密封层。所述离子捕捉装置包括一圆筒形壳体,壳体内部装有离子交换树脂、螯合树脂或活性炭,壳体的内表面为滤网,所述滤网的孔径小于离子交换树脂、螯合树脂或活性炭的粒径。本实用新型可将离子与水或其他液体分离,净化生产废水;该装置用于处理生活用水时,能够净化水体,还可以利用电磁线圈产生的磁场磁化水体,改善水质。

标签:
废水处理
江苏 - 无锡 来源:北方有色网 2023-03-19
自带回流装置的流化床好氧反应器

本实用新型公开了一种自带回流装置的流化床好氧反应器,属于好氧设备领域,包括好氧反应区、沉淀回流区;沉淀回流区包括汽提回流装置,汽提回流装置包括汽提出液管以及汽提进气管;汽提进气管的一端由沉淀回流区底部延伸至好氧反应区的进水处;所述的沉淀回流区的底部段开口,汽提出液管,汽提出液管管竖直插入,且延伸至液面;汽提出液管在液面以下连接有汽提进气管,所述的汽提进气管另一端伸至沉淀回流区外;本实用新型通过形成自带的汽提回流装置,在具体的应用过程中利用汽提回流的方式使填料均匀分布在反应区,不会在池体末端堆积,能够实现高浓度化工废水污水的稳定处理。

标签:
废水处理
江苏 - 无锡 来源:北方有色网 2023-03-19
用于钻攻铣加工设备的水循环装置

本实用新型公开了一种用于钻攻铣加工设备的水循环装置,包括用于放置加工设备的底座和箱体,底座上有若干条引流槽与底座向外凸出的出水口相连通;位于出水口下方设置有水箱,水箱上设有带有栅格网的筛料板和水泵,位于栅格网与水泵之间所在的水箱内设置有水过滤网;所述水泵的出水端分别与箱体上的清洗水枪、加工设备上的万向冷却水管管路相连。通过水泵将水箱内的水打入清洗水枪和万向冷却水管,万向冷却水管能够在加工设备运行时对刀具加工点进行降温处理,保证刀具的稳定性;清洗水枪在加工设备停止运行时进行清洗,产生的废水会沿着底座的引流槽重新流入水箱内经过滤后重新使用,节约了水资源。

标签:
废水处理
江苏 - 无锡 来源:北方有色网 2023-03-19
旋转磁台打磨装置
旋转磁台打磨装置 797     
 0

本实用新型公开了一种旋转磁台打磨装置,包括电机、固定盘和磁盘;所述电机通过同步带与固定盘配合,驱动其转动;所述磁盘固定设置在固定盘背向同步带的一侧;所述磁盘表面吸附设置有工件;所述工件远离磁盘的一侧对应设置有砂轮;工件随磁盘一同旋转,则当砂轮打磨工件表面时,可以达到很高的均匀性,避免传统的工件机械往复移动时出现的条状磨削痕迹;所述座台下方滑动配合设置有底板,座台可以根据操作人员的身位调整、周围临时摆放的障碍物遮挡等因素来进行一定距离的滑移,显著增加了该打磨装置的可操作性和作业环境适应能力;所述座台上表面设置有排水槽,所述排水槽与引流管连通设置,及时将收集的废水排出座台,保持装置整洁。

标签:
废水处理
江苏 - 无锡 来源:北方有色网 2023-03-19
上一页 17 18 19 20 21 ... 80 下一页
共80页    到第

北方有色为您提供最新的江苏无锡有色金属废水处理技术理论与应用信息,涵盖发明专利、权利要求、说明书、技术领域、背景技术、实用新型内容及具体实施方式等有色技术内容。打造最具专业性的有色金属技术理论与应用平台!

全国热门有色金属设备推荐
展开更多 +
全国热门有色金属技术推荐
展开更多 +

 

江西省隆恩特环保设备有限公司
宣传

报名参会
更多+

报告下载

有色专家
更多+

郑州大学
中国工程院 院士
武汉理工大学
副主任/研究员
北京科技大学、中国科学院
院士
长沙有色冶金设计研究院有限公司
正高级工程师/中国铝业首席工程师/全国有色金属行业设计大师/国家注册采矿工程师
郑州大学
副校长
赤泥综合利用研究报告2025
推广

热门技术
更多+

推荐企业
更多+

福建省金龙稀土股份有限公司
宣传

发布

在线客服

公众号

电话

顶部
咨询电话:
010-88793500-807