青岛垚鑫智能科技有限公司
宣传

位置:北方有色 >

有色技术频道 >

> 废水处理技术

分类:
全部
矿山技术
冶金技术
材料制备及加工技术
环境保护技术
分析检测技术
 
全部
废水处理技术
大气治理技术
固/危废处置技术
土壤修复技术
地区:
全部
北京
天津
上海
重庆
河北
山西
辽宁
吉林
黑龙江
江苏
浙江
安徽
福建
江西
山东
河南
湖北
湖南
广东
海南
四川
贵州
云南
陕西
甘肃
青海
内蒙
广西
西藏
宁夏
新疆
其他
其他
展开
 
全部
南京
无锡
徐州
常州
苏州
南通
连云港
淮安
盐城
扬州
镇江
泰州
宿迁

江苏无锡有色金属废水处理技术理论与应用

免费发布技术信息>>
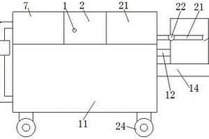
含油污水净化处理系统
含油污水净化处理系统 1002     
 0

本实用新型公开了一种含油污水净化处理系统,包括除油池、旋流分离器、一级过滤器、旋转膜过滤器和二级过滤器,除油池上方还设有滚筒刮油装置;远离除油池的进水端处还设有多个回流隔板,除油池的排水口与旋流分离器进口连接,旋流分离器的轻组分出口与废油储油罐连接,其重组分出口与一级过滤器进口端连接,一级过滤器的底部出口端与一储水箱连接,储水箱中的废水泵入旋转膜过滤器,旋转膜过滤器的排水口与二级过滤器进口连接,其溢流口与一级过滤器进口连接。本实用新型采用了除油池、滚筒刮油装置和回流隔板,经初步除油后将大部分轻相组分分离出来,然后再经旋流分离器、一级过滤器、旋转膜过滤器和二级过滤器处理,使排出的污水达标排放。

标签:
废水处理
江苏 - 无锡 来源:北方有色网 2023-03-19
节能燃气热风炉
节能燃气热风炉 996     
 0

本实用新型适用于热风炉技术领域,提供了一种节能燃气热风炉,包括尾气余热回收换热器、多通道线性燃烧炉、排污阀、空气鼓风机和燃烧控制阀组,常温空气经空气鼓风机进入尾气余热回收换热器后进行加热,空气鼓风机进气效率更高,通过尾气余热回收换热器加热后进入多通道线性燃烧炉;多通道线性燃烧炉通过燃气进气口进入燃气,配合尾气在多通道线性燃烧炉中进行燃烧,高温尾气经尾气余热回收换热器降温后有热风出口排出,冷凝水经排污阀排出,便于进行废水收集,环保性更高;燃气进气口处安装有燃烧控制阀组,控制燃气的进入,通过阀组控制器进行控制,可根据尾气的种类和含量注入不同体积的燃气,节省燃气,降低此热风炉的使用成本。

标签:
废水处理
江苏 - 无锡 来源:北方有色网 2023-03-19
工件防锈清洗装置
工件防锈清洗装置 826     
 0

本实用新型公开了一种工件防锈清洗装置,包括清洗桶,所述清洗桶和循环水桶的上端之间通过回流管进行连接,所述清洗桶的顶部右端搭接有高压喷水枪,所述循环水桶的右侧设有小推车,所述小推车上安装有高压清洗机,所述高压喷水枪通过第一水管连接高压清洗机的出水口,所述循环水桶的右侧壁下端通第二水管连接高压清洗机的进水口。把工件放置在清洗桶内,启动高压清洗机利用高压喷水枪对工件进行清洗工作,工件在清洗桶清洗后,工件表面的铁屑会自然沉积于清洗桶底部,打开回流管上的阀门,通过重力原因自动回流于循环水桶内,进行水资源的回收再利用,大大节约成本,清洁环保没有废水。

标签:
废水处理
江苏 - 无锡 来源:北方有色网 2023-03-19
废弃物回收装置
废弃物回收装置 1165     
 0

本实用新型公开了一种废弃物回收装置,其特征在于,包括:液位检测箱、液位开关、开关电磁阀和回收管路系统,所述液位检测箱与水洗槽相连通,所述液位开关控制所述开关电磁阀,当液位达到设定高度时,电磁阀打开,水洗槽内的水通过回收管道注入热水槽,电磁阀开启时间由时间继电器控制,以控制回收量。通过上述方式,本实用新型废弃物回收装置,能够稳定控制水洗槽液位,使水洗槽多余的废水注入热水槽进行再利用,结构简单,安全可靠。

标签:
废水处理
江苏 - 无锡 来源:北方有色网 2023-03-19
生物化工污水处理系统
生物化工污水处理系统 1026     
 0

本实用新型公开了一种生物化工污水处理系统,涉及生物化工废水处理技术领域,该系统一种生物化工污水处理系统,包括依次通过管道连接的调节池、中和反应池、初步沉淀池、第一级生物处理池、第二级生物处理池、泥水分离池、气浮池、清水池;第一级生物处理池为厌氧生物处理池,对反应池中有机物进行降解;第二生物处理池采用缺氧/好氧(A/O)生物处理组合工艺;泥水分离池将池内液体进行泥水分离,所述泥水分离池设有两个排泥口,一个排泥口连接第二级生物处理池用于污泥回流,另一个排泥口用于将未回流的污泥排出;通过设置多级生物处理池可以提高除污效率。

标签:
废水处理
江苏 - 无锡 来源:北方有色网 2023-03-19
重力铸造模具内轮缘冷却结构

本实用新型涉及一种重力铸造模具内轮缘冷却结构,包括由顶模、边模和底模组成的轮毂模具,位于边冒口区域的边模外侧部开有环形槽,环形槽的底部伸入回水管;所述环形槽的上方设置盖板,所述盖板的横截面L型,盖板的侧部、底部与边模紧密配合,盖板与环形槽共同形成冷却腔;所述盖板上设置进水管,进水管的前端连接喷嘴,喷嘴伸入冷却腔内。本实用新型在重力铸造产品性能薄弱的内轮缘处,采用模具分体、多喷头的封闭式的水冷结构对产品进行冷却,冷却后的废水可以进行回收再利用。

标签:
废水处理
江苏 - 无锡 来源:北方有色网 2023-03-19
驱动轴加工用外环磨削装置

本实用新型一种驱动轴加工用外环磨削装置,包括:主体,主体两端侧壁卡接有三爪卡盘,三爪卡盘一端螺纹连接有卡块,三爪卡盘远离卡块一端转动连接有第一电机,三爪卡盘上螺纹连接有固定旋钮,主体顶部固定连接有顶板,主体底部开设有凹槽,本实用新型具有以下优点:装置通过使用两个三爪卡盘将驱动轴进行固定,防止挤压驱动轴时,导致驱动轴变形;通过滑杆上缠绕有塑料软管,便于塑料软管的收起,防止塑料软管相互缠绕;通过使用第三电机,带动金属渣移动到过滤网顶部一端,便于金属渣的排除;通过使用过滤网,便于废水的回收再利用。

标签:
废水处理
江苏 - 无锡 来源:北方有色网 2023-03-19
漂白汽蒸煮练两用箱
漂白汽蒸煮练两用箱 841     
 0

本实用新型涉及一种漂白汽蒸煮练两用箱,包括箱体,在箱体内部的前端设有进布架,后端设有出布架,其特征在于:在箱体内的底部均匀分布多个浅水槽,在浅水槽的底部设有加热管;在箱体内的底部的多个浅水槽的上方设有输送网带,输送网带从箱体的前端延伸到后端;在接近输送网带的整个所述输送网带的上方设有条栅压板,条栅压板的长度方向的两端向斜上方翘起;在条栅压板的上方位置的箱体上沿着箱体的长度方向均匀分布多根设有喷嘴的汽蒸管。本实用新型具有煮练效果好,缩短生产时间,节约用水量,减少生产废水的排放量,减少生产占地面积的优点。

标签:
废水处理
江苏 - 无锡 来源:北方有色网 2023-03-19
除油器
除油器 1184     
 0

本实用新型公开了一种除油器,所述除油器包括,箱体、搅拌舱、过滤舱、集泥舱和集水舱,所述搅拌舱设置在箱体内,搅拌舱和一个伸出箱体的进水口连通,搅拌舱的上端伸出箱体和减速机连接,下端设有一集泥斗;箱体从上往下依次为集水舱、过滤舱和集泥舱,过滤舱和搅拌舱相通;集水舱外壁设有一出水口;集泥舱下端设有排泥收集管,所述排泥收集管是布满一组收集孔的管材,排泥收集管上设有伸出舱体的出泥管;所述集泥斗和出泥管通过管道连接。本实用新型公开的一种除油器,与传统工艺相比以其占地面积小,投资少,运行成本低,操作处理灵活方便,除油器的强度高,使用时间长,能对废水中的污泥进行高效处理。

标签:
废水处理
江苏 - 无锡 来源:北方有色网 2023-03-19
镀锡板生产线软熔段淬水槽纯水循环系统

本实用新型涉及镀锡板生产线软熔段淬水槽纯水循环系统,包括淬水槽,蒸汽管路,纯水管路,喷淋管路,冷却管路,换热器和控制箱,淬水槽连接纯水管路和蒸汽管路,上方设有废水排出管路;底部设有出水口,出水口连接喷淋管路和冷却管路,喷淋管路连接喷淋系统;冷却管路连接换热器,换热器连接回水管路,回水管路连接回水口;淬水槽内设有温度传感器;喷淋系统包括喷淋管及与其相连接的进水管,喷淋管的两端各设有一个法兰;喷淋管上开设有线状喷水区,外侧焊接有与其等长的喷嘴,喷嘴中部设有与其相匹配的喷嘴口。本实用新型具有以下优点:(1)纯水能够循环利用,节约水资源;(2)淬水槽内纯水的温度基本保持恒定,提高了镀锡板的镀锡品质。

标签:
废水处理
江苏 - 无锡 来源:北方有色网 2023-03-19
组合式家用垃圾处理设备

本实用新型属于垃圾处理技术领域,尤其为一种组合式家用垃圾处理设备,包括底座,所述底座的表面均设置有垃圾箱放置槽,所述垃圾箱放置槽的上方设置有普通垃圾放置箱,所述普通垃圾放置箱的一侧设置有厨房垃圾放置箱。该组合式家用垃圾处理设备,通过设置有普通垃圾放置箱、厨房垃圾放置箱和易拉罐回收箱,对生活垃圾进行分类处理,给处理垃圾的工人带来方便,通过在厨房垃圾放置箱的内部设置有粉碎辊,对厨房垃圾进行粉碎处理,提高垃圾处理效率,通过在粉碎辊的下方设置有过滤网,粉碎后的垃圾通过倾斜出屑口排出,废水通过过滤网排到下方,通过设置有易拉罐放置箱,对易拉罐进行挤压后回收,提高垃圾处理效率。

标签:
废水处理
江苏 - 无锡 来源:北方有色网 2023-03-19
处理回收纺织废浆液中PVA的装置

本实用新型涉及一种处理回收纺织废浆液中PVA的装置,它包括机架,在所述机架上部设有盐析槽,在所述盐析槽上口处设有溶剂槽,在所述溶剂槽底部设有溶剂出料口,在所述溶剂槽上部设有溶剂槽减速机,所述溶剂槽减速机下端与溶剂搅拌器相连,在所述盐析槽底部设有出料口,在所述盐析槽上口处设有盐析槽减速机,所述盐析槽减速机下端与搅拌器相连,在所述出料口下方的机架上设有链板式分离机,在所述链板式分离机下方设有离心脱水机。本实用新型PVA析出率高,大大降低纺织排放废水COD浓度,便于后续生化处理。

标签:
废水处理
江苏 - 无锡 来源:北方有色网 2023-03-19
污水处理设备与污水池清水池一体装置

本实用新型公开了污水处理设备与污水池清水池一体装置,包括污水进入管、第一水箱、第一水泵、第一连接法兰、第一液位浮球、进水槽、隔油集水沉淀池、过滤斜板、第一连接管、流量计、污水处理设备、第二连接管、污泥压滤机、盛放平台、第三连接管、清水过滤机、第二水箱、第二连接法兰、第二液位浮球、第二水泵、清水箱、出水管、出水阀门和移动轮。加装的移动轮,使结构紧凑,且方便搬迁移动的优点,同时将隔油集水沉淀池、第一水箱、第二水箱和清水箱共同固接至污水处理设备的顶端面,具有节省了占地空间,更加安全的优点;同时本装置节省了挖集水废水池、做隔油池的时间,且与污水处理系统一体增强了污水处理效果的稳定性、一致性。

标签:
废水处理
江苏 - 无锡 来源:北方有色网 2023-03-19
含盐有机废液焚烧系统

一种含盐有机废液焚烧系统,属废液处理及节能设备,包括焚烧炉、除尘器、余热回收设备,一次焚烧炉炉顶置有废液进口,底部出口管道连接旋风除尘器,旋风除尘器顶部出气口接通高温袋式除尘器,高温袋式除尘器的顶部出口连接二次焚烧炉,二次焚烧炉的出气口管道连接余热回收设备,本焚烧系统的盐粉不再进入净化系统的液体中,减少了净化废水处理的难度,利用余热回收设备回收高温烟道气中的热量,大大提高了焚烧炉的热效率。

标签:
废水处理
江苏 - 无锡 来源:北方有色网 2023-03-19
高密度沉淀池
高密度沉淀池 1125     
 0

本实用新型涉及废水处理装置技术领域,尤其是一种高密度沉淀池;包括进水管,进水管上连接有流量计,进水管与搅拌池的入口连接,搅拌池的入口处安装有混凝剂投加泵,搅拌池内有搅拌器,搅拌池与集成式絮凝区连接,搅拌池上端设有过水孔与集成式絮凝区连接,过水孔处设有絮凝剂加药管,加药管上连接有絮凝剂投加泵,集成式絮凝区包括不回流污泥的快速絮凝区和矾花增长所需要的慢速絮凝区,慢速絮凝区通过斜管与沉淀区连接,沉淀区的顶部设有斜板,沉淀区的底部设有回流锥,回流锥的上部设有回泥管,沉淀区的底部设有刮泥机;本实用新型中的高密度沉淀池,出水水质好,药耗少,污泥含固率高。

标签:
废水处理
江苏 - 无锡 来源:北方有色网 2023-03-19
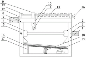
过滤循环换液装置
过滤循环换液装置 842     
 0

本实用新型公开了一种过滤循环换液装置,包括安装支架和固定于安装支架上的沉淀罐,所述沉淀罐底部为球状结构,且沉淀罐顶部插接有进液管,所述沉淀罐内设有浮板,且浮板一侧外壁上的中心位置处插接有螺旋连接管,所述螺旋连接管的一端贯穿浮板,且螺旋连接管的另一端连接有固定有沉淀罐一侧外壁上的抽油泵,所述抽油泵远离螺旋连接管的一端连接有位于安装支架一侧的收集筒,所述沉淀罐底部连接有输送管,输送管上对夹连接有阀门。本实用新型能够对超声波清洗机内的废水进行沉淀分层,抽取并收集上层的油污,且便于观察油污的液面,能够对清洗液和杂质层层过滤,去除杂质,对清洗液进行重新回收利用,降低清洗液的损耗,节约清洗成本。

标签:
废水处理
江苏 - 无锡 来源:北方有色网 2023-03-19
带循环过滤装置的电镀槽

本实用新型公开了一种带循环过滤装置的电镀槽,漏斗形过滤塔有效去除电镀液中的颗粒物以及部分金属;滴加碱液可将金属离子相互络合形成沉淀物;高分子吸附海绵有效去除废水中的有机物。金属含量对电镀液很重要,超标会严重影响电镀质量,通过金属检测器检测电镀液中的金属含量,数据传送给控制器,与预设值比较,如果低于预设值,则不运行循环,如果高于预设值,则开启循环,化学泵启动,抽动电镀液,经过系列处理降低金属含量,同时出去有害的有机物。本实用新型提供的带循环过滤装置的电镀槽为电镀生产中的一步,可及时准确的处理电镀液,达到各组分含量要求,保护环境,也为企业造福;装置组成合理,维护容易,适用于复合电镀液循环处理。

标签:
废水处理
江苏 - 无锡 来源:北方有色网 2023-03-19
改进型一体化泵站
改进型一体化泵站 909     
 0

本发明公开了一种改进型一体化泵站,包括泵站筒体、水泵、进水口、排水口、检修门、检修梯和排风口,所述泵站筒体的内壁上设置有与进水口连通的方形管路,所述方形管路的一端固定在泵站筒体的内壁上,另一端设置有滤网,所述方形管路内的底部设置有集渣框,所述集渣框的四边分别与方形管路的内壁以及滤网相贴合,所述泵站筒体上设置有用于取出集渣框的清理门。本实用新型与现有技术相比,通过方形管路、集渣框和清理门的相互配合设置,使得工作人员能够方便、及时、有效的将废水过滤下来的杂质进行清理,从而保证了一体化泵站的顺利、高效运行。

标签:
废水处理
江苏 - 无锡 来源:北方有色网 2023-03-19
电化学氨氮消解装置
电化学氨氮消解装置 981     
 0

本实用新型涉及废水处理领域,特别涉及一种通过电极材质变化进而实现随处理浓度的梯度变化保证处理效果的电化学氨氮消解装置,包括第一反应单元、第二反应单元、第三反应单元、第四反应单元和第五反应单元,进水口设于第一反应单元底部,第一反应单元通过溢流板一与第二反应单元连通,所述第二反应单元通过底部开口与第三反应单元连通,所述第三反应单元通过溢流板二与第四反应单元连通,所述第四反应单元通过底部开口与第五反应单元连通,所述第一反应单元内设有阴极一,所述第二反应单元内设有阳极一,所述第三反应单元内设有阴极二,所述第四反应单元内设有阳极二,所述第五反应单元内设有阴极三。

标签:
废水处理
江苏 - 无锡 来源:北方有色网 2023-03-19
高效浅层气浮装置用集渣槽

本实用新型属于废水处理设备技术领域,尤其为一种高效浅层气浮装置用集渣槽,针对现有的浅层气浮装置对于浮渣的收集效果较差,浮渣中含有过多的水,增加了后期对浮渣的处理量的问题,现提出如下方案,其包括气浮箱,所述气浮箱的顶部固定安装有两个竖板,两个竖板的顶部固定安装同一个横板,两个竖板相互远离的一侧均固定设置有电动机,两个电动机的输出轴上均固定安装有绕线盘。本实用新型结构设计合理,通过电动机、绕线盘、拉绳、移动板和刮渣板的配合,方便了对浮渣的收集,通过过滤网,便于把浮渣中多余的水分过滤掉,通过卡杆、卡槽、复位弹簧、扭力弹簧和挡板的配合,方便了对过滤网的拆装更换。

标签:
废水处理
江苏 - 无锡 来源:北方有色网 2023-03-19
污水脱氮装置
污水脱氮装置 962     
 0

本实用新型公开了一种污水脱氮装置,包括滤池,所述滤池内由上往下依次设有布水器、硝化填料层、曝气器、反硝化填料层和出水装置。本实用新型公开的一种污水脱氮装置,结构简单,占地面积小,能够有效处理含氮废水。

标签:
废水处理
江苏 - 无锡 来源:北方有色网 2023-03-19
在线式循环水制氯杀菌装置

本实用新型公开了一种在线式循环水制氯杀菌装置,杀菌装置包括筒状的阴极板,阴极板的筒体内设置有柱状或筒状的阳极,阳极与阴极板之间设置有间隙,阴极板和阳极的上底面和下底面分别密封连接形成封闭的电解液储槽,电解液储槽的表面设置有进液口和出液口。该杀菌装置结构简单合理,筒状的电解槽中电解液易形成旋流,减少废水中固体杂质沉积量,此外,通过电解槽内部阴阳极的互换,可有效去除电极表面沉积的固体物质,并随旋流流出,保证电解槽的电解效率。

标签:
废水处理
江苏 - 无锡 来源:北方有色网 2023-03-19
脱硝尿素添加装置
脱硝尿素添加装置 951     
 0

本实用新型提供了一种脱硝尿素添加装置,包括加药箱和溶解箱,所述加药箱设置在溶解箱的上方,所述加药箱包括箱体、过滤机构和输送机构,所述箱体为空腔结构,所述箱体顶部和底部分别设置有加药口和出药口,所述输送机构固定安装在箱体底部内壁上,所述输送机构包括螺旋输送机,所述过滤机构固定安装在输送机构的上方,所述过滤机构包括过滤层,所述过滤层包括框架和滤网,所述溶解箱包括水箱、显示装置和控制箱,通过上述技术方案,实现了对脱硫废水的加药过程的自动控制,同时简化了加药过程,不仅提高了生产效率,降低了设备故障的发生率,提高脱硝效率、提高控制精度、增加稳定性。

标签:
废水处理
江苏 - 无锡 来源:北方有色网 2023-03-19
自清洗过滤器
自清洗过滤器 848     
 0

本实用新型涉及过滤器领域,公开了自清洗过滤器,包括筒体,筒体内自下而上设有第一腔室、第二腔室和反冲洗过滤室,第一腔室和第二腔室通过第一网孔板分隔,第二腔室和反冲洗过滤室通过第二分隔板分隔,第二腔室内对应第一网孔板上的各网孔竖直固定设置多支套管,套管下端插入并填塞网孔、上端连接第二分隔板,第一腔室内设有活动盘,活动盘底部连接升降机构,活动盘上对应第一网孔板上的各网孔竖直设置多支磁棒。本实用新型能够对废水中的铁屑进行分离处理,避免铁屑损伤滤芯;结构设计紧凑,集合铁屑分离处理功能和反冲洗过滤功能,节约场地占用,减少资金投入;具有自动清洗滤芯的功能,使滤芯不被堵塞,长期保持良好的过滤效果。

标签:
废水处理
江苏 - 无锡 来源:北方有色网 2023-03-19
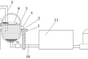
金属冲压油回收装置
金属冲压油回收装置 1179     
 0

本实用新型涉及机械技术领域,具体地说是一种金属冲压油回收装置,包括油水混合废液导入管、阀门、废液收集罐和排液阀。本实用新型同现有技术相比,利用冲压油与水的密度差及不溶于水的特点,分离冲压油和废水,使冲压油得到回收。

标签:
废水处理
江苏 - 无锡 来源:北方有色网 2023-03-19
人工构筑生物载体组合填料

一种人工构筑生物载体组合填料,包括上下半球形壳体,上下壳体的对接面设置有相互配接的卡扣卡接,构成一球型结构,上下壳体表面为网格状,所述上下壳体内填充有填料块,填料块为一整块填充于上下壳体内或者多块不规则挂于上下壳体内,所述每块填料块表面均开设有“Z”字型沟槽,填料块中心均开设有通孔,通孔内穿有丝线将填料块缠绕固定于上下壳体上。结构简单、紧凑并且合理,装配方便快捷,便于附着在填料上的微生物和废水充分接触,同时能截留和水一起流出的微生物。

标签:
废水处理
江苏 - 无锡 来源:北方有色网 2023-03-19
气浮设备
气浮设备 1217     
 0

本实用新型提供了一种气浮设备,设备包括气浮池,气浮池分别开有清水出口,污水进口,污水出口和排渣口,所述的污水进口依次连接有涡流反应器、污水泵、加药口和污水入口;气浮池内设有释放器,释放器依次与气浮池外的混合器、加压器泵连接,加压器泵与清水出口连接;混合器内设有射流器,射流器与压力罐连接。本实用新型可以去除废水中靠自然沉降或上浮难以去除的乳化油或相对密度近于1的微小悬浮颗粒,具有结构紧凑,去污效率高,能耗低,自动化程度高等优势。

标签:
废水处理
江苏 - 无锡 来源:北方有色网 2023-03-19
有机高分子脱色絮凝剂的合成方法及应用

本发明公开了一种有机高分子脱色絮凝剂的合成方法及应用,属于污水处理技术领域。该脱色絮凝剂是一种改性双氰胺‑甲醛阳离子型树脂,合成方法如下:将100份双氰胺、10~50份尿素、50~100份氯化铵、1~10份交联剂、100~150份甲醛水溶液(37%质量浓度)依次投入反应器中,搅拌并控制于40~80℃下反应,待反应平稳后,相同温度范围下滴加与上述相同量的甲醛水溶液,滴加完毕升温至60~80℃反应2h,冷却至室温,即得成品,为无色透明粘稠液体。本工艺条件简单易于操作,反应条件温和易于控制,生产成本低;产品应用于废水脱色具有脱色效率高,用量少,絮凝效果好,絮体大,沉降快等优点。

标签:
废水处理
江苏 - 无锡 来源:北方有色网 2023-03-19
基于玄武岩纤维的硫酸盐还原菌的固定装置及其固定方法

本发明提出了一种基于玄武岩纤维的硫酸盐还原菌的固定装置,属于污水处理技术领域,其技术方案包括池体、进水口、出水口、排泥口、池体封盖及出气口和集气管。池体进水口与出水口之间设置了若干折流板,将池体分为多个串联的单独反应室,每个反应室包括下流区和上流区,最后一格反应室为沉淀区。旨在解决现有高硫酸盐废水生物处理技术中存在的工艺启动时间长、处理速度慢、处理效率低等技术问题。

标签:
废水处理
江苏 - 无锡 来源:北方有色网 2023-03-19
高效脱氮菌剂及其制备方法

本发明公开了一种高效脱氮菌剂及其制备方法,属于环境保护技术领,本发明的高效脱氮菌剂同时包含假单孢菌LSTD1和嗜麦芽窄食单胞菌LSTD2,本发明公开了其制备方法,首先对反硝化池中的微生物进行驯化及富集分离,获得一株高效菌株,对获得的假单孢菌LSTD1和嗜麦芽窄食单胞菌LSTD2进行单菌株放大发酵,获得浓度为1×109~1×1011CFU/mL发酵产物后,按照1~5:1~5混合后形成的菌剂;本发明的菌株LSTD1和LSTD2以及微生物菌剂能维持较强的总氮的降解能力,可用于高浓度总氮废水降解处理领域。

标签:
废水处理
江苏 - 无锡 来源:北方有色网 2023-03-19
上一页 18 19 20 21 22 ... 80 下一页
共80页    到第

北方有色为您提供最新的江苏无锡有色金属废水处理技术理论与应用信息,涵盖发明专利、权利要求、说明书、技术领域、背景技术、实用新型内容及具体实施方式等有色技术内容。打造最具专业性的有色金属技术理论与应用平台!

全国热门有色金属设备推荐
展开更多 +
全国热门有色金属技术推荐
展开更多 +

 

江西省隆恩特环保设备有限公司
宣传

报名参会
更多+

报告下载

有色专家
更多+

中南大学
副校长
有研科技集团有限公司
中国工程院 院士
武汉工程大学
教授
矿冶科技集团有限公司
所长/研究员级高工
中南大学
院长/教授
赤泥综合利用研究报告2025
推广

热门技术
更多+

推荐企业
更多+

福建省金龙稀土股份有限公司
宣传

发布

在线客服

公众号

电话

顶部
咨询电话:
010-88793500-807