青岛垚鑫智能科技有限公司
宣传

位置:中冶有色 >

有色技术频道 >

> 加工技术

分类:
全部
矿山技术
冶金技术
材料制备及加工技术
环境保护技术
分析检测技术
 
全部
功能材料技术
复合材料技术
新能源材料技术
合金材料技术
加工技术
地区:
全部
北京
天津
上海
重庆
河北
山西
辽宁
吉林
黑龙江
江苏
浙江
安徽
福建
江西
山东
河南
湖北
湖南
广东
海南
四川
贵州
云南
陕西
甘肃
青海
内蒙
广西
西藏
宁夏
新疆
其他
其他
展开
 
全部
合肥
芜湖
蚌埠
淮南
马鞍山
淮北
铜陵
安庆
黄山
阜阳
宿州
滁州
六安
宣城
池州
亳州

安徽芜湖有色金属加工技术理论与应用

免费发布技术信息>>
电动汽车电池管理系统
电动汽车电池管理系统 1040     
 0

本发明公开了一种电动汽车电池管理系统,其特征在于,所述电池管理系统包括微控制器(MCU)、与所述MCU连接的保护与安全评估模块、与所述MCU连接的主动均衡模块、与所述MCU连接的热管理模块,所述保护与安全评估模块由保护模块和测量模块组成。可以对成组锂离子电芯进行高能效、大均衡电流的智能管理,解决电动汽车所使用的锂离子电池组由于电芯容量、内阻、电压平台、和自放电率等性能参数的不一致性所造成的电池组有效容量快速衰减的问题,延长锂电池组的使用寿命。

标签:
加工技术
安徽 - 芜湖 来源:中冶有色网 2023-03-18
电缆对线器
电缆对线器 746     
 0

本实用新型揭示了一种电缆对线器,包括接收器和发射器:所述发射器设有至少一个发射器电缆接口,每个所述发射器电缆接口均连接MCU1的信号输出端,所述发射器的发射器锂电池经稳压电路为MCU1供电,所述发射器锂电池正极输出端设有发射器开关;所述接收器设有与发射器电缆接口数量相同的接收器电缆接口,所述接收器电缆接口均连接MCU2的信号输入端,所述MCU2连接有数控显示屏,所述接收器的接收器锂电池经稳压电路为MCU2供电,所述接收器锂电池正极输出端设有接收器开关。本实用新型的优点在于显示明确,使用方便,工作稳定且安全可靠,利用电池工作便于携带,且能够远程单人操作。

标签:
加工技术
安徽 - 芜湖 来源:中冶有色网 2023-03-18
混合储能供电柜
混合储能供电柜 897     
 0

本实用新型公开了一种混合储能供电柜,其特征在于:所述的供电柜的柜体为多层结构,柜体的底部设有流液储能电池单元,同时柜体的中部设有锂离子电池储能单元;柜体的顶部设有液流电池控制单元和锂离子电池控制单元分别连接控制流液储能电池单元和锂离子电池储能单元;流液储能电池单元和锂离子电池储能单元同时连接设置在柜体的底部两侧的新能源发电输入单元、市电输入单元、直流供电输出单元、交流供电输出单元。由于采用上述的结构,本实用新型对现有的新能源发电、储能系统、充电桩进行整合;体积小巧轻便,安装方便,适用于各种场合。

标签:
加工技术
安徽 - 芜湖 来源:中冶有色网 2023-03-18
便于取样的运输铜箔卷用木箱

本实用新型公开了一种便于取样的运输铜箔卷用木箱,涉及电池制造技术领域,包括可拆卸的上座体和下座体,所述下座体内放置可转动的锂离子电芯铜箔卷,所述上座体表面设有四个结构相同的凸座,所述下座体底端设有四个结构相同且与凸座配合使用的凹槽,本实用新型结构简单,制造成本低,通过将锂离子电芯铜箔卷两端置于圆槽一上的弧形座内,并与钢珠接触,因此锂离子电芯铜箔卷滚动的同时,钢珠也滚动,减少了摩擦,员工转动锂离子电芯铜箔卷时省时省力,同时,设置了将一个木箱的下座体的凹槽可以安装于另一个木箱的上座体的上端凸座上,堆叠运输,节省空间的同时便于定位摆放。

标签:
加工技术
安徽 - 芜湖 来源:中冶有色网 2023-03-18
共享单车的供电系统
共享单车的供电系统 686     
 0

本实用新型属于供电技术领域,特别涉及一种共享单车的供电系统。本实用新型包括控制模块、稳压模块、充电模块、切换模块、太阳能电池板以及锂电池,所述控制模块的信号输出端分别连接充电模块、切换模块的信号输入端,控制模块与太阳能电池板之间双向通信连接,太阳能电池板的信号输出端分别连接稳压模块、充电模块的信号输入端,稳压模块的信号输出端连接切换模块的信号输入端,充电模块的信号输出端连接锂电池的信号输入端,锂电池的信号输出端连接切换模块的信号输入端,所述切换模块与用电设备相连接。本实用新型实现了太阳能电池板和锂电池两种方式供电,使共享单车始终保持着供电稳定的状态,而且本供电系统体积小、结构简单、实用性强。

标签:
加工技术
安徽 - 芜湖 来源:中冶有色网 2023-03-18
新型手提灯
新型手提灯 998     
 0

本实用新型揭示了一种新型手提灯,灯罩内部设有光源、单片机和锂电池,所述锂电池连接单片机电源接口为单片机和光源供电,所述单片机的驱动端口连接光源控制光源的开关,所述灯罩底部固定有下基座,所述下基座向灯罩内延伸有固定柱,所述光源固定在固定柱上,所述单片机和锂电池固定在下基座或固定柱内,所述下基座内固定有无线充电底座,所述无线充电底座内设有无线充电接收器,所述无线充电接收器连接锂电池,所述下基座的下表面固定有感应手提灯是否被提起的微动开关,本实用新型灯具采用手提式结构,光线照向四周类似于灯笼,照明范围更广,充电方式简单,当灯电量不足时,只需要将灯放置在充电底座上即可充电,充满后无线充电底座自动关闭,无需插拔插头,也不用担心过充或者引起火灾。

标签:
加工技术
安徽 - 芜湖 来源:中冶有色网 2023-03-18
使用太阳能的基于ZigBee无线通信技术的蓝藻监测器

本实用新型的目的是提供一种使用太阳能的基于ZigBee无线通信技术的蓝藻监测器,有供电装置和水环境参数采集装置,供电装置内设置有太阳能电池板,太阳能控制器连接着锂电池,太阳能控制器和锂电池上都连接有12V电压转换器来转换电压,锂电池上还连接有5V电压转换器;水环境参数采集装置内有溶解氧传感器、氮浓度传感器、磷浓度传感器、风力风向传感器和温度传感器;水环境参数采集装置连接有微控制器,微控制器连接有Zigbee无线通讯器来传送数据。本装置拥有传感、采集和处理数据、远程通信和自供电能力,使用太阳能和锂电池互备供电,具有成本低、耗能低、长寿命等特点。

标签:
加工技术
安徽 - 芜湖 来源:中冶有色网 2023-03-18
新型充电装置
新型充电装置 903     
 0

一种新型充电装置,包括太阳能电池板,电源适配器,锂电池,升压电路,电压控制电路,充电设备,MCU,所述的太阳能电池板和电源适配器均通过充电保护电路、锂电池、升压电路,电压控制电路与充电设备连接,所述的充电保护电路通过电压检测电路与MCU连接,所述的MUC与电压控制电路连接;本实用新型与现有技术相比,可以通过太阳光照射或外置电源适配器对内置锂电池充电,可以智能调节不同的输出电压可以对手机或大多的数码产品充电,还具有自动保护功能,对锂电池进行保护,具有安全性好,保护完善,容量大,寿命长。

标签:
加工技术
安徽 - 芜湖 来源:中冶有色网 2023-03-18
可无线充电的无线鼠标

本实用新型提供一种可无线充电的无线鼠标,包括:无线鼠标接收器、无线鼠标,所述无线鼠标接收器内设有USB接口、逆变电路和送电线圈,所述的USB接口通过逆变电路与送电线圈相连,所述无线鼠标内设有受电线圈、桥式整流器、稳压电路、可充电锂电池、所述的受电线圈与桥式整流器相连接后再与稳压电路相连,稳压电路的输出与可充电锂电池相连。本实用新型通过无线鼠标接收器里的送电线圈与无线鼠标里的受电线圈的电磁感应对锂电池进行无线充电。保持无线鼠标的可充电锂电池在使用时不断电,避免电池突然没电对工作和生活造成的损失。无线鼠标内部安装的压力感应器可以控制电源的开和关,这样可以节约电能。

标签:
加工技术
安徽 - 芜湖 来源:中冶有色网 2023-03-18
汽车电池温控系统
汽车电池温控系统 809     
 0

本实用新型揭示了一种汽车电池温控系统设有内部填充有散热介质的电池箱,电池箱内竖直设有多个放置腔,所述放置腔呈行列矩阵结构固定在电池箱底部,所述放置腔之间均具有间隙,所述电池箱顶部设有封盖,所述封盖上下垂有多根注液支管,所述注液支管延伸至每相邻四个放置腔中间的间隙内,所述电池箱底部设有出液管,每根所述注液支管上均设有支管阀且与注液总管连通,所述出液管通过散热泵连接汽车散热器输入端,所述散热器输出端连接注液总管;本系统使用安全可靠,对于锂电池使用环境可控性强,不仅能够可靠的降温,还能在低温环境下给予锂电池加热,保证锂电池的工况环境,提高锂电池的使用安全性、可靠性以及使用寿命。

标签:
加工技术
安徽 - 芜湖 来源:中冶有色网 2023-03-18
施工区夜间使用的安全帽

施工区夜间使用的安全帽由安全帽主体1、LED灯圈2、锂电池3构成,LED灯圈2安装于安全帽帽墙外侧,锂电池3安装于安全帽内部,头托前方,锂电池3与LED灯圈2连接,使用时打开供电开关3.1使锂电池对LED灯圈2供电,从而使安全帽发出强光,在夜晚有利于工地来往车辆提高警惕,保证施工人员安全。

标签:
加工技术
安徽 - 芜湖 来源:中冶有色网 2023-03-18
可变换的时钟台灯
可变换的时钟台灯 855     
 0

本实用新型提供一种可变换的时钟台灯,包括:单片机控制器模块、LDO稳压模块、时钟模块、声控模块、温度传感器、按键、高亮LED、LED驱动模块、锂电池,所述的时钟模块与单片机控制器模块和锂电池连接;所述声控模块与单片机控制器模块连接,用于唤醒单片机控制器和改变单片机控制器工作模式,所述单片机控制器模块上连接有温度传感器、按键,高亮LED通过LED驱动模块连接于单片机控制器模块和锂电池,锂电池通过LDO稳压模块给声控模块和单片机控制器模块供电。本实用新型可通过声信号唤醒系统,灵敏度合适,方便实用。亦可通过声信号在时钟模式和台灯模式间切换。

标签:
加工技术
安徽 - 芜湖 来源:中冶有色网 2023-03-18
汽车电池温控系统及其控制方法

本发明揭示了一种汽车电池温控系统设有内部填充有散热介质的电池箱,电池箱内竖直设有多个放置腔,所述放置腔呈行列矩阵结构固定在电池箱底部,所述放置腔之间均具有间隙,所述电池箱顶部设有封盖,所述封盖上下垂有多根注液支管,所述注液支管延伸至每相邻四个放置腔中间的间隙内,所述电池箱底部设有出液管,每根所述注液支管上均设有支管阀且与注液总管连通,所述出液管通过散热泵连接汽车散热器输入端,所述散热器输出端连接注液总管;本系统使用安全可靠,对于锂电池使用环境可控性强,不仅能够可靠的降温,还能在低温环境下给予锂电池加热,保证锂电池的工况环境,提高锂电池的使用安全性、可靠性以及使用寿命。

标签:
加工技术
安徽 - 芜湖 来源:中冶有色网 2023-03-18
便携式镜片去雾刮拭器
便携式镜片去雾刮拭器 1116     
 0

本发明公开了便携式镜片去雾刮拭器,包括有镜框夹持装置,镜框夹持装置上设有固定板,固定板上安装有小电机、锂电池盒、传动机构,传动机构传动连接有刮拭杆,刮拭杆下端设有擦拭片,锂电池盒内设有与小电机相连接的锂电池,锂电池盒上安装有开关。在外观上给人们带来不适,故采用了可以随时拆卸和安装的夹持结构。从而,可以只在需要对镜片进行去雾、去湿的场合使用即可,平时可以将其拆卸,无需随时佩戴;提高了本发明专利的实用性和便携性。

标签:
加工技术
安徽 - 芜湖 来源:中冶有色网 2023-03-18
制备高比容量硅碳、锡碳复合负极材料的方法

本发明公开了一种制备高比容量硅碳、锡碳复合负极材料的制备方法,即将膨胀石墨和嵌锂活性粉体混合后,再加入球磨机中在100-600r/min的转速下球磨1-24h,即得到复合负极材料;所述的膨胀石墨的质量分数为5~90%,嵌锂活性粉体的质量分数为10~95%;本发明与现有技术相比,合成的复合负极材料的稳定比容量大于800mAh/g,嵌锂活性颗粒均匀分布在膨胀石墨基体中,由于膨胀石墨的导电性和弹性,膨胀石墨就相当于一个导电弹性基体,使得嵌锂活性颗粒与膨胀石墨间形成良好的电接触并且一直保持,从而有效地减缓了容量衰减的速度;原料价廉易得、制备工艺简单、流程短、过程容易控制、容易实现工业化生产。

标签:
加工技术
安徽 - 芜湖 来源:中冶有色网 2023-03-18
工业设计用可调节平台

本发明提供一种工业设计用可调节平台,涉及工业设计用具领域。该工业设计用可调节平台,包括工作板,所述工作板的中部连接有电动吸气泵,所述工作板右侧的顶部连接有工作卡扣,所述工作板的底部连接有支撑架,所述支撑架右侧的内部连接有锂离子电池,所述锂离子电池的底部连接有充电头,锂离子电池的左侧连接有放电线,放电线远离锂离子电池的一端连接有变电器,支撑架左侧的中部开设有导向孔,导向孔的内部连接有卡柱,卡柱的外部连接有支撑杆。该工业设计用可调节平台,通过支撑柱内部设置的伸缩电机和滚轮,达到调节工业设计平台进行高度的作用,解决了传统工业设计台不可调节台面的高度,特别在绘制图纸时,使用起来非常不方便的问题。

标签:
加工技术
安徽 - 芜湖 来源:中冶有色网 2023-03-18
多孔四氧化三钴材料的制备方法及其应用

本发明提供了一种多孔四氧化三钴材料的制备方法及其应用,将钴盐和沉淀剂溶解在导向剂中,水热反应后,高温煅烧,制备得到多孔四氧化三钴材料,为芭蕉叶形,具有多孔片状结构,有利于电解液的渗透和扩散,同时便于锂离子的传输;作为锂离子电极材料具有高的比容量,在0.2C倍率下容量高达2000mAh/g;本发明提供的制备方法获得的四氧化三钴材料尺寸在1-4微米,无需后续筛选;而且该方法对设备要求低,无需预烧和混料,普通高温炉即满足生产。

标签:
加工技术
安徽 - 芜湖 来源:中冶有色网 2023-03-18
汽车电池温度调节系统及其控制方法

本发明揭示了一种汽车电池温度调节系统设有内部填充有散热介质的电池箱,电池箱内竖直设有多个放置腔,所述放置腔呈行列矩阵结构固定在电池箱底部,所述放置腔之间均具有间隙,所述电池箱顶部设有封盖,所述封盖上下垂有多根注液支管,所述注液支管延伸至每相邻四个放置腔中间的间隙内,所述电池箱底部设有出液管,每根所述注液支管上均设有支管阀且与注液总管连通,所述出液管通过散热泵连接汽车散热器输入端,所述散热器输出端连接注液总管;本系统使用安全可靠,对于锂电池使用环境可控性强,不仅能够可靠的降温,还能在低温环境下给予锂电池加热,保证锂电池的工况环境,提高锂电池的使用安全性、可靠性以及使用寿命。

标签:
加工技术
安徽 - 芜湖 来源:中冶有色网 2023-03-18
数字化无线充电超声波式保健美容仪

本发明公开了一种数字化无线充电超声波式保健美容仪,包括充电端口、与充电端口连接的开关电路、与开关电路连接的无线充电收发模块、与无线充电收发模块连接的锂离子电池、与锂离子电池连接的超声波震动电路、与超声波震动电路连接的开关管、与开关管连接的纳米技术浸透功能转换模块、与开关管连接的驱动电路、与开关电路和无线充电收发模块的连接处连接的输入功率检测电路、与锂离子电池连接的充电速率检测电路和电量检测电路。本发明能够实时对无线充电进行监测,避免在满电的情况下持续充电造成锂离子电池的使用寿命降低,且具备保护功能,在检测出异常时及时断开充电连接,结构简单,使用方便,成本低。

标签:
加工技术
安徽 - 芜湖 来源:中冶有色网 2023-03-18
新型移动电源
新型移动电源 901     
 0

本发明涉及一种新型移动电源,包括外壳,所述外壳内设有聚合物锂电池芯、电路保护板、充放电芯片、升压电路转换器、降压电路转换器和电路主控板,所述聚合物锂电池芯、电路保护板、充放电芯片、升压电路转换器、降压电路转换器与电路主控板串联连接,所述聚合物锂电池芯外部设有电池保护板,所述聚合物锂电池芯还与外壳外部的电源插口连接,所述电路主控板还通过连接电流调节器与设于外壳外部的LED电量显示屏和充电插口连接,所述LED电量显示屏下部设有操作面板,经过上述改进本发明具有电量转换率高、电流输出稳定、蓄电池安全可靠、充电电量大小可根据需要自由调节以及美观耐用,抗氧化老化和防紫外线的特点。

标签:
加工技术
安徽 - 芜湖 来源:中冶有色网 2023-03-18
低温烧结高韧性3D打印工艺陶瓷粉体浆料

本发明公开了一种低温烧结高韧性3D打印工艺陶瓷粉体浆料,按质量份数计,该低温烧结高韧性3D打印工艺陶瓷粉体浆料的配方包括:氧化铝100‑180份、六钛酸钾50‑120份、晶须硅500‑800份、锂长石150‑350份、蛇纹石120‑240份、中性铝溶胶80‑120份、触变剂2‑6份、分散剂8‑14份、增稠剂15‑37份、流平剂3‑11份、水200‑480份。本发明通过在3D打印工艺陶瓷粉体浆料的配方中添加锂长石,锂长石粉状物可以当碱性物大量加入从而作为氧化铝、蛇纹石和晶须硅的助溶剂,由于锂长石熔化本身温度低,会使本3D打印工艺陶瓷粉体浆料的熔点温度降低,拓宽了作为碱性降温矿化物的烧温度范围,从而能是本3D打印工艺陶瓷粉体浆料通过低温烧结的方式进行3D打印。

标签:
加工技术
安徽 - 芜湖 来源:中冶有色网 2023-03-18
电-电混合动力汽车驱动系统及其控制方法

本发明公开了一种混合动力汽车驱动系统,其特征在于:所述的驱动系统为电源管理单元输出端连接前置驱动电动机,输入端连接燃料电池、锂离子电池、充电接口和电子控制单元;电子控制单元输入端连接加速踏板和换挡装置。由于采用上述的结构,本发明的优点在于:1、降低对燃料电池功率的需求,选择10千瓦时燃料电池搭配10千瓦时的锂离子电池作为动力源,成本较低,并提高了整车安全性;2、根据不同车况实时调整汽车的动力输出,续航能力强;3、可对现有的电动汽车进行改装,适合大范围推广。

标签:
加工技术
安徽 - 芜湖 来源:中冶有色网 2023-03-18
电池温度测量装置
电池温度测量装置 1019     
 0

本发明公开了一种电池温度测量装置,属于动力锂电池领域。本发明实施例提供的装置包括:至少一个温度传感器,用于测量被测电池的温度;智能仪表,用于通过读取所述温度传感器的阻值信号变化,获取所述被测电池的温度及温度场变化。通过将至少一个温度传感器集成在测量装置中,并通过智能仪表进行读取,可以实现各类电池(不局限于锂离子电池)的温度检测,直接读出数据,体积小、便携式操作方便。并可以按使用要求进行单、多点监控并可以设置温度报警监控,提升安全性,结构合理、成本低、对于优化生产工艺、改善电池性能有积极推动作用。

标签:
加工技术
安徽 - 芜湖 来源:中冶有色网 2023-03-18
电加热刮除式镜片去雾器

本发明公开了一种电加热刮除式镜片去雾器,包括有安装于镜框中部的镜框夹持装置,镜框夹持装置上设有固定板,固定板两端分别安装U形的电热丝固定条、锂电池盒、传动机构盒,电热丝固定条贴合于镜片边缘,电热丝固定条上设有电热丝,电热丝与锂电池盒内的锂电池电连接,锂电池盒上安装有电源开关,采用电加热和机械擦拭手段相结合的方法,去除镜片上的雾气与水渍,避免在日常佩戴中,在外观上给人们带来不适,故采用了可以随时拆卸和安装的夹持结构。

标签:
加工技术
安徽 - 芜湖 来源:中冶有色网 2023-03-18
汽车电池工况管理系统及其控制方法

本发明揭示了一种汽车电池工况管理系统设有内部填充有散热介质的电池箱,电池箱内竖直设有多个放置腔,所述放置腔呈行列矩阵结构固定在电池箱底部,所述放置腔之间均具有间隙,所述电池箱顶部设有封盖,所述封盖上下垂有多根注液支管,所述注液支管延伸至每相邻四个放置腔中间的间隙内,所述电池箱底部设有出液管,每根所述注液支管上均设有支管阀且与注液总管连通,所述出液管通过散热泵连接汽车散热器输入端,所述散热器输出端连接注液总管;本系统使用安全可靠,对于锂电池使用环境可控性强,不仅能够可靠的降温,还能在低温环境下给予锂电池加热,保证锂电池的工况环境,提高锂电池的使用安全性、可靠性以及使用寿命。

标签:
加工技术
安徽 - 芜湖 来源:中冶有色网 2023-03-18
物料载运装置用轮架调节机构

本实用新型公开了一种物料载运装置用轮架调节机构,包括承载架、轮架一、伸缩机构、锂电池、触摸控制屏、“U”型锁扣和轴距调节机构,所述承载架上设有第一撑杆、第二撑杆和第三撑杆,且与承载架一体弯折成型有把手,所述轮架一与承载架下端连接,所述轮架一下端设有轮轴,轮轴两端转动设有支撑轮,所述伸缩机构上端和下端通过“U”型锁扣与第二撑杆和第三撑杆紧固连接,所述锂电池设有两块,且分别设于伸缩机构两侧,锂电池下端与第二撑杆连接,锂电池上端与第三撑杆连接,所述触摸控制屏固定安装在第三撑杆上,且与锂电池电性连接,实现了支撑轮和万向轮之间轴距的调整,保证了支撑轮和万向轮之间轴距小于等于楼梯台阶的宽度。

标签:
加工技术
安徽 - 芜湖 来源:中冶有色网 2023-03-18
冬季适用的安全帽
冬季适用的安全帽 837     
 0

一种冬季适用的安全帽由安全帽主体1、保温夹层2、加热垫3、锂电池4构成,保温夹层2固定于外部帽壳与内部帽托1.1中间,加热垫3置于保温夹层2内部,采用此结构可有效的加强安全帽的保温加热效果,锂电池4安装于安全帽内部,帽托1.1后方,安装于此处保证前后配重平衡,不影响正常佩戴,锂电池4与加热垫3连接,使用时打开供电开关使锂电池4对加热垫3供电,从而使安全帽发热保温,保证施工工人在寒冷冬季头部的保暖。

标签:
加工技术
安徽 - 芜湖 来源:中冶有色网 2023-03-18
摇动充电式移动电源
摇动充电式移动电源 813     
 0

本实用新型公开了一种摇动充电式移动电源,包括外壳,所述外壳内设有电路管理装置和电芯,其特征在于:所述电芯为第一聚合物锂电池和第二聚合物锂电池,所述电路管理装置包括充电管理装置、稳压装置、变压装置、保护装置、控制装置、电磁转换装置、输入部件和输出部件,所述保护装置设置在第一聚合物锂电池和第二聚合物锂电池之间,所述第二聚合物锂电池通过变压装置与输出部件连接,通过充电管理装置与输入部件连接,所述稳压装置、电磁转换装置、控制装置分别两两双向连接,所述稳压装置与变压装置连接,所述电磁转换装置包括电路板和磁体。该装置使用简单,不受时间空间限制,同时充分提高能量利用率。

标签:
加工技术
安徽 - 芜湖 来源:中冶有色网 2023-03-18
物料载运装置
物料载运装置 1063     
 0

本实用新型公开了一种物料载运装置,包括承载架、轮架一、伸缩机构、锂电池、触摸控制屏和“U”型锁扣,所述承载架上设有第一撑杆、第二撑杆和第三撑杆,且与承载架一体弯折成型有把手,所述轮架一与承载架下端连接,所述轮架一下端设有轮轴,轮轴两端转动设有支撑轮,所述伸缩机构上端和下端通过“U”型锁扣与第二撑杆和第三撑杆紧固连接,所述锂电池设有两块,且分别设于伸缩机构两侧,锂电池下端与第二撑杆连接,锂电池上端与第三撑杆连接,所述触摸控制屏固定安装在第三撑杆上,且与锂电池电性连接,实现了行驶运输和不同楼梯的爬楼越障,且在行驶和爬楼梯过程中,保持了物料的稳定承载,不会出现倾斜或者颠簸振动现象。

标签:
加工技术
安徽 - 芜湖 来源:中冶有色网 2023-03-18
基于动力梯次利用电池的集成装备

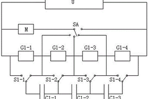
本实用新型公开了一种基于动力梯次利用电池的集成装备,包括充电主电路、梯次利用负载电路、梯次利用触点开关和若干个锂电池单体,所述梯次利用触点开关包括一个梯次利用调节触片和若干个梯次利用调节触点,所述梯次利用负载电路的正极连接所述充电主电路的正极,负极连接所述梯次利用调节触片,若干个所述梯次利用调节触点分别连接不同所述锂电池单体的负极;任意相邻的两个所述锂电池单体设置有一个穿梭均衡电容,每个所述穿梭均衡电容的正负极端各设置有一个双向切换开关,每个所述正极双向切换开关均可以选择接通所述锂电池单体的正极或负极。本实用新型可以实现动力电池组的电能梯次利用,且可以实现所有锂电池单体的容量均衡。

标签:
加工技术
安徽 - 芜湖 来源:中冶有色网 2023-03-18
上一页 16 17 18 19 20 ... 48 下一页
共48页    到第

中冶有色为您提供最新的安徽芜湖有色金属加工技术理论与应用信息,涵盖发明专利、权利要求、说明书、技术领域、背景技术、实用新型内容及具体实施方式等有色技术内容。打造最具专业性的有色金属技术理论与应用平台!

全国热门有色金属设备推荐
展开更多 +
全国热门有色金属技术推荐
展开更多 +

 

江西省隆恩特环保设备有限公司
宣传

报名参会
更多+

报告下载

有色专家
更多+

赣州江钨钨合金有限公司
副总经理
任灵宝金源矿业股份有限公司
技术发展部经理
中国矿业大学(北京)
教授
辽宁忠旺集团
教授级高工
中国有色金属工业协会
副会长兼秘书长
赤泥综合利用研究报告2025
推广

热门技术
更多+

推荐企业
更多+

福建省金龙稀土股份有限公司
宣传

发布

在线客服

公众号

电话

顶部
咨询电话:
010-88793500-807