青岛垚鑫智能科技有限公司
宣传

位置:中冶有色 >

有色技术频道 >

> 复合材料技术

分类:
全部
矿山技术
冶金技术
材料制备及加工技术
环境保护技术
分析检测技术
 
全部
功能材料技术
复合材料技术
新能源材料技术
合金材料技术
加工技术
地区:
全部
北京
天津
上海
重庆
河北
山西
辽宁
吉林
黑龙江
江苏
浙江
安徽
福建
江西
山东
河南
湖北
湖南
广东
海南
四川
贵州
云南
陕西
甘肃
青海
内蒙
广西
西藏
宁夏
新疆
其他
其他
展开
 
全部
合肥
芜湖
蚌埠
淮南
马鞍山
淮北
铜陵
安庆
黄山
阜阳
宿州
滁州
六安
宣城
池州
亳州

安徽芜湖有色金属复合材料技术理论与应用

免费发布技术信息>>
氧化锌/石墨烯复合材料的制备方法、电阻型气体传感器

本发明公开了一种氧化锌/石墨烯复合材料的制备方法、电阻型气体传感器,制备方法步骤包括水热工序、复合工序、焙烧工序,本发明制备方法使得氧化锌纳米颗粒均匀负载在三维石墨烯的表面和孔道结构中,经过洗涤,干燥获得氧化锌/石墨烯复合材料,该材料应用于电阻型气体传感器,具有选择性好、灵敏度高、稳定好、响应快速等优异性能。

标签:
复合材料
安徽 - 芜湖 来源:中冶有色网 2023-03-18
纳米氧化铜复合材料及其制备方法、超级电容器电极及超级电容器

本发明涉及一种纳米氧化铜复合材料及其制备方法、超级电容器电极及超级电容器,使用水热法直接使氧化铜纳米结构长在泡沫铜的表面上,得到的三维网络状纳米氧化铜复合材料,可用于超级电容器电极的构建,实现超级电容器比容量的提高,循环寿命的延长。

标签:
复合材料
安徽 - 芜湖 来源:中冶有色网 2023-03-18
硫/石墨烯纳米复合材料的制备方法、锂离子电池正极、锂离子电池

本发明公开了一种硫/石墨烯纳米复合材料的制备方法、锂离子电池正极、锂离子电池,制备方法步骤包括水热工序、复合工序,本发明制备方法获得的单质硫与三维还原氧化石墨烯复合材料更体现了其与现有技术中的二维石墨烯复合的优越性,单质硫与三维还原氧化石墨烯上各基团之间很强的化学键力使得单质硫不容易脱落,从而大大增加材料的稳定性,该材料应用于锂离子电池正极材料,具有循环稳定性好,比能量密度高等优点。

标签:
复合材料
安徽 - 芜湖 来源:中冶有色网 2023-03-18
能释放远红外线的环氧树脂复合材料及其制作方法

本发明公开了一种能释放远红外线的环氧树脂复合材料,其特征在于,由下列重量份的原料制成:双酚A环氧树脂45-55、黄土石2-3、粗孔硅胶微粉1-3、苯胺甲基三乙氧基硅烷1.1-2.3、氯化钙0.6-1.3、氧化锌2.1-3.4、2-丁氧基-乙醇5-7、月桂醇聚氧乙烯醚4-6、聚乳酸3.2-4.7、丙烯酰胺1-2、甲氧基聚乙二醇甲基丙烯酸酯4.5-6.5、异氰酸酯6-9、氯化聚乙烯2-3、三乙醇胺6-8、助剂4-6、适量水;本发明制备的环氧树脂复合材料耐候性佳、抗老化;添加黄土石,加以改性后,具有放射和反射对人体有益的远红外线的功能,用于涂料领域前景广阔,特别适合于医院病房。

标签:
复合材料
安徽 - 芜湖 来源:中冶有色网 2023-03-18
超高分子量聚乙烯橡胶复合材料的制备方法

一种超高分子量聚乙烯橡胶复合材料的制备方法,属于橡胶复合材料制备技术领域,包括以下步骤:超声波结合铬酸溶液对超高分子量聚乙烯纤维进行表面改性处理、天然橡胶NR塑炼、纤维及其他配料混炼、制得混炼胶胶片、混炼胶胶片硫化处理。采用超声波结合铬酸溶液对超高分子量聚乙烯纤维进行复合表面改性处理,有效地增加了纤维表面的粗糙度及含氧官能团含量,增加纤维的表面活性,从而增强与其橡胶基质的亲和力,复合改性工艺增加了纤维与NR基体之间的界面黏结性。

标签:
复合材料
安徽 - 芜湖 来源:中冶有色网 2023-03-18
高韧性碳化硅复合材料及其加工方法

本发明公开了一种高韧性碳化硅复合材料及其加工方法,其中,所述加工方法包括:1)在溶剂存在的条件下,将稀土氧化物、粘土、氧化铝、碳酸钡、滑石粉、硅灰石和膨润土混合,制得浆料M1;2)向步骤1)中制得的浆料M1中加入碳化硅进行混合,制得待烧结坯体;3)将待烧结坯体进行压制,制得毛坯;4)将毛坯置于温度为1600‑2000℃的条件下预烧结3‑8h,制得初制体;5)将初制体降温至不高于100℃后,置于温度为1600‑2500℃的条件下进行二次烧结,待冷却成型后,制得高韧性碳化硅复合材料。通过上述设计,实现了具有较高的韧性,大大提高了其使用性能的效果。

标签:
复合材料
安徽 - 芜湖 来源:中冶有色网 2023-03-18
柔性纳米界面纺织复合材料的制备方法

本发明公开了一种柔性纳米界面纺织复合材料的制备方法,利用磁控溅射的方法,在纤维增强体表面构建一层柔性纳米材料,以提高增强体材料的柔韧性及与基体材料之间的表面结合能。与现有技术相比,本发明采用磁控溅射所得的薄膜致密性好,纯度高,基材和薄膜的结合性好,而且对基材没有损伤。在起到柔性界面层作用的同时,可以提供给复合材料相应的功能性。

标签:
复合材料
安徽 - 芜湖 来源:中冶有色网 2023-03-18
碳纤维复合材料灯架
碳纤维复合材料灯架 988     
 0

本实用新型提供了一种碳纤维复合材料灯架,包括灯架本体,所述灯架本体包括安装底板,所述安装底板上端前后两侧分别设有安装框架,两个所述安装框架之间设有两个臂板架,所述安装底板包括碳纤维复合底板层,所述碳纤维复合底板层上端连接有隔热层,所述碳纤维复合底板层下端连接有缓冲层,所述缓冲层下端连接有耐磨层;每个所述臂板架皆包括碳纤维复合臂板层,所述碳纤维复合臂板层朝向两个臂板架向背一侧连接有加强层,所述碳纤维复合臂板层另一侧连接耐腐蚀层,每个所述臂板架上端皆设有第二安装孔,所述第二安装孔内壁上胶接有防磨垫圈。本实用新型采用碳纤维复合材料,使灯架在刚度未明显损失的情况下实现了轻量化,并且有效增加使用寿命。

标签:
复合材料
安徽 - 芜湖 来源:中冶有色网 2023-03-18
建材用硅藻复合材料及制备方法

本发明公开了一种建材用硅藻复合材料,以重钙、轻钙、硅藻土助滤剂、淀粉、麦饭石粉、皂土、憎水乳胶粉、羟丙基甲基纤维素、蚁酸钙、硅烷基粉末、植物纤维、短纤维、白色硅酸盐水泥、氧化钙粉、硫酸钙、氧化锌、二氧化钛、增强剂、土硝、磺化木质素、干粉砂浆添加剂等,通过原料设计、称量选取、多重搅拌、混合等工艺,加入改性、催化、添加剂等元素,生产出材料具有墙面自洁、杀菌除臭、释放负离子等功能,所制得的材料具有粘合性好,不脱落、不掉粉和性能稳定等特性,本发明还提供了一种建材用硅藻复合材料的制备方法。

标签:
复合材料
安徽 - 芜湖 来源:中冶有色网 2023-03-18
铁基非晶合金复合材料磁芯

本发明公开了一种铁基非晶合金复合材料磁芯,包括质量比为1︰(3~5)的硅树脂粘结剂和复合磁性材料粉末,所述复合磁性材料粉末包括非晶合金粉末和硅钢粉末,所述非晶合金粉末和所述硅钢粉末的质量比为3︰(1~5),所述非晶合金粉末包括以下质量百分比的元素:硅元素8%~12%、硼元素5%~8%、锰元素1.0%~1.8%、钴元素0.5%~1.3%、钒元素1.2%~2.2%、碳元素2.5%~4.0%、余量的铁元素;所述硅钢粉末包括以下质量百分比的元素:硅元素5%~8%、余量的铁元素。本发明提供的一种铁基非晶合金复合材料磁芯,既具有非晶合金材料的高饱和磁感应强度,又具有硅钢片较低的矫顽力特性。

标签:
复合材料
安徽 - 芜湖 来源:中冶有色网 2023-03-18
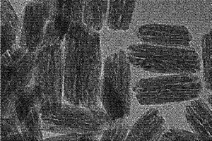
CNTs增韧ZrB<Sub>2</Sub>基超高温陶瓷复合材料的制备方法

本发明公开了一种CNTs增韧ZrB2基超高温陶瓷复合材料的制备方法,包括如下步骤:步骤一:取CNTs进行超声分散;步骤二:将步骤一中得到的分散体与SiC粉体、ZrB2粉体进行球磨;步骤三:步骤二中得到的复合浆料进行高速离心;步骤四:将步骤三中得到的分散均匀的复合浆料进行真空干燥;步骤五:将步骤四中得到的复相粉体通过放电等离子烧结法进行烧结。本发明通过离心成型的方式,提高了CNTs在超高温陶瓷粉体中的分散性,从而获得了微结构均匀的CNTs增韧超高温陶瓷复合材料,不仅提高了材料的断裂韧性,还通过SiC粉体的引入改善了材料的烧结性能,增强了材料的致密化和抗弯强度,提升了材料在超高温条件下的适用性。

标签:
复合材料
安徽 - 芜湖 来源:中冶有色网 2023-03-18
低翘曲高灼热丝阻燃玻纤增强复合材料及其制备方法

本发明公开了一种低翘曲高灼热丝阻燃玻纤增强复合材料及其制备方法,其重量%组成为:PBT28-35%;PET5%;ASA5%;增韧剂4-10%;阻燃剂11%,三氧化二锑5%,抗氧剂0.1-1%;润滑剂0.1~1%;玻璃纤维30%。本发明使用PTW(乙烯,丙烯酸丁酯与甲基丙烯酸缩水甘油酯共聚物)为增韧剂、有效的提高了高灼热丝温度复合材料的韧性。在不影响翘曲和灼热丝温度的前提下,适当的调整增韧剂的配比能够很有效的控制材料的力学性能,从而达到最佳的综合性能。

标签:
复合材料
安徽 - 芜湖 来源:中冶有色网 2023-03-18
过渡金属氧化物/石墨烯复合材料的制备方法、锂离子电池负极、锂离子电池

本发明涉及一种过渡金属氧化物/石墨烯复合材料的制备方法、锂离子电池负极、锂离子电池,制备方法步骤包括将三维还原氧化石墨烯在含过渡金属盐的浸泡液中浸泡,冷冻干燥后预分解、焙烧。本发明制备的过渡金属氧化物/石墨烯复合材料应用于锂离子电池,具有高容量、循环寿命长、低成本以及易大规模生产等优异性能。

标签:
复合材料
安徽 - 芜湖 来源:中冶有色网 2023-03-18
制作托盘用木塑复合材料及其制备方法

本发明公开了一种制作托盘用木塑复合材料及其制备方法,本发明将硅烷偶联剂改性后的木粉预处理,对PVC树脂以稳定剂预处理,做结合本发明的加料顺序,将改性剂、发泡剂、增塑剂、润滑剂、玻璃纤维依次加入高混机与预处理树脂混合,再加入预处理木粉,采用锥形双螺杆挤出机在排气的条件下挤出,并对挤出物在机头模唇处施加压力,并对挤出制品快速冷却,得到木塑复合材料,该具有密度低、质量轻、强度高,同时又能防潮的优点,非常适于用于制作托盘。

标签:
复合材料
安徽 - 芜湖 来源:中冶有色网 2023-03-18
多层介孔结构钴酸锌微米球负载硫的复合材料及其制备方法、锂硫电池正极及锂硫电池

本发明公开了一种多层介孔结构钴酸锌微米球负载硫的复合材料及制备方法、锂硫电池正极及锂硫电池;首先通过水热法获得球状钴酸锌前驱体,再通过退火得到多层结构球状钴酸锌,然后酸洗得到多层介孔结构钴酸锌微米球,最后通过熏硫的方式负载硫颗粒,最终获得多层介孔结构钴酸锌微米球负载硫的半球空心状复合材料;该材料应用于锂硫电池正极材料,具有良好的循环稳定性和较高的比容量;与现有技术相比,本发明制备的材料呈现多孔多层球状结构,独特的多层结构能够负载更多硫颗粒,多孔结构有利于电子传输,缓解充放电过程的体积膨胀,提高电池性能。并且,实验过程简单,原料价廉易获取。

标签:
复合材料
安徽 - 芜湖 来源:中冶有色网 2023-03-18
三维有序多孔结构水凝胶负载硫颗粒复合材料及其制备方法、锂硫电池正极、锂硫电池

本发明提供了一种三维有序多孔结构水凝胶负载硫颗粒复合材料及其制备方法、锂硫电池正极、锂硫电池,与现有技术相比,本发明利用模板法合成三维有序多孔导电水凝胶聚苯胺,再通过熏硫的方式负载上硫颗粒,多孔结构有利于硫的负载,聚苯胺能够很好得解决了硫正极导电性差、多硫化物穿梭等缺点,从而达到提升电池性能的目的,该材料应用于锂硫电池正极材料,有着循环稳定性好,比能量密度高等优点。制备的聚苯胺负载硫的三维有序多孔结构复合材料具有良好的三维结构、比较面积大,有利于负载更多的硫颗粒,具有良好的导电性;而且,能够结合多硫化物,缓解多硫化物的穿梭效应;用作锂硫电池正极材料,具有大容量和良好的循环性能。

标签:
复合材料
安徽 - 芜湖 来源:中冶有色网 2023-03-18
用于锂离子电池正极材料的复合材料及其制备方法

本发明公开了一种用于锂离子电池正极材料的复合材料及其制备方法,其中,所述制备方法包括:1)在氩气存在的条件下,将碳纳米颗粒、石墨烯、乙炔黑和升华硫混合后置于温度为150‑180℃的条件下反应,制得雏体;2)将步骤1)中制得的雏体和纳米氧化锌混合,制得用于锂离子电池正极材料的复合材料。本发明将碳纳米颗粒、石墨烯、乙炔黑和升华硫混合置于温度为150‑180℃的条件下反应,使得硫较为均匀地分散在碳纳米颗粒、石墨烯、乙炔黑中,有效抑制中间产物多硫化物在电解液中的溶解,使得其在多次充放电后能有效保持稳定的结构,进而具有更好的循环性能。

标签:
复合材料
安徽 - 芜湖 来源:中冶有色网 2023-03-18
镍基碳纤维复合材料
镍基碳纤维复合材料 766     
 0

本发明涉及一种镍基碳纤维复合材料,包括以下质量百分比的组分:Ni45占18%~22%,微量元素占0.5%~1.5%,碳纤维粉末占76%~82%。微量元素包括Si、Mn、Mo、W、Fe,Si、Mn、Mo、W、Fe按照1.5︰1︰4︰3︰1的比例混合。本发明制成的镍基碳纤维复合材料,相对于传统的碳纤维材料,硬度更高、耐磨性更好、拉伸压缩强度更大、应用范围更广,从而满足使用时的性能需求。

标签:
复合材料
安徽 - 芜湖 来源:中冶有色网 2023-03-18
耐高温PTC导电复合材料

本发明公开了一种耐高温PTC导电复合材料,按重量计,包括54%~66%的有机聚合物,13.9%~17.1%的无机填料,7%~9%的炭黑XC-72,10%~14%的HAF,3%~4%的石墨烯以及0.3%~0.7%的加工助剂。基于本发明的配方制成的PTC导电复合材料具有耐高温的优点,其发热要求可以满足高温的发热要求,不会发生烧带现象,不存在衰减率过快的问题,能够持续可靠地使用。

标签:
复合材料
安徽 - 芜湖 来源:中冶有色网 2023-03-18
长纤维增强复合材料在线成形模具

本实用新型实施例公开了一种长纤维增强复合材料在线成形模具,包括上模座和下模座,在上模座和下模座内分别安装有上隔热板和下隔热板,且在上模座和下模座的端部分别安装有上模温度传感器和下模温度传感器,所述上隔热板内表面设有上模芯,在上隔热板和上模芯之间设有上冷却板,在下隔热板内表面设有下模芯,且在下隔热板和下模芯之间下冷却板,所述上模芯和下模芯外侧均设有加热槽,上冷却板和下冷却板上均设有水槽;能够满足复杂模具型腔内产品在成形过程中的实时均匀加热和冷却,模具温度控制改造成本不高,可根据工艺要求进行灵活设计与加工,有利于实现复合材料产品各部分性能的一致性、提高生产效率和节能。

标签:
复合材料
安徽 - 芜湖 来源:中冶有色网 2023-03-18
复合材料双层结构的卡车用侧裙

本实用新型公开了一种复合材料双层结构的卡车用侧裙,包括复合材料制成的内板和外板,内板通过后侧面安装在卡车上,内板前侧面边沿与外板的内凹面边沿通过粘接方式连接为一体形成双层中空结构。本实用新型具有重量轻、刚度好、粘接牢固可靠、经济美观的优点。

标签:
复合材料
安徽 - 芜湖 来源:中冶有色网 2023-03-18
复合材料共固化抗冲击前缘

本实用新型公开了一种复合材料共固化抗冲击前缘,包括桨芯、外层蒙皮、内层蒙皮和缓冲层,其中:内层蒙皮、缓冲层和外层蒙皮从内到外依次包覆在桨芯外部;内层蒙皮、缓冲层和外层蒙皮通过共固化成型方式包覆在桨芯外。本实用新型中,所提出的复合材料共固化抗冲击前缘,内层蒙皮和外层蒙皮之间的缓冲层起到缓冲作用;与螺旋桨共固化加工工艺,进而增大制造效率,降低成本,且不需要打磨以实现装配尺寸。

标签:
复合材料
安徽 - 芜湖 来源:中冶有色网 2023-03-18
复合材料废边料压覆定位结构

一种复合材料废边料压覆定位结构,属于复合材料卷带收卷技术领域,该废边料压覆定位结构,包括机架、转动辊、卷辊和压覆辊,机架上转动连接有两个相互平行的转动辊,两个转动辊之间放置卷辊和压覆辊,压覆辊包括连接轴及其上连接的两个压辊,两个压辊位于卷辊的两端,机架的两端设置有挡板,挡板挡止在连接轴的外端,本实用新型的有益效果是,该废边料压覆定位结构整体结构简单,使用成本低,使卷带在收卷的过程中,切割产生的废边料可随着收卷的进行同时向收卷的方向持续送料,不会产生废边料的堆积,无需工人一直进行拖拽处理,省时省力,保证了收卷的连续性,降低了收卷过程中产生的故障。

标签:
复合材料
安徽 - 芜湖 来源:中冶有色网 2023-03-18
碳包覆空心胶囊状硫化亚锡/铜锡双金属硫化物复合材料的制备方法以及锂电池负极和电池

本发明公开了碳包覆空心胶囊状硫化亚锡/铜锡双金属硫化物复合材料的制备方法以及锂电池负极及电池,首先制备得到纳米棒状羟基锡酸铜前躯物,再将其与葡萄糖、硫脲混合并经水热反应合成空心胶囊状SnS/Cu2SnS3纳米材料,最后,以三羟甲基氨基甲烷和酸液调节溶液的pH至6~10,将多巴胺包覆到空心胶囊状SnS/Cu2SnS3纳米复合材料的表面,再对其进行高温碳化处理,将多巴胺转变成碳层,制得SnS/Cu2SnS3@C,其为表面包覆有碳材料的纳米片组装而成的空心胶囊状结构,该结构能很好地缓解由于循环过程中体积膨胀而引起活性物质结构坍塌的现象,由其作为活性物质制备的锂电池负极进而组装成的锂离子电池具有较好的循环稳定性,在电流密度为100mAh g‑1时,循环300次后电池容量仍然高达928mAh g‑1

标签:
复合材料
安徽 - 芜湖 来源:中冶有色网 2023-03-18
用于飞机复合材料结构外表面喷铝层损伤修复方法

本发明涉及一种用于飞机复合材料结构外表面喷铝层损伤修复方法,包括如下步骤:采用目视、超声的方法对雷击损伤区域进行检查;对损伤区域表面进行清洁,并将其擦干;采用标识带将待修理轮廓防护起来以及清除损伤区域表面层;对损伤区域进行去湿处理;根据损伤区域大小,按大于损伤区域15mm准备合适的J‑338B复合胶膜;将预热的J‑338B复合胶膜粘接固化在损伤区域;固化完成后用150#砂纸对修理区域进行打磨处理;委托无损检测部门对修理区域以外50mm内进行超声检查,确保胶接质量。本发明快速便捷,可以实现内外场快速抢修修复能力,且修补材料携带方便;可操作性强,从事复合材料修理工作的普通操作人员即可以承担。

标签:
复合材料
安徽 - 芜湖 来源:中冶有色网 2023-03-18
磁性复合材料及其制备方法

本发明公开了一种磁性复合材料及其制备方法,所述制备方法包括:材料A的制备、材料B的制备、材料C的制备和材料D的制备;将材料A、材料B、材料C和材料D进行混合,并压实形成毛坯N,将毛坯N分别进行烧结处理和二次回火处理得到稀土改性材料。解决了传统的制备方法复杂,制得的磁性复合材料综合性能不高的问题。

标签:
复合材料
安徽 - 芜湖 来源:中冶有色网 2023-03-18
碳纤维复合材料车顶盖的连接方法

本发明涉及一种碳纤维复合材料车顶盖的连接方法,车顶盖由碳纤维复合材料制成,车顶盖上设有连接凹槽,车身骨架上设有与凹槽相配合的凸起,在凹槽内涂抹胶粘剂,将车顶盖与车身骨架粘接;车顶盖上开有多个螺钉孔,通过螺钉将车顶盖与车身骨架连接。

标签:
复合材料
安徽 - 芜湖 来源:中冶有色网 2023-03-18
双金属氢氧化物@钼酸镍@石墨烯纳米复合材料、制备方法及其应用

本发明提供了一种双金属氢氧化物@钼酸镍@石墨烯纳米复合材料、制备方法及其应用。与现有技术相比,本发明制备方法产物纯度高、分散性好、晶形好且可控制,生产成本低,重现性好。所制备出的双金属氢氧化物@钼酸镍@石墨烯纳米复合材料生长在碳布上,可直接作为超级电容器的柔性电极材料,不仅实现了长的稳定性,大的具体电容,高的能量密度和功率密度。而且碳布具有柔性电极,具有折叠和可穿戴行性,在未来的可穿戴电化学储能设备中具有无限发展。

标签:
复合材料
安徽 - 芜湖 来源:中冶有色网 2023-03-18
纳米氧化铈复合材料及其制备方法、抗氧化剂

本发明涉及一种纳米氧化铈复合材料及其制备方法、抗氧化剂,本发明纳米氧化铈复合材料由β-环糊精接枝的纺锤状多孔结构纳米氧化铈构成,粒径均匀、尺度小、活性好,在水中稳定,具有非常优越的抗氧化能力,制备方法产率高,成本低,生产流程短。

标签:
复合材料
安徽 - 芜湖 来源:中冶有色网 2023-03-18
快速净化室内空气的复合材料制备方法

本发明公开了一种快速净化室内空气的复合材料制备方法,包括如下步骤:将蛋白石粉、纳米沸石粉、纳米麦饭石粉、砭石搅拌均匀得到第一预混料;将杉木、钛酸丁酯、无水乙醇混合研磨,加入盐酸、柠檬酸络合硝酸银、去离子水搅拌,过滤,加入第一预混料混合均匀,煅烧,干燥,粉碎得到第二预制料;向第二预制料中加入气相白炭黑、羟乙基淀粉、羧甲基纤维素钠、椰壳纤维、环氧树脂、天然香料混合均匀,造粒得到快速净化室内空气的复合材料。本发明所得材料可去除甲醛、甲苯、二甲苯、二氧化硫、VOC等有机挥发物,具有很好的净化空气功能,可应用于汽车空气滤芯颗粒、空气净化颗粒包或冰箱除臭剂,净化效率高,无毒害,无污染,可重复利用,成本低。

标签:
复合材料
安徽 - 芜湖 来源:中冶有色网 2023-03-18
上一页 16 17 18 19 20 ... 39 下一页
共39页    到第

中冶有色为您提供最新的安徽芜湖有色金属复合材料技术理论与应用信息,涵盖发明专利、权利要求、说明书、技术领域、背景技术、实用新型内容及具体实施方式等有色技术内容。打造最具专业性的有色金属技术理论与应用平台!

全国热门有色金属设备推荐
展开更多 +
全国热门有色金属技术推荐
展开更多 +

 

江西省隆恩特环保设备有限公司
宣传

报名参会
更多+

报告下载

有色专家
更多+

矿冶科技集团有限公司
中国工程院院士
江西铜业集团有限公司
党委书记、董事长
赣州江钨钨合金有限公司
工程师
赣州有色冶金研究所有限公司
副主任/高级工程师
北京科技大学
副院长/教授
赤泥综合利用研究报告2025
推广

热门技术
更多+

推荐企业
更多+

福建省金龙稀土股份有限公司
宣传

发布

在线客服

公众号

电话

顶部
咨询电话:
010-88793500-807