青岛垚鑫智能科技有限公司
宣传

位置:北方有色 >

有色技术频道 >

> 废水处理技术

分类:
全部
矿山技术
冶金技术
材料制备及加工技术
环境保护技术
分析检测技术
 
全部
废水处理技术
大气治理技术
固/危废处置技术
土壤修复技术
地区:
全部
北京
天津
上海
重庆
河北
山西
辽宁
吉林
黑龙江
江苏
浙江
安徽
福建
江西
山东
河南
湖北
湖南
广东
海南
四川
贵州
云南
陕西
甘肃
青海
内蒙
广西
西藏
宁夏
新疆
其他
其他
展开
 
全部
南京
无锡
徐州
常州
苏州
南通
连云港
淮安
盐城
扬州
镇江
泰州
宿迁

江苏苏州有色金属废水处理技术理论与应用

免费发布技术信息>>
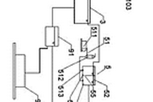
含镍废液的处理工艺
含镍废液的处理工艺 1110     
 0

本发明提供了一种含镍废液的处理工艺,其可提高提高废液中重金属的回收率,且废液经过处理后的废水达标排放,确保生产全过程安全、环保。将含镍废液通入物化反应釜经过物化反应,物化反应结束后,先向物化反应釜中加入石灰,再慢慢加入硫化钠溶液至ORP为?380mv~?410mv,物化反应釜中的混合液的ORP稳定在?380mv~?410mv后,将混合液转运至压滤机内进行压滤,将压滤获得的滤泥卸掉,所获得的滤泥外运至有处理能力的单位,压滤获得的滤液流入滤液中间槽,滤液中的镍含量小于10ppm时,滤液直接进入絮凝沉降池,镍含量不小于10ppm时,滤液进入一级离子交换系统降低镍含量后再进入絮凝沉降池,絮凝沉降处理后,污泥给有处理资质的单位进行处理,絮凝沉降后的上层清液进入镍液中间槽,之后上层清液进入二级离子交换系统降低镍含量后被达标排放。

标签:
废水处理
江苏 - 苏州 来源:北方有色网 2023-03-19
微污染水源深度净化设备

本发明公开了一种微污染水源深度净化设备,其包括第一过滤箱、第二过滤箱、处理罐,所述第一过滤箱由滤网层和活性炭层构成,所述第二过滤箱由中空超滤层构成,所述第一过滤箱的进水口与进水管连接,第一过滤箱的出水口与第二过滤箱的进水口连接,所述处理罐包括进水口、进气口和出水口,第二过滤箱的出水口通过水泵与处理罐的进水口连接,所述处理罐的进气口与臭氧罐连接,处理罐的出水口与清洁水管相连;本发明净化装置建设成本及运行成本小,废水净化处理效果好,适用于处理大量的废水,处理效率高。

标签:
废水处理
江苏 - 苏州 来源:北方有色网 2023-03-19
环保分油型电池壳重油污清洗剂

本发明公开了一种环保分油型电池壳重油污清洗剂,其按重量份包括以下组分:10~20%脂肪醇聚氧乙烯醚、5~10%脂肪胺聚氧乙烯醚、5~10%聚氧乙烯‑聚氧丙烯嵌段聚醚、5~15%助洗分散剂、1~3%腐蚀抑制剂、3~6%pH调节剂、余量为去离子水。该发明清洗剂具有清洗能力强,洗出的油品能够自动从清洗剂中分离出来,经处理后可重复利用。最终实现延长清洗剂寿命、减少废水量、降低废水处理难度、减少前道加工油消耗量。

标签:
废水处理
江苏 - 苏州 来源:北方有色网 2023-03-19
用氧氯化铜生产氯化亚铜的方法

一种用氧氯化铜生产氯化亚铜的方法,它包括如下步骤:(1)将氯化铜溶液、稀盐酸溶液两者中的至少一种溶液与氧氯化铜溶液相混和配制成铜离子与氯离子的质量含量比为63.5∶37.5~40的A溶液;(2)将所述的A溶液加热至50℃~80℃后,向所述的A溶液中加入还原剂,当所述的A溶液由绿色变为淡棕色时,停止加入还原剂,得到B液;(3)向所述的B液注入纯水,搅拌漂洗后进行沉淀,得到C液和沉淀物;(4)用稀盐酸、乙醇依次洗涤所述的沉淀物,过滤、干燥后即得到氯化亚铜。利用此方法在生产过程中产生的废水少,且回收率高。

标签:
废水处理
江苏 - 苏州 来源:北方有色网 2023-03-19
除氟剂的制备方法及除氟工艺

本发明涉及一种除氟剂的制备方法,该方法中应用氧化铝含量为55~60%的铝酸钙粉、氧化铝含量为70%的铝灰作为铝源,盐酸或副产酸作为母液,通过聚合反应制备得到液体聚合氯化铝,该液体聚合氯化铝通过喷雾干燥,制备成粉状聚合氯化铝。该粉末状聚合氯化铝可应用于含氟废水的除氟,易溶于水,除氟效果好。尤其是当该粉末状聚合氯化铝的盐基度为65%~85%时,应用于含氟浓度为100mg/L左右的含氟废水处理时,可使其处理后的浓度低于10mg/L。

标签:
废水处理
江苏 - 苏州 来源:北方有色网 2023-03-19
3-氟-4吗啉基苯胺的制备方法

本发明属于一种药物中间体的制备方法,公开了一种3-氟-4吗啉基苯胺的制备方法,包括以下步骤:(1)还原邻氟硝基苯得到邻氟苯胺;(2)将邻氟苯胺和脱酸剂加到有机溶剂中,然后在100~150℃将双取代乙醚缓慢加入反应体系,加料完毕后,在100~200℃下搅拌反应制备邻氟-吗啉基苯;(3)以质量分数65%~98%的硝酸为硝化剂,以乙酸为溶剂,将步骤(2)所得邻氟-吗啉基苯进行硝化反应得到3-氟-4-吗啉基硝基苯;(4)还原步骤(3)所得3-氟-4-吗啉基硝基苯,得到3-氟-4吗啉基苯胺。由于本发明以邻氟硝基苯为起始反应物,该原料价格低廉因此,可以降低生产成本。同时本发明制备过程中不产生含氟废水,环境污染小,对环境友好。

标签:
废水处理
江苏 - 苏州 来源:北方有色网 2023-03-19
速效尿醛氮肥的生产方法

本发明涉及一种含尿醛缩合物的肥料的生产方法。它是在甲醛液中加入尿素,使尿素与甲醛的克分子比为2~5∶1,加热并保持反应温度在70~90℃,待尿素全部溶解、冷却后,加入酸液,使pH值在3~4,反应生成物取出干燥后即得到速效尿醛氮肥。本发明提供的生产方法,工艺简单易行,如利用工厂中产生的淡甲醛废水作原料,既解决了废水的无害处理,还可以降低生产成本。用本方法生产的速效尿醛氮肥,施用后对当季作物与后季作物都有增产效应。

标签:
废水处理
江苏 - 苏州 来源:北方有色网 2023-03-19
聚磷氯化铁铝絮凝剂的制备方法

本发明公开了一种聚磷氯化铁铝絮凝剂的制备方法,称取铝灰粉和磷铁粉混匀,得磷铁铝混合粉末;称取氯化钠和氢氧化钠溶于水,得碱液;将磷铁铝混合粉末加入碱液中混匀,得磷铁铝碱液浆体;对磷铁铝碱液浆体进行低温等离子体照射的同时进行搅拌和曝入空气处理,得聚磷氯化铁铝絮凝剂浆体;将聚磷氯化铁铝絮凝剂浆体烘干、研磨,得聚磷氯化铁铝絮凝剂。本发明将铝灰粉和磷铁粉用于制备聚絮凝剂,实现对废弃资源的回收利用;絮凝剂可实现对废水中锌、铜、铅、镉、铬、镍、砷和镍多种金属离子污染物的高效去除;絮凝剂可实现对2~12较宽pH范围的废水中重金属污染物的高效去除;制备方法简单,避免了传统技术需要外加氧化剂的问题。

标签:
废水处理
江苏 - 苏州 来源:北方有色网 2023-03-19
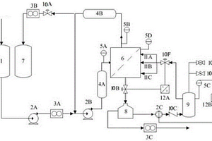
真空蒸发浓缩设备
真空蒸发浓缩设备 860     
 0

本发明公开了一种真空蒸发浓缩设备,其包括蒸发罐、与蒸发罐连通的第一热交换器、将蒸发罐内的蒸汽压缩成高温高压蒸汽并流入第一热交换器内的压缩机、与第一热交换器连通的废水集水槽、蒸馏水槽以及浓缩液收集槽、与蒸发罐连通的清洗液槽、与压缩机输入端连通的油气喷雾装置,第一热交换器底部设置有向第一热交换器内输入压缩空气的第二进气管道,蒸发罐顶部设置有向蒸发罐内输入压缩空气的第一进气管道,第一进气管道上设置有向蒸发罐导通的第一电磁阀,第二进气管道上设置有向第一热交换器导通的第二电磁阀。本发明其制造成本低、能耗低、废水处理效率高且使用寿命长。

标签:
废水处理
江苏 - 苏州 来源:北方有色网 2023-03-19
1, 3-丙二醇发酵液膜过滤分离方法

本发明一种1, 3?丙二醇发酵液膜过滤分离方法,使用截留分子量(Dalton)5000~10000的陶瓷超滤膜用于PDO发酵液的连续除菌、除蛋白质。发酵液经膜过滤浓缩30~40倍,滤液和浓缩液连续从膜过滤系统中连续排出,滤液蛋白质含量低于80ppm,过滤通量长时间维持稳定并大于40L/(h.m2)。过滤过程中,采用高压反冲液对膜进行在线反冲洗,防止膜污染,保证膜过滤通量的长期稳定。反冲压力为5~20bar,反冲频率为3秒~3分钟,反冲时间为50毫秒~3秒。采用高压反冲洗后,该膜过滤系统清洗周期可以延长至5天清洗一次。该发明PDO发酵液的浓缩倍数高,不需加透析水,不增加后续脱水的能耗,PDO收率高达96.7%,且清洗周期长,显著减少了清洗废水排放,是PDO发酵液膜过滤技术的一次重大改进。

标签:
废水处理
江苏 - 苏州 来源:北方有色网 2023-03-19
分散剂改性合成纳米零价铁的方法及原位修复方法

本发明涉及一种分散剂改性合成纳米零价铁的方法及原位修复方法。主要包括:制备绿茶提取液,制备铁盐‑分散剂溶液,制备纳米零价铁,获得纳米零价铁颗粒,将纳米零价铁颗粒用于对重金属污水进行处理。上述方法用绿茶提取液还原铁盐制备纳米零价铁,添加分散剂羧甲基纤维素钠后,在静电斥力和位阻效应的作用下,能使纳米零价铁不易发生团聚,增加材料的稳定性和反应性。能有效处理高浓度重金属废水,对六价铬的去除量高达88mg/g。本发明所述方法操作简便、成本低廉、绿色环保,在重金属废水治理领域具有广泛的应用前景。

标签:
废水处理
江苏 - 苏州 来源:北方有色网 2023-03-19
明胶生产污水处理系统

本发明涉及一种明胶生产污水处理系统,其特征在于:包括废水储罐、调整槽、预处理斜管沉淀池、气浮反应池、厌氧‑好氧池、终端斜管沉淀池、芬顿氧化反应器、净水槽,八者依次通过管道相连接;所述预处理斜管沉淀池、终端斜管沉淀池还分别通过管道依次和污泥浓缩槽、污泥压滤装置相连接。本系统采用预处理斜管沉淀池、气浮反应池、厌氧‑好氧池、终端斜管沉淀池、芬顿氧化反应器联用的模式处理明胶生产废水。该系统处理效果好、污水净化程度高、同时抗冲击负荷强,系统稳定性高、设备占地面积小、投资成本低。

标签:
废水处理
江苏 - 苏州 来源:北方有色网 2023-03-19
氯钒酸铋光催化剂、制备方法及其应用

本发明公开了一种氯钒酸铋光催化剂、制备方法及其应用。氯钒酸铋光催化剂化学表达式为Bi9V2O18Cl。本发明采用高温固相法或湿化学法,制备得到的氯钒酸铋光催化剂,是一种含有Bi3+铋离子的无机材料,制备方便快捷,实现了在可见光的照射下产生光催化的反应,光催化的效率较高,光催化剂的物理和化学性质稳定。本发明提供的氯钒酸铋可用于降解废水中的有机染料、有机有害溶剂;也可作为织物整理剂,用作制备抗菌、除臭功能纺织品。

标签:
废水处理
江苏 - 苏州 来源:北方有色网 2023-03-19
水处理用聚丙烯酰胺的配置系统及其配置方法

本发明公开了一种水处理用聚丙烯酰胺的配置系统,包括配置池、蒸馏冷凝水池和热交换器,蒸馏冷凝水池的进水口与蒸汽冷凝水供应系统连通,蒸馏冷凝水池的出水口与配置池的第一热水管口连通,配置池的冷水管口连接自来水管道,热交换器上设置有换热盘管,换热盘管包括同心设置的内管和外管,内管的入水口连接自来水管道,内管的出水口与配置池的第二热水管口连通,外管的入水口与保温罐的出水口连通,该保温罐的入水口连接印染废水供入管道,外管的出水口与调节池的入水口连通,配置池通过带出药泵的出药管路与初沉池的加药口连通。该配置系统利用蒸馏冷凝水和印染废水中热量来提高自来水的温度,减少聚丙烯酰胺的浪费。

标签:
废水处理
江苏 - 苏州 来源:北方有色网 2023-03-19
造纸黒液中的碱回收工艺

本发明公开了一种造纸黒液中的碱回收工艺,包括以下步骤,(1)向废水中加入活性炭进行除臭解毒;(2)向处理过的废水中通入CO?得到碳酸氢钠溶液;(3)冷却结晶析出碳酸氢钠固体;(4)将石灰石进行灼烧产生氧化钙并配制成氢氧化钙溶液;(5)将氢氧化钙溶液与碳酸氢钠水溶液进行混合得到烧碱溶液。本工艺中物料循环使用,操作条件缓和,耗能低,节能环保,整个过程中产生的氧气可用于造纸工艺中纸浆的氧化过程,大大降低了生产成本。

标签:
废水处理
江苏 - 苏州 来源:北方有色网 2023-03-19
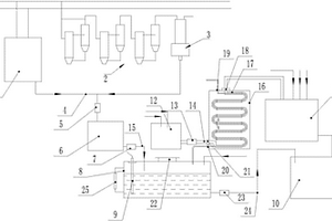
切割机循环冷却水系统
切割机循环冷却水系统 1025     
 0

本发明公开了一种切割机循环冷却水系统,包括过滤器、净化水箱、冷却装置、储水箱、CO2发泡机和输水管道。从切割机出水口输出的冷却水废水经过所述过滤器的过滤,去除了多数颗粒状的杂质,冷却水进入到净化水箱后,活性炭过滤网进一步过滤冷却水,纯净水的水箱底部设置有强力磁铁,能够吸附金属杂质,储水箱的出水管道连接CO2发泡机入水管道,CO2发泡机的出水管道连通输水管道,冷却水通过输水管道输送到切割机的冷却水进水管道,切割机的废水出水管道连通所述过滤器的入水管道,连通成为输水回路。

标签:
废水处理
江苏 - 苏州 来源:北方有色网 2023-03-19
臭氧增压混合溶解系统

本发明揭示了一种臭氧增压混合溶解系统,系统包括臭氧发生器、转子式臭氧压缩机、第一循环冷却机构、气水分离罐、第二循环冷却机构和压力缓冲罐,臭氧发生器产生的臭氧气体经第一循环冷却机构冷却后输入转子式臭氧压缩机中进行增压处理,转子式臭氧压缩机将压缩后臭氧进入气水分离罐中,第二循环冷却机构将气水分离罐中的水冷却后循环至转子式臭氧压缩机中,使转子式臭氧压缩机处理后臭氧气体的温度小于第二预设温度;气水分离罐中的臭氧气体送入压力缓冲罐中与压力缓冲罐内的废水进行混合。本发明能够提高臭氧在废水中的溶解度,提高臭氧利用率。

标签:
废水处理
江苏 - 苏州 来源:北方有色网 2023-03-19
酸性蚀刻液中铜离子的回收方法

本发明公开了一种酸性蚀刻液中铜离子的回收方法,其特征在于,包括如下步骤:步骤S1、多级逆流萃取反应、步骤S2、反萃取反应、步骤S3、电解液配置、步骤S4、电解;其中步骤S3中添加了电解添加剂,所述电解添加剂包括如下按重量份的各组分制成:硫酸铈铵2‑5份、三乙醇胺油酸皂1‑3份、超支化聚四氢呋喃0.5‑1.5份、氯化铜2‑5份。本发明公开的酸性蚀刻液中铜离子的回收方法能快捷、高效、安全地实现酸性蚀刻液中铜离子回收,回收工艺简单,设备投资少,公用工程耗能低,铜离子回收率高,不会产生二次污染;后续的废水处理产生的铜污泥量低,可大幅度减少废水处理去除铜离子的药品用量及后续的铜污泥压滤作业/铜污泥库存。

标签:
废水处理
江苏 - 苏州 来源:北方有色网 2023-03-19
多功能环保通用型纺织浆料及其制备方法

本发明公开了一种多功能环保通用型纺织浆料,以重量份计,包括以下组分:壳聚糖3-9份,醋酸酯淀粉15-20份,羧甲基纤维素1-3份,膨润土0.5-1份,硅酸钠2-3份,衣康酸5-10份,丙烯酰胺5-15份,丙烯酸丁酯4-8份,醋酸乙烯酯2-6份,引发剂1-1.5份,催化剂0.8-1.5份,氯化钙2-5份,去离子水5-10份。本发明该公开了该纺织浆料的制备方法,其粘度稳定,具有优异的化学稳定性和热稳定性,易于上浆与退浆,浆液废水易于处理,浆膜性能和上浆性能好,吸湿再粘性低,绿色环保,减少环境污染。

标签:
废水处理
江苏 - 苏州 来源:北方有色网 2023-03-19
钢铁厂用废料脱干装置及其脱干方法

本发明公开了一种钢铁厂用废料脱干装置及其脱干方法,包括:设置在装配板正下方的废水箱和储水箱,装配板通过若干安装柱固定在废水箱和储水箱上方,装配板下表面设置若干互相平行的滑动轨道,滑动轨道滑动连接脱水组件,脱水组件包括:设置在滑动件两侧的固定件,滑动件和固定件正下方设置滤水桶和吸水板,滑动件正下方设置液压柱,液压柱下方设置挤压板,滑动件和固定件内分别嵌入若干卷收器,若干卷收器均通过预紧绳分别连接滤水桶和吸水板,吸水板能够完全进入滤水桶内,且吸水板设置在挤压板正下方。利用吸水板将滤水桶过滤之后的净化水完全吸收,在实现污泥脱水干燥的同时,做到对净化水的收集,做到水资源的重复利用。

标签:
废水处理
江苏 - 苏州 来源:北方有色网 2023-03-19
三层球壳结构生物复合材料的制备方法及其产品

本发明公开了一种三层球壳结构生物复合材料的制备方法及其产品,目的在于解决二氧化钛易分散于水,将其用于水处理领域时,难以再回收利用,一旦排入自然环境中,会对环境造成二次污染的问题。该方法包括如下步骤:制备纳米四氧化三铁、制备NTG复合材料、微生物培养制备FMT复合材料。本发明不仅能够有效光催化降解废水中复杂的有机成分,而且能够对废水中的有机污染物进行高效吸附;同时,本发明在磁场的调控下,能够在指定区域进行光催化反应,并且能够有效的回收重复利用。同时,本发明所制备的这种生物复合材料FMT能悬浮于水面,具有磁性回收的特点,其具有廉价、绿色环保的特点,有望成为一种极有竞争优势的光催化剂。

标签:
废水处理
江苏 - 苏州 来源:北方有色网 2023-03-19
超支化聚合物功能化介孔材料及其应用

本发明公开了一种超支化聚合物功能化介孔材料及其应用。通过对共缩聚合成的氰基改性介孔硅的羧化,得到羧基功能化介孔硅,再采用“graftingto”策略在羧基功能化介孔硅上嫁接端氨基超支化聚合物,从而获得羧化介孔硅/端氨基超支化聚合物杂化材料。本发明提供的功能性介孔材料宏观形态为低密度粉末,微观结构规整有序,大体呈二维六方p6mm多孔结构,比表面积高,孔道表面覆有超支化有机功能组分,富含活性吸附位点,对重金属离子和有机染料污染物具有良好的吸附能力,可应用于废水处理或功能性载体领域。

标签:
废水处理
江苏 - 苏州 来源:北方有色网 2023-03-19
复合抄造浆粕基片及其制备方法

本发明提供了一种复合抄造浆粕基片及其制备方法。该基片包括面层、芯层和底层,所述面层所采用的原料为竹纤维、甘蔗浆纤维以及粉状活性炭,所述芯层所采用的原料为竹纤维、甘蔗纤维、莫代尔纤维、黄麻浆纤维以及煤渣颗粒,所述底层原料为竹纤维、苎麻浆纤维以及甘蔗浆纤维。其制备方法包括碎浆、配浆、高浓除砂、低浓除砂、压力筛选、冲浆、复合抄造、烘干等步骤。该发明优点是:利用竹、麻制品加工、食品加工、纺织生产的废弃物和燃煤排放出的煤渣制成浆粕基片。用作过滤材料时,对水中悬浮物、颗粒物有很好的过滤作用,还可去除有机物颗粒,不溶性的无机物杂质,降低化学耗氧量的功效。工艺步骤中无废水排出,所需用水可以循环使用。

标签:
废水处理
江苏 - 苏州 来源:北方有色网 2023-03-19
银改性纤维素镉吸附剂的制备方法

一种银改性纤维素镉吸附剂的制备方法,属于吸附剂技术领域。具体制备过程如下:取玉米秸秆清洗后干燥,然后粉碎,加入正己烷,搅拌反应后过滤、清洗并烘干,然后在碱液中浸泡,浸泡后清洗、烘干得到纤维素;将烘干后纤维素倒入无水乙醇中,加入AgNO3溶液,搅拌后过滤,然后用去离子水清洗后干燥;将钢渣粉碎然后置于乙醇溶液中,超声震荡后加入FeCl3溶液和FeCl2溶液,油浴锅中加热;取蒙脱石、膨润土和钛白粉加入处理后的纤维素和钢渣,粉碎后造粒,然后高温焙烧。本方法制备的银改性纤维素镉吸附剂能够有效去除水中的隔离子,制得的吸附剂镉离子吸附能力强、吸附量大,取0.5g本品对200 mg/L的Cd2+溶液吸附率为96.4~99.5%,在重金属镉废水的处理中具有较大的应用前景。

标签:
废水处理
江苏 - 苏州 来源:北方有色网 2023-03-19
吸附重金属铜离子的改性碳纳米管的制备方法

本发明涉及一种吸附重金属铜离子的改性碳纳米管的制备方法,步骤包括:(1)改性碳纳米管的预处理;(2)聚多巴胺改性碳纳米管的制备;(3)利用改性碳纳米管从废水中吸附铜离子;(4)测试吸附前后铜离子的吸附量,评价改性碳纳米管的吸附性能。该方法简单、高效,适用于快速去除废水中的重金属铜离子。

标签:
废水处理
江苏 - 苏州 来源:北方有色网 2023-03-19
Γ-聚谷氨酸复合膜的制备方法

本发明涉及一种Γ-聚谷氨酸复合膜的制备方法,该方法主要是直接采用含有多个自由醛基的膜材料或通过处理制得的含有多个自由醛基的膜材料,再将经过处理的特定链长的Γ-聚谷氨酸接枝到膜材料的表面,最后经硼氢化钠处理和蒸馏水漂洗制得可吸附重金属离子的Γ-聚谷氨酸复合膜。这种Γ-聚谷氨酸复合膜吸附率高、性能稳定,可用于重金属废水处理,并且不会对环境造成污染。

标签:
废水处理
江苏 - 苏州 来源:北方有色网 2023-03-19
超声波协助光催化的处理装置及方法

本发明公开了一种超声波协助光催化的处理装置,涉及超声波处理设备技术领域,包括:导水机构、截流机构、动力机构、分聚机构。通过在转辊上径向设置多个截流块,使得两两截流块之间构成独立的截流腔空间,因此,在转辊旋转过程中不仅能够将进水口中废水分批次导入到出水口,还能直接对截流腔中小量的废水进行光催化降解作用和超声波的空化效应的合二为一,发挥二者的协同效应。并且,经初步处理的水从出水口进入到分聚机构中后,还能通过分盘与聚盘交替对水流的引导,使小量水流形成环形的面状,最大的可能增大水体与第二光催化金属网的接触面积,进行光催化降解和超声波的空化效应的协同效应后,大大提高去除水中杂质的效果。

标签:
废水处理
江苏 - 苏州 来源:北方有色网 2023-03-19
基于循环多羟基烷基膦及其衍生物的皮革鞣制方法

本发明涉及基于多羟基烷基膦及其衍生物的循环的皮革鞣制方法,它包括基于多羟基烷基膦及其衍生物鞣剂的鞣制初始液的配制;在鞣制过程中循环多羟基烷基膦及其衍生物;和调整残液的鞣剂、pH、稳定剂和缓冲剂,并保证皮革鞣制质量不变;重复以使得可以浴液无限次使用,而无废水排放。

标签:
废水处理
江苏 - 苏州 来源:北方有色网 2023-03-19
高灵敏度水体重金属含量的检测方法

本发明公开一种高灵敏度水体重金属含量的检测方法,包括:将50nM木瓜蛋白酶与第一活化混合液搅拌混合形成Eu3+盐修饰的木瓜蛋白酶,?Eu3+盐修饰的木瓜蛋白酶经透析袋过滤获得纯化后的Eu3+盐修饰的木瓜蛋白酶;50nM木瓜蛋白酶与所述第二活化混合液搅拌混合在20℃~30℃的条件下反应形成荧光染料XL665修饰的木瓜蛋白酶,荧光染料XL665与木瓜蛋白酶的摩尔比例为1:5;将Eu3+盐修饰的木瓜蛋白酶与荧光染料XL665修饰的木瓜蛋白酶混合形成荧光检测液,Eu3+盐修饰的木瓜蛋白酶与荧光染料XL665修饰的木瓜蛋白酶按照1:1摩尔比充分混合。本发明方法具有速度快、灵敏度高、线性范围宽、使用成本低、能够实现现场检测,提高了废水中重金属离子检测效率、及时性和检测灵敏度。

标签:
废水处理
江苏 - 苏州 来源:北方有色网 2023-03-19
瓜尔胶及其衍生物的纯化制备方法

本发明公开了一种瓜尔胶及其衍生物的纯化制备方法,其特征在于:所述瓜尔胶及其衍生物的纯化制备方法采用喷洒洗涤和连续带式真空脱水相结合的装置来制备出高纯化的瓜尔胶及其衍生物。本发明改变了目前瓜尔胶衍生物的离心洗涤的间歇式纯化工艺,引入了带式真空过滤设备,通过喷淋洗涤、带式真空过滤相结合的洗涤脱液方法提高洗涤纯化过程的自动化程度和生产效率,同时减少洗涤需要的水量和由此产生的废水,减少废水处理量。

标签:
废水处理
江苏 - 苏州 来源:北方有色网 2023-03-19
上一页 15 16 17 18 19 ... 118 下一页
共118页    到第

北方有色为您提供最新的江苏苏州有色金属废水处理技术理论与应用信息,涵盖发明专利、权利要求、说明书、技术领域、背景技术、实用新型内容及具体实施方式等有色技术内容。打造最具专业性的有色金属技术理论与应用平台!

全国热门有色金属设备推荐
展开更多 +
全国热门有色金属技术推荐
展开更多 +

 

江西省隆恩特环保设备有限公司
宣传

报名参会
更多+

报告下载

有色专家
更多+

中南大学
中国工程院院士
赣州江钨钨合金有限公司
副总经理
湖南科技大学
所长/教授
江西省科学院应用化学研究所
副主任/副研究员
长沙矿冶院检测技术有限责任公司
总经理
赤泥综合利用研究报告2025
推广

热门技术
更多+

推荐企业
更多+

福建省金龙稀土股份有限公司
宣传

发布

在线客服

公众号

电话

顶部
咨询电话:
010-88793500-807