青岛垚鑫智能科技有限公司
宣传

位置:中冶有色 >

有色技术频道 >

分类:
全部
矿山技术
冶金技术
材料制备及加工技术
环境保护技术
分析检测技术
 
全部
功能材料技术
复合材料技术
新能源材料技术
合金材料技术
加工技术
地区:
全部
北京
天津
上海
重庆
河北
山西
辽宁
吉林
黑龙江
江苏
浙江
安徽
福建
江西
山东
河南
湖北
湖南
广东
海南
四川
贵州
云南
陕西
甘肃
青海
内蒙
广西
西藏
宁夏
新疆
其他
其他
展开
 
全部
南京
无锡
徐州
常州
苏州
南通
连云港
淮安
盐城
扬州
镇江
泰州
宿迁

江苏泰州有色金属材料制备及加工技术理论与应用

免费发布技术信息>>
锂电池外圈检测机
锂电池外圈检测机 1007     
 0

本实用新型涉及一种锂电池外圈检测机,包括工作台,工作台上有架体支承有导料槽,导料槽端部连接有送料装置,导料槽至少依次连续设有正面视觉检测工站、背面视觉检测工站以及分拣工站,导料槽为透光玻璃材质,正面视觉检测工站上方以及背面视觉检测工站的正下方分别设置有视觉镜头。

标签:
加工技术
江苏 - 泰州 来源:中冶有色网 2023-03-18
锂电池盖帽热封机
锂电池盖帽热封机 877     
 0

本实用新型涉及一种锂电池盖帽热封机,其特征在于,包括平行设置的进料输送带和出料输送带,进料输送带的一端连接有振动盘,进料输送带与出料输送带之间设有沿进料输送带方向设置的多个热封模具,所述各热封模具的正上方均设有下压气缸,下压气缸的伸出端设有压头;所述进料输送带上方设有横向流道,所述横向流道上设有与各热封模具对应位置设有推料开口,所述热封模具上设有由进料输送带导向出料输送带的纵向流道;进料输送带的一侧设有气动进料机构,所述气动进料机构包气缸和多根推杆,推杆固定于气缸的伸出端,所述推杆头部连接有推头,所述推头与推料开口分别对应。

标签:
加工技术
江苏 - 泰州 来源:中冶有色网 2023-03-18
提高高电压钴酸锂正极材料匣钵循环寿命的装置

本发明公开了一种提高高电压钴酸锂正极材料匣钵循环寿命的装置,包括叠钵机构壳体(1)、两个夹持机构、两个聚氨酯板(3)、光感感应器(4)、气缸(5)、匣钵(6),两个夹持机构均安装于叠钵机构壳体(1)内部,两个夹持机构位于匣钵(6)的两侧;夹持机构包括电机、夹持杆(7)、夹持板(2),夹持杆(7)的一端与电机连接、另一端与夹持板(2)的一侧连接,夹持板(2)的另一侧连接一个聚氨酯板(3),两个聚氨酯板(3)靠近匣钵(6)的两侧;光感感应器靠近一个夹持机构;气缸安装于叠钵机构壳体内部,气缸安装于匣钵的底部。本发明能够改进自动循环线叠钵机构,从而改善匣钵使用循环寿命。

标签:
加工技术
江苏 - 泰州 来源:中冶有色网 2023-03-18
锂电池电芯模组连接片焊接设备

本实用新型属于焊接设备技术领域,公开了一种锂电池电芯模组连接片焊接设备,包括外壳,所述外壳采用塑料材质,且外壳为空心结构,所述外壳的一侧安装有握柄,且握柄的表壁安装有连接块,所述连接块与握柄固定连接,所述连接块的表壁开设有转口槽,所述连接块的内部安装有限位条,且限位条从连接块的一侧贯穿转口槽延伸至另一侧,本实用新型通过连接块和限位条安装了卡条,且卡条远离连接块的一侧安装有打磨头,在使用时,转动卡条,改变打磨头的方向,使用打磨头对电池需要焊接的地方经行打磨,使其表壁变得粗糙,方便锡条粘黏,不需要额外准备工具打磨电池,减少了工作人员工作时需要准备的工具。

标签:
加工技术
江苏 - 泰州 来源:中冶有色网 2023-03-18
高倍率聚合物锂离子电池

本实用新型涉及一种高倍率聚合物锂离子电池,包括:电解液、干电芯和壳体,壳体包装在电芯外部且为封边结构,壳体和电芯之间存在电解液,壳体中心处具有凸槽,电芯的两侧分别存在正极耳和负极耳,通过设置凸槽和进行密封处理,提升了电池生产效率,同时降低电池因封装导致漏液的风险。

标签:
加工技术
江苏 - 泰州 来源:中冶有色网 2023-03-18
新能源汽车锂离子电池加热板

本实用新型公开了新能源汽车锂离子电池加热板,前绝缘固定板(2)与后绝缘固定板(3)之间设有加热夹层,在加热夹层内设有发热片(4),前绝缘固定板(2)的外表面粘贴有前导热膜(5),前绝缘固定板(2)的内表面通过前粘结胶层(6)与发热片(4)的一表面连接,后绝缘固定板(3)的外表面粘贴有后导热膜(7),后绝缘固定板(3)的内表面通过后粘结胶层(8)与发热片(4)的另一表面连接,发热片(4)的左侧和右侧分别设有左侧引出线(9)和右侧引出线(10),左侧引出线(9)和右侧引出线(10)都伸出加热夹层外,在左侧引出线(9)上连接有左接插件(11),在右侧引出线(10)上连接有右插接件(12)。

标签:
加工技术
江苏 - 泰州 来源:中冶有色网 2023-03-18
锂离子涂布极片卷料搁置架

本实用新型公开了一种锂离子涂布极片卷料搁置架,包含一三角形的固定支架,所述的固定支架上设有一对平行设置的支撑横条,所述的支撑横条上分别设有若干固定卡条,所述的固定卡条之间设有一转轴和一涂布辊,所述的转轴的两端分别设有一锁止槽口,所述的锁止槽口的两侧壁上分别设有一锁定圆孔,所述的锁止槽口内分别设有一锁定横条,所述的锁定横条的尾部设有一横条圆孔。当锁定横条翻转到横向位置时,整个转轴可以自由转动。当锁定横条翻转到垂直位置时,锁定横条抵住支撑横条,于是,转轴被锁定而无法转动。使用者可以自由调节,涂布辊上的突出的极片卷料悬空搁置,能有效防止极片压伤导致掉粉。

标签:
加工技术
江苏 - 泰州 来源:中冶有色网 2023-03-18
软包装锂电池封装注液方法

本发明涉及一种软包装锂电池封装注液方法,通过在铝塑复合膜的封口边放上插入铜丝的PP管,并配合使用止血钳和套帽,使注液在完全封闭情况下进行,电解液不接触空气,无挥发,对设备和人体无伤害,而且该方法对干燥房的露点要求不高,投入少,成本低,操作方便,适合批量生产,有推广价值。

标签:
加工技术
江苏 - 泰州 来源:中冶有色网 2023-03-18
锂电池垫片自动拆解机

本发明涉及一种锂电池垫片自动拆解机,包括工作台,工作台上依次排列安装有振动盘、夹料组件和砂轮组件,振动盘的导轨的末端连接有导料轨道,导料轨道伸入夹料组件内;夹料组件包括一组相对设置的同轴夹料气缸,夹料气缸的伸出端分别固定安装有旋转电机,旋转电机的转轴端部分别连接有真空吸盘,真空吸盘由旋转接头安装于旋转电机的转轴端部,旋转接头经管道连接抽真空装置,两真空吸盘相对同轴设置,导料轨道设置于两旋转电机中间。

标签:
加工技术
江苏 - 泰州 来源:中冶有色网 2023-03-18
锂电池盖帽生产流水线
锂电池盖帽生产流水线 1033     
 0

本发明涉及一种锂电池盖帽生产流水线,包括依次串接的包边工站、烘干工站、超焊工站及热封装工站,各工站间由传送带连接,烘干工站包括烘箱箱体,烘箱箱体的左右两侧分别安装有分别安装有循环风机箱,循环风机箱内安装有风机,烘箱箱体左、右两侧壁上设置有进风口,循环风机箱出风口与烘箱箱体的进风口连接;烘干箱体内侧与进风口对应处分别安装有加热装置;烘干箱体的外侧安装有进料和出料两输送带,两输送带分布于烘干箱体的两侧,烘干箱体内安装有曲线输送装置。

标签:
加工技术
江苏 - 泰州 来源:中冶有色网 2023-03-18
智能家居用锂离子电池的监控检测系统

本发明提供了一种智能家居用锂离子电池监控检测系统,发明人发现,电池的安全失控基本上都是电池内部短路所造成的,而在失控之前,电池由于活性物质脱落,支晶或其他恶化,会存在微小的内部短路放电情况,即使电池处于静置状态,这种放电也依然存在,而电池的微放电会产生热量,因此,发明人发现通过检测电池在设定条件下的静置温降能够用来衡量电池内部微放电的程度,从而判断电池的状态,继而得到本发明,通过将待测试电池的状态调整为规定状态,将电池所处环境调整为规范测试环境,从而能够排除环境参数如环境温度的影响,准确测量电池的静置温降,从而准确判断电池的内部状态,在电池出现安全失控之前将其替换为其他正常电池,提高了系统的安全性,并且降低了系统的成本。

标签:
加工技术
江苏 - 泰州 来源:中冶有色网 2023-03-18
锂电池双极组极耳折弯装置

本实用新型公开锂离子电池双极组极耳折弯装置,它限位折弯挡板通过滑轨在轨道内滑行来调节极组放置空间的距离,限位折弯挡板根据极耳折弯处到极组底部的长度来移动限位折弯挡板,从而使极耳折弯处到极组底部的长度与极耳放置空间的距离相对应。

标签:
加工技术
江苏 - 泰州 来源:中冶有色网 2023-03-18
新型锂电池管理系统
新型锂电池管理系统 895     
 0

一种新型锂电池管理系统,它包括至少一个通用管理模块,各通用管理模块均设有一输入端子和一输出端子,所述的各通用管理模块之间通过输入、输出端子串联,即第一通用管理模块通过对应的输出端子与第二通用管理模块的输入端子相连,第二通用管理模块的输出端子与第三通用管理模块的输入端子相连,依次循环串接,第N通用管理模块的输出端子与第一通用管理模块的输入端子相连;其中,任一通用管理模块设有充电弱电开关和放电弱电开关,充电弱电开关和放电弱电开关的两端分别与各自对应的电池充电器和放电弱电开关控制器相连。本实用新型具有结构简单和灵活适用的优点。

标签:
加工技术
江苏 - 泰州 来源:中冶有色网 2023-03-18
锂电池盖帽焊接压花去毛刺装置

本实用新型涉及一种锂电池盖帽焊接压花去毛刺装置,包括进料振动盘、进料轨道、旋转工作台、进料工站、压实工站、焊接工站、压花工站、取毛刺工位、卸料工站和出料轨道,进料振动盘连接进料轨道一端,旋转工作台外周依次设有进料工站、压实工站、焊接工站、压花工站、去毛刺工位和卸料工站,旋转工作台上圆周均布有多个工作座,进料工站设置于进料轨道另一端,进料工站为分别对应进料轨道另一端与工作座之间进给、升降取放进料的进料吸盘气缸,工作座中间为通孔,通孔内设支撑杆,支撑杆上端设置于通孔内,支撑杆下端设置于旋转工作台下面且与旋转工作台下面之间经弹簧弹性连接,卸料工站包括一对应工作座与出料轨道之间进给、升降取放出料的出料吸盘气缸和一置于工作座下方对应升降推动支撑杆的卸料气缸。

标签:
加工技术
江苏 - 泰州 来源:中冶有色网 2023-03-18
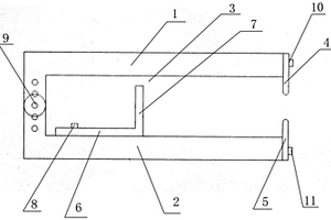
锂电池内圈自动检测机

本实用新型涉及一种锂电池内圈自动检测机,包括框型机架,机架安装有多工转盘机、电控柜、振动盘和送料流道,多工位转盘机安装于机架中部,送料流道侧面开口连接振动盘的输出端,送料流道一端安装有推料气缸,送料流道的另一端导向转盘机的转盘;转盘上至少设置有正面视觉测试工位、背面视觉测试工位、合格品分拣工位以及次品分拣工位;转盘为透明玻璃转盘,正面视觉测试工位的正上方安装有正面视觉镜头,背面视觉测试工位的正下方安装有反面视觉镜头组件。

标签:
加工技术
江苏 - 泰州 来源:中冶有色网 2023-03-18
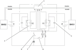
锂离子电动自行车用双电源控制盒

本实用新型涉及一种锂离子电动自行车用双电源控制盒,具有箱体;所述箱体的两侧分别设有电源输入插座和电源输出插座,内部设有继电器、主控板和二极管;所述继电器包括继电器K1和K2,继电器K1和K2的线圈均与主控板相连,继电器K1和K2的常开开关分别与2#和1#电源相连形成两支路,且两支路并联在串联设置的开关和电机的两端,同时继电器K1和K2的常开开关的两端分别并联有对应的二极管;所述电机与钥匙开关串联的支路的两端通过电池DC/DC连接至主控板的12V电源端。本实用新型通过增加主控板、继电器、二极管等部件,解决了电池组间环流问题,提高电池组使用寿命和安全性能。

标签:
加工技术
江苏 - 泰州 来源:中冶有色网 2023-03-18
锂离子电池铝塑膜封装质量快速定位检测装置

本发明公开了一种锂离子电池铝塑膜封装质量快速定位检测装置,它包括电源、导线、开关、阴极夹、硫酸铜溶液、阳极和铝塑膜封装袋。所述阳极上端经导线和开关连接电源,下端插入到铝塑膜封装袋内蓄的硫酸铜溶液中。所述电源经导线连接阴极夹,口部有齿的阴极夹相夹时夹破铝塑膜封装袋外层,阴极夹直接与内置铝层接触,按下开关形成闭合通电回路。在铝塑膜封装袋的铝层与硫酸铜溶液之间一旦通电便形成微型电解池,电解过程中硫酸铜溶液中的铜离子被吸附到铝塑膜封装袋异常的区域,此痕迹便于快速判断铝塑封装袋的热封质量,并且能准确定位质量欠佳点位置。

标签:
加工技术
江苏 - 泰州 来源:中冶有色网 2023-03-18
锂离子电池内部绝缘结构

本发明公开了一种锂离子电池内部绝缘结构,它包括绝缘体(1),绝缘体(1)安装在电池极组(2)与外壳(3)之间,绝缘体(1)位于电池极组(2)外部将电池极组(2)包裹,外壳(3)套在绝缘体(1)的外部,在绝缘体(1)上分布有若干道压痕(4)。本发明不仅具备了绝缘功能,同时方便了极组入壳,大大提高了生产效率,降低了极组与电池壳体短路的几率。

标签:
加工技术
江苏 - 泰州 来源:中冶有色网 2023-03-18
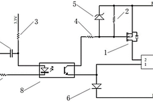
支持反接保护功能的锂电池加热管理电路

本发明公开了一种支持反接保护功能的锂电池加热管理电路,包括P沟道型MOSFET、上拉电阻、第一限流电阻、第二限流电阻、第三限流电阻、稳压二极管、二极管、光电耦合器、加热片;光电耦合器中二极管P结与第一限流电阻电连接,第一限流电阻接电源,N结通过第三限流电阻连接加热控制输入信号;光电耦合器中半三极管C结通过第二限流电阻与MOSFET G极电连接;S极与基站电源的正极相连;D极与加热片电连接;光电耦合器中半三极管E结和加热片均与二极管P结相连;二极管N结与基站电源的负极相连。本方案当电池在基站上与开关电源正负极接反时,不会导致加热片烧毁,确保在电池即使接反情况下电池加热管理系统仍然受控。

标签:
加工技术
江苏 - 泰州 来源:中冶有色网 2023-03-18
锂电池盖帽焊接压花一体机

本实用新型涉及一种锂电池盖帽焊接压花一体机,进料振动盘连接进料轨道一端,旋转工作台上圆周均布有多个工作座,进料工站为分别对应进料轨道另一端与工作座之间进给、升降取放进料的进料吸盘气缸,压实工站为带压头的升降压实气缸,焊接工站为超声波焊接仪或激光焊接仪,压花工站为带压花模头的升降压花气缸,酒精罐架高经带流速调节器的输液管连通压花模头,卸料工站包括一对应工作座与出料轨道之间进给、升降取放出料的出料吸盘气缸和一置于工作座下方对应升降推动支撑杆的卸料气缸。本实用新型集盖帽焊接、压花为一体,焊接、生产质量好、效率高。

标签:
加工技术
江苏 - 泰州 来源:中冶有色网 2023-03-18
圆柱形钢壳锂离子电池

一种圆柱形钢壳锂离子电池,包括绝缘防静电外包装,绝缘防静电外包装内部设有钢外壳,钢外壳内部设有原料腔和控制腔,钢外壳内部设有防阻燃层,所述的防阻燃层内部设有负极层,负极层连接负极引线,负极引线连接负极帽,负极帽与钢外壳相连,负极层内部设有填充物,填充物环绕在正极层外围,正极层内部设有隔离物,隔离物包裹着电池芯,电池芯连接密封圈,密封圈连接垫片,垫片连接电流阻隔装置,电流阻隔装置连接安全阀,安全阀连接废气排气阀,废气排气阀内圈设有正极帽,正极帽连接正极引线,正极引线连接正极层,本实用新型采用钢壳作为壳体,成本低,工序简单,制作过程易控制,生产效率高,很容易实现自动化,有很大的应用价值。

标签:
加工技术
江苏 - 泰州 来源:中冶有色网 2023-03-18
锂电池镀镍钢带截断整理成套设备及其工作方法

本发明公开了一种锂电池镀镍钢带截断整理成套设备及其工作方法,涉及智能制造装备技术领域,包括底板,所述底板的顶端安装有用于防置卷装钢带的卷筒架,且卷筒架的一侧则安装有压辊,所述压辊的一侧则设置有用于截断与整理作业的作业台,所述作业台的上方安装有驱动组件,且驱动组件的输出端一侧安装有传动组件,所述作业台的端面开设有辅助打磨组件。本发明通过设置驱动组件、辅助打磨组件、冲压组件、传动组件和限位组件,利用液压缸的移动实现了对钢带的自动进料效果,既节约成本又减少了人工的参与,进一步的,利用液压缸的移动实现打磨板的往复移动,将截断与打磨一体化,显著的提升了作业效率并减少了生产步骤。

标签:
加工技术
江苏 - 泰州 来源:中冶有色网 2023-03-18
功率型锂离子电池盖帽及其焊接工艺

本发明涉及一种功率型锂离子电池盖帽,包括上盖帽、防爆膜、孔板和密封圈,上盖帽上设有多个气孔,上盖帽经防爆膜墙体折弯包裹在防爆膜腔体内,防爆膜嵌装于密封圈内,密封圈的底面嵌上孔板,孔板与防爆膜激光点焊,所述上盖帽帽沿下表面均匀设有两只由上向下凸起的焊点,两只以上凸起的焊点与防爆膜腔体内底面电阻焊接。采用上盖帽帽沿下凸焊点与防爆膜内腔底面电阻焊接,实现防爆膜和上盖帽整体内阻的降低,其连接结构简单,连接稳定,不易变形、错位,整体内阻低,电池性能高,防爆性能稳定,安全性能高,使用寿命长。

标签:
加工技术
江苏 - 泰州 来源:中冶有色网 2023-03-18
石墨烯锂电池高稳定导电液

本发明涉及石墨烯锂电池高稳定导电液。由以下组分组成:石墨烯和导电炭黑混合物30~70份、粘结剂5~20份、分散剂5~15份、表面活性剂10~30份、稳定剂5~10份、溶剂5~25份、去离子水5~25份。其中粘结剂为褐藻胶,分散剂为聚偏氟乙烯,表面活性剂为十二烷基苯磺酸钠,稳定剂为柠檬酸钙、溶剂为二甲基甲酰胺。褐藻胶含亲水性的分子,具有较强的水合性、粘结性,能有效改善石墨烯在极性溶剂中的分散性,易于与活性物质形成良好的导电网络,提高导电液导电性能。稳定剂的加入能提高液导电稳定性,使得电池具有优良的循环寿命、能量密度等电化学性能。本发明工艺流程简单、生产成本低、环境友好、生产连续化等优点,具备工业化生产的可能性。

标签:
加工技术
江苏 - 泰州 来源:中冶有色网 2023-03-18
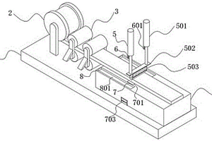
锂离子电池模切废料收卷装置

本发明公开一种锂离子电池模切废料收卷装置,箱体(1)后部的内壁中间位置安装的收卷轴(2)上绕有模切废料,驱动电机与收卷轴(2)的驱动端为传动连接,驱动电机带动收卷轴(2)转动,收卷轴(2)与箱体(1)后部的内壁垂直,收卷轴(2)的左下部设有过辊(3),过辊(3)与箱体(1)后部的内壁垂直,箱体(1)底部设有狭缝(4),狭缝(4)与过辊(3)相对,收卷轴(2)、过辊(3)与狭缝(4)相互平行,箱体(1)后部连接有真空管(6),真空管的一端伸入到箱体(1)内腔中,真空管(6)的另一端连接过滤罐(7),在过滤罐(7)尾部的出口处连接有抽真空装置,驱动电机的控制端和抽真空装置的控制端都与控制装置连接。

标签:
加工技术
江苏 - 泰州 来源:中冶有色网 2023-03-18
锂离子电池通用模块
锂离子电池通用模块 824     
 0

本发明公开了一种锂离子电池通用模块,包括固定钢架、电池模块、环氧板、拉杆、采集线、并联线、模块化塑料盖、正负极线、感应线,所述电池模块的两侧设置有环氧板,所述一侧环氧板的侧边设置有固定钢架,所述另一侧环氧板的侧边设置有拉杆,所述电池模块的上方安装有模块化塑料盖;本发明的有益效果是:本发明采用使得模块的通用性及回收适用性大大增加,高压的设计使得系统中的机械串联点大大减少,且单个模块的载流量很小,通用性大大增加,且系统回收利用时,模块配合保护板可直接用于家用电动两轮车,回收适用性强,载流要求低,载流可靠性更高。

标签:
加工技术
江苏 - 泰州 来源:中冶有色网 2023-03-18
锂离子电池外壳内部用的保护阻燃密封胶

本发明本公开了一种锂离子电池外壳内部用的保护阻燃密封胶及其制备方法,采用氨基改性SEBS,改性丁基橡胶和PIB多种橡胶共混改性,加以磷系阻燃剂以及超支化有机硅,有效提高密封胶的阻燃及高低温,耐冲击,耐酸碱等防护性能。

标签:
加工技术
江苏 - 泰州 来源:中冶有色网 2023-03-18
功率型锂电池低电阻盖帽

本发明涉及一种功率型锂电池低电阻盖帽,其特征在于:包括密封外圈、上盖、防爆膜片和孔板,所述防爆膜片上边四周朝内折弯热熔焊接于上盖四边的环形区域,所述密封外圈上边四周朝内折弯压紧防爆膜片折弯区域。

标签:
加工技术
江苏 - 泰州 来源:中冶有色网 2023-03-18
改进的锂电池放置盒结构

本发明涉及电池盒结构技术领域,尤其涉及一种改进的锂电池放置盒结构。本发明采用的技术方案是:包括长方形主体支撑顶板,主体支撑顶板的前后端位置分别连接有一个对称分布的第一连接支撑板,主体支撑顶板的左右端位置分别连接有一个对称分布的第二连接支撑板,主体支撑顶板的四周侧面上分别设有主体装配凸台,第一连接支撑板正面靠上端的位置设有第一装配连接孔,第一连接支撑板和主体支撑顶板通过前后端位置的主体装配凸台与第一装配连接孔连接在一起。本发明的优点是:总体的生产成本更低,在进行整体放置时可以通过卡合的方式可螺丝固定的方式对整体结构进行固定,使整体在使用时更加灵活,使用起来更方便。

标签:
加工技术
江苏 - 泰州 来源:中冶有色网 2023-03-18
提高锂离子电池配组一致性的自放电筛选方法

本发明公开了一种提高锂离子电池配组一致性的自放电筛选方法,该方法按下列步骤进行:同一批电池经常规分容后,采用4~6A电流恒流充电方式充入5~20%SOC荷电态电量。电池在常温下搁置24~48h后,测量电池电压为OCV1,再转至45°条件下搁置120~168h,到时测量电池电压为OCV2,接着将电池在常温条件下搁置,再次测量的电池电压为OCV3,比较OCV1、OCV2、OCV3数值,计算出电压差△V1=OCV1‑OCV2,△V2=OCV2‑OCV3,设定△V1的超差值代号为VO1,△V2的超差值代号为VO2,先以VO1设定值粗淘汰一批超差电池,后以VO2设定值再精淘汰一批电池。本发明实施简便,配组精度高、一致性好,而且配组效率高,特别适合批量生产应用。

标签:
加工技术
江苏 - 泰州 来源:中冶有色网 2023-03-18
上一页 15 16 17 18 19 ... 65 下一页
共65页    到第

中冶有色为您提供最新的江苏泰州有色金属材料制备及加工技术理论与应用信息,涵盖发明专利、权利要求、说明书、技术领域、背景技术、实用新型内容及具体实施方式等有色技术内容。打造最具专业性的有色金属技术理论与应用平台!

全国热门有色金属设备推荐
展开更多 +
全国热门有色金属技术推荐
展开更多 +

 

江西省隆恩特环保设备有限公司
宣传

报名参会
更多+

报告下载

有色专家
更多+

中南大学
中国工程院 院士
中南大学
中国工程院院士
湖南有色金属研究院
教授级高工/原总工程师
矿冶科技集团有限公司工程公司
副总经理
赣州江钨钨合金有限公司
工程师
赤泥综合利用研究报告2025
推广

热门技术
更多+

推荐企业
更多+

福建省金龙稀土股份有限公司
宣传

发布

在线客服

公众号

电话

顶部
咨询电话:
010-88793500-807