青岛垚鑫智能科技有限公司
宣传

位置:中冶有色 >

有色技术频道 >

> 加工技术

分类:
全部
矿山技术
冶金技术
材料制备及加工技术
环境保护技术
分析检测技术
 
全部
功能材料技术
复合材料技术
新能源材料技术
合金材料技术
加工技术
地区:
全部
北京
天津
上海
重庆
河北
山西
辽宁
吉林
黑龙江
江苏
浙江
安徽
福建
江西
山东
河南
湖北
湖南
广东
海南
四川
贵州
云南
陕西
甘肃
青海
内蒙
广西
西藏
宁夏
新疆
其他
其他
展开
 
全部
广州
韶关
深圳
珠海
汕头
佛山
江门
湛江
茂名
肇庆
惠州
梅州
汕尾
河源
阳江
清远
东莞
中山
潮州
揭阳
云浮

广东广州有色金属加工技术理论与应用

免费发布技术信息>>
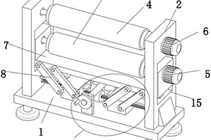
锂电池生产用辊压装置

本实用新型属于锂电池生产设备技术领域,尤其为一种锂电池生产用辊压装置,针对现有的锂电池生产用辊压装置两压辊之间的距离都是固定的,不能对不同厚度锂电池极片进行加工,导致设备使用的局限性较大的问题,现提出如下方案,其包括底座、下压辊和上压辊安装架,所述底座的顶部两侧均固定安装有立板,两个立板的一侧顶部均开设有圆孔,所述上压辊转动连接在两个圆孔内,所述安装架的两侧均开设有安装孔,所述下压辊转动连接在两个安装孔内,所述立板的一侧开设有通孔杆。本实用新型结构设计合理,便于对锂电池生产用辊压装置内的下压辊与上压辊的间距进行调节,操作简便,以便于满足不同厚度锂电池极片进行加工。

标签:
加工技术
广东 - 广州 来源:中冶有色网 2023-03-18
锂离子电池结构
锂离子电池结构 1060     
 0

本实用新型涉及电池结构,具体涉及一种锂离子电池结构,包括,圆柱形锂电池、装配壳和汇流盖,所述装配壳为中空腔体,该装配壳顶部并排设有装配孔,该装配壳内的底部与装配孔对应的位置设有弹簧触点,所述圆柱形锂电池装入装配孔后底部负极与弹簧触点接触,该装配壳顶部装配孔两侧还设有相对的插槽,所述汇流盖为L形且较长端插入插槽内并沿插槽滑动,所述汇流盖较长端一侧并排设有弧面触点,该汇流盖插入插槽后弧面触点与圆柱形锂电池正极接触。本实用新型提供一种锂离子电池结构,相对于传统的锂电池结构需要安装件和安装工具进行装配,本实用新型不需要另外的工具,且整个装配过程十分简单,高效,降低了错误率。

标签:
加工技术
广东 - 广州 来源:中冶有色网 2023-03-18
便携式小型聚合式锂电池

本实用新型公开了一种便携式小型聚合式锂电池,包括机身壳体和握把,所述机身壳体两侧内部中间位置分别设有隔热球以及防尘滤网,所述机身壳体内部顶端表面位置均匀安装有若干组散热扇,且散热扇供设有三组。本实用新型通过,采用了散热扇、金属缆线、机身壳体、保护外壳,在使用过程中,通过机身壳体可以对锂电池进行保护,而且在壳体内部通过金属缆线连接有保护外壳,使保护外壳整体以及内部的锂电池悬浮在壳体内部,可以有效的减少震动以及碰撞锂电池的产生影响,并且在锂电池使用时,通过散热扇可以加速壳体内部的气体交换,达到降低锂电池温度的效果,装置整体具有散热效果好、稳定性强、安全性能高的优点。

标签:
加工技术
广东 - 广州 来源:中冶有色网 2023-03-18
从废旧锂离子电池电极材料浸出液中回收有价金属的方法

本发明公开了一种从废旧锂离子电池电极材料浸出液中回收有价金属的方法,包括:将浸出液与磷酸盐混合,采用沉淀法或还原法将浸出液中的铜回收,得到铜渣和除铜溶液,调节除铜溶液pH,以使磷酸盐沉淀铁和铝,过滤沉淀物得到镍钴锰锂溶液,然后将镍钴锰锂溶液进行萃取分离,过滤沉淀物得到纯净的镍钴锰锂溶液,采用酸性含磷萃取剂将镍钴锰锂溶液进行萃取分离为锰镍钴硫酸溶液和锂溶液,或锰硫酸溶液、镍钴硫酸溶液和锂溶液;最后沉淀锂。本发明采用一种从废旧锂离子电池电极材料中回收有价金属,降低了回收成本,提高了镍钴收率,而且可根据需要得到多种产品。

标签:
加工技术
广东 - 广州 来源:中冶有色网 2023-03-18
用于锂离子电池的阻燃电解液及其制备方法与应用

本发明公开了一种用于锂离子电池的阻燃电解液及其制备方法与应用。本发明将环状碳酸酯、链状碳酸酯和二甲氧基甲基磷酸酯按体积比1∶1∶(0.35~0.5)混合,纯化后再加入锂盐,浓度为0.8~1.2mol/L,接着加入相当于锂盐质量5~10%的双乙酸硼酸锂,得到用于锂离子电池的阻燃电解液。本发明所述的阻燃电解液不燃烧、不起火,可以有效提高锂离子电池的安全性能;而且其热稳定显著提高,在高温85℃储能3个月以上电解液不变色、不沉淀析出。应用本发明所述的阻燃电解液制备的锂离子电池的初始放电容量、循环性能和电导率与由标准电解液制备得到的锂离子电池的性能相当。本发明所述阻燃电解液成本较低,具有很好的应用前景。

标签:
加工技术
广东 - 广州 来源:中冶有色网 2023-03-18
星形连接的锂电池管理装置

本发明公开一种星形连接的锂电池管理装置,锂电池管理装置包括两层管理结构、分别为BMU、BCSU;BMU为锂电池管理装置的主控单元,其通过CAN线与BCSU相连,另一端则和人机交互界面、电压电流检测装置、继电器控制、上下电保护装置分别相连,用来监测锂电池状态和处理锂电池信息,并实时对锂电池的SOC和生命健康状态进行预测;BCSU为电池监控单元用于监控锂电池的电压、温度,通过CAN线与距离最近的BCSU相连,BCSU最终又与它相近的BMU相连,从而形成星形网状。

标签:
加工技术
广东 - 广州 来源:中冶有色网 2023-03-18
水性锰酸锂正极浆料及其制备方法

本发明涉及一种水性锰酸锂正极浆料及其制备方法,该正极浆料由水性粘结剂、导电剂、改性锰酸锂、添加剂以及水组成;其中改性锰酸锂为去除杂质的四氧化三锰合成的锰酸锂,水性粘结剂由聚丙烯酸酯、聚丙烯腈、聚乙烯醇和刺槐豆胶组成;本发明通过制备的水性锰酸锂正极浆料与负极片、隔膜、电解液组装成锂离子电池,相比N‑甲基吡咯烷酮油系浆料制备的锂离子电池,本发明得到的电池有更好的循环充放电性能,电容量保持率高,且提高了电池在长时间搁置过程中的稳定性。

标签:
加工技术
广东 - 广州 来源:中冶有色网 2023-03-18
镍钴铝酸锂@金属氧化物/碳纳米管复合正极材料及其制备方法与应用

本发明公开一种镍钴铝酸锂@金属氧化物/碳纳米管复合正极材料及其制备方法与应用,该方法包括以下步骤:(1)镍钴铝酸锂正极材料前驱体的制备;(2)镍钴铝酸锂正极前驱体/金属盐复合材料的制备;(3)镍钴铝酸锂/金属盐复合正极材料的制备;(4)镍钴铝酸锂@金属氧化物复合正极材料的制备;(5)镍钴铝酸锂@金属氧化物/碳纳米管复合正极材料等材料的制备。本发明所制得的正极材料在2.8V~4.3V,0.1C下,首次放电比容量217.5mAh/g,首次库伦效率为90.5%。本发明提高了材料的导电性,从而提高材料的倍率性能,同时改善镍钴铝酸锂正极材料的电化学性能和热稳定性,改善了正极材料的循环性差和倍率性差。

标签:
加工技术
广东 - 广州 来源:中冶有色网 2023-03-18
锂离子电池纯直流供电音频放大器

为了解决由交流电供电而引起的底噪等问题,本实用新型提出一种锂离子电池纯直流供电音频放大器,所述音频放大器包括音频放大电路,还包括锂离子电池供电组件、锂离子电池充电组件、锂离子电池管理保护组件以及锂电池状态显示组件。本实用新型通过由锂离子电池纯直流供电,解决了音频放大器因交流电引起的供电问题,改善晶体管放大电路的工作性能,音频放大器的音质大大提高。

标签:
加工技术
广东 - 广州 来源:中冶有色网 2023-03-18
圆柱形锂电池组安装支架

本实用新型公开了一种圆柱形锂电池组安装支架,涉及锂电池装配组件技术领域。本实用新型包括多个相互螺纹连接的底座;底座顶端螺纹连接有夹持架;夹持架顶端表面螺纹连接有旋盖;底座表面阵列均开有限位圆槽;限位圆槽内部设有弹簧;限位圆槽内部且位于弹簧端部固定有垫板;底座相邻两侧面转动连接有连接螺栓;底座远离连接螺栓两相邻侧面均开有第一螺纹孔。本实用新型通过在底座相邻两侧面之间的连接螺栓的作用下相互连接,可对多个安装支架进行组合装配式连接,通用性较强,且旋盖对单个锂电池端部进行限位,便于对单个锂电池进行更换,避免将安装支架整体拆开导致锂电池组散架,提高了锂电池的更换效率,实用性较强。

标签:
加工技术
广东 - 广州 来源:中冶有色网 2023-03-18
锂电池生产图像数据采集设备

本发明属于生产检测设备技术领域,具体涉及一种锂电池生产图像数据采集设备,通过承装机构和齿轮传动器的配合,在对锂电池进行外观检测过程中,能够自动、连续的对锂电池进行输送和检测,检测过程更加自动、高效和连续,能够对多个锂电池的外观进行有效检测,同时通过增设采集设备的方式,能够进一步提高生产效率;通断组件的设置,在配合检测锂电池完成后,能够根据锂电池的状态进行卸料的通断,起到进一步分类的效果,降低生产的繁琐性,提高生产效率和便利性,减少外部设备的进一步增设。

标签:
加工技术
广东 - 广州 来源:中冶有色网 2023-03-18
锂电池生产用点焊装置

本发明涉及锂电池生产焊接技术领域,具体是一种锂电池生产用点焊装置,包括底座和工作台,所述工作台两侧对称设置有移动座,所述移动座靠近工作台一侧设置有多个固定杆,所述固定杆端部固定连接有压缩弹簧,所述铰接件铰接有防滑橡胶座;所述工作台内部设置有限位槽,所述固定块与限位槽之间固定安装有复位弹簧,所述固定块下方连接有驱动装置。本发明提高了对锂电池的固定效果,防止锂电池加工时发生偏移,影响锂电池电感的加工效果和效率,同时可以根据不同规格的锂电池进行调整,具有很强的适用性。

标签:
加工技术
广东 - 广州 来源:中冶有色网 2023-03-18
高密度类球形磷酸铁锂的固相制备方法

本发明一种高密度类球形磷酸铁锂的固相制备方法属于电池领域,包括以下各步骤:以元素摩尔比铁源∶磷源∶锂源=1∶1∶1-1.01,掺杂金属摩尔比为0.01-0.03,再称取0.1-10%的晶核生长剂,与去离子水混合,进行湿磨4-8小时,取出后,在80-120℃的真空干燥箱内进行干燥,在氮气保护下,在250℃-400℃下预分解2-10小时,然后在650-720℃反应合成18-26小时,合成好的产物再与为1-15%的导电剂或有机碳源均匀混合,在500-680℃氮气保护下覆碳6-16小时,并以每分钟5-10℃的速度降温到80℃以下,将覆碳好的改性产品取出,本发明采用固相工艺生产高密度的覆碳类球形磷酸铁锂产品,振实密度最高,在一般的固相生产工艺的基础上提高了15-40%,该材料的体积比容量比一般材料提高了15-40%。

标签:
加工技术
广东 - 广州 来源:中冶有色网 2023-03-18
超薄锂锰聚合物电池及其加工方法

本发明公开了一种超薄锂锰聚合物电池及其加工方法,属于锂锰电池技术,其技术方案包括正极、负极、隔膜和外包装膜,其中所述的正极是由集流体铝箔、二氧化锰、导电剂和粘结剂组成,正极的厚度为0.03mm~0.2mm,正极的极耳由集流体铝箔在外包装膜外的延伸部并复合聚丙烯或聚乙烯组成;所述的负极由金属锂片和镍带或铜带或钢带组成,负极的极耳由镍带或铜带或钢带在外包装膜外的延伸部并复合聚丙烯或聚乙烯组成;电池的整体厚度在0.3mm~0.5mm之间;加工方法包括(1)正极制备、(2)负极制备和(3)叠片组合成型;本发明解决了传统聚合物电池厚度厚的技术难题,对各种有源识别卡的推广具有重要意义。

标签:
加工技术
广东 - 广州 来源:中冶有色网 2023-03-18
锂离子电池充电装置
锂离子电池充电装置 1058     
 0

本实用新型涉及锂电池充电,具体涉及一种锂离子电池充电装置,包括充电底座,充电底座中部设有放置锂电池的空腔,充电底座的顶部和底部设有竖直的滑槽,滑槽的宽度与锂电池厚度相同,滑槽的高度小于锂电池的宽度,充电底座的顶部侧面设有条形通孔,充电底座的顶部内设有接线端子,接线端子上设有与锂电池充电口连接的弹片,接线端子一端设有伸出的绝缘开关,绝缘开关裸露在条形通孔外,充电底座的顶部设有滑道,接线端子底部设有与滑道匹配的滑块。本实用新型结构简单,安全可靠,将传统锂电池安装方式由的一段式直接接触变为两段式,让用户先安装好锂电池,再通过拨动绝缘开关完成通电,提高了用电安全。

标签:
加工技术
广东 - 广州 来源:中冶有色网 2023-03-18
适用范围广的锂电池检测设备

本实用新型公开了一种适用范围广的锂电池检测设备,包括检测装置和锂电池容纳筒,所述锂电池容纳筒为中空的圆柱状结构,所述锂电池容纳筒的内底部固定有升降机构,所述升降机构的顶部通过螺栓固定有检测板,所述锂电池容纳筒的两侧沿其长度方向均设有长条状限位开口部,所述检测板的两侧均固定有限位块,且限位块贯穿长条状限位开口部并延伸至锂电池容纳筒的外部,检测板的顶部固定有绝缘板,所述绝缘板的顶部固定有竖向弹簧件,竖向弹簧件的顶部固定有下导电片,所述锂电池容纳筒的顶部螺纹连接有盒盖,所述盒盖的底部固定有上导电片,所述下导电片与上导电片均通过导线与检测装置连接。本实用新型结构新颖,设计巧妙,设计合理,适合推广。

标签:
加工技术
广东 - 广州 来源:中冶有色网 2023-03-18
兼容多款锂电池的托盘夹具金手指接触的化成分容设备

本实用新型提供一种兼容多款锂电池的托盘夹具金手指接触的化成分容设备,包括:柜体和若干托盘,通过在托盘上设置若干个固定件,该柜体适用于对圆柱锂电池、软包锂电池、多极耳锂电池、多角度极耳锂电池、正负上下极耳锂电池、正负极耳锂电池等进行化成分容测试,通过不同电池选取不同固定件对其进行固定,在测试的过程中,仅需将每一个托盘放于一个放置板上,然后通过托盘上的金手指与柜体进行电连接,即可对托盘上的电池进行测试。测试完毕后,只需将托盘从柜体内抽出,然后将放置有其它需要测试的电池的托盘放进柜体里面,即能继续进行测试。通过使用此化成分容设备,能对多种不同类型的电池进行化成分容测试,且测试效率快,生产成本低。

标签:
加工技术
广东 - 广州 来源:中冶有色网 2023-03-18
惰性锂粉造粒机
惰性锂粉造粒机 755     
 0

本发明公开了惰性锂粉造粒机,属于锂电池生产加工技术领域,包括底座,所述底座的上端中心前后对称固定连接有两个铰接座,两个所述铰接座之间转动连接有固定架,所述固定架前后两侧的下端固定连接有倾斜转轴,且倾斜转轴转动连接对应位置的铰接座内,所述固定架的下端中心固定连接有连接架,所述连接架的下端固定连接有齿轮盘,所述底座的下端固定连接有倾斜驱动架,且倾斜驱动架内固定连接有倾斜电机,有效提高搅拌效果的同时提升了惰性锂粉的质量,从而提高了后续补锂过程中的工艺效果,有效的提高了经济效益,在不打开密封盖的情况下可以重复生产制作惰性锂粉,大幅度降低了惰性锂粉生产对环境的污染,降到惰性锂粉生产对环境的要求。

标签:
加工技术
广东 - 广州 来源:中冶有色网 2023-03-18
固态锂电池用复合粘结剂及其制备方法、应用方法

本发明属于固态锂电池技术领域,具体涉及一种固态锂电池用复合粘结剂体系及其制备方法。该复合物粘结剂由聚偏氟乙烯类聚合物、聚乙二醇衍生物、锂盐、引发剂和有机溶剂组成,制备方法是利用微型振动球磨机,使有机溶剂溶解聚偏氟乙烯类聚合物、聚乙二醇衍生物、锂盐和引发剂,生成一种络合了锂盐和高、低分子聚合物的复合粘结剂。该粘结剂具有较强的粘结力和附着力,同时聚乙二醇衍生物作为粘结剂的一部分,加热时在正极浆料中原位聚合,形成的高聚物与PEO结构基本相似,适用于包含PEO或者PVDF基固态电解质的固态锂电池,可优化电极‑电解质界面稳定性,提高电极材料的离子导电性能、固态锂电池的比容量和循环寿命。

标签:
加工技术
广东 - 广州 来源:中冶有色网 2023-03-18
锂离子电池自放电检测系统

本发明公开了一种锂离子电池自放电检测系统,包括层析成像测量系统、数据采集系统、电化学特性测量系统和检测控制系统,所述层析成像测量系统用于获得重建锂离子电池三维层析图像所需的完整数据;数据采集系统用于将层析成像测量系统的输出信号进行放大、AD转换等处理;所述电化学特性测量系统用于获取锂离子电池电压、电流、容量等基本参数;所述检测控制系统用于采集数据过程的扫描控制以及得到锂离子电池自放电率并进行显示和存储等处理。本发明实现了锂离子电池自放电率的实时、无损、精准检测,用于锂离子电池生产过程中的自放电率检测和基于自放电率的锂离子电池自动分选,对于提升我国在电池自放电检测领域技术水平具有重要现实意义。

标签:
加工技术
广东 - 广州 来源:中冶有色网 2023-03-18
对苯二甲酸锂-石墨烯复合物及制备与应用

本发明属于锂离子电池材料领域,公开了一种对苯二甲酸锂‑石墨烯复合物及制备与应用。所述制备方法为:将对苯二甲酸加入到溶剂中搅拌溶解均匀,然后滴加LiOH溶液回流搅拌反应,反应完成后除去溶剂,产物经清洗和干燥得到对苯二甲酸锂;将对苯二甲酸锂与石墨烯一起分散到溶剂中,搅拌混合均匀后超声处理,得到混浊液,然后将混浊液在惰性气氛下升温至400~500℃加热处理4~6h,得到对苯二甲酸锂‑石墨烯复合物。本发明所制备的产物具有以对苯二甲酸锂的盒状结构作为基体,片状石墨烯均匀地嵌入其中的复合特征结构,其作为锂离子电池负极材料的电化学性能优异。

标签:
加工技术
广东 - 广州 来源:中冶有色网 2023-03-18
用于保护锂金属负极的功能性隔膜涂层材料及其制备方法和应用

本发明属于电化学隔膜材料的技术领域,具体涉及一种用于保护锂金属负极的功能性隔膜涂层材料及其制备方法和应用。所述隔膜涂层材料为三羟基醛‑肼‑共价有机框架,将2,4,6‑三羟基‑1,3,5‑苯三甲醛和水合肼混合,加入有机混合溶剂,于惰性气体环境中高温反应,将得到的反应产物洗涤,干燥,得到的红色粉末即为三羟基醛‑肼‑共价有机框架涂层材料。所制备的三羟基醛‑肼‑共价有机框架具有丰富的极性官能团羟基,该涂层材料应用于锂金属的保护,通过极性基团的亲锂效应,固定阴离子,促进电解质盐的解离,提高锂离子的迁移数,提高锂负极附近的锂离子浓度,降低阳离子的空间电荷效应,降低锂离子尖端生长,能够有效抑制锂枝晶的性能。

标签:
加工技术
广东 - 广州 来源:中冶有色网 2023-03-18
动力型锂离子电池用电解液

本发明涉及一种动力型锂离子电池用电解液,是一种安全的动力型高容量锂离子电解液。它公开了该电解液含有W/W的碳酸酯溶剂主要成分包括碳酸乙烯酯≤40%,碳酸丙烯酯≤20%,碳酸甲丙酯≤40%,碳酸二丙酯≤40%,锂盐10~16%,防过充添加剂的环己基苯、对苯二甲醚或者是邻苯二甲醚,或者是以上的物质的氟化物含量≤12%,阻燃剂≤10%,成膜添加剂≤6%。本发明克服现有技术的缺陷,选择性的采用碳酸酯溶剂、功能添加剂加入的量,从而保持该锂离子电解液电池高容量的同时,提高高温性能,解决电池的安全问题,使电池具有良好的循环使用寿命。

标签:
加工技术
广东 - 广州 来源:中冶有色网 2023-03-18
以金属有机框架为模板的锂电池负极材料的制备方法

本发明公开了一种以金属有机框架为模板的锂电池负极材料的制备方法,所述锂电池负极材料的制备方法包括以下步骤:(1)合成有机配体4?对甲基苯基?吡啶氧化物(4, 4?Hopybz);(2)合成Pb?MOF材料:称取Pb(NO3)2和配体4, 4?Hopybz溶解于溶剂中,于反应釜中加热反应,反应结束后降至室温,得到Pb?MOF材料;(3)制备锂电池负极材料:将步骤(2)中所得的Pb?MOF加热活化,得到锂电池负极材料。相对于现有技术,本发明通过合成一种多孔金属有机框架配合物,再进一步活化,并将其直接作为锂电池的负极材料应用于锂电池中,所述的金属有机框架,结构、比表面积可调,制备得到的锂电池负极材料具有良好的电化学性能。

标签:
加工技术
广东 - 广州 来源:中冶有色网 2023-03-18
锂电池散热结构
锂电池散热结构 1079     
 0

本发明提供了一种锂电池散热结构,属于锂电池技术领域,包括保护箱,保护箱右端嵌入设置有冷却箱,冷却箱内部嵌入设置有导风管,且导风管呈S状平行设置,冷却箱右侧固定连接有前盖板,前盖板中固定连接有除尘滤网,冷却箱内部右侧嵌入设置有抽气风机,冷却箱内部顶端嵌入设置有干燥腔。该种锂电池散热结构设置有导风管、中空风道和内风腔,利用抽气风机吸入的外界气体进入导风管中,随后气体在压强的作用突破单向气阀进入冷却液汇中形成独立的小气泡,并且由于空气密度原因,气泡向上流动并与冷却液形成气液分离,分离后的气体进入顶部的进风管中,使得外界的气体在冷却液产生了被包裹的降温效果,从而令气体以更低的温度对锂电池进行降温。

标签:
加工技术
广东 - 广州 来源:中冶有色网 2023-03-18
石墨烯包覆的氮掺杂钛酸锂微纳球的制备方法

本发明公开了一种石墨烯包覆的氮掺杂钛酸锂微纳球的制备方法,制备方法如下:将钛源制备成氢氧化钛溶胶,依次加入含氮交联剂和氧化石墨烯分散液,由于交联剂的作用,氢氧化钛溶胶和氧化石墨烯之间可以形成超分子溶胶体系,其中,氧化石墨烯片包覆在氢氧化钛溶胶表面,加入溶解的锂源后进行冷冻干燥,氧化石墨烯片包覆在氢氧化钛溶胶表面的结构得以保留,煅烧后,可得到石墨烯包覆的氮掺杂钛酸锂微纳球。其在20 C下充放电循环300次仍有97%的容量保持率(111.5 mAh/g),可用作锂离子电容器的负极材料。

标签:
加工技术
广东 - 广州 来源:中冶有色网 2023-03-18
用于制备锂离子电池隔膜的专用料及其制备方法

本发明公开了一种用于制备锂离子电池隔膜的专用料及其制备方法,按重量份数计,该专用料由62.5~86份的聚乙烯、0.5~1.5份的二叔丁基过氧化物、3~5份乙烯基三乙氧基硅烷、10~30份二氧化钛晶须和0.5~1份的抗氧剂组成;其制备方法是先将聚乙烯与二叔丁基过氧化物、抗氧化剂、乙烯基三乙氧基硅烷混合,由双螺杆挤出机进行熔融共混,进行原位接枝反应,得到接枝有硅烷的聚乙烯;将接枝有硅烷的聚乙烯和二氧化钛晶须搅拌共混,制得用于制备锂离子电池隔膜的专用料。本发明中乙烯基三乙氧基硅烷接枝在聚乙烯分子链上,乙氧基硅烷基团可进一步与二氧化钛晶须反应,在整个薄膜体系中实现交联反应,提高聚乙烯薄膜的强度。

标签:
加工技术
广东 - 广州 来源:中冶有色网 2023-03-18
高电压锂离子电池功能电解液及制备方法与应用

本发明属于锂离子电池领域,公开了一种高电压锂离子电池功能电解液及制备方法与应用。该功能电解液是在普通电解液中加入相当于普通电解液质量1~5%的功能添加剂得到的;其中普通电解液由环状碳酸酯溶剂,线性碳酸酯溶剂和导电锂盐构成;功能添加剂为三(三甲基硅烷)磷酸酯。本发明使用的功能添加剂在3~4.9V的充放电体系中,在正极表面形成一层更薄更稳定具有保护性能的膜,一方面抑制了高电压下电解液的氧化分解,另一方面保护正极材料,从而提高了高电压锂离子电池的循环性能和安全性能。

标签:
加工技术
广东 - 广州 来源:中冶有色网 2023-03-18
凝胶态聚合物锂离子电池电解质及其制备方法

本发明属于锂离子电池领域,涉及一种凝胶态聚合物锂离子电池电解质及其制备方法。该电解质为聚偏氟乙烯系凝胶电解质,其中添加有改性玻璃纤维。通过将P(VDF-HFP)和球磨过的改性玻璃纤维共混之后,得到性能优越的自支撑的聚合物膜。由于改性玻璃纤维有一定量的纳米颗粒,另外玻璃纤维构建强有力的支撑网络,从而使得该聚合物有极好的交联的微孔结构、极佳的吸液性能,并有较强的机械强度。将该聚合物浸泡在电解液中形成的凝胶聚合物电解质,组装成电池后,电化学测试表明,该凝胶聚合物电解质有良好的离子传输性能,电化学稳定性能和高的离子电导率,可以作为聚合物离子电池的电解质。

标签:
加工技术
广东 - 广州 来源:中冶有色网 2023-03-18
锂离子电池新能源应用在抛秧机上的动力装置

本发明涉及新能源设备技术领域,具体的说是一种锂离子电池新能源应用在抛秧机上的动力装置,包括锂电池本体、安装结构、散热结构、固定结构、密封结构、减震结构和安装板;使用时,通过安装结构快速安装拆卸抛秧机的动力装置,提高了安装效率;通过散热结构进行散热,散热效果好,延长了锂电池本体的使用寿命;固定结构固定锂电池本体和散热结构,有效保护了锂电池本体,提高了锂电池本体的使用效果,通过密封结构密封安装结构,提高了装置的密封性,进而保护了锂电池本体的正常工作;抛秧机在不同地形行驶时,通过减震结构给锂电池本体减震,有效保护了锂电池本体,同时通过减震结构加快散热结构内部的空气流动速度,使散热效果更好。

标签:
加工技术
广东 - 广州 来源:中冶有色网 2023-03-18
上一页 153 154 155 156 157 ... 172 下一页
共172页    到第

中冶有色为您提供最新的广东广州有色金属加工技术理论与应用信息,涵盖发明专利、权利要求、说明书、技术领域、背景技术、实用新型内容及具体实施方式等有色技术内容。打造最具专业性的有色金属技术理论与应用平台!

全国热门有色金属设备推荐
展开更多 +
全国热门有色金属技术推荐
展开更多 +

 

江西省隆恩特环保设备有限公司
宣传

报名参会
更多+

报告下载

有色专家
更多+

武汉理工大学
外籍院士/教授
昆明理工大学
校长
江西理工大学
教授
赣州江钨钨合金有限公司
工程师
江西省科学院应用化学研究所
副主任/副研究员
赤泥综合利用研究报告2025
推广

热门技术
更多+

推荐企业
更多+

福建省金龙稀土股份有限公司
宣传

发布

在线客服

公众号

电话

顶部
咨询电话:
010-88793500-807