青岛垚鑫智能科技有限公司
宣传

位置:中冶有色 >

有色技术频道 >

> 加工技术

分类:
全部
矿山技术
冶金技术
材料制备及加工技术
环境保护技术
分析检测技术
 
全部
功能材料技术
复合材料技术
新能源材料技术
合金材料技术
加工技术
地区:
全部
北京
天津
上海
重庆
河北
山西
辽宁
吉林
黑龙江
江苏
浙江
安徽
福建
江西
山东
河南
湖北
湖南
广东
海南
四川
贵州
云南
陕西
甘肃
青海
内蒙
广西
西藏
宁夏
新疆
其他
其他
展开
 
全部
南京
无锡
徐州
常州
苏州
南通
连云港
淮安
盐城
扬州
镇江
泰州
宿迁

江苏南京有色金属加工技术理论与应用

免费发布技术信息>>
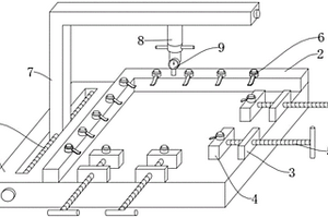
锂电池表面硬度检测装置

本实用新型公开了一种锂电池表面硬度检测装置,包括底座,底座上安装定位板,底座边缘处安装多个固定板,固定板上套接夹紧螺栓,夹紧螺栓一端卡接侧夹板,侧夹板和定位板的顶面安装上压板,底座上卡接支架,支架顶板底部卡接滑块,滑块与支架间以及支架与底座间均安装有丝杠,滑块的底部连接压杆的一端,压杆的另一端安装硬度计。锂电池放在底座上并将紧贴定位板进行定位,转动夹紧螺栓,侧夹板压在锂电池侧壁上,对锂电池水平方向进行限位,压板压在锂电池侧壁顶部,对其竖直方向进行限位,使得锂电池快速固定在在底座上,支架通过丝杠沿底座滑动,滑块通过丝杠沿支架滑动,调节硬度计的位置,压杆下压硬度计,便于对锂电池上不同部位进行检测。

标签:
加工技术
江苏 - 南京 来源:中冶有色网 2023-03-18
工业锂电池模组保护结构

本实用新型属于锂电池技术领域,尤其是一种工业锂电池模组保护结构,针对现有技术中的锂电池模组在应用于交通工具上时,只是用螺栓进行固定,在交通工具受到撞击和长期颠簸时,不能对锂电池模组起到良好的减震缓冲作用,这就有可能导致锂电池模组受损,从而降低其使用寿命的问题,现提出如下方案,其包括保护箱,所述保护箱的顶部活动卡装有箱盖,所述保护箱的底部内壁上固定连接有两个减震弹簧,两个减震弹簧的顶端固定连接有同一个底座,所述底座的顶部设置有锂电池模组,该保护结构实现了对锂电池模组全面减震保护的同时,还实现了对其进行降温散热,大大降低了其损坏的几率,提高了其使用寿命,且结构简单,实用性强。

标签:
加工技术
江苏 - 南京 来源:中冶有色网 2023-03-18
锂金属电池负极及其制作方法

本发明提供一种锂金属电池负极及其制作方法,具体是通过锂金属负极的结构设计提升电池循环稳定性,通过在多孔集流体一侧沉积锂金属,并保证另一侧无变化,随后将锂金属一侧背向隔膜组装锂金属全电池,利用底部锂金属较低的过电位实现锂金属自下而上的沉积过程。本发明所述的锂金属电池负极的结构设计可在锂金属与隔膜间建立足够大的安全距离,有效抑制锂枝晶的生长,对提高锂金属电池的循环性能与安全性具有重要的价值。

标签:
加工技术
江苏 - 南京 来源:中冶有色网 2023-03-18
锂离子电池电解液
锂离子电池电解液 726     
 0

一种用于锂离子电池的电解液。包括锂盐;以及非水有机溶剂;所述的锂离子电池电解液锂盐是锂盐A,或是锂盐A与锂盐B的混合物;其中锂盐A为含有草酸根基团的锂盐,锂盐B为不含草酸根基团的锂盐;所述锂盐A包括双草酸硼酸锂(LiBOB),二氟草酸硼酸锂(LiDFOB),二氟二草酸磷酸锂(LiDFOP),四氟草酸磷酸锂(LiTFOP)中一种或几种的混合物。非水有机溶剂为常见碳酸酯,羧酸酯,醚类,砜类化合物等中的一种或者几种组成的混合物。本发明所述的锂离子电解液可以大大提高锂离子电池的安全性,高低温性能,拓宽锂离子电池的使用温度。

标签:
加工技术
江苏 - 南京 来源:中冶有色网 2023-03-18
用于锂离子电池的复合隔膜及其制备方法

本发明公开了一种用于锂离子电池的复合隔膜及其制备方法,属于锂离子电池技术领域,有利于提高锂化分子筛涂层复合隔膜中的离子传输速率,改善隔膜与电解液的界面相容性,提升锂离子电池的充放电循环稳定性和容量保持能力。本发明首先采用有机单体的水溶液处理聚乙烯隔膜,再通过离子置换的方式得到锂化的分子筛微粒,然后制成分子筛微粒水性浆料,将浆料刮涂在聚乙烯基膜的单表面或者双表面,烘干后得到所需的复合隔膜,将其组装成锂离子电池进行性能测试。结果表明该复合涂层的引入能够降低离子传输过程中所受的阻抗和电池内部的极化,稳定电极界面,从而有效提高了锂离子电池的电化学性能。

标签:
加工技术
江苏 - 南京 来源:中冶有色网 2023-03-18
锂电池极片涂布生产工艺

本发明涉及一种锂电池极片涂布生产工艺,其使用了一种锂电池极片涂布生产设备。本发明能够解决现有的锂电池极片涂布生产时存在以下问题:一、现有的锂电池极片涂布生产时对于涂布的厚度难以把握,涂布面厚度太小,则电池容量可能达不到标称容量,若涂布面厚度太大,则容易造成配料浪费,严重时如果出现正极容量过量,由于锂的析出形成锂枝晶刺穿电池隔膜发生短路,引发安全隐患;二、现有的锂电池极片涂布生产在对集流体上涂布前,集流体上有褶皱易发生折叠,影响生产效率与质量。本发明能够通过控制浆料挤出量来控制涂布面的厚度大小,也能够对涂布的集流体上的褶皱进行抚平,两者大大提高了生产质量。

标签:
加工技术
江苏 - 南京 来源:中冶有色网 2023-03-18
预锂化负极材料及其制备方法与应用

本发明公开了一种预锂化负极材料的制备方法,具体操作为:取原始负极材料与锂金属,以电解液为传质组成原电池,进行原电池反应1‑100h,即得到预锂化负极材料。本方法将低首次库伦效率的锂电池负极材料进行预锂化。通过该方法处理所得预锂化负极材料具有极高的首次库伦效率、很好的能量密度、优异的循环性能、倍率性能以及较高的比容量,可作为锂电池负极使用。

标签:
加工技术
江苏 - 南京 来源:中冶有色网 2023-03-18
用于锂电池均衡充放电控制的SOC估算方法

本发明提出了一种用于锂电池均衡充放电控制的SOC估算方法,首先建立单体锂电池的一阶RC等效电路模型,并确定锂电池系统的状态方程和观测方程;确定卡尔曼滤波离散状态空间模型、状态参数变量和观测参数变量;更新状态参数变量预估值和测量误差的协方差矩阵以及根据观测到的锂电池端电压值获取新息序列;引入自适应渐消因子对锂电池系统协方差预测矩阵进行跟踪修正;计算离散状态空间模型的卡尔曼滤波增益矩阵,并更新当前时刻的最优估计值和误差协方差矩阵值;获取过程噪声的统计特性;获取当前时刻的SOC估算值,并将当前时刻的参数用于下一时刻的强跟踪自适应卡尔曼滤波的递推迭代计算中;本发明的方法实现了锂电池SOC的实时精确估算。

标签:
加工技术
江苏 - 南京 来源:中冶有色网 2023-03-18
用于锂离子电池的硅基复合材料及其制备方法

本发明涉及一种硅基复合材料,包含有硅氧锂化合物颗粒,以及包覆在硅氧锂化合物颗粒外的碳膜层或碳膜和导电添加剂的复合膜层;所述硅氧锂化合物颗粒具有核壳结构,外壳为致密的硅酸锂系化合物,内核为含锂量低于外壳的硅酸锂系化合物或不含锂的硅氧化合物,锂元素的含量从外壳至内核逐渐降低,且无明显界面;所述硅氧锂化合物颗粒还包含有均匀分散的单质硅纳米颗粒。此硅基复合材料由于其碳膜层或碳膜/导电添加剂的复合膜层、硅酸锂系化合物外壳的保护结构,不仅可应用于油系还可应用于水系匀浆体系,使之兼具优秀的电池性能与良好的加工性能,适合商业化使用。

标签:
加工技术
江苏 - 南京 来源:中冶有色网 2023-03-18
具有纳米尺度的锂离子导体及其制备方法

本发明提供一种具有纳米尺度的锂离子导体,包括介孔硅材料和分散在介孔硅材料内的固溶相颗粒,所述固溶相颗粒选自LiBH4固溶相颗粒、4LiBH4-LiF固溶相颗粒、4LiBH4-LiCl固溶相颗粒、4LiBH4-LiBr固溶相颗粒和4LiBH4-LiI固溶相颗粒中的一种或几种,所述介孔硅材料为SBA-15。该锂离子导体制备方法简单、成本较低,通过将硼氢化锂和卤化锂分散在介孔硅材料中,大大缩短了离子的扩散途径,拓宽了离子的扩散网络通道,降低了锂离子导体的相转变温度,从而大大提高了锂离子导体的电导率。

标签:
加工技术
江苏 - 南京 来源:中冶有色网 2023-03-18
锂电池高效局部冷却装置及冷却方法

本发明提供一种锂电池高效局部冷却装置及冷却方法,属于锂电池冷却设备技术领域,该锂电池高效局部冷却装置包括电池箱,电池箱的上端开设有锂电池槽和四个插槽,四个插槽分别位于电池箱的上端四角处,四个插槽内均活动插接有插块,四个插块的上端固定有电池盖,四个插槽内均设有一组固定机构,每组固定机构均与插块之间连接以实现将电池盖固定于电池箱的上端,锂电池槽内安装有两个锂电池,锂电池槽的下内壁固定有水冷管,电池箱的前端固定有水箱,水冷管贯穿电池箱的前端并与水箱之间连通,锂电池槽的前后内壁均固定有支撑板;本装置操作简单,且对锂电池冷却效果好,效率高,使得锂电池不易由于高温造成损坏,大大增加了锂电池的使用寿命。

标签:
加工技术
江苏 - 南京 来源:中冶有色网 2023-03-18
锂电池盖帽组装装置
锂电池盖帽组装装置 968     
 0

本实用新型公开了一种锂电池盖帽组装装置,包括机箱外壳,所述的机箱外壳内部设有驱动电机和变压器,所述的驱动电机通过供电线路与变压器连接,所述的机箱外壳上表面后侧位置处固定设有一块竖向挡板,所述的竖向挡板两侧均设有一根滑动杆,所述的滑动杆通过前后两个安装座固定在机箱外壳上表面上,所述的滑动杆之间设有滑动板,所述的滑动板两侧均滑动套装在两侧的滑动杆上,所述的滑动板两侧对称设有若干个锂电池放置筒且每个锂电池放置筒内部均放置待盖帽锂电池。该装置可以提高锂电池盖帽的组装精度,保证锂电池的加工质量,提高锂电池加工的生产效率。

标签:
加工技术
江苏 - 南京 来源:中冶有色网 2023-03-18
锂电池板并联充放电均衡电路

本发明公开了一种锂电池板并联充放电均衡电路,适用于配备升降压充电电路、充电完成自动断电、电池电量均衡等功能的锂电池板,包括并联限流模块、微控制器、并联开关模块、输出保护模块。并联限流模块输入端连接锂电池板输出端,输出端连接输出保护模块输入端。微控制器输入端连接并联限流模块输出端、锂电池板输出端、并联开关模块充电端口,输出端连接并联开关模块控制端。并联开关模块输入端连接并联限流模块输出端,控制端连接微控制器输出端,输出端连接锂电池板充电端。输出保护模块输入端连接并联限流模块输出端,输出端连接负载。电路均集成在一块印制电路板上,提供与锂电池板连接的接口,不用更改原锂电池板的拓扑,方便使用。

标签:
加工技术
江苏 - 南京 来源:中冶有色网 2023-03-18
锂离子蓄电池组低温放电装置

本实用新型涉及一种锂离子蓄电池组低温放电装置,属于锂离子蓄电池组领域,一种锂离子蓄电池组低温放电装置,包括:放电模块、电源模块、蓄电池和输出模块;本实用新型通过电源模块进行输入工作电压,同时进行工作电压控制输入锂离子蓄电池,同时当锂离子蓄电池进行为工作负载进行低温放电时,通过放电模块进行电压输出且进行有效控制,同时放电模块进行输出电压至输出模块,输出模块在进行低温工作下,通过保证输出电压稳定,进行逐级放电,同时进行输出电压时,进行输出电压的滤波,从而有效的保证电压的稳定行,从而提高锂离子蓄电池的使用寿命。

标签:
加工技术
江苏 - 南京 来源:中冶有色网 2023-03-18
锂渣混凝土
锂渣混凝土 1117     
 0

本发明公开了一种锂渣混凝土,该锂渣混凝土干料按照重量份计数包含以下组分:水泥285~400份,锂渣30~120份,粗骨料1000~1100份,细骨料700~800份,高效减水剂2~5份。本发明提出的锂渣混凝土的制备方法简单,易操作,能够在不减少甚至增加混凝土的抗压强度的前提下有效利用锂渣,缓解锂渣对大自然造成的压力。

标签:
加工技术
江苏 - 南京 来源:中冶有色网 2023-03-18
充放电条件下锂离子电池生热量的估算方法

本发明公开了一种充放电条件下锂离子电池生热量的估算方法,首先采集待测锂离子电池在电加热和充放电条件下的温度数据;将不同电加热功率下电池的温度数据导入到数据处理软件中,运用微积分热平衡方程(1)和微积分热平衡方程(2)确定锂离子电池热失控测试分析系统的热损失功率与温度的关系方程;将充放电条件下电池的温度数据导入到数据处理软件中,根据微积分热平衡方程(3)得到充电或放电过程中锂离子电池某一时间段内的生热率,再将锂离子电池某一时间段内的生热率导入到数据处理软件中,得到充电或放电生热率与时间的关系曲线以及充电或放电过程总的生热量。本发明以锂离子电池整体为研究对象,能够认识到充放电条件对电池的影响大小。

标签:
加工技术
江苏 - 南京 来源:中冶有色网 2023-03-18
防泄漏的锂硫电池外壳

本发明公开了一种防泄漏的锂硫电池外壳,包括本体,所述本体的顶部设置有套壳,套壳的内部设置有伸缩弹簧,伸缩弹簧的顶部与插板的底部接触,所述插板的一端插接在套壳的内部,插板的另一端贯穿套壳且延伸至套壳的外部,本体的外部套接有外壳,外壳内腔的底部活动连接有转轴,转轴的外部环绕设置有挤压弹簧,挤压弹簧远离转轴的一端与弹性圈的内壁固定连接。该防泄漏的锂硫电池外壳,达到了将锂硫电池的正极和负极包裹和阻挡的作用,避免锂硫电池在没使用时锂硫电池的正极和负极暴露在外界与传导片接触后导致漏电现象的发生,保证了电量,提高了使用,该防泄漏的锂硫电池外壳,结构紧凑,设计合理,适用性强,便于推广使用。

标签:
加工技术
江苏 - 南京 来源:中冶有色网 2023-03-18
锂金属电池负极枝晶抑制剂及其使用方法

本发明涉及一种锂金属电池负极枝晶抑制剂及其使用方法,组装锂金属电池前,将锂金属负极经锂金属电池负极枝晶抑制剂浸渍预处理,金属锂负极与溶液中的多胺反应,形成Li‑N‑CX复合层;组装电池后,在负极首次充电时能形成较高含量的Li3N、且具有良好稳定性的SEI保护膜,从而抑制大电流下锂负极的枝晶生长,使得金属锂负极沉积更加均匀。本发明的锂金属电池负极枝晶抑制剂可抑制锂金属电池负极的锂枝晶的生长,减少“死锂”的形成。根据本发明所处理后的锂金属电极电池在大电流充放电条件下,充放电循环次数有了明显提升。

标签:
加工技术
江苏 - 南京 来源:中冶有色网 2023-03-18
从卤水中提取氯化锂的方法及装置

本发明提供了一种从卤水中提取氯化锂的方法及装置,涉及氯化锂提取技术领域,解决了现有技术中卤水中氯化锂与氯化钠分离困难,易造成氯化锂结晶纯度不高的技术问题。该方法包括对卤水进行多效蒸发浓缩,形成浓缩液;对浓缩液进行一级或至少两级降温析钠结晶处理,降温析钠结晶处理降温至的目标温度值由前至后逐级降低;对经结晶处理后的上清液进行氯化锂结晶处理,得到氯化锂产品。该装置包括依次相连通的多效蒸发浓缩器、一级或至少两级冷却析钠结晶器及氯化锂结晶器,冷却析钠结晶器将其内部浓缩液降温至的目标温度值由前至后逐级降低,本发明通过多效蒸发浓缩及分级降温析钠结晶,用于提高氯化锂的提取效率和结晶纯度。

标签:
加工技术
江苏 - 南京 来源:中冶有色网 2023-03-18
用于制造锂电池负极盖帽的卷边设备

本实用新型提供了一种用于制造锂电池负极盖帽的卷边设备,涉及机械设备技术领域。本实用新型的卷边设备包括转盘装置和卷边装置,转盘装置包括转盘和安装机构,安装机构与转盘连接,以在转盘转动时跟随转盘转动,安装机构内放置有锂电池负极盖帽。卷边装置与转盘装置连接,用于在安装机构转动至与卷边装置对应的位置处时对锂电池负极盖帽的泄压防爆片进行预设角度的卷边。卷边装置包括驱动单元和定位块,定位块与驱动单元连接,用于在驱动单元的驱动下朝锂电池负极盖帽方向移动,以在移动至与锂电池负极盖帽相抵接的位置处,从而实现对锂电池负极盖帽的定位。本实用新型通过定位块与安装机构共同实现对锂电池负极盖帽的定位,保证了卷边效果。

标签:
加工技术
江苏 - 南京 来源:中冶有色网 2023-03-18
锂电池组装装置
锂电池组装装置 1016     
 0

本实用新型公开了锂电池组装装置,属于锂电池领域,锂电池组装装置,包括装置本体,装置本体上端固定连接有底座,底座上端固定连接有导轨,底座上端开凿有多个容纳槽,且容纳槽均匀分布于导轨外侧,容纳槽下内壁滑动连接有一对呈左右对称分布的卡块,两个卡块相互远离的一端均固定连接有多个压缩弹簧,多个压缩弹簧远离卡块的一端分别与容纳槽左右两内壁固定连接,容纳槽下端镶嵌有负电极,且负电极位于两个卡块之间,可以实现在锂电池组装前对单体锂电池块进行检测,有效避免不合格或损坏的单体锂电池块被组装至锂电池组中,从而有效保障锂电池组装的合格率,减少残次品,也在一定程度上起到节约成本的作用。

标签:
加工技术
江苏 - 南京 来源:中冶有色网 2023-03-18
掺杂金属阳离子改性锂离子筛的制备方法

本发明提供一种掺杂金属阳离子改性锂离子筛的制备方法,掺杂改性离子筛的分子式为:HGaxMn2‑xO4,x=0.05‑1。制备的具体步骤如下:在常温下,将镓源和锰源按摩尔比n(Ga3+:Mn2+)=x:2‑x配成混合盐溶液;将锂源和过氧化氢溶液按一定比例混合,配成锂溶液。然后将锂溶液缓慢滴加至上述混合溶液,在一定温度下发生水热反应,得到掺杂金属镓离子的离子筛前驱体。最后将前驱体粉体材料进行酸洗处理,得到掺杂金属镓离子的离子筛吸附剂HGaxMn2‑xO4。本发明制得的吸附剂晶体结构稳定,有效减少了传统离子筛的溶损问题,提高了重复循环使用性。

标签:
加工技术
江苏 - 南京 来源:中冶有色网 2023-03-18
针对仓储锂离子电池热失控的冷却灭火装置及灭火方法

本发明涉及一种针对仓储内锂离子电池热失控的冷却灭火装置;由控制部分、供水装置和供液氮装置组成;其中控制部分由红外温度探测器(1)、温度判断程序(10)、控制阀(11)、控水阀门(2)、控液氮阀门(9)以及连接的电气线路组成;供水装置由储水罐(5)、高压泵(4)、供水管网(12)和细水雾喷头(3)组成;供液氮装置由液氮罐(6)、低温泵(7)、供液氮管网(13)和液氮喷头(8)组成;此装置主要适用于锂离子电池组的储存场所,可为锂离子电池的使用与储运提供安全保障。该种灭火装置能够在锂离子电池组热失控初期进行针对性冷却,同时,在电池组整体起火后可以进行及时扑救。

标签:
加工技术
江苏 - 南京 来源:中冶有色网 2023-03-18
锂镧锆钽氧作为固体氧化物燃料电池电解质材料的应用

本发明公开了锂镧锆钽氧作为固体氧化物燃料电池电解质材料的应用;所述固体氧化物燃料电池的结构为泡沫镍‑NCAL/LLZTO/NCAL‑泡沫镍;其中,电解质材料LLZTO中各元素配比为Li6.4La3Zr1.4Ta0.6O12;NCAL的化学式为:Ni0.8Co0.15Al0.05LiO2‑δ。锂镧锆钽氧作为燃料电池的电解质材料,能够在燃料电池操作气氛下通过质子占据锂离子位置的方式,形成质子传输通道,因此采用锂镧锆钽氧作为燃料电池的电解质材料,能够实现燃料电池在低温段也具有良好的输出功率密度。

标签:
加工技术
江苏 - 南京 来源:中冶有色网 2023-03-18
新能源储能用锂离子电池安全特性检验实验装置

本发明涉及锂离子电池技术领域,具体揭示了一种新能源储能用锂离子电池安全特性检验实验装置,包括底座,所述底座的上方固定连接有实验筒,所述实验筒的顶部固定连接有顶板,所述实验筒的内部分有六个扇形检测区,所述扇形检测区的内侧固定连接有间隔板,所述间隔板互相靠近的一端固定连接有加固块,六个所述加固块互相靠近的一侧固定连接有中心柱且中心柱与底座的底部固定相连;本发明通过设置的加固块能够配合设置的中心柱,可以使得整个实验筒能够稳定的对锂离子电池进行测试实验,通过设置的安装槽,配合设置的弹簧以及挡板,能够与抵触板进行组合作用,可以方便地使得锂离子电池能够在安装槽内部进行检测使用。

标签:
加工技术
江苏 - 南京 来源:中冶有色网 2023-03-18
纳米纤维素作为粘合剂增强锂硫电池性能的方法

本发明提供了一种纳米纤维素作为粘合剂增强锂硫电池性能的方法,包括以水作为分散剂,纳米纤维素或者纳米纤维素与含极性官能团的化合物共混或共混后经过加热直接作为粘合剂制备锂硫电池。本发明方法中,由于纤维素具有丰富的羟基,可以与多种材料形成氢键或者共价键,赋予了硫阴极良好的机械性能,能够很好的缓解循环中体积膨胀的问题。而且,纤维素含有大量的羟基能够有效抑制多硫化物的“穿梭效应”,极大提高了锂硫电池的容量和循环寿命。更为特殊的是,纳米纤维素具有出色的离子传输性,可有效提高锂离子的扩散系数,从而提高锂硫电池的倍率性能。

标签:
加工技术
江苏 - 南京 来源:中冶有色网 2023-03-18
锂电池充电器
锂电池充电器 947     
 0

本实用新型涉及锂电池充电技术领域,公开了一种锂电池充电器,针对现有的锂电池充电器防摔性能差的问题,现提出如下方案,其包括壳体,所述壳体的一侧设有开口,开口上铰接有密封盖,所述壳体的底部内壁安装有放置槽,放置槽内设有电路板,所述壳体的顶部内壁转动安装有套筒,套筒的底部螺纹安装有柱体,所述柱体的底部安装有升降板,升降板的底部开设有压缩槽,压缩槽内滑动安装有活动板,活动板与压缩槽的顶部内壁之间设有弹簧,所述活动板的底部安装有衬垫板。本实用新型提高锂电池充电器的防摔性能,通过缓冲机构和减震材质进行减震,减震效果好,同时便于电路板的安装,易于推广。

标签:
加工技术
江苏 - 南京 来源:中冶有色网 2023-03-18
锂离子电池保护装置
锂离子电池保护装置 1034     
 0

本实用新型涉及一种锂离子电池保护装置,其特征是它包括有放电MOS管、充电MOS管、充电禁止放电电路、充放电控制模块,放电MOS管的源极与被充电锂离子电池的正极端相连,其漏极作为放电输出端正极接用电负载,其栅极同时与充电禁止放电电路的输出和充放电控制模块的放电控制端相连,充电禁止放电电路的输入接充电MOS管的源极,且它们同时接锂离子电池充电器的输出正极,充电MOS管的栅极接充放电控制模块的充电控制输出端,充电MOS管的漏极接被充电锂离子电池的正极,各回路的负极共地。本实用新型降低了对充电器的要求和能量的损耗,节约了成本。

标签:
加工技术
江苏 - 南京 来源:中冶有色网 2023-03-18
耐温性安全锂离子电池隔膜

本实用新型公开了一种耐温性安全锂离子电池隔膜,包括聚烯烃层和复合在聚烯烃层上、下表面的第一陶瓷涂层,聚烯烃层上均匀设有通孔,通孔内壁上设有第二陶瓷涂层,孔隙率为40-55%;聚烯烃层厚为6~30μm;第一陶瓷涂层厚为1~10μm。采用本实用新型耐温性安全锂离子电池隔膜制造的锂离子电池具有较好的安全性,有效地解决了现有锂电池隔膜第一陶瓷涂层脱落、不耐温以及锂离子电池因隔膜造成的安全问题;该锂离子电池隔膜孔隙率高,具有很好的电解液润湿性、力学性能和耐温性能,同时还具有高温关断性能,厚度薄,利用本实用新型锂离子电池隔膜制造的电池具有较高的容量和快速充放电功能、较好的使用安全性能,可以广泛用于消费类锂离子电池和动力锂离子电池。

标签:
加工技术
江苏 - 南京 来源:中冶有色网 2023-03-18
锂金属负极材料的制备方法

本发明公开一种锂金属负极材料的制备方法,包括如下步骤:(1)在金属泡沫板表面沉积亲锂性纳米颗粒;(2)将步骤(1)所得含亲锂性纳米颗粒的金属泡沫板滚压至所需厚度;(3)对滚压所得金属泡沫板进行高温退火处理;(4)以高温退火后的金属泡沫板为基材,通过热引锂法制得锂金属负极材料。本发明以三维金属泡沫板为骨架,通过高温退火处理使金属泡沫板表面改性生成金属氧化物,便于与热锂反应,使锂能够快速向内部扩散;同时,本申请在金属泡沫板上沉积硅、锡、一氧化硅、二氧化硅等亲锂性纳米颗粒作为锂金属的沉积位点,诱导锂在负极的均匀沉积,有效避免锂枝晶的生长,从而可显著提升电池的长循环性能。

标签:
加工技术
江苏 - 南京 来源:中冶有色网 2023-03-18
上一页 134 135 136 137 138 ... 146 下一页
共146页    到第

中冶有色为您提供最新的江苏南京有色金属加工技术理论与应用信息,涵盖发明专利、权利要求、说明书、技术领域、背景技术、实用新型内容及具体实施方式等有色技术内容。打造最具专业性的有色金属技术理论与应用平台!

全国热门有色金属设备推荐
展开更多 +
全国热门有色金属技术推荐
展开更多 +

 

江西省隆恩特环保设备有限公司
宣传

报名参会
更多+

报告下载

有色专家
更多+

中南大学
中国工程院院士
赣州江钨钨合金有限公司
工程师
中南大学、中国工程院
院士
长沙矿山研究院有限责任公司
高级工程师
长沙有色冶金设计研究院有限公司
党委书记、董事长
赤泥综合利用研究报告2025
推广

热门技术
更多+

推荐企业
更多+

福建省金龙稀土股份有限公司
宣传

发布

在线客服

公众号

电话

顶部
咨询电话:
010-88793500-807