青岛垚鑫智能科技有限公司
宣传

位置:北方有色 >

有色技术频道 >

> 固/危废处置技术

分类:
全部
矿山技术
冶金技术
材料制备及加工技术
环境保护技术
分析检测技术
 
全部
废水处理技术
大气治理技术
固/危废处置技术
土壤修复技术
地区:
全部
北京
天津
上海
重庆
河北
山西
辽宁
吉林
黑龙江
江苏
浙江
安徽
福建
江西
山东
河南
湖北
湖南
广东
海南
四川
贵州
云南
陕西
甘肃
青海
内蒙
广西
西藏
宁夏
新疆
其他
其他
展开
 
全部
福州
厦门
漳州
泉州
三明
莆田
南平
龙岩
宁德

福建泉州有色金属固/危废处置技术理论与应用

免费发布技术信息>>
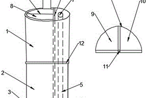
适用于激光熔覆的智能送粉装置

本实用新型提供了一种适用于激光熔覆的智能送粉装置,包括:储粉装置、筛粉装置、送粉装置、控制柜、气体流量计、固体流量计、废气净化槽和控制系统;所述储粉装置的上端通过气体流量计连通进气输送器,下端通过筛粉装置连接至送粉装置;所述送粉装置的进气口和出粉口分别通过比例阀和气体流量计连通进气输送器,出粉口的末端通过固体流量计连接熔覆送粉头用于激光熔覆的供粉;送粉装置的泄气口有阻隔网,泄气口通过排气管连通废气净化槽;所述气体流量计、固体流量计和比例阀由控制系统控制。

标签:
固废
福建 - 泉州 来源:北方有色网 2023-03-19
固态垃圾收集处理装置
固态垃圾收集处理装置 1151     
 0

本实用新型公开了一种固态垃圾收集处理装置,包括垃圾收集箱和废气过滤器,所述垃圾收集箱的上端设有箱盖,所述箱盖的上端设有提手,所述垃圾收集箱的底端活动安装有活动抽板,所述室门的一侧设有抽灰机,所述燃烧室的底端固定安装有加热器,所述加热器的底端设有耐高温底板,所述燃烧室的一侧固定安装有鼓风机,所述废气导管的内表面设有初次过滤网,所述废气过滤器通过废气导管和燃烧室固定连接。本实用新型所述的一种固态垃圾收集处理装置,设有活动抽板、抽灰机、鼓风机和废气过滤器,能够轻易将固体垃圾送入处理装置,并能抽出残余粉末,促进固态垃圾处理,防止空气污染,适用不同工作状况,带来更好的使用前景。

标签:
固废
福建 - 泉州 来源:北方有色网 2023-03-19
适用于激光熔覆的智能送粉装置

本发明提供了一种适用于激光熔覆的智能送粉装置,包括:储粉装置、筛粉装置、送粉装置、控制柜、气体流量计、固体流量计、废气净化槽和控制系统;所述储粉装置的上端通过气体流量计连通进气输送器,下端通过筛粉装置连接至送粉装置;所述送粉装置的进气口和出粉口分别通过比例阀和气体流量计连通进气输送器,出粉口的末端通过固体流量计连接熔覆送粉头用于激光熔覆的供粉;送粉装置的泄气口有阻隔网,泄气口通过排气管连通废气净化槽;所述气体流量计、固体流量计和比例阀由控制系统控制。

标签:
固废
福建 - 泉州 来源:北方有色网 2023-03-19
环保型耐火窑具及其制备方法

一种环保型耐火窑具,由以下原料组成:废旧刚玉砖、废旧堇青石‑莫来石窑具熟料、德化高岭土、铝矾土、白云石、德化绢云母、工业α‑氧化铝粉,本发明制备的耐火窑具以废旧刚玉砖、废旧堇青石‑莫来石窑具熟料、德化高岭土、铝矾土、白云石、德化绢云母、工业α‑氧化铝粉为基质材料组成本发明耐火窑具材料的固体物,并具体限定各原料的组分以对原料的化学组分进行严格的把控,使制得的耐火窑具常温抗折强度高、0.2MPa荷重软化温度可达到1420℃,提高耐火窑具的最高使用温度,以适用温度要求更高的窑炉,提高窑具的实用性;并且对废旧刚玉砖的利用率达到30%以上,减少了对资源的浪费,也降低了窑具材料的生产成本。

标签:
固废
福建 - 泉州 来源:北方有色网 2023-03-19
环保复合型石桌
环保复合型石桌 1112     
 0

本实用新型公开了一种环保复合型石桌,包括有桌面本体,所述桌面本体底部的四角均固定连接有支撑脚,所述桌面本体的内部固定连接有隔板,将桌面本体的内部分为垃圾腔和废水腔,所述隔板的内部开设有透水孔,所述垃圾腔的内部滑动连接有刮板,所述垃圾腔底部的左侧开设有出料口,所述废水腔底部的中心开设有排水管,所述刮板的左侧固定连接有拉杆,所述拉杆的左端贯穿桌面本体并延伸至桌面本体的左侧,所述拉杆的左端固定连接有把手,本实用新型通过隔板、垃圾腔和废水腔的设置可以实现对废料的收集,并能够将废料中的固体废料和废水分开收集,给使用者带来方便。

标签:
固废
福建 - 泉州 来源:北方有色网 2023-03-19
植物诱变剂及其制作使用方法

本发明公开了一种植物诱变剂,用于植物多倍体育种培养,诱变剂包括重水、核反应堆废水、采矿废水、锆铟砂、甲基磺酸乙酯、秋水仙素、萘嵌戊烷、富明农、异生长素、萘骈乙烷、磷酸二氢铵、磷酸二铵、磷酸二氢钾、硝酸钾、硝酸铵、乙二胺四乙酸、二乙酸三胺五乙酸、1,2-环己二胺四乙酸、邻羟苯基乙酸、羟乙基乙二胺三乙酸、自来水,植物诱变剂分为固体部分和液体部分,固体部分用于种子的包埋,固体部分为锆铟砂;液体部分用于幼苗浇灌。本发明采用固体和液体配合诱变的方式,使得诱变效果更好,采用富含放射物质的锆铟砂作为培养种子的基料,有利于提高诱变效率。

标签:
固废
福建 - 泉州 来源:北方有色网 2023-03-19
用于改善土壤的营养液及其制备方法

本发明公开了一种用于改善土壤的营养液包括以下重量份数的组分:固体废弃物70‑100份、解离剂3‑7份、调理剂1‑3份、重金属捕捉剂0.01‑0.05份及添加剂1‑3份。本发明还提供了一种用于改善土壤的营养液的制备方法。本发明一方面,对琼胶渣,啤酒渣,食品渣等固体废弃物进行资源化利用,变废为宝;另一方面,增加土壤营养,还能构建微生物活动所需的预栖息环境、对酸化的土壤改良具有良好效果,作物生长会更好。

标签:
固废
福建 - 泉州 来源:北方有色网 2023-03-19
混凝土及其制备方法、垃圾焚烧灰渣处理方法

本发明提供了一种混凝土,其包含水泥、砂、和水,还包含:陶瓷骨料以及垃圾焚烧灰渣。本发明还提供了一种混凝土的制备方法,包括以下步骤:将垃圾发电厂产生的固体排放物经磁选、筛分和消毒处理,制成垃圾焚烧灰渣;将工业生产的陶瓷废料经破碎筛分处理,制成陶瓷骨料;以及将预定配比的水泥、砂、水、陶瓷骨料和垃圾焚烧灰渣搅拌制成混凝土。本发明还提供了一种垃圾焚烧灰渣处理方法。本发明充分利用多种固体废物资源,可高效环保地处理垃圾焚烧灰渣和陶瓷废料,进而减少了土地占用和环境污染。

标签:
固废
福建 - 泉州 来源:北方有色网 2023-03-19
用于铸件熔炉热循环装置

本实用新型公开了一种用于铸件熔炉热循环装置,包括主体、熔炉、内壳、保温层、碳酸铝板、保温棉、排气管、气阀、废气循环结构、处理仓、导流板、v形板、转轴、竖管、固体颗粒收集仓、通气管、横向通管、出气口和风轮,通过保温层的保温棉和硅酸铝板的夹层设置,可以有效的防止热量挥发,达到保温的作用,隔热效果佳,并且还能防止热量散失,保温棉可以防止热量散失,避免主体外壁的温度过高,烫伤工作人员;通过导流板和风轮的设置,可以防止废气直接从排气管排出,减少了废气中一些热量的散发,可以循环进入熔炉中,实现废气的热循环利用,并且避免了固体颗粒物的排出,保护了车间的生产环境。

标签:
固废
福建 - 泉州 来源:北方有色网 2023-03-19
环保型生活污水净化处理装置

本实用新型公开了一种环保型生活污水净化处理装置,采用的技术方案是,包括主体板,所述主体板的前侧上表面从右到左依次固定连接有污水过滤装置、第一污水泵和污水处理装置,本实用新型通过污水过滤装置对生活污水进行过滤,去除生活污水中的果皮、塑料袋等固体废弃物,通过垃圾转运装置对生活污水中过滤出的果皮、塑料袋等固体废弃物输送至垃圾压缩装置,通过垃圾压缩装置对收集的果皮、塑料袋等固体废弃物进行滤水压缩,通过垃圾收集箱对滤水压缩后的垃圾进行收集,方便使用人员进行处理,通过第一污水泵和第二污水泵将污水过滤装置和渗漏水收集箱内的污水输送至污水处理装置内,通过污水处理装置对污水中的氮、磷和其他细菌进行处理。

标签:
固废
福建 - 泉州 来源:北方有色网 2023-03-19
污泥气化资源化利用系统

本实用新型公开了一种污泥气化资源化利用系统,包括:污泥添加装置、辅助燃料添加装置、高热值固体废弃物添加装置、气化反应器、分离器、液体储罐、燃气发电机、副产品储罐、热空气储罐、换热器、汽轮机、发电机;其特征在于,所述污泥添加装置、辅助燃料添加装置及高热值固体废弃物添加装置与气化反应器的进料口连接;所述气化反应器的顶端通过管道依次与分离器、液体储罐及燃气发电机连接。本实用新型在高温高压状态下对污泥进行气化反应,同时可以处理高热值固体废弃物,及产生可燃气体进行发电,剩余蒸汽同样可以进行发电。

标签:
固废
福建 - 泉州 来源:北方有色网 2023-03-19
皮革屑改性的耐臭氧热塑性橡胶鞋底及其制备方法

本发明公开了一种皮革屑改性的耐臭氧热塑性橡胶鞋底,包括以下重量份配比的原料:星型苯乙烯‑丁二烯聚合物(SBS)15份、部分氢化苯乙烯‑丁二烯聚合物20‑40份、皮革屑接枝聚丁二烯20‑50份、混炼型聚氨酯弹性体12‑20份、白矿油10‑15份、抗氧剂0.2‑0.3份、硬脂酸锌0.5‑1份、耐磨剂1‑3份、玻璃微珠粉2‑8份、纳米碳酸钙10‑15份;本发明通过在SBS中引入大分子蛋白质,可以解决其难以生物降解的污染环境问题,同时也降低鞋用材料的生产成本,这也为解决皮革固体废弃物的再利用找到新的方案,解决了行业中含铬废革屑难以处理的共性问题。

标签:
固废
福建 - 泉州 来源:北方有色网 2023-03-19
环保日用陶瓷碗制作工艺

本发明公开了一种环保日用陶瓷碗制作工艺,包括如下步骤:S1、将陶土依次进行练泥、压泥饼和挤泥条,将制作好的泥条放入提前做好的石膏模中进行机压成型;S2、将机压成型的碗置于旋工作台上,用砂纸将碗口磨圆,磨圆口后用水进行清洗,将碗的表面擦光滑;S3、先调釉,上内釉,间隔十分钟搅拌一次,调釉上外釉,并对碗底外圈擦釉,用毛刷将碗表面灰尘扫净,将前道工序的不良品挑出返工。本发明相比现有技术,工艺更加简单,产生的固体废料和工业废水少,并对生产过程中产生的烟气和粉尘进行处理,解决了现有的陶瓷碗的生产工序复杂,生产过程中会产生大量的烟气、粉尘、固体废料和工业废水,对环境造成严重污染的问题。

标签:
固废
福建 - 泉州 来源:北方有色网 2023-03-19
利用含金属粒子革屑制备胶原基复合型可降解纤维的方法

本发明涉及制革废弃物资源利用技术领域,提供一种利用含金属粒子革屑制备胶原基复合型可降解纤维的方法,利用制革革屑提取胶原,可以减少制革固体废弃物污染,尤其是制革含铬固体废弃物污染,变废为宝,有效利用天然动物蛋白资源;同时,将革屑制备的胶原和聚乙烯醇、壳聚糖、羧甲基纤维素钠共混纺丝,得到复合型可降解纤维,解决了单一材料纺丝的缺陷,热稳定性、抗水性、力学性能等皆有所改善,降解性可调节。

标签:
固废
福建 - 泉州 来源:北方有色网 2023-03-19
负载型加氢催化剂回收再利用的方法

本发明公开了一种负载型加氢催化剂回收再利用的方法,属于催化剂回收领域。失活的加氢催化剂再生后过筛,筛分出的小颗粒及粉末作为固体垃圾处理掉,不仅污染环境,还造成资源浪费。本发明中,首先将筛分出的废弃催化剂粉碎至50微米以下,然后按照一定比例加入到载体制备的混捏过程中,经过挤条成型、干燥,在惰性气体氛围下焙烧制得掺混载体,废弃催化剂上的碳削弱了金属‑载体间的相互作用,补充活性组分浸渍液进行负载,制得的催化剂具有较高的加氢脱硫活性。该方法能完全回收利用废弃的催化剂,一步解决了以往废弃催化剂作为固体垃圾处理的浪费问题。

标签:
固废
福建 - 泉州 来源:北方有色网 2023-03-19
切屑液回收系统
切屑液回收系统 1091     
 0

本实用新型提供一种切屑液回收系统,包括沉淀池、离心机、螺旋输送机、废屑吸附装置和浮油过滤装置,所述离心机的上端具有进料斗,下端具有固体出料口和液体出料口,沉淀池内设置有提升泵,所述提升泵的出口和所述进料斗之间连接有进料管道,所述螺旋输送机位于所述离心机下方且所述螺旋输送机的入口与所述固体出料口连接,所述液体出料口和所述废屑吸附装置的入口连接,所述废屑吸附装置的出口与所述浮油过滤装置的入口连接。通过设置废屑吸附装置和浮油过滤装置,不仅能够有效去除切屑液中含有的废屑,而且能够去除切屑液中含有的浮油,避免液体变质,回收获得的切屑液性能相对较好。

标签:
固废
福建 - 泉州 来源:北方有色网 2023-03-19
节能型污水处理器
节能型污水处理器 1182     
 0

本实用新型公开了一种节能型污水处理器,其结构包括器体、固液分离腔、消毒腔、滑轨、UV灯管、净化腔、太阳能板、进料口、水泵、抽水管、排水管、出水管、分离装置、固体腔、腔门、刮除装置、挡板和收集箱,本实用新型的一种节能型污水处理器,通过设置分离装置于固液分离腔顶部,将带有废物的污水由注入管倒入,内部电机开始工作,启动绞龙进行螺旋挤压输送,污水有污水管排入腔内,废物则由废物管排入固体腔内,高效快速,解决了现有技术固液分离性能差,效率低的问题,再设置刮除装置于消毒腔顶部,内置电机能通过齿轮控制滚轮在滑轨上进行移动,并且刮板能对漂浮的废物进行刮除到挡板由收集箱进行收集,解决了对漂浮固体处理效果差的问题。

标签:
固废
福建 - 泉州 来源:北方有色网 2023-03-19
绿色环保定型机
绿色环保定型机 1070     
 0

本实用新型公开了一种绿色环保定型机,包括定型机,所述定型机的下表面固定连接有防火阀,所述防火阀的下端固定连接有废气管,所述废气管的外表面固定连接有引风机,所述废气管的竖直内侧壁固定连接有滤板,所述废气管的下表面固定连接有固体垃圾箱,所述废气管的一侧竖直外侧壁固定连接有导气管,所述导气管的竖直内侧壁固定连接有第一废气传感器,所述第一废气传感器的外表面固定连接有导流块,所述导流块的下表面固定连接有液体箱,所述液体箱的下端固定连接有第一连接管,本实用新型结构简单,操作方便,增加了喷淋废气的干燥、固体颗粒的收集和均风板等装置,达到废气排放标准,喷淋效果理想,避免造成二次污染。

标签:
固废
福建 - 泉州 来源:北方有色网 2023-03-19
固化成型平面互锁立体搭接工程砌块及生产方法

本发明公开了一种固化成型平面互锁立体搭接工程砌块及生产方法,包括:左岸凸型砌块、左岸凹型砌块、右岸凸型砌块、右岸凹型砌块和衬带;所述两个左岸凸型砌块之间上方通过延伸凸起一和延伸凸起四铺设有左岸凹型砌块;所述两个右岸凸型砌块之间上方通过延伸凸起六和延伸凸起七铺设有右岸凹型砌块;原材料中固体废弃物以重量百分比占80%,用水量以重量百分比占5%。本发明所述的一种固化成型平面互锁立体搭接工程砌块及生产方法,具有平面互锁,立体搭接的功能,平面互锁可以保证铺筑的砌块护坡表面砌块之间不会散开;原料中使用固体废弃物参量高达80%,生产成本低,生产效率高,耗能低;自动化产出量大,企业获得利润高。

标签:
固废
福建 - 泉州 来源:北方有色网 2023-03-19
利用牡蛎壳与制革污泥制备铬酸盐的方法

本发明公开了一种利用牡蛎壳与制革污泥制备铬酸盐的方法,是一种利用制革废水加碱沉淀后的沉淀物进行铬回收的资源化方法,属于环境领域的固体废物资源化技术,涉及到固体污染废物的治理、以废治废的资源化技术,从而实现铬污泥危险废物的处理及牡蛎壳的高值化及循环使用。本发明首先将铬沉淀物进行干燥、研磨;其次将从海鲜市场及海边收集废弃的牡蛎壳进行自然风干、除味,随后对牡蛎壳进行改性,以破坏牡蛎壳本身的结构;之后将研磨的铬沉淀与牡蛎壳或改性牡蛎壳于马弗炉中焙烧以获得铬酸钙盐产品,从而实现制革污泥中铬元素以及环境中被废弃的牡蛎壳的资源化及再利用。

标签:
固废
福建 - 泉州 来源:北方有色网 2023-03-19
发泡陶瓷原料的制备新工艺

本发明属于发泡陶瓷原料领域,公开了一种发泡陶瓷原料的制备新工艺,包括组份A及组份B,所述组份A为固体废料或浆体固废,所述组份B包括发泡剂以及其他固体配料,其制备新工艺包括称料、混合料、研磨、搅拌、榨泥、干燥、造粒,通过本发明制备的陶瓷原料加工成型性能强,且投入设备成本低,不需采用传统的喷雾干燥塔等高成本设备,节能、环保、降耗,预计能取得非常好的经济效益和社会效益;无废气排放做到零排放;应该在市场上广泛地推广使用。

标签:
固废
福建 - 泉州 来源:北方有色网 2023-03-19
废水处理沉淀塔
废水处理沉淀塔 1022     
 0

本实用新型涉及污水处理设备,提供一种泥沙等无机颗粒可快速下沉、能有效去除高浓度污水色度及污水中COD的,可生化性高的废水处理沉淀塔,包塔体、进污水管、出水管、设于塔体内中部让固体颗粒快速沉淀的缓冲沉淀装置、设于塔体内所述缓冲沉淀装置上方的用于去除高浓度污水色度及水中COD的微电解填料过滤层、设于塔体内所述微电解填料过滤层上方的用于对水进行生物氧化、吸附及过滤的过滤填料层,所述塔体上部位于塔盖的下方还设有放射性出水装置,所述塔体内位于缓冲沉淀装置的下部设有缓冲槽,所述进污水管由上自下依次穿过塔盖、放射性出水装置、过滤填料层、微电解填料过滤层及缓冲沉淀装置与塔体内的缓冲槽相连,出水管设于放射性出水装置上。

标签:
固废
福建 - 泉州 来源:北方有色网 2023-03-19
废水回用快速沉淀塔
废水回用快速沉淀塔 1165     
 0

本实用新型涉及污水处理设备,提供一种泥沙等无机颗粒可快速下沉、能有效去除高浓度污水色度及污水中COD的,可生化性高的废水回用快速沉淀塔,包括塔体、进污水管、出水管、设于塔体内中部让固体颗粒快速沉淀的缓冲沉淀装置、设于塔体内所述缓冲沉淀装置上方的微电解填料过滤层、设于塔体内所述微电解填料过滤层上方的过滤填料层、设于塔体内所述过滤填料层上方的活性碳纤维丝滤层,所述塔体上部位于塔盖的下方还设有放射性出水装置,所述塔体内位于缓冲沉淀装置的下部设有缓冲槽,所述进污水管由上自下依次穿过塔盖、放射性出水装置、活性碳纤维丝滤层、过滤填料层、微电解填料过滤层及缓冲沉淀装置与塔体内的缓冲槽相连,出水管设于放射性出水装置上。

标签:
固废
福建 - 泉州 来源:北方有色网 2023-03-19
利用含铁废弃物制备硅铝羟基铁复合催化剂的方法

一种利用含铁废弃物制备硅铝羟基铁复合催化剂的方法,包括以下步骤:(1)将砂轮灰铁屑置于烧杯中,加入稀硝酸溶液,置于恒温震荡器中,恒温震荡;(2)将反应体系的pH值调节至12,继续恒温震荡30min,再将样品老化;然后离心分离出固体,用蒸馏水洗涤至中性,烘干,研磨,获得硅铝羟基铁复合催化剂。本发明制得的硅铝羟基铁复合催化剂能有效地吸附催化降解染料,且具有pH适用范围宽和可回收循环使用的优点。

标签:
固废
福建 - 泉州 来源:北方有色网 2023-03-19
微电解废水处理沉淀塔
微电解废水处理沉淀塔 1100     
 0

本实用新型涉及污水处理设备,提供一种泥沙等无机颗粒可快速下沉、能有效去除高浓度污水色度及污水中COD的,可生化性高的微电解废水处理沉淀塔,包塔体、进污水管、出水管、设于塔体内中部让固体颗粒快速沉淀的缓冲沉淀装置、设于塔体内所述缓冲沉淀装置上方的用于去除高浓度污水色度及水中COD的微电解填料过滤层、设于塔体内所述微电解填料过滤层上方的用于对水进行生物氧化、吸附及过滤的过滤填料层,所述塔体内位于缓冲沉淀装置的下部设有缓冲槽,所述进污水管由上自下依次穿过塔盖、过滤填料层、微电解填料过滤层及缓冲沉淀装置与塔体内的缓冲槽相连,所述出水管设于塔体上部的出水口上。

标签:
固废
福建 - 泉州 来源:北方有色网 2023-03-19
环保化工废水处理设备

本发明公开了一种环保化工废水处理设备,属于化工技术领域,包括处理箱、刮除机构、初次过滤机构、二次过滤机构和搅拌机构,所述初次过滤机构包括过滤网一,所述处理箱的出料口中对应设有密封塞,所述刮除机构包括刮板,所述刮板与所述处理箱的内壁接触;通过设有刮除机构可将所述处理箱内壁上的杂质刮除,避免杂质停留在所述处理箱内的内壁上,从而利于污水处理的进行,延长此装置的使用寿命;通过设有初次过滤机构可将进入所述处理箱内的污水中的固体杂质除去,避免污水中的固体杂质与所述搅拌杆和螺旋搅拌叶接触;通过设有二次过滤处理机构可将污水与处理剂反应过程中产生的杂质进行过滤和收集,可避免管道被堵塞。

标签:
固废
福建 - 泉州 来源:北方有色网 2023-03-19
工业废水的污水处理系统及污水处理方法

本发明提出工业废水的污水处理系统及污水处理方法,解决了现有工业污水难以处理,除磷脱氮效果不理想等问题。包含工艺步骤如下:(1)分离固体杂物;(2)厌氧水解;(3)氧化沟生化处理工艺:包括活性污泥内的菌群培养、以及生化脱氮和生化除磷;(4)二次沉淀;(5)混凝除磷;(6)絮凝与消毒;(7)去除悬浮固体和磷。

标签:
固废
福建 - 泉州 来源:北方有色网 2023-03-19
具有拉杆和废水桶功能的垃圾桶

本实用新型公开了一种具有拉杆和废水桶功能的垃圾桶,包括桶体、底座、导水管、隔离板、拉杆和轮子,所述桶体包括上桶体和下桶体,隔离板包括第一隔离板、第二隔离板和第三隔离板,上桶体和下桶体之间安装有第三隔离板并且上桶体上安装有拉杆。该装置结构简单,设计合理,可以将固体垃圾和液体垃圾进行有效分离,可以同时处理固体和液体两种垃圾,该装置便于放置,可以放置在各种位置;该装置将固体垃圾分为可循环利用垃圾和不可循环利用垃圾两部分,有利于使用者对家用垃圾进行分类,有利于培养环保习惯,增强环保意识;该装置设置有配合使用的拉杆和轮子,可以使得使用者灵活方便的移动垃圾桶,有效避免使用多个垃圾桶带来的浪费。

标签:
固废
福建 - 泉州 来源:北方有色网 2023-03-19
废机油净化装置
废机油净化装置 1120     
 0

本实用新型公开了一种废机油净化装置,其结构包括操控架台、强电机、吸附桶、精制桶,所述操控架台包括置台、设面、立杆、操控箱、控制键、箱板、显示圈,所述置台设有设面,所述立杆设有操控箱,所述箱板设有控制键,所述操控箱设有显示圈,所述强电机包括空气桶、流通管、设管、电机,所述空气桶通过流通管和设管连接有电机。现有的废机油净化装置无法在保证机油质量的原则上,有效去除固体杂质和水分,使机油无法有效得到再生回用。

标签:
固废
福建 - 泉州 来源:北方有色网 2023-03-19
带杀菌的鱼类水产加工用车厢式废物存放装置

本实用新型公开一种带杀菌的鱼类水产加工用车厢式废物存放装置,包括多个存放箱,所述存放箱左侧安装有前抬杆,所述存放箱右侧安装有后抬杆,所述存放箱左侧连通有排水管,所述排水管上安装有阀门A,所述存放箱右侧连通有第一通气管和第二通气管,所述第一通气管上安装有阀门B,所述第二通气管上安装有阀门C;本实用新型设计合理,使用方便,便于搬运,整个存放装置可叠加摆放,上下存放箱之间能够相互卡合,稳定性强,适用于车辆运输,在存放箱中设置有斜坡和倾斜的过滤网,在鱼类水产废物存放时,能够将液体杂质与固体杂质分离排出,同时配合过滤系统,能够对存放箱中的异味进行处理,避免异味的积聚。

标签:
固废
福建 - 泉州 来源:北方有色网 2023-03-19
上一页 9 10 11 12 13 ... 18 下一页
共18页    到第

北方有色为您提供最新的福建泉州有色金属固/危废处置技术理论与应用信息,涵盖发明专利、权利要求、说明书、技术领域、背景技术、实用新型内容及具体实施方式等有色技术内容。打造最具专业性的有色金属技术理论与应用平台!

全国热门有色金属设备推荐
展开更多 +
全国热门有色金属技术推荐
展开更多 +

 

江西省隆恩特环保设备有限公司
宣传

报名参会
更多+

报告下载

有色专家
更多+

广东省科学院资源利用与稀土开发研究所
教授
中南大学
院长/教授
北京科技大学
副院长/教授
北京航空航天大学、中国工程院
院士
长沙有色冶金设计研究院有限公司
党委书记、董事长
赤泥综合利用研究报告2025
推广

热门技术
更多+

推荐企业
更多+

福建省金龙稀土股份有限公司
宣传

发布

在线客服

公众号

电话

顶部
咨询电话:
010-88793500-807