青岛垚鑫智能科技有限公司
宣传

位置:中冶有色 >

有色技术频道 >

> 加工技术

分类:
全部
矿山技术
冶金技术
材料制备及加工技术
环境保护技术
分析检测技术
 
全部
功能材料技术
复合材料技术
新能源材料技术
合金材料技术
加工技术
地区:
全部
北京
天津
上海
重庆
河北
山西
辽宁
吉林
黑龙江
江苏
浙江
安徽
福建
江西
山东
河南
湖北
湖南
广东
海南
四川
贵州
云南
陕西
甘肃
青海
内蒙
广西
西藏
宁夏
新疆
其他
其他
展开
 
全部
南京
无锡
徐州
常州
苏州
南通
连云港
淮安
盐城
扬州
镇江
泰州
宿迁

江苏常州有色金属加工技术理论与应用

免费发布技术信息>>
复合无机锂盐包覆正极材料及其制备方法及应用

本发明涉及一种复合无机锂盐包覆正极材料及其制备方法及应用。所述制备方法包括:步骤1,将适量偶联剂加入到有机溶剂中,加热搅拌得到混合液,之后向混合液中加入无机锂盐或无机锂盐前躯体,和碳材料,继续加热搅拌使碳材料均匀包覆在无机锂盐前躯体表面;步骤2,向步骤1所得溶液中加入正极材料,加热搅拌,之后转移至旋转蒸发仪中蒸干溶剂,得到复合无机锂盐包覆的正极材料;步骤3,将步骤2所得复合无机锂盐包覆的正极材料置于惰性气氛的烧结炉中烧结,冷却后得到终产物复合无机锂盐包覆正极材料。

标签:
加工技术
江苏 - 常州 来源:中冶有色网 2023-03-18
薄壳锂电池
薄壳锂电池 737     
 0

本实用新型涉及电池领域,尤其是一种体积比能量提高了的薄壳锂电池。一种薄壳锂电池,具有电池外壳,所述的电池外壳包括正极壳和负极盖组,所述的正极壳为一敞口的壳体,所述的负极盖组为金属壳体的负极盖外翻边周边注塑有塑胶件构成的一体结构,所述的电池外壳的材质为不锈钢带,不锈钢带的厚度为0.20mm。本实用新型在不改变扣式锂电池外观及结构强度的前提下,改用0.20mm厚度的不锈钢材料作为扣式锂电池的外壳材料,扩展了电池的内部空间,增加了电池放电用活性物质的量,提高了电池的放电性能。本实用新型的体积比能量相比现有的扣式锂电池提高了15%以上,且每个扣式锂电池所使用的不锈钢带重量下降了15%~20%,大大降低了电池的成本。

标签:
加工技术
江苏 - 常州 来源:中冶有色网 2023-03-18
大锂片翻转力测试装置

本发明提供一种大锂片翻转力测试装置,包括进气单元、动力单元、压紧单元、测试单元、控制单元和显示单元,进气单元向测试单元输送气体;动力单元推动压紧单元向测试单元压紧;压紧单元为待测大锂片提供密封测试环境;测试单元包括测试台和行程传感器,行程传感器连接压紧单元,测量放置于测试台上的大锂片的变形量是否达到设定形变量,当达到设定形变量时,向控制单元发送信号;控制单元控制进气单元向测试单元输送气体,当接收到行程传感器发送的大锂片达到设定形变量的信号时,控制测试单元排气;显示单元显示待测大锂片达到设定变形量时的气压值,实现了大锂片在设定变形量下压力值检测的自动化,检测精度高,且检测效率高。

标签:
加工技术
江苏 - 常州 来源:中冶有色网 2023-03-18
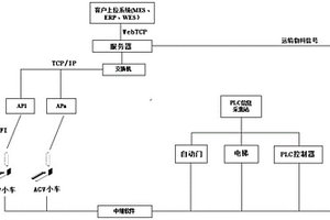
锂电物料输送系统及输送控制方法

本发明公开了一种锂电物料输送系统及输送控制方法,锂电物料输送系统包括活动料仓、AGV小车、客户上位系统、服务器、交换机、无线AP、中继软件、PLC信息采集站;所述客户上位系统用于生成锂电物料输送任务;所述活动料仓用于储存锂电物料;所述AGV小车用于搬运活动料仓,并控制活动料仓进行放料;所述服务器用于接收所述客户上位系统生成的锂电物料输送任务;所述服务器通过交换机与无线AP和PLC信息采集站相连。本发明提供一种锂电物料输送系统及输送控制方法,通过利用成熟的AGV小车自动对接的技术结合开发活动对接的料仓,达到通过小车的灵活控制从而使活动料仓能进行多点自动化对接,减少空间位置对物料运输的约束。

标签:
加工技术
江苏 - 常州 来源:中冶有色网 2023-03-18
锂电池隔膜回收再利用方法和吸油材料的循环利用方法

本发明涉及锂电池技术领域,尤其涉及一种锂电池隔膜回收再利用方法和吸油材料的循环利用方法。锂电池隔膜回收再利用方法包括:S1、将退役的锂电池残余电量放出,接着对其进行拆解,得到拆解隔膜;或是S1’、取锂电池隔膜生产过程中产生的质量不合格的隔膜。S2、将所述隔膜包覆在具有吸油性能的材料上,制得吸油材料。本发明的一种锂电池隔膜回收再利用方法,使得不良隔膜以及锂电池中的隔膜二次开发利用,有效提高经济效益。

标签:
加工技术
江苏 - 常州 来源:中冶有色网 2023-03-18
介质电解质、锂离子电池及其制备方法

本发明公开一种介质电解质,按照质量分数包括以下物质:6%至24%导电锂盐;70%至90%聚合物电解质基体;3%至6%增塑剂;本发明还公开了使用该介质电解质的锂离子电池,包括表面涂覆有准固态电解质的正极极片和锂负极片,锂负极片表面涂覆有所述的介质电解质;优选所述准固态电解质包括甲基丙烯酸甲酯、Li1.5Al0.5Ge1.5(PO4)3和介孔分子筛;本发明还公开了该介质电解质的制备方法;本发明利用介质电解质半固态凝胶的状态对锂金属化学稳定性良好,抑制锂枝晶的生长,从而获得了性能优异的锂离子电池。

标签:
加工技术
江苏 - 常州 来源:中冶有色网 2023-03-18
抑制锂硫电池中多硫化物穿梭效应的方法、材料及其应用

本发明涉及一种抑制锂硫电池中多硫化物穿梭效应的方法、材料及其应用,所述方法包括:将CrSSe作为添加剂其掺入到锂硫电池的硫电极中,或者将CrSSe作为中间层材料用于锂硫电池的正负极之间的中间层,用以通过CrSSe吸附所述锂硫电池在电化学过程中的反应中间产物多硫化物,锚定多硫化物并加速催化所述多硫化物在氧化还原过程中的转化,以此降低因穿梭效应导致的活性物质损失及锂硫电池中的容量衰减,还可提高锂硫电池倍率性能。

标签:
加工技术
江苏 - 常州 来源:中冶有色网 2023-03-18
基于优化深度信念网络的锂离子电池SOC预测方法

本发明提供一种基于优化深度信念网络的锂离子电池SOC预测方法,该方法以锂离子电池电压、电流归一化后的数据为Re‑DBN预测模型的输入,利用量子遗传(QGA)算法优化Re‑DBN预测结果,得到最优SOC为输出,采用深度信念网络(DBN)训练锂离子电池SOC预测模型,并针对所述的锂离子电池SOC预测模型的网络深度问题,基于深度信念网络模型中每层RBM训练的重构误差(Rerror),建立一种优化深度信念网络(Re‑DBN)预测模型,利用QGA算法自动寻优,得到每个Re‑DBN预测模型输出SOC值的权值,得到最优SOC预测结果。以提高锂离子电池SOC预测预测模型的自主学习和预测能力,并提高锂离子电池SOC预测的准确性。

标签:
加工技术
江苏 - 常州 来源:中冶有色网 2023-03-18
磷酸铁锂的除水工艺
磷酸铁锂的除水工艺 1093     
 0

本发明公开了一种磷酸铁锂的除水工艺,包括如下步骤,卸料:将从炉窑出来的磷酸铁锂物料直接送入全密封翻转卸钵机,经旋转阀门均匀进入正压发送罐;粉碎:利用露点至少为-20℃的冷干空气作为载体,将磷酸铁锂物料从正压发送罐发送至粉碎机粉碎,粉碎机为闭式结构,粉碎机上设置有回风系统,并利用露点至少为-20℃的冷干空气为回风系统补风;混合;筛分;包装:筛分后的磷酸铁锂物料进入包装系统包装,包装系统置于除湿干燥间内,除湿干燥间内空气露点至少为-20℃。本发明的整个流程,只有最后的包装步骤在除湿干燥间内完成,干燥空间小,大大降低了干燥过程的能耗,并能使磷酸铁锂物料的含水量控制在500ppm以内。

标签:
加工技术
江苏 - 常州 来源:中冶有色网 2023-03-18
高导电磷酸铁锂粉体及其制备方法

本发明公开了一种高导电磷酸铁锂粉体及其制备方法,所述制备方法包括如下步骤:1)高导电磷酸铁锂的前驱体的形成氢氧化锂溶液与磷酸搅拌混合;再加入氧化石墨烯分散液,搅拌;再加入七水硫酸亚铁,搅拌得到均匀的混合体;混合体经过滤、洗涤、干燥,得到黑色粉末即为高导电磷酸铁锂的前驱体;2)高导电磷酸铁锂粉体的形成将步骤1)得到的高导电磷酸铁锂的前驱体与碳酸锂球磨共混均匀后,用惰性气体的气氛下煅烧,即可得到高导电磷酸铁锂粉体。本发明方法制备的磷酸铁锂粉体导电性高,比表面积大,振实密度较高,粒径为0.5‑1μm,石墨烯层数为1~5层,铁磷比:0.95‑1.05,所制作的极片面阻在60Ω,在锂离子电池领域具有广泛的应用前景。

标签:
加工技术
江苏 - 常州 来源:中冶有色网 2023-03-18
锂电池盖板焊接装置
锂电池盖板焊接装置 1028     
 0

本实用新型公开了锂电池盖板焊接装置,包括:设置于加工平台一侧的激光焊接机,其焊枪固定于升降结构上;还包括加工转盘,所述加工转盘由驱动电机带动旋转,其上表面设有若干矩形沟槽,每个沟槽装有一个锂电池固定盒;每个所述沟槽均能旋转至所述焊枪下方,本实用新型使用时将待加工锂电池置于锂电池固定盒内,旋转至焊枪下,降下焊枪进行焊接,通过手持锂电池固定盒将之绕沟槽运行一周,其上部锂电池盖板与外壳边缘被焊枪焊接一周,其焊接过程稳定精准,且只需升降焊枪即可完成焊接,节省了成本。

标签:
加工技术
江苏 - 常州 来源:中冶有色网 2023-03-18
磷酸铁锂材料、及其制备和应用

本发明公开了一种磷酸铁锂材料、及其制备和应用,所述方法包括以下步骤:将磷酸铁锂前驱体和有机碳源进行湿法研磨,喷雾干燥,低温烧结;将所述低温烧结的产物与锂源和掺杂剂混合,高温烧结,得到磷酸铁锂材料;其中,所述掺杂剂包括钽源。本发明通过改变磷酸铁锂的合成工艺,能够降低材料的空隙率,增强材料导电,从而提高电池的倍率性能。本发明的制备方法工艺简单、合成周期短、易合成。制备得到的磷酸铁锂正极材料具有优异的容量、首效、倍率性能和循环稳定性。

标签:
加工技术
江苏 - 常州 来源:中冶有色网 2023-03-18
原位热聚包覆磷酸锰铁锂正极材料及其制备方法

本发明涉及锂离子正极材料技术领域,尤其是一种原位热聚包覆磷酸锰铁锂正极材料及其制备方法;包括以下步骤:将磷酸锰铁锂LiMnxFe1‑xPO4正极材料用载气悬浮于流化床腔体中;将单体、引发剂、溶剂配成混合溶液A;将混合溶液A泵入流化床,调节流化床腔体温度,在引发剂的作用下,单体在磷酸锰铁锂材料表面原位聚合成为导电聚合物包覆层,同时溶剂被蒸发,得到导电聚合物包覆的磷酸锰铁锂正极材料;本发明提供了一种原位一步制备导电高分子聚合物均匀包覆的磷酸锰铁锂正极材料,适用于现有生产工艺上的流化床设备,得到的复合正极材料具有良好的电子电导性,容量发挥和循环稳定性得到大幅改善,具备良好的应用前景和工业化潜力。

标签:
加工技术
江苏 - 常州 来源:中冶有色网 2023-03-18
纳米碳化硅包覆镍钴锰酸锂正极材料及其制备方法

本发明涉及一种纳米碳化硅包覆镍钴锰酸锂正极材料及其制备方法,纳米碳化硅包覆镍钴锰酸锂正极材料,它通过在镍钴锰酸锂正极材料表面包覆纳米碳化硅制得,所述镍钴锰酸锂正极材料和所述纳米碳化硅的质量比为1:0.002~0.02;所述镍钴锰酸锂正极材料的化学通式为LiaNixCoyMnzO2,式中0.9≤a≤1.2且x+y+z=1;所述纳米碳化硅的粒径为10~500nm。通过在镍钴锰酸锂正极材料表面包覆纳米碳化硅制得,这样增加了正极材料的导电性,有效地降低了材料在充放电过程中表面极化作用,从而提高材料的倍率性能和循环性能。

标签:
加工技术
江苏 - 常州 来源:中冶有色网 2023-03-18
锂金属负极保护层及其制备方法和应用

本发明提供了锂金属负极保护层及其制备方法和应用。该锂金属负极保护层包括金属保护层和聚合物保护层,其中,所述金属保护层形成在锂金属负极片上,且所述金属保护层的至少一部分金属与所述锂金属负极片反应形成合金层;所述聚合物保护层包括聚合物和锂盐,所述聚合物保护层形成在所述金属保护层上。将该锂金属负极保护层用于电池可以防止锂枝晶产生、避免锂金属负极与电解质层直接接触而发生反应,同时减小负极片与电解质层之间的界面阻抗,从而显著改善电池的循环性能、倍率性能、安全性能和使用寿命等。

标签:
加工技术
江苏 - 常州 来源:中冶有色网 2023-03-18
锂离子电池性能检测装置

本实用新型提供了一种锂离子电池性能检测装置,其包括底部支撑、下压装置、厚度测量装置及导电压块,其中,底部支撑用于对锂离子电池厚度方向的底面进行支撑,下压装置设置在底部支撑的竖直上方,以可控的对锂离子电池厚度方向的顶面施加不同的测试压力,厚度测量装置被构造为于下压装置以一定测试压力下压锂离子电池时,检测锂离子电池的厚度值,导电压块设置在至少其一的锂离子电池周向侧面处,且在下压装置施压于锂离子电池时与锂离子电池接触,以与对锂离子电池提供测试电压的供电装置电联接,形成电流检测回路。本实用新型的锂离子电池性能检测装置,不仅能够对锂离子电池进行厚度测量,还能够进行绝缘耐压测试,并有着较好的使用效果。

标签:
加工技术
江苏 - 常州 来源:中冶有色网 2023-03-18
基于halcon的锂电池模组正负极检测方法

本发明公开了一种基于halcon的锂电池模组正负极检测方法,包括如下步骤:1)用相机采集锂电池模组的初始图像;提取图像边缘,标记为Edges;2)分割图像的边缘为直线边缘和圆边缘;3)根据长度值和凸性值对直线边缘和圆边缘进行选择,将一定长度的圆弧进行拟合,生成多个圆型ROI区域;4)提取n个电池的圆心坐标、半径;5)在第i个圆心处生成2/3半径的圆形ROI区域,对ROI区域内图像进行阈值分割;6)获取提取区域的面积,当提取区域的面积大于设定值时为电池的正极,否则为电池的负极;依次类推,直至i=n。本发明采用边缘提取的方法可以对单颗锂电池做到精确定位,继而可以对锂电池正负极进行判断,方法简单、可靠性强。

标签:
加工技术
江苏 - 常州 来源:中冶有色网 2023-03-18
高能量密度锂离子动力电池及其制备方法

本发明公开了一种高能量密度锂离子动力电池及其制备方法,动力电池包括正极极片、负极极片、电解液及隔膜,所述正极极片包括正极集流体和正极电极材料,所述正极电极材料包括如下重量百分比的组分:正极活性物质92?95%、正极粘结剂2?4%和正极导电剂2?4%。正极活性物质为Li(Ni0.5Co0.3Mn0.2)O2。本发明选用三元材料Li(Ni0.5Co0.3Mn0.2)O2作为锂离子电池正极材料,硅碳负极材料作为锂离子电池负极材料。合理控制硅碳负极材料中的硅含量,避免硅脱嵌锂离子时发生形变引起的电池性能衰减。

标签:
加工技术
江苏 - 常州 来源:中冶有色网 2023-03-18
尖晶石锰酸锂的制备方法和应用

本发明属于电极材料领域,具体涉及一种用作锂离子电池正极材料的尖晶石锰酸锂的制备方法。步骤如下:将二氧化锰和锂盐用水溶解,加入适量有机溶剂的水溶液后,置于密封反应釜中,在一定条件下反应一段时间后固液分离得到尖晶石锰酸锂正极材料。本发明具有如下特点:反应条件温和,成本低,流程简单,易于工业化规模生产。

标签:
加工技术
江苏 - 常州 来源:中冶有色网 2023-03-18
均匀改性的硅基锂离子电池负极材料及其制备方法和应用

本发明涉及均匀改性的硅基锂离子电池负极材料及其制备方法和应用。所述硅基锂离子电池负极材料的结构为碳原子以原子尺度均匀弥散分布在氧化亚硅基质中;在硅基锂离子电池负极材料的聚焦离子束‑透射电镜(F I B‑TEM)测试中,颗粒切面的能谱面扫显示颗粒内部碳元素、氧元素、硅元素均匀分布;所述硅基锂离子电池负极材料颗粒的平均粒径D50为1nm‑100μm,比表面积为0.5m2/g‑40m2/g;所述碳原子的质量占氧化亚硅基质质量的0.1%‑40%。本发明在氧化亚硅制备过程中引入了含碳气源,碳原子在氧化亚硅中的分布属于体相分布,使得负极材料具有碳体相掺杂的优势,改善了材料的导电性和锂离子电池的循环稳定性。

标签:
加工技术
江苏 - 常州 来源:中冶有色网 2023-03-18
电子导电材料及其制备和在锂硫电池涂层隔膜中的应用

本发明公开了一种电子导电材料及其制备和在锂硫电池涂层隔膜中的应用,属于储能技术领域。该涂层隔膜是在普通锂硫电池陶瓷隔膜的一侧涂覆电子导电材料涂层,测试结果表明:和普通陶瓷隔膜组装而成的锂硫电池相比,采用本发明涂层隔膜组装而成的锂硫电池改善了电池的整体电化学性能,涂层隔膜的使用有效抑制了锂硫电池的“穿梭效应”,使电池具有更高的实际比容量,提高了电池的库伦效率和循环性能。

标签:
加工技术
江苏 - 常州 来源:中冶有色网 2023-03-18
含氧化锰镍钴锂制备方法

本发明公开了一种含氧化锰镍钴锂制备方法,包括步骤一、将锂盐、镍盐和钴盐混合后;步骤二、将过筛后的混合物置于烧结炉中先低温烧结,再高温烧结后冷却,掺杂元素的化合物混合后加入溶剂进行球磨;步骤三、将过筛后的混合物放入高温烧结炉,并在该温度范围内保温5‑48小时,再以相同速度冷却至室温,制得未经后处理的掺氧化锰镍钴锂材料;步骤四、再放入温度为30‑80℃去离子水溶液中搅拌15分钟‑2小时,其优点是:通过锂源、镍源、锰源、钴源、掺杂元素的化合物用球磨混合成混合物,然后在高温下合成,由于采用掺杂和独特的后处理方式,提高了材料循环稳定性和首次放电容量,为今后锂离子电池发展起到了推动作用。

标签:
加工技术
江苏 - 常州 来源:中冶有色网 2023-03-18
低温电解液及锂离子电池

本发明公开一种低温电解液,包括溶剂、锂盐和添加剂,所述锂盐包括四氟硼酸锂;添加剂为双草酸硼酸锂(LiBOB)和硼酸三甲酯(TB);溶剂包括链状羧酸酯乙酸乙酯(EA)和丁酸乙酯(EB);羧酸酯乙酸乙酯(EA)和丁酸乙酯(EB)的质量相等;溶剂还包括碳酸甲乙酯(EMC),丙烯碳酸脂(PC)和二乙基碳酸脂(DEC);本发明在低温下形成导电网络,提高导电性能;本发明还公开了一种具有该低温电解液的锂离子电池,低温下循环性能显著提升。

标签:
加工技术
江苏 - 常州 来源:中冶有色网 2023-03-18
新型高电压锂离子电池及其制备方法

本发明公开了一种新型高电压锂离子电池及其制备方法,通过在锂离子电芯加工制造的过程中将多个低电压的独立电芯,按照串联的方式放置在一个带有独立栅格的腔体中,将极耳按顺序串联,注液静置24小时,然后抽真空封装成高电压锂离子电池电池。本发明采用多个独立电芯同时在一个作业工序和环境条件下完成高电压锂离子电池封装,保证了电池的一致性,简化的单体电芯封装工艺,大大降低了电池组装成本,便于特定行业锂离子电池的标准化。

标签:
加工技术
江苏 - 常州 来源:中冶有色网 2023-03-18
可降解锂电池隔膜及其制备方法

本发明涉及一种可降解锂电池隔膜及其制备方法,包括如下步骤:(1)将可降解高分子材料粉碎后烘干,按配比称取原材料可降解高分子材料、增强材料、水溶性造孔溶剂,并混合均匀,得到混合物料;(2)将所述混合物料投入挤出机中进行熔融挤出后经口模流延至冷却辊定型,得到流延膜片;(3)将所述流延膜片先经过同步双向拉伸,然后进行交联,去除所述水溶性造孔剂后成孔,再进行热处理后收卷,制得可降解锂电池隔膜。本发明的可降解锂电池隔膜与目前使用的聚烯烃微孔隔膜相比具有可降解型性,能够减缓锂离子电池二次回收带来的环境污染问题。本发明的可降解锂电池隔膜具有三维立体网状结构及较好的机械性能、耐热性能。

标签:
加工技术
江苏 - 常州 来源:中冶有色网 2023-03-18
锂电割草机
锂电割草机 1057     
 0

本发明公开了一种锂电割草机,它包括驱动切割刀片的电机,电机与控制系统相连,控制系统与电源相连;所述的电机为直流电机,所述的电源为锂电池组,直流电机通过控制系统与锂电池组相连。本发明将锂电池和直流电机应用在割草机上,使锂电池能够适应割草机的特殊情况,即间隔性使用的特殊情况,符合当今市场节能环保的要求;本发明采用软启动电路,在电动机刚启动时,使电流由小到大,逐步增大,避免对电机和控制板造成伤害,延长了使用寿命;在负载情况下,电流增大到最大,既满足使用要求,又节能,同时大大降低了噪音;采用电源自锁存电路,在主控制芯片不工作时,切断对控制板供电,使控制板能耗极低,非工作状态的电流只有2uA。

标签:
加工技术
江苏 - 常州 来源:中冶有色网 2023-03-18
锂电池正极材料生产用匣钵自动摇匀装置

本实用新型涉及一种锂电池正极材料生产用匣钵自动摇匀装置,本匣钵自动摇匀装置包括:控制模块、钵顶升组件、钵振动组件;所述控制模块适于控制钵顶升组件将钵体从输送线上顶起后,再控制位于钵体下部的所述钵振动组件起振;本实用新型的锂电池正极材料生产用匣钵自动摇匀装置能够在粉末烧结前对钵体进行振动,以使钵内的粉末均匀分布,便于提高后续烧结质量,本实用新型能广泛用于锂电池正极材烧结生产线中,对锂电池正极材料(粉末)进行摇匀。

标签:
加工技术
江苏 - 常州 来源:中冶有色网 2023-03-18
磷酸铁锂正极材料及其制备方法和用途

本发明提供一种磷酸铁锂正极材料及其制备方法和用途。所述磷酸铁锂正极材料由磷酸铁锂前驱体与第二锂源混合烧结后得到,所述磷酸铁锂前驱体由第一锂源、铁源与碳源喷雾干燥后得到;所述第一锂源和第二锂源中的锂元素的总摩尔量与所述磷酸铁锂前驱体中的铁元素的摩尔量之比I的范围为1<I≤1.005。本发明通过调整磷酸铁锂制备过程中的Li/Fe摩尔比,进而改变磷酸铁锂的晶粒尺寸,以及改变正极材料一次颗粒结构组成,缩短了锂离子的传输路径,减缓了锂离子脱嵌阻力大的情况,进而提高了材料的容量和循环性能。

标签:
加工技术
江苏 - 常州 来源:中冶有色网 2023-03-18
核壳型高镍单晶镍钴锰酸锂正极材料的制备方法

本发明公开了一种核壳型高镍单晶镍钴锰酸锂正极材料的制备方法,包括:1)采用特定的镍钴锰氢氧化物前驱体(NixCoyMn1‑x‑y(OH)2)与锂源混合,在氧气气氛中烧结,造粒,制成颗粒状的高镍单晶镍钴锰酸锂;2)将特定的镍钴锰酸锂(Lib(NirCosMnt)O2)加入水中制成纳米镍钴锰酸锂浆料;3)将高镍单晶镍钴锰酸锂、含金属元素的添加剂加入纳米镍钴锰酸锂浆料中制得混匀料,喷雾干燥得中间产品,在氧气气氛中烧结,制成;金属元素为选自Mg、Al、Zr、Ti和W中的一种或多种;该方法制成的正极材料在具有优异的首次充放电效率、容量保持率高的同时兼具在高温下仍能发挥优越的循环性能和安全性能。

标签:
加工技术
江苏 - 常州 来源:中冶有色网 2023-03-18
具有防水功能的锂电池外壳

本实用新型涉及锂电池技术领域,尤其涉及一种具有防水功能的锂电池外壳,解决现有技术中存在的锂电池外壳不防水缺点,包括锂电池外壳上盖、电量指示屏、电量采集模块PCB、防水薄膜和硅胶防水垫,锂电池外壳上盖的上方与电量指示屏胶合,本实用新型利用锂电池外壳上盖、螺纹钉柱、硅胶防水垫、防水薄膜、锂电池外壳体和固定框的相互配合,通过硅胶防水垫和防水薄膜锂电池外壳上盖与锂电池外壳体形成一个密封的电池外壳空间,确保了内部电池不能与水接触。

标签:
加工技术
江苏 - 常州 来源:中冶有色网 2023-03-18
上一页 107 108 109 110 111 ... 123 下一页
共123页    到第

中冶有色为您提供最新的江苏常州有色金属加工技术理论与应用信息,涵盖发明专利、权利要求、说明书、技术领域、背景技术、实用新型内容及具体实施方式等有色技术内容。打造最具专业性的有色金属技术理论与应用平台!

全国热门有色金属设备推荐
展开更多 +
全国热门有色金属技术推荐
展开更多 +

 

江西省隆恩特环保设备有限公司
宣传

报名参会
更多+

报告下载

有色专家
更多+

中国科学院赣江创新研究院
院长
江西理工大学
副校长
有研科技集团有限公司
中国工程院 院士
广西大学
处长/教授
中国矿业大学(北京)
院长/教授
赤泥综合利用研究报告2025
推广

热门技术
更多+

推荐企业
更多+

福建省金龙稀土股份有限公司
宣传

发布

在线客服

公众号

电话

顶部
咨询电话:
010-88793500-807