青岛垚鑫智能科技有限公司
宣传

位置:中冶有色 >

有色技术频道 >

分类:
全部
矿山技术
冶金技术
材料制备及加工技术
环境保护技术
分析检测技术
 
全部
功能材料技术
复合材料技术
新能源材料技术
合金材料技术
加工技术
地区:
全部
北京
天津
上海
重庆
河北
山西
辽宁
吉林
黑龙江
江苏
浙江
安徽
福建
江西
山东
河南
湖北
湖南
广东
海南
四川
贵州
云南
陕西
甘肃
青海
内蒙
广西
西藏
宁夏
新疆
其他
其他
展开
 
全部
济南
青岛
淄博
枣庄
东营
烟台
潍坊
济宁
泰安
威海
日照
滨州
德州
聊城
临沂
菏泽

山东淄博有色金属材料制备及加工技术理论与应用

免费发布技术信息>>
智能数字笔笔盒
智能数字笔笔盒 1069     
 0

本发明涉及一种智能数字笔笔盒,属于智能文具技术领域。其解决了现有技术存在的数字笔续航差、数据传输和参数修改困难,以及便携性差等问题。本发明包括截面呈矩形的盒体,盒体上表面包括充电槽和触摸显示模块,充电槽侧壁设置有与数字笔匹配的充电触点,触摸显示模块包括显示模块和输入模块;盒体内部包括控制器、锂电池、无线模块和存储模块,显示模块的信息包括数字笔的剩余电量和锂电池的剩余电量,输入模块的参数包括帧率、传输模式和保存模式;盒体外侧设置有电源线,电源线与接口模块相连。本发明无需专门的设备进行设置,给使用带来便捷;具有设置界面,可以灵活对数字笔的数据进行处理。

标签:
加工技术
山东 - 淄博 来源:中冶有色网 2023-03-18
贴花抗菌陶瓷刀具
贴花抗菌陶瓷刀具 844     
 0

一种贴花抗菌陶瓷刀具,属于日用陶瓷技术领域,包括刀坯,其特征是,在刀坯外表面覆盖有一层抗菌自洁陶瓷釉;所述抗菌自洁陶瓷釉由下列重量百分比的原料制成:石英15~30%,长石20~40%,硼砂10~20%,硼酸6~18%,碳酸钡3~7%,碳酸钠2~5%,膨润土4~9%,五氧化二磷0~6%,氧化锌10~20%,氧化钛0~6%,碳酸锶1~5%,碳酸锂0~4%,熟滑石1~4%,氧化铝1~6%,稀土1~4%;所述的稀土为氧化铈、氯化镧铈、硝酸镧中的一种或任意两种混合物。本发明的刀具具有抗菌自洁作用,且整体美观大方,适合于高档应用的场合。

标签:
加工技术
山东 - 淄博 来源:中冶有色网 2023-03-18
10kV开关柜辅助操作机器人

本实用新型公开了一种10kV开关柜辅助操作机器人,属于国家电网安全设施领域,包括箱体,所述箱体内设有可伸缩的机器人、锂电池、连接线、控制器;所述机器人可从箱体中取出伸展,所述机器人包括伸缩腿和驱动机构,所述驱动机构设置在伸缩腿上,驱动机构通过连接线与箱体内锂电池连接,所述驱动机构控制开关柜开关状态,控制器与驱动机构、锂电池连接,所述蜗轮两侧分别设有照明灯和摄像头。本实用新型通过遥控机器人完成无接触操作,避免人员触电伤亡。

标签:
加工技术
山东 - 淄博 来源:中冶有色网 2023-03-18
汽车玻璃冰雪融化器
汽车玻璃冰雪融化器 1140     
 0

本实用新型公开了一种汽车玻璃冰雪融化器,包括融化器本体和与融化器本体相分离的用于驱动融化器本体移动的驱动磁板,融化器本体包括底部开口的壳体和固定在壳体顶部的外把手,壳体内固定有若干个风扇,风扇的下方设有电热丝,电热丝的一侧的壳体内设有锂电池,壳体上固定有一个USB接口,USB接口与锂电池相串联,壳体的外壁上设有一个开关按钮,若干个风扇与电热丝相并联后再与开关按钮和锂电池相串联,壳体底部的开口处固定有一块平板形的被动磁板,被动磁板上均布有若干个出风口,驱动磁板上固定有一个内把手。本实用新型取得的有益效果是:(1)结构简单,体积小,易于携带和使用;(2)工作效率高,消耗能源少。

标签:
加工技术
山东 - 淄博 来源:中冶有色网 2023-03-18
可调节喷洒角度的农药喷洒装置

本实用新型公开了一种可调节喷洒角度的农药喷洒装置,包括箱体、进药管、背带,所述箱体的上面设置有所述进药管,所述箱体的后面设置有所述背带,所述箱体与所述背带通过卡扣连接,所述箱体的一侧设置有锂电池,所述箱体与所述锂电池通过螺钉连接,所述锂电池的一侧设置有充电接头,所述箱体的另一侧设置有开关,所述开关的下面设置有无级调速开关,所述箱体的下面设置有支架,所述支架的内侧设置有第一电机,所述第一电机的后面设置有伺服电缸。有益效果在于:该装置通过伺服电缸控制喷雾器喷洒农药时来回均匀调节喷洒角度,使农药喷洒更均匀;喷雾头向后喷洒农药,不会使喷洒出的农药水雾吸入工作人员体内,有效保护了工作人员的身心健康。

标签:
加工技术
山东 - 淄博 来源:中冶有色网 2023-03-18
基于5G通信网络的图像监拍装置

本实用新型涉及一种基于5G通信网络的图像监拍装置,属于数据通信领域,包括供电装置、输电线路图像监测装置、主控制器及5G通信模组;所述供电装置包括太阳能电池板、锂电池、充电控制芯片;太阳能电池板通过充电控制芯片对锂电池充电,锂电池通过转换芯片给主控制器和其它电路供电;主控制器分别与输电线路图像监测装置和5G通信模组连接。本申请所涉及的图像监拍装置基于5G通信网络,对输电线路进行实时监控,并实时上传超高清视频和原图,更清晰的对输电线路通道、本体实现视频图像采集,及时发现缺陷和隐患,实现了监控的全天性、实时性以及安全性。

标签:
加工技术
山东 - 淄博 来源:中冶有色网 2023-03-18
医疗护理用磁力挂钩
医疗护理用磁力挂钩 962     
 0

本实用新型涉及医疗护理技术领域,具体为一种医疗护理用磁力挂钩,包括外框架,所述外框架的一侧开设有第一卡槽、第二卡槽和第一圆孔,所述第一卡槽的内部活动连接有锂电池和盖板,所述盖板的一侧固定连接有第一卡块,所述第一圆孔的内部卡接有第一轴承,所述外框架的一侧固定连接有开关。本实用新型的优点在于:该一种医疗护理用磁力挂钩通过锂电池、开关和电磁铁的设置,当需要将该一种医疗护理用磁力挂钩安装在病床边和衣柜上的时候,闭合开关,通过锂电池使得电磁铁通电产生磁力,将该一种医疗护理用磁力挂钩直接安装在病床边即可,当需要取下时,按动开关,将电流断开,使电磁铁磁力消失,便可以将该磁力挂钩取下,操作方便快捷。

标签:
加工技术
山东 - 淄博 来源:中冶有色网 2023-03-18
血氧饱和度检测仪
血氧饱和度检测仪 1063     
 0

本实用新型提供一种血氧饱和度检测仪,包括壳体,所述壳体左端面前侧开设方形槽,所述方形槽内安插端盖,所述壳体内部左壁前侧固定塑料网,且塑料网内设置盒体,所述盒体固定在端盖右端面,壳体内部顶端通过螺栓固定主控板,所述主控板下端设置电池板,所述电池板下端面安装锂电池,且锂电池通过发泡棉固定在垫板上端面,所述垫板设置在壳体内部,且垫板上端面前侧固定直流调压板,所述壳体内部左壁下侧固定定位块,所述壳体下端安装下盖,所述下盖通过螺栓与垫板固定连接,且下盖上端面与垫板下端面相贴合,与现有技术相比,本实用新型具有如下的有益效果:达到放置干燥剂的目的,实现锂电池充电。

标签:
加工技术
山东 - 淄博 来源:中冶有色网 2023-03-18
中医护理用药物护理装置

本实用新型公开了一种中医护理用药物护理装置,包括护理装置本体和调温装置,所述调温装置底面设有USB接口,背面设有充电口,在所述调温装置正面安装有具有开关及调节功能的调温旋钮和LED温度显示屏,在所述调温装置内部安装有微型锂电池和控制芯片,控制芯片分别电连接LED温度显示屏和调温旋钮,调温旋钮电连接微型锂电池,微型锂电池电连接充电口,所述控制芯片还电连接USB接口;本实用新型便于拆装和更换前后艾草海盐袋及加热袋,并且加热袋与调温装置连接方便,便于操作,佩戴舒适,提高了护理功能。

标签:
加工技术
山东 - 淄博 来源:中冶有色网 2023-03-18
RFID单点自动注脂器供电装置

本实用新型公开了一种RFID单点自动注脂器供电装置,属于自动化润滑设备技术领域,包括电池盒、安装在电池盒内的18650锂离子电池;自动注脂器供电装置用于自动注脂器,且该自动注脂器包括注脂器筒体、安装在注脂器筒体上的顶盖、设置在注脂器筒体内部的支撑板、固定在支撑板上的电路板和驱动电机、固定在支撑板上的减速传动装置、连接在减速传动装置上的螺杆、设置在螺杆下端的活塞、安装在注脂器筒体下方的储脂器、固定于储脂器的圆周方向上的加脂杯,本申请实施例的供电装置采用的是18650锂离子电池,成本低,节能降耗,有效降低企业运营成本,提高效益,且锂离子电池盒为外置式,更换电池方便,保证设备正常润滑,可靠性提高。

标签:
加工技术
山东 - 淄博 来源:中冶有色网 2023-03-18
妇科检查用照明装置
妇科检查用照明装置 1153     
 0

本实用新型公开了一种妇科检查用照明装置,该装置包括内含锂电池的电池盒和照明灯,所述的电池盒和照明灯之间通过软管机械连接,该软管内包覆有电线,上述的电池盒内的锂电池和照明灯之间通过该电线电连接,软管外有可以控制该电线接通或者断开的开关。本实用新型所公开的妇科检查用照明装置,使用锂电池供电,可以灵活移动,照射区域灵活;使用LED灯,光线充足,方便医生诊断。

标签:
加工技术
山东 - 淄博 来源:中冶有色网 2023-03-18
LiFSI的制备方法
LiFSI的制备方法 1058     
 0

本发明提供了一种双氟磺酰亚胺锂的制备方法,包括如下步骤:(1)带有夹套、温度计、压力表、通气口、泄压口、蒸馏口、冷凝装置、回流管以及碱液吸收装置的316L衬氟反应釜1中加入一定量的氯化亚砜、氨基磺酸、氯磺酸和氟化剂。在一定温度的条件下,反应一段时间后,生成双氟磺酰亚胺。(2)通过蒸馏方式将双氟磺酰亚胺缓慢蒸出至加有极性溶剂、碳酸锂和二氯亚砜的悬浊液中的反应釜2中进行反应,生成双氟磺酰亚胺锂的悬浊液,过滤得到LiFSI,干燥后即得到成品。

标签:
加工技术
山东 - 淄博 来源:中冶有色网 2023-03-18
PVC手套生产余热利用系统

本实用新型涉及一种余热利用装置,尤其涉及一种PVC手套生产余热利用系统。本实用新型将PVC手套生产过程中设备产出余热用于办公区域供暖和降温,以满足夏冬两季对冷热的温度需求。本实用新型包括烟气换热器、燃气余热锅炉、溴化锂制冷机,热水分水器、热水集水器和水暖空调,所述烟气换热器换热出口管和燃气余热锅炉换热出口管汇合一处,通过第一支管与溴化锂制冷机热源进管连接,通过第二支管与热水分水器进水管连接,热水分水器出水管通过水暖空调换热后进入热水集水器回水管,热水集水器回水管与溴化锂制冷机回水管汇合一处并通过第三支管与燃气余热锅炉换热进水管连接,通过第四支管与烟气换热器换热进口管连接。

标签:
加工技术
山东 - 淄博 来源:中冶有色网 2023-03-18
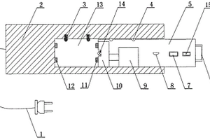
双电流插座
双电流插座 887     
 0

本实用新型公开了一种双电流插座,包括插座本体,插座本体上设有三相插孔和两相插孔,插座本体上连接有电源线,插座本体内设有一个空腔,空腔内插入有一个滑块,空腔内设有定触点,滑块的内端面上设有动触点,静触点与电源线相连,滑块的顶面上设有半球形的弹珠孔,空腔的腔壁上设有弹珠,滑块内设有变压整流模块和锂电池,变压整流模块的输入端与动触点相连,变压整流模块的输出端与锂电池相连,滑块上还设有手机充电接口和USB充电接口,锂电池分别与手机充电接口和USB充电接口相连,滑块的内端面上设有照明灯。本实用新型取得的有益效果是:(1)结构简单;(2)既能提供交流电也能提供直流电;(3)具有照明功能;(4)便于携带。

标签:
加工技术
山东 - 淄博 来源:中冶有色网 2023-03-18
即插式电子驱鸟装置
即插式电子驱鸟装置 1101     
 0

本实用新型公开一种即插式电子驱鸟装置,属于输电线路辅助装置技术领域,包括壳体和底座,壳体是截面为方形的封闭式构件,壳体的外部设有红外探测器和超声波发生器,红外探测器位于壳体的上方,超声波发生器基于壳体对称分布,红外探测器连接超声波发生器,壳体的内部设有锂离子蓄电池,锂离子蓄电池分别连接红外探测器和超声波发生器,底座的下方设有向内凹陷的卡槽,卡槽为十字形,组成卡槽十字形的空隙与角钢的宽度一致,十字槽依据角钢的形状和大小设计,壳体的外部设有太阳能电池板,太阳能电池板连接锂离子蓄电池,利用红外探测技术和超声波主动驱鸟,驱鸟效果显著,同时可以实现即插即用,安装方便。

标签:
加工技术
山东 - 淄博 来源:中冶有色网 2023-03-18
变电站智能巡检机器人无线充电装置及方法

本发明公开了一种变电站智能巡检机器人无线充电装置及方法,属于国家电网安全设施领域。包括机器人本体和设置在机器人本体内的减速电机、电池舱及控制机器人运行的控制系统;电池舱内设置有用于给机器人各部件供电的锂电池,减速电机和锂电池均与控制系统相连;机器人本体底盘上还设置有充电舱,充电舱内设置有无线充电接收装置,并且无线充电接收装置分别与锂电池和控制系统相连;所述无线充电接收装置与变电站内无线充电点上的无线充电发射装置对应充电。本发明充分利用巡检机器人巡视路线固定和巡视时需要静止这两个特点,使变电站智能机器人在巡视过程中静止时达到“边走边充”等效果,真正实现巡检机器人智能化、无人化、节能化。

标签:
加工技术
山东 - 淄博 来源:中冶有色网 2023-03-18
10kV开关柜辅助操作机器人及其操作方法

本发明公开了一种10kV开关柜辅助操作机器人及其操作方法,属于国家电网安全设施领域,包括箱体,所述箱体内设有可伸缩的机器人、锂电池、连接线、控制器;所述机器人可从箱体中取出伸展,所述机器人包括伸缩腿和驱动机构,所述驱动机构设置在伸缩腿上,驱动机构通过连接线与箱体内锂电池连接,所述驱动机构控制开关柜开关状态,控制器与驱动机构、锂电池连接,所述蜗轮两侧分别设有照明灯和摄像头。本发明通过遥控机器人完成无接触操作,避免人员触电伤亡。

标签:
加工技术
山东 - 淄博 来源:中冶有色网 2023-03-18
泄漏监测装置、系统及方法

本发明涉及室外环境气体泄漏检测领域,具体涉及一种泄漏监测装置、系统及方法,包括壳体、所述壳体内设有控制单元密封区,控制单元密封区内设有低功耗MCU,无线通信模块,锂亚电池,气体传感器;气体传感器与低功耗MCU连接,所述锂亚电池分别给低功耗MCU、无线通信模块和气体传感器供电;所述低功耗MCU与用于处理数据;所述无线通信模块用于传输低功耗MCU处理的数据;所述锂亚电池用于给泄漏监测装置供电;所述气体传感器实时监测气体浓度的变化并输出呈线性比例的电流值传递给低功耗MCU。本发明解决现有技术中不能有效的对易泄露点位实时监测有毒有害气体的问题。

标签:
加工技术
山东 - 淄博 来源:中冶有色网 2023-03-18
低温自蔓延法制备纳微级核壳三元正极材料的方法

本发明属于锂离子电池正极材料的制备技术领域,具体提供一种低温自蔓延法制备核壳三元正极材料mLi[NibCocMnd]O2·nLi1+e[NifCogMnh]1‑eO2(m+n=1,ne=a,mb+n(1‑e)f=x(1‑a),mc+n(1‑e)g=y(1‑a),md+n(1‑e)h=z(1‑a),0.1≤b≤0.5,0.6≤f≤0.9,0≤e≤0.4)的方法。该方法按以下步骤进行:首先制备高镍或富锂核心,然后以此为核心制备核壳结构三元正极材料,最后高温煅烧得到最终的纳微级核壳三元正极材料。若制备多层核壳结构材料则按照实际设计比例,重复制备外壳。以稳定性高的低镍系三元正极材料为外壳,包覆缺点较多但是容量较高的高镍系或富锂系的核心,通过对结构的设计和分批制备,获得的材料将能更好的发挥核心的高容量和外壳的稳定性特点。该制备方法简单快速,能耗低,不需要额外掺杂包覆带来成本提高容量损失等问题,是一种实用且可工业化应用的方法。

标签:
加工技术
山东 - 淄博 来源:中冶有色网 2023-03-18
高温宽频透波复合材料及其制备方法

本发明涉及一种高温宽频透波复合材料,其特征在于由多孔氮化硅基体和锂铝硅复合陶瓷涂层两部分组成,锂铝硅复合陶瓷涂层包覆在多孔氮化硅基体表面。本发明中氮化硅基体表面涂层致密光滑光亮,没有裂纹;氮化硅基体和锂铝硅复合陶瓷涂层结合强度好;制备的材料介电性能好,抗烧蚀性能好,烧蚀后在2.3G和35G的插入损耗分别增加0.08dB、0.02dB;该材料具有良好的抗冲击、抗氧化性能和高强度、硬度高、化学惰性好。

标签:
加工技术
山东 - 淄博 来源:中冶有色网 2023-03-18
震动瑜伽柱
震动瑜伽柱 757     
 0

本发明公开了一种震动瑜伽柱,其包括内部中空呈圆柱状的瑜伽柱本体、控制器、震动装置、锂电池、排风扇、温控器、LED灯和电源开关,所述瑜伽柱本体包括上表面、下表面和侧表面,在所述瑜伽柱本体的上表面设置所述LED灯和所述电源开关,在所述瑜伽柱本体的下表面设置排风孔;所述震动装置、所述锂电池、所述温控器均设置于所述瑜伽柱本体内,且所述震动装置、所述锂电池、所述排风扇、所述温控器和所述LED灯均与所述控制器电连接。本发明提供的震动瑜伽柱,不仅结构简单,使用方便,功能较多,也给予练习者极佳的健身体验,显著提高了练习者的练习效果。

标签:
加工技术
山东 - 淄博 来源:中冶有色网 2023-03-18
复合固态电解质及其制备方法

本发明公开了一种复合固态电解质的制备方法,包括如下步骤:将无机电解质和辅助填料除杂、清洗后分散于水中进行冷冻、冷冻干燥得到无机气凝胶,将无机气凝胶压制成片状膜;将聚合物电解质配成溶液,加入锂盐,混匀得到聚合物电解质溶液;将片状膜浸渍于聚合物电解质溶液中充分吸附,取出干燥,得到复合固态电解质;其中,辅助填料为一维形貌化合物和/或二维形貌化合物,本发明还公开了一种复合固态电解质,本发明的复合电解质中通过加入辅助填料,改善了复合固态电解质的机械性能,提高其循环稳定性,还可以引导锂的良好沉积而降低锂枝晶的纵向生长概率,有效的降低了复合固态电解质电池失效的风险。

标签:
加工技术
山东 - 淄博 来源:中冶有色网 2023-03-18
利用盐酸多巴胺制备新型硅碳负极材料的方法

本发明属于锂离子电池负极材料的制备技术领域,具体提供一种利用盐酸多巴胺制备新型硅碳负极材料的方法。目前的商用石墨锂电池的理论容量仅仅为372mAh/g,越来越不能满足现代电子产品所需的能量密度和容量,所以急需一种高的功率密度、大的能量密度、优秀的循环寿命的新型负极材料来替代石墨负极。硅材料理论上具有高达4200mAh/g的比容量,是目前公认的最理想的锂电池负极材料。同时,复杂的制备成本也成为了阻碍硅基负极商业化的一个原因,因此寻找廉价的原料和简单的工艺对于硅基负极的发展具有重要意义。本发明中的制备方法简单快速,能将Si材料均匀的被盐酸多巴胺包覆,大大降低了硅碳负极材料的合成成本,其倍率性能和循环性能也得到明显提高。

标签:
加工技术
山东 - 淄博 来源:中冶有色网 2023-03-18
新生儿科医生检查辅助器械

新生儿科医生检查辅助器械,属于医疗用具技术领域。本发明的技术方案是:包括组合手柄和灯光调节器,其特征是在组合手柄后侧设有按压式电源盒,按压式电源盒里侧设有锂电池固定夹,锂电池固定夹里侧设有专用锂电池,按压式电源盒一侧设有卷尺盒,卷尺盒里侧设有卷尺回缩转轴,卷尺回缩转轴外侧设有抽出式软卷尺。本发明结构简单,使用方便,在给新生儿进行检查时操作简便、省时省力,减轻了医务人员的工作难度。

标签:
加工技术
山东 - 淄博 来源:中冶有色网 2023-03-18
改性氟化碳及其制备方法和应用

本发明涉及锂电池技术领域,具体涉及一种改性氟化碳及其制备方法和应用。制备方法包括:1)将氟化碳、氨水和乙醇混合,搅拌形成悬浊液,使氟化碳分散均匀;2)步骤1)所得悬浊液反应后洗涤过滤,得到氟化碳滤渣;3)将步骤2)所得氟化碳滤渣干燥,得到目标产物改性氟化碳;该改性氟化碳可用作电极材料;锂电池为以该改性氟化碳作为正极材料的锂电池。本发明成功使用氨水改性了氟化碳,降低了氟化碳中游离氟的含量,得到了具有低温和大倍率环境下优良放电性能的氟化碳材料。

标签:
加工技术
山东 - 淄博 来源:中冶有色网 2023-03-18
便携式新型射钉枪
便携式新型射钉枪 1198     
 0

本实用新型公开了一种电动工具,具体是一种便携式新型射钉枪。包括枪管部分、枪把部分和底座部分,枪管部分包括射钉发射管,射钉发射管上部设置射钉放置口,射钉发射管末端设置射钉固定端,射钉发射管缠绕线圈;枪把部分设置发射开关、电容充电开关和电压表,枪把部分内部设置电容;底座部分设置锂电池组、ZVS、变压器和整流桥,底座部分的外壳设置锂电池充电口;发射开关、电容充电开关、电压表、锂电池组、ZVS、电容、线圈、变压器和整流桥通过控制电路连接。通过设置锂电池提供电源,方便携带和移动。射钉直接通过线圈磁力射出,结构简单。

标签:
加工技术
山东 - 淄博 来源:中冶有色网 2023-03-18
神经外科手术刀
神经外科手术刀 1165     
 0

本实用新型公开了一种神经外科手术刀,包括刀柄、刀片、LED灯、指套、滑槽、锂电池、充电连接装置和开关,所述刀柄的左端设有刀片,刀柄与刀片的连接处设有LED灯,LED灯固定在刀柄的左端,刀柄的右部设有设备腔,设备腔内设有锂电池,刀柄右端设有与锂电池相对应的充电插口,开关设置在刀柄的右侧,开关与LED灯、锂电池电连接;所述刀柄的上下两侧均设有一个滑槽,滑槽内滑动设有滑块,滑块的上端设有指套。本实用新型的结构简单、使用方便,使用过程中,当需要进行照明时,打开开关即可让LED灯工作;此外,使用手术刀前,先调节指套的位置,将手指穿入到指套内,然后握住刀柄即可,指套能够极大的降低手术刀从医生手中脱落的风险。

标签:
加工技术
山东 - 淄博 来源:中冶有色网 2023-03-18
增程式混合动力装载机

本实用新型涉及一种增程式混合动力装载机,属于工程机械技术领域;包括车架、驾驶室、铲掘和装卸物料作业的工作装置、用以气刹制动的气泵、与气泵相通的储气罐、转向系统、车轮,工作装置铰接在车架前部,还包括动力装置、驱动装置、控制系统,动力装置包括燃油箱、增程器、锂电池箱,驱动装置包括驱动电机、分动器、辅助电机、三联泵、液压油箱,控制系统包括供电系统、充电控制器、驱动电机控制器、辅助电机控制器、气泵电机控制器;增程器作为发电机给锂电池箱充电,燃油箱内的燃油经增程器转化为电能后充电给锂电池箱,燃油利用率高,提高燃油使用率;同时增程器给锂电池箱自动充电,提高装载机的续航里程。

标签:
加工技术
山东 - 淄博 来源:中冶有色网 2023-03-18
电池式电动球阀
电池式电动球阀 864     
 0

一种矿用电池式电动球阀,属于电动球阀领域。包括球阀(1)、壳体(9)和端盖(2),其特征在于:壳体(9)与端盖(2)内部设置锂电池(5),锂电池(5)的输出端连接控制电路,控制电路的输出端连接直流电机,直流电机的输出端依次通过减速机(4)和联轴器(3)连接球阀(1)。在电动球阀中增加了锂离子电池,能在突然停电时保证电动球阀能够正常工作。当突然停电时,还没关闭的电动球阀,由于锂电池的存在,延时过后,仍可关闭电动球阀。防止突然停电电动球阀没有关闭而浪费水资源和其他不良影响。从而达到了停电时电池式电动球阀仍能正常工作的目的。

标签:
加工技术
山东 - 淄博 来源:中冶有色网 2023-03-18
夜间可自身发光书
夜间可自身发光书 748     
 0

本实用新型公开了一种夜间可自身发光书,包括电源架,所述电源架上设置有电池盖,所述电池盖下方设置有锂电池,所述锂电池与设置在所述电源架上的开关键以及USB充电口分别电连接,所述锂电池与和所述电源架连接的电路架电连接,所述电路架与上封皮以及下封皮连接,所述上封皮上通过胶绳与书签连接,所述上封皮端部设置有锁扣,所述上封皮和所述下封皮之间设置有发光书页,所述电源架上设置有轴销,所述轴销与所述电池盖配合,所述电池盖能够绕所述轴销转动。该夜间可自身发光书创新的在发光书页内设置有高效柔性二极管,通过锂电池供电,使得书页本身发光,避免了使用平板读书灯时需要不断随着翻页调动读书灯位置的烦恼,也让书更加美观精致。

标签:
加工技术
山东 - 淄博 来源:中冶有色网 2023-03-18
上一页 7 8 9 10 11 ... 44 下一页
共44页    到第

中冶有色为您提供最新的山东淄博有色金属材料制备及加工技术理论与应用信息,涵盖发明专利、权利要求、说明书、技术领域、背景技术、实用新型内容及具体实施方式等有色技术内容。打造最具专业性的有色金属技术理论与应用平台!

全国热门有色金属设备推荐
展开更多 +
全国热门有色金属技术推荐
展开更多 +

 

江西省隆恩特环保设备有限公司
宣传

报名参会
更多+

报告下载

有色专家
更多+

北京科技大学
教授
昆明理工大学
校长
中铝检测科技(郑州)有限公司/国家轻金属质量检验检测中心
正高级工程师
中国铝业集团有限公司
中国铝业股份有限公司党委书记
中铝科学技术研究院有限公司
董事长
赤泥综合利用研究报告2025
推广

热门技术
更多+

推荐企业
更多+

福建省金龙稀土股份有限公司
宣传

发布

在线客服

公众号

电话

顶部
咨询电话:
010-88793500-807