青岛垚鑫智能科技有限公司
宣传

位置:北方有色 >

有色技术频道 >

分类:
全部
矿山技术
冶金技术
材料制备及加工技术
环境保护技术
分析检测技术
 
全部
功能材料技术
复合材料技术
新能源材料技术
合金材料技术
加工技术
地区:
全部
北京
天津
上海
重庆
河北
山西
辽宁
吉林
黑龙江
江苏
浙江
安徽
福建
江西
山东
河南
湖北
湖南
广东
海南
四川
贵州
云南
陕西
甘肃
青海
内蒙
广西
西藏
宁夏
新疆
其他
其他
展开
 
全部
杭州
宁波
温州
绍兴
湖州
嘉兴
金华
衢州
台州
丽水
舟山

浙江湖州有色金属材料制备及加工技术理论与应用

免费发布技术信息>>
氮化硼纳米片改性碳纤维/环氧树脂复合材料及其制备方法

本发明公开了一种氮化硼纳米片改性碳纤维/环氧树脂复合材料,以重量份计,包括以下组分:环氧树脂50?100份,碳纤维5?10份,聚四氟乙烯树脂20?50份,氮化硼纳米片3?7份,椰油酰二乙醇胺10?30份,康戊胶5?8份,N,N?间苯撑双马来酰亚胺20?60份,海泡石粉2?5份,固化剂1?3份。本发明还公开了该氮化硼纳米片改性碳纤维/环氧树脂复合材料的制备方法。该复合材料韧性大,抗冲击性能优异,耐热性好,耐磨、耐化学腐蚀,低温性能好,且其制备方法简单,成本低。

标签:
复合材料
浙江 - 湖州 来源:北方有色网 2023-03-18
高耐热玻纤增强PA6复合材料用加捻装置

一种高耐热玻纤增强PA6复合材料用加捻装置,包括底座、设在所述底座上方的顶部支板、连接所述底座和所述顶部支板的连杆、设在所述底座内的安装槽、对称开设在所述安装槽内壁的滑槽、通过滑块和所述滑槽滑动配合的横移块、设在所述横移块底部的吸附口、用于推动所述横移块移动的第一驱动机构、通过加固杆和所述横移块连接的摩擦块、分设在所述摩擦块两侧的升降块、用于驱动所述升降块升降的第二驱动机构、设在所述升降块上的夹持固定机构、用于驱动所述夹持固定机构旋转的旋转电机。本实用新型通过夹持固定机构对高耐热玻纤增强PA6复合材料进行全方位固定,避免在对高耐热玻纤增强PA6复合材料加捻过程中变的松散。

标签:
复合材料
浙江 - 湖州 来源:北方有色网 2023-03-18
基于Mn<Sub>3</Sub>O<Sub>4</Sub>/石墨烯复合材料的超级电容器及其制备方法

本发明提供了一种基于Mn3O4/石墨烯复合材料的超级电容器及其制备方法,属于电池和电容器技术领域。它解决了现有超级电容器成本高、循环寿命不好等问题,一种基于Mn3O4/石墨烯复合材料的超级电容器,由正极片、负极片、介于正极片和负极片之间的隔膜和具有离子导电性的水系电解液组成,其特征在于,正极片包括正极片集流体和沉积在正极片集流体表面的正极混合材料,负极片包括负极片集流体和沉积在负极片集流体表面的负极混合材料;正极混合材料包括Mn3O4/石墨烯复合材料,负极混合材料包括负极活性材料。本发明具有成本低、循环寿命好等优点。

标签:
复合材料
浙江 - 湖州 来源:北方有色网 2023-03-18
抗老化碳纤维改性环氧树脂复合材料及其制备方法

本发明的目的是提供一种抗老化碳纤维改性环氧树脂复合材料,以重量份计,包括以下组分:碳纤维2?5份,环氧树脂30?50份,浮石粉1?3份,交联剂0.8?1.5份,固化剂1?2份,促进剂0.5?2份。本发明还公开了该复合材料的制备方法。本发明提供的复合材料力学性能优异,耐磨,耐高温性能好,抗冲击能力强,具有一定的抗老化性能,且制备方法简单,工艺条件温和。

标签:
复合材料
浙江 - 湖州 来源:北方有色网 2023-03-18
交替多层石墨烯‑棒状氧化铁复合材料及其水热合成方法

本发明涉及一种交替多层石墨烯‑棒状氧化铁复合材料及其水热合成方法。制备方法是通过以乙酸钠小分子为结构导向剂,控制氧化铁在石墨烯表面生长成纳米棒结构,并在水热条件下自堆叠形成交替多层石墨烯‑棒状氧化铁复合材料。本发明制备材料的结构特征在于棒状氧化铁与石墨烯呈交替多层状态,同时棒状氧化铁均匀的负载在石墨烯片层两个面上。石墨烯纳米片的限制作用和导电性能够大大改善材料的充放电过程中结构粉化问题,展现出良好的电化学性能。该交替多层石墨烯‑棒状氧化铁复合材料具有制备工艺简单,结构设计独特,比容量高和循环性能好等优点。

标签:
复合材料
浙江 - 湖州 来源:北方有色网 2023-03-18
线性低密度聚乙烯基抗冲击复合材料及其制备方法

本发明公开了一种线性低密度聚乙烯基抗冲击复合材料及其制备方法,该复合材料按重量百分比计由以下组分经过高分子共混设备中熔融共混后制得:线性低密度聚乙烯60~95%,改性硅剪切增稠凝胶5-40%。所述的改性硅剪切增稠凝胶按重量百分比计由以下组分经过高分子共混设备中共混后制得:硅剪切增稠凝胶70~95%,二氧化硅颗粒5~30%;其中二氧化硅颗粒的粒径为50~200纳米。本发明得到的线性低密度聚乙烯基抗冲击复合材料与其他的线性低密度聚乙烯材料相比,具有更优良的抗冲击性能与加工性能。

标签:
复合材料
浙江 - 湖州 来源:北方有色网 2023-03-18
结构发泡木塑复合材料基浸渍纸层压木质地板

本发明公开了一种结构发泡木塑复合材料基浸渍纸层压木质地板,其特征在于:由通过粘合剂粘合的贴面层、结构发泡木塑复合材料基材层以及平衡层构成,所述贴面层由30-70g/m2的耐磨纸和70-90g/m2的装饰纸粘合而成;结构发泡木塑复合材料基材层由发泡层以及位于发泡层上、下表面的致密层构成,发泡层与致密层为一体发泡成型,所述发泡层厚度为4-8mm、平均密度为0.85-0.95g/cm3,致密层的厚度为0.5-1mm,密度大于1.4g/cm3;所述平衡层为100-160g/m2的平衡纸。本发明不仅具有传统浸渍纸层压木质地板的特点,同时具有无甲醛释放、耐用性好、吸水变形小、充分利用废旧资源等绿色、环保和符合生态要求等优点。

标签:
复合材料
浙江 - 湖州 来源:北方有色网 2023-03-18
自行车用碳纤维/环氧树脂复合材料及其制备方法

本发明公开了一种自行车用碳纤维/环氧树脂复合材料,以重量份计,包括以下组分:碳纤维1‑3份,环氧树脂30‑50份,漂珠2‑5份,明胶3‑8份,麦饭石粉2‑3份,偶联剂1.5‑3份,固化剂2‑5份,促进剂1‑2份。本发明还公开了该复合材料的制备方法,该复合材料耐热、耐磨性好,具有一定的耐腐蚀性能,比强度大,抗冲击性能优异。

标签:
复合材料
浙江 - 湖州 来源:北方有色网 2023-03-18
具有金属质感的聚苯硫醚复合材料

本发明公开了一种具有金属质感的聚苯硫醚复合材料,属于高分子材料技术领域。一种具有金属质感的聚苯硫醚复合材料,包括以下重量份的原料:聚苯硫醚25~70份,铁粉30~80份,相容剂3~5份,KH560偶联剂0.2~0.6份,增韧剂4~12份。通过将配方量的原料混合、熔融挤出、造粒得到具有金属质感的聚苯硫醚复合材料,这种材料具有强度高、韧性好、金属质感、可以代替传统纯金属制品的特点,克服了传统金属应用加工困难,性能单一的特点,应用领域广。

标签:
复合材料
浙江 - 湖州 来源:北方有色网 2023-03-18
锂离子电池用镍钴锰酸锂正极复合材料的制备方法

本发明公开了一种锂离子电池用镍钴锰酸锂正极复合材料的制备方法,包括:将单壁碳纳米管、表面活性剂和LiNi0.8Co0.1Mn0.1O2正极材料在分散介质中球磨混合后,烘干,得到前驱体;将所述前驱体置于惰性气体气氛中焙烧,得到单壁碳纳米管复合的LiNi0.8Co0.1Mn0.1O2正极复合材料。本发明方法采用单壁碳纳米管与LiNi0.8Co0.1Mn0.1O2正极材料进行复合,得到的LiNi0.8Co0.1Mn0.1O2正极复合材料的电化学性能优异,具有较高的容量保持率和较好的循环稳定性。

标签:
复合材料
浙江 - 湖州 来源:北方有色网 2023-03-18
包装瓶用聚乙烯复合材料的制造方法

本发明提供一种包装瓶用聚乙烯复合材料的制造方法,其大体步骤包括:(1)将天然绿锥石经过粉碎、研磨、球磨后得到绿锥石粉体;(2)将绿锥石粉体通过聚丙烯酸钠、六偏磷酸钠超声振荡,得到绿锥石超细粉体;(3)将六水合硝酸镁与绿锥石超细粉体进行复合,得到复合粉体;(3)将复合粉体通过钛酸酯偶联剂改性处理得到改性粉体,(4)按重量份数称取聚乙烯树脂等原料;(5)将原料烘干后搅拌,依次经过3次模压后得到包装瓶用聚乙烯复合材料。本发明制造出的PET复合材料具有较好的耐光老化性和阻燃性。

标签:
复合材料
浙江 - 湖州 来源:北方有色网 2023-03-18
耐高温ABS复合材料及其制备方法

本发明提供了一种耐高温ABS复合材料,包括以下原料:改性ABS、导热材料、抗氧化剂、润滑剂,所述改性ABS由聚丁二烯胶乳和接枝单体接枝聚合而成,所述接枝单体为苯乙烯、丙烯腈、不饱和三苯基化合物三者的组合。本发明向ABS中引入了接枝单体不饱和三苯基化合物,聚合过程中受位阻效应影响不饱和三苯基化合物接到了聚丁二烯部分的双键处,不仅能提高主链的刚性,还引入了苯环,均有利于提高以这种改性ABS为主的复合材料耐高温性能。本发明预想不到的发现不饱和三苯基化合物有协同氮化硅提高ABS复合材料导热性能和冲击强度的作用。本发明制备方法简单,绿色环保,适合工业化放大生产。

标签:
复合材料
浙江 - 湖州 来源:北方有色网 2023-03-18
水气联合超细软磁复合材料制造设备

本申请涉及超细软磁复合材料制造技术领域,且公开了一种水气联合超细软磁复合材料制造设备,包括支撑架,所述支撑架的内侧具有机体,所述机体固定于所述支撑架内部,其特征在于,所述支撑架的内部具有过滤部,所述过滤部的外侧设置辅助部,所述过滤部包括:放置盘,固定于所述机体内部,且所述放置盘的外侧具有出料槽,所述出料槽开设于所述放置盘外表面;破碎盘,活动地插接于所述机体内部。通过本申请所提供的一种水气联合超细软磁复合材料制造设备,能够用于对软磁复合材料的原材料进行破碎,且相对于普通的破碎装置,本申请所提供的制造设备具备能够在对材料进行粉碎之后能够进行稳定筛选,避免了后期筛选的麻烦等优点。

标签:
复合材料
浙江 - 湖州 来源:北方有色网 2023-03-18
改进的聚全氟乙丙烯的复合材料及其制备方法

本发明公开了一种改进的聚全氟乙丙烯的复合材料及其制备方法,该复合材料按重量百分比计由以下组分经过混合机中混后制得:聚全氟乙丙烯:90%~99%,聚邻苯二甲酰胺:0.5%~9%,颜料:0.5%~1%。所述复合材料的制备方法,步骤包括:①将14%~25%的六氟丙烯与75%~86%四氟乙烯用共混设备进行混合,制得聚全氟乙丙烯;②将90%~99%聚全氟乙丙烯与0.5%~9%聚邻苯二甲酰胺与颜料0.5%~1%在共混机中共混。提高材料的拉伸强度和断裂伸长率。

标签:
复合材料
浙江 - 湖州 来源:北方有色网 2023-03-18
高性能多孔氧化锌-聚偏氟乙烯复合材料的制备方法

本发明公开了一下高性能多孔氧化锌‑聚偏氟乙烯复合材料的制备方法,包括以下步骤:首先在锌片基底上生长氧化锌种子层,然后配制锌离子反应溶液于一不锈钢高压反应釜中,然后将长有氧化锌种子层的锌片基底浸入到锌离子反应溶液中密封,并置于反应炉中,在一定条件下反应,得到多孔氧化锌纳米阵列;配制聚偏氟乙烯的DMF溶液,并采用旋转涂膜的方法在多孔氧化锌纳米阵列表面制备聚偏氟乙烯涂膜,干燥,制得多孔氧化锌‑聚偏氟乙烯复合涂膜,然后将退火处理,得到高性能多孔氧化锌‑聚偏氟乙烯复合材料。本发明制得的多孔氧化锌‑聚偏氟乙烯复合材料电学性能好,易于回收,成本低廉。

标签:
复合材料
浙江 - 湖州 来源:北方有色网 2023-03-18
二氧化钛纳米管-石墨烯-硫复合材料及其制备方法和应用

本发明公开了一种二氧化钛纳米管‑石墨烯‑硫复合材料及其制备方法和应用,属于锂硫电池材料领域。所述制备方法包括:(1)制备氧化石墨烯;(2)将氧化石墨烯、硫酸氧钛溶于水中,水热反应,得到粗产物;(3)粗产物在保护性气体气氛下于进行碳化,得到二氧化钛纳米管‑石墨烯复合材料;(4)将二氧化钛纳米管‑石墨烯复合材料与单质硫分散于溶剂中并压制成圆饼,密封,保温,即得所述二氧化钛纳米管‑石墨烯‑硫复合材料。本发明制备方法简单,易于控制,利于实现工业化。由于制备的二氧化钛具有独特的中空纳米管状结构,可以容纳大量的硫,使得复合材料具备良好的循环稳定性和倍率性能,可作为锂硫电池正极材料应用。

标签:
复合材料
浙江 - 湖州 来源:北方有色网 2023-03-18
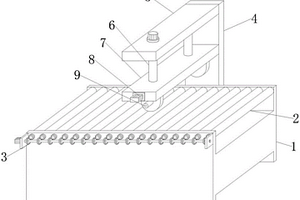
复合材料压力罐的耐压检测装置

本实用新型公开了一种复合材料压力罐的耐压检测装置,该复合材料压力罐的耐压检测装置旨在解决现有技术下不能快速对压力罐进行自动检测处理,检测效率较低,使用起来较为不方便的技术问题。该复合材料压力罐的耐压检测装置包括工作台;所述工作台的上端设置有送料辊,所述送料辊设置有多组,所述送料辊与所述工作台转动连接,所述工作台的外侧设置有驱动组件,所述工作台的外侧固定安装有侧板。该复合材料压力罐的耐压检测装置只需通过升降组件带动底板向下移动,通过底板带动耐压检测器移动至压力罐处理,通过调节组件带动耐压检测器移动,通过耐压检测器对压力罐进行耐压检测,从而实现了对压力罐的自动快速耐压检测处理。

标签:
复合材料
浙江 - 湖州 来源:北方有色网 2023-03-18
微纳结构高电压镍锰酸锂/石墨烯复合材料及应用

本发明公开了一种微纳结构高电压镍锰酸锂/石墨烯复合材料及应用,将MnO2、NiO和Li2CO3通过干法球磨,再在高温空气氛下反应得到钠米尺寸的LiNi0.5Mn1.5O4。然后通过表面石墨烯包覆、组装得到微纳结构的LiNi0.5Mn1.5O4/G复合材料。本发明的制备方法工艺简单可控,能耗低、成本低,适合于大规模工业化生产;本发明制备得到的微纳结构的LiNi0.5Mn1.5O4/G复合材料材料具有优异的大电流循环稳定性,可以应用于锂离子电池领域。

标签:
复合材料
浙江 - 湖州 来源:北方有色网 2023-03-18
改进的钙钛矿纳米晶异质结复合材料光催化剂及制备方法

本发明属于多相催化剂材料制备技术领域,公开了一种改进的钙钛矿纳米晶异质结复合材料光催化剂及制备方法,改进的钙钛矿纳米晶异质结复合材料光催化剂由Cs3Bi2Br9和P25两相构成异质结形式存在;改进的钙钛矿纳米晶异质结复合材料光催化剂中的Cs3Bi2Br9经过酸刻蚀前处理并以量子点形态存在,具有Cs3Bi2Br9钙钛矿量子点的基本特性。本发明引入钙钛矿酸刻蚀前处理工艺,经过酸刻蚀前处理工艺获得的P25/Cs3Bi2Br9异质结光催化剂,相比于没有前处理获得的异质结催化剂,其NOx下氧化降解活性提高了约2倍,为钙钛矿纳米晶体复合材料的合成及其在光催化的应用中提供了新的研究视角。

标签:
复合材料
浙江 - 湖州 来源:北方有色网 2023-03-18
铅碳复合材料及其制备方法和应用

本发明公开了一种铅碳复合材料及其制备方法和应用,所述制备方法,包括:将有机碳源制成溶液,然后加入铅粉,研磨混匀后干燥,得混合粉料;搅拌状态下,向所述的混合粉料中加入浓硫酸,静置碳化一段时间后洗涤、干燥制得所述的碳铅复合材料;所述的碳铅复合材料中,碳的质量分数为0.1~25%,铅的质量分数为75~99.9%。本发明还公开了所述制备方法制得的铅碳复合材料及其应用。本发明方法简单,低成本,低能耗,使用该材料制作的铅碳电池,大电流充放电循环寿命和质量比功率比现有铅酸蓄电池均有显著提高。

标签:
复合材料
浙江 - 湖州 来源:北方有色网 2023-03-18
轻质阻燃塑木复合材料板材及其生产方法

本发明涉及一种塑木复合材料板材及其生产方法,特别是涉及一种轻质阻燃塑木复合材料板材及其生产方法,属于新材料技术领域。一种轻质阻燃塑木复合材料板材由100质量份数聚乙烯、20‑30质量份数马来酸酐接枝聚乙烯、15‑25质量份数轻质阻燃粒子、10‑20质量份数改性膨胀珍珠岩颗粒、160‑200质量份数木粉及1‑3质量份数硬脂酸锌组成。本发明得到的一种轻质阻燃塑木复合材料板材重量轻,阻燃效果好,加工制作、运输、安装均十分方便,防水、防腐、防虫蛀,废弃后可再生,环境友好。

标签:
复合材料
浙江 - 湖州 来源:北方有色网 2023-03-18
复合材料压力容器
复合材料压力容器 1122     
 0

本实用新型提供一种复合材料压力容器,该复合材料压力容器包括罐体,罐体上设置有六个“V”形支脚,其中,第一“V”形支脚、第二“V”形支脚、第三“V”形支脚、第四“V”形支脚尖端用于支撑罐体,第一“V”形支脚、第二“V”形支脚、第五“V”形支脚、第六“V”形支脚一侧面上设置安装件,安装件内设置有轮胎。本实用新型提供的复合材料压力容器的罐体通过第一“V”形支脚、第二“V”形支脚、第三“V”形支脚、第四“V”形支脚实现了横向摆放,同时,在运输时,转动罐体,使得轮胎接触地面,从而方便了运输,提高了复合材料压力容器的运输便捷性。

标签:
复合材料
浙江 - 湖州 来源:北方有色网 2023-03-18
超低功耗真空气雾化软磁复合材料制造设备

本实用新型涉及软磁复合材料制造设备技术领域,且公开了一种超低功耗真空气雾化软磁复合材料制造设备,包括底板、制作装置、缓冲机构,所述制作装置包括有研磨具、研磨槽盘、吸取管、吸风器,通过设置研磨具、研磨槽盘、吸取管、吸风器、软管、收集斗筒、堵块,使用者手握手转把,旋转研磨具,将落在研磨槽盘内的软磁复合材料颗粒进行研磨,其中使用固定把,起到了取拿研磨具的作用,当研磨完毕后,启动吸风器,通过吸取管,将粉末沿着吸取管、软管最终进入至收集斗筒内,其中通过使用堵块,由于其与研磨槽盘的底部卡合,当使用外力将堵块取出的时候,也可以将堵块上的粘连粉末倒入至收集斗筒内,达到了便于使用的效果。

标签:
复合材料
浙江 - 湖州 来源:北方有色网 2023-03-18
石墨烯桥接的硅/碳复合材料及应用

本发明公开了一种石墨烯桥接的硅/碳复合材料及应用,本发明将纳米硅粉和片状石墨按一定重量比配料,经干法球磨混合均匀,得到Si/FG;再将Si/FG和糖类及聚合物混合于去离子水中,经湿法球磨得到混合悬浮液;混合悬浮液经喷雾干燥得到Si/FG‑糖类‑聚合物混合物,再将所述Si/FG‑糖类‑聚合物混合物高温热处理得到Si/C复合材料;在去离子水中用水合肼将氧化石墨还原成石墨烯;最后将石墨烯分散于去离子水中,超声搅拌混合均匀,再加入Si/C复合材料,超声搅拌混合均匀,然后抽滤、烘干得到Si/C‑石墨烯复合材料;本发明具有制备工艺简单、成本低、周期短等特点,适合工业化生产。

标签:
复合材料
浙江 - 湖州 来源:北方有色网 2023-03-18
钛酸锂复合材料及其制作方法及锂离子电池

一种钛酸锂复合材料及其制作方法,是将钡原料、锂原料和钛原料混合制备混合物,将混合物进行干燥以及烧结,从而制得钛酸锂复合材料,钛酸锂复合材料的化学式为BaxLi4Ti5O12+x,其中0.006≤x≤0.12。本发明还涉及一种使用钛酸锂复合材料作为负极材料的锂离子电池,其循环稳定性好、能快速充放电且安全性能高。

标签:
复合材料
浙江 - 湖州 来源:北方有色网 2023-03-18
纤维增强发泡复合材料的发泡装置及连续生产线及生产方法

一种用于生产纤维增强发泡复合材料的发泡装置及连续生产线和方法,包括有分布架、注胶盒、发泡装置、成型模及牵引装置,分布架用于使纤维材料按照设计要求进行空间分布;注胶盒包括有浸润通道、注胶通道以及出料通道,注胶盒上设置多个浸润通道和注胶通道,发泡装置呈隧道式结构设置,一端与注胶盒连通另一端与成型模连通,注胶盒靠近发泡装置一侧设置的送风装置,成型模上设置有加热装置。纤维材料通过浸润通道的同时被经由注胶通道注入浸润通道的液态基体材料浸润后成为复合材料前体,复合材料前体经过出料通道后进入发泡装置内进行预发泡后进入成型模内进行完全发泡和固化或者定形,形成最终的复合材料产品。还可以通过将不同的纤维和/或液态基体材料在不同的浸润通道浸润形成不同的复合材料前体,使得最终成型的复合材料的不同的部分的材料成分不同,功能不同,性能不同。

标签:
复合材料
浙江 - 湖州 来源:北方有色网 2023-03-18
速生树种材制造的高强度高弹性木质复合材料的方法

本发明涉及一种用速生树种木材设计制造高强度高弹性材的结构设计及工艺方法,属于木质复合材料设计及应用领域。它通过杉木压缩增强处理、材料结构设计、复合材料压制等步骤,来设计一种全由速生树种材组成的木质复合材料结构,即将压缩增强的杉木置于板坯的上下表层或者上下表层和次表层,其余中间层为杨木单板的结构。整个材料的强度可以根据不同的材料及产品强度要求来设计制造高强度、高弹性的木质复合材料,提高了速生树种如杨木、杉木产品的附加值。

标签:
复合材料
浙江 - 湖州 来源:北方有色网 2023-03-18
玻纤增强PA6复合材料用短切装置

一种玻纤增强PA6复合材料用短切装置,包括导向座、多个沿所述导向座长度方向开设的导槽、多组相对设在所述导槽内的侧向压辊、和通过联动机构和所述侧向压辊连接的顶部压辊、用于驱动所述顶部压辊旋转的驱动机构、设在所述导向座一侧且和所述导槽连通的箱体、上下分布在所述箱体内的滚刀棍以及受力压辊、设在所述箱体内且位于所述受力压辊下方的接料斗、设在所述受力压辊内的辅助清理机构。本实用新型通过设置辅助清理机构对受力压辊上粘附的短粒玻纤增强PA6复合材料抖落,避免对短粒玻纤增强PA6复合材料的重复短切,提高对玻纤增强PA6复合材料的短切效果。

标签:
复合材料
浙江 - 湖州 来源:北方有色网 2023-03-18
复合材料窗系统及其安装结构

本发明公开一种复合材料窗系统及其安装结构,该复合材料窗系统,包括:窗框本体,在窗框本体上设有至少一个窗框排水腔和至少一个窗框保温腔,窗框排水腔设置于靠近窗框本体室外侧;窗扇本体,在窗扇本体上设有至少一个窗扇排水腔和至少一个窗扇保温腔,窗扇排水腔设置于靠近窗扇本体室外侧;玻璃,设置于窗扇本体用于支撑玻璃的支撑面上。本发明在窗框和窗扇增加独立排水腔,既保证了顺畅排水,又不影响保温性能。进一步,该复合材料窗系统与副框卡接安装,快速准确牢固其密封性能良好。

标签:
复合材料
浙江 - 湖州 来源:北方有色网 2023-03-18
纤维增强钛酸铝复合材料以及制品的制备方法

本发明公开了一种纤维增强钛酸铝复合材料以及制品的制备方法,直接以 α-Al2O3和钛黄粉为原料采用一步法原位合成钛酸铝,并在配合料中加入防止钛 酸铝分解的稳定剂和起增强作用的莫来石纤维,在球磨机中湿法球磨后真空注 浆成型,干燥后烧成制得。原料组分为:α-Al2O349~55%,钛黄粉35~42%,稳定 剂3~6%,莫来石纤维3~6%,其中稳定剂由氧化镁和氧化铈复合组成。本发明所 制得的纤维增强钛酸铝复合材料热膨胀系数小,热稳定性和化学稳定好,能够 大大提高复合材料的使用寿命。采用真空注浆成型方法,工艺技术简单,产品 显微结构组织均匀,可以用来制备铸铝升液管、热电偶保护套管、坩埚等多种 产品。

标签:
复合材料
浙江 - 湖州 来源:北方有色网 2023-03-18
上一页 81 82 83 84 85 ... 87 下一页
共87页    到第

北方有色为您提供最新的浙江湖州有色金属材料制备及加工技术理论与应用信息,涵盖发明专利、权利要求、说明书、技术领域、背景技术、实用新型内容及具体实施方式等有色技术内容。打造最具专业性的有色金属技术理论与应用平台!

全国热门有色金属设备推荐
展开更多 +
全国热门有色金属技术推荐
展开更多 +

 

江西省隆恩特环保设备有限公司
宣传

报名参会
更多+

报告下载

有色专家
更多+

中南大学
中国工程院院士
江西理工大学
副校长/教授
中国瑞林工程技术有限公司
中国工程院院士
石家庄铁道大学
团委书记/副教授
中国有色金属工业协会
副会长兼秘书长
赤泥综合利用研究报告2025
推广

热门技术
更多+

推荐企业
更多+

福建省金龙稀土股份有限公司
宣传

发布

在线客服

公众号

电话

顶部
咨询电话:
010-88793500-807