青岛垚鑫智能科技有限公司
宣传

位置:北方有色 >

有色技术频道 >

> 废水处理技术

分类:
全部
矿山技术
冶金技术
材料制备及加工技术
环境保护技术
分析检测技术
 
全部
废水处理技术
大气治理技术
固/危废处置技术
土壤修复技术
地区:
全部
北京
天津
上海
重庆
河北
山西
辽宁
吉林
黑龙江
江苏
浙江
安徽
福建
江西
山东
河南
湖北
湖南
广东
海南
四川
贵州
云南
陕西
甘肃
青海
内蒙
广西
西藏
宁夏
新疆
其他
其他
展开
 
全部
南京
无锡
徐州
常州
苏州
南通
连云港
淮安
盐城
扬州
镇江
泰州
宿迁

江苏泰州有色金属废水处理技术理论与应用

免费发布技术信息>>
废水沉淀池排泥系统
废水沉淀池排泥系统 954     
 0

本实用新型公开了一种废水沉淀池排泥系统,包括壳体,壳体的顶端设置有端盖,端盖的一侧设置有废水进口,壳体内部设置有刮泥装置、搅拌装置和喷淋装置,刮泥装置包括左刮泥板、右刮泥板、左滑轨和右滑轨,左滑轨和右滑轨分别设置于端盖的底壁上,左刮泥板和右刮泥板的顶端分别连接有与左滑轨和右滑轨相对应的左滑轮和右滑轮,左滑轮和右滑轮分别与第一电机和第二电机相连,第一电机驱动左滑轮以带动左刮泥板的来回移动,第二电机驱动右滑轮以带动右刮泥板的来回移动,左刮泥板和右刮泥板的底端分别设置有左刮泥刀片和右刮泥刀片。本实用新型可以避免污泥结块,且通过刮泥装置可有效提高排泥效率。

标签:
废水处理
江苏 - 泰州 来源:北方有色网 2023-03-19
应用于酸性含氟废水的高效处理系统

本发明属于石英砂原料或高纯砂生产应用技术领域,具体涉及一种应用于酸性含氟废水的高效处理系统,包括调节池、反应槽、混凝槽、斜管沉淀器、过滤器、出水池、污泥螺杆泵、板框压滤机、石灰粉投料机和混凝剂加料机;所述调节池、反应槽、混凝槽、斜管沉淀器、过滤器、出水池依次顺序连接;所述出水池内设置有相配合使用的在线水质检测机;所述石灰粉投料机、混凝剂加料机分别与反应槽、混凝槽连接;所述过滤器、板框压滤机分别与调节池连接。本发明的有益效果在于:其设计结构合理,能对酸性含氟废水进行高效稳定的处理,经处理后水的PH值为6‑9,F(mg/L)≤10,SS(mg/L)≤70,且实现智能环保水处理目的,提高石英砂原料或高纯砂的生产效率和质量。

标签:
废水处理
江苏 - 泰州 来源:北方有色网 2023-03-19
去除纸浆模塑生产废水纸纤维方法

本发明公开了一种去除纸浆模塑生产废水纸纤维方法,包括以下步骤:将纸浆生产废水引入带有斜塞网的滤箱,待沉淀;将过滤后的浆水引入浮珠分散体系中,在纸浆纤维悬浮液中内加入浮选剂,搅拌,再在室温下静置,得到预处理后的纸浆纤维悬浮液;在上述预处理后得到的纸浆纤维悬浮液内加入浮珠,形成混合悬浮液;将经气浮床处理后的浆水引入带有斜塞网的滤箱再过滤,得回水存储。本发明提供了一种处理纸污水的工艺,该工艺可以显著提高纸纤维的回收率,降低对环境的污染。

标签:
废水处理
江苏 - 泰州 来源:北方有色网 2023-03-19
处理高盐高氨氮废水的蒸发器及其处理方法

本发明公开了一种处理高盐高氨氮废水的蒸发器及其处理方法;首先物料通过加热器进入,进一步由第一管道通过循环泵输送到闪蒸罐中,闪蒸后,蒸汽进入氨气净化器中,通过吸收液循环泵将吸收液集液仓中的吸收液输送至液体分布器喷出,再结合吸收结构,对蒸汽中的氨氮进行净化回收,进一步由气液分离器将净化后的蒸汽再次分离,进一步由压缩机将净化后的蒸汽通过第二管道循环至加热器中,对新的物料进行换热,最后将净化后的安全气体和凝水排出;能够有效的去除蒸汽中的氨氮,不但提高了处理高盐高氨氮废水的蒸发器的使用寿命,运行稳定,而且使得气体和凝水能够达标排放或者再回收利用,更加的安全环保。

标签:
废水处理
江苏 - 泰州 来源:北方有色网 2023-03-19
中药废水生化尾水中难降解有机物的处理方法

本发明涉及一种中药废水生化尾水中难降解有机物的处理方法,具有如下步骤:首先生化尾水进入多级催化臭氧高级氧化池、然后进入曝气生物滤池、最后处理后外排。所述多级催化臭氧高级氧化池中水流方向向上,水力停留时间35-60分钟,在此池中投加臭氧、H2O2和催化剂;所述的曝气生物滤池中水流方向向上,水力停留时间4-6小时,并投加白腐菌。该方法通过前置的多级催化臭氧高级氧化分解水体中残留的难降解有机物后再经曝气生物滤池强化生物处理,进一步降解水体中难降解有机物,使得中药废水生化尾水中难降解有机物得到去除,处理方法简单,成本低且处理效率高。

标签:
废水处理
江苏 - 泰州 来源:北方有色网 2023-03-19
化学实验室自动废水处理装置

本发明公开了一种化学实验室自动废水处理装置,其结构包括机体、进水口、出水口、底座和过滤层,本发明的一种化学实验室自动废水处理装置,当过滤工作结束后,可以通过控制面板开启电动推杆和电控阀,电动推杆带动刷板向前移动,刷毛将赃物前推通过电控阀推出,解决了不具备能够更好的将过滤后残留的赃物进行清除的功能,导致过滤后的残留赃物清除困难的问题,当机体内部发生堵塞时,压力传感器能够通过控制面板前端的显示屏展示压力信息,可以通过控制面板开启电动推杆将减压板向外推动,污水则可以从污水出口流出机体,解决了不具备能在处理装置发生堵塞时进行对机体内部减压的功能,导致机体内部容易因为水压较大而损坏的问题。

标签:
废水处理
江苏 - 泰州 来源:北方有色网 2023-03-19
镍、钴生产企业萃余废水的深度处理回收装置

本发明涉及一种镍、钴生产企业萃余废水的深度处理回收装置,包括第一、二吸附搅拌槽、氨性溶液配料槽、洗涤水槽、过滤泵和过滤装置,第一、二吸附搅拌槽内均设有搅拌器,第一、二吸附搅拌槽之间经带导液控制阀的导液管连通,第一吸附搅拌槽上设有污水进液口和固料加入口,第一吸附搅拌槽上内接通蒸汽加热管,第二吸附搅拌槽经过滤泵连通过滤装置;所述氨性溶液配料槽、洗涤水槽分别经控制阀连通过滤装置。其结构简单、操作便捷、能快速、有效处理废水和回收再利用,降低处理成本。

标签:
废水处理
江苏 - 泰州 来源:北方有色网 2023-03-19
病死畜禽移栽运输箱的废水收集及处理装置

本实用新型涉及一种病死畜禽移栽运输箱的废水收集及处理装置,包括收集装置及与其连接的处理装置,收集装置包括连接在运输箱底部的储料斗和可移动的储料罐,储料斗的下部具有出口,出口处铰接有两块封口板,每块封口板的侧壁上连接有使其封住或打开出口的气缸,储料罐的底部设有出液口,出液口上设有连接至处理装置的出液管,处理装置包括与出液管连接的进水口、第一生化池、第二生化池、沉淀池、消毒池、污泥池、清水池和出水口,第一生化池和第二生化池内均设有弹性填料和曝气装置,沉淀池内设有提泥管和排水管,提泥管的末端位于消毒池上方,消毒池通过排泥管连接污泥池,排水管连接支管,支管连接至清水池,清水池上设有出水口。废水收集处理效率高。

标签:
废水处理
江苏 - 泰州 来源:北方有色网 2023-03-19
炼油废水的过滤装置
炼油废水的过滤装置 927     
 0

本实用新型公开了一种炼油废水的过滤装置,包括过滤箱,所述过滤箱的上表面固定连接有进料口,所述过滤箱的下表面固定连接有支撑装置,所述支撑装置的一侧固定连接有放置板,所述放置板的上表面固定连接有水泵,所述水泵的入水口固定连接有循环出管,所述过滤箱的表面在远离循环出管的一侧固定连接排水管,所述水泵的出水口固定连接有导流管。本实用新型,通过滤网板和反渗透膜的两次过滤,过滤效果强,拧下螺钉可以将滤网板拉出,方便滤网板的清洗,气泵将高浓度混合氧气通过出气管的出气孔排入废水中,电动机带动搅拌杆,增大混合氧气与污水的接触面积,加快污水中的有机物快速降解。

标签:
废水处理
江苏 - 泰州 来源:北方有色网 2023-03-19
含镍废水处理方法
含镍废水处理方法 914     
 0

含镍废水处理方法,包括以下步骤:步骤①:取含镍原水,调节PH值→步骤②:进行一级微电解反应→ 步骤③:进行一级沉淀反应→步骤④:进行二级微电解反应→步骤⑤:进行二级沉淀反应→ 步骤⑥:辅助步骤⑤,控制处理结果;能高效、廉价、可靠的处理含镍废水,达到电镀污染物排放标准。

标签:
废水处理
江苏 - 泰州 来源:北方有色网 2023-03-19
间苯二腈废水初处理用热压滤器

本实用新型涉及一种间苯二腈废水初处理用热压滤器,其特征在于它包括筒体(1)、过滤孔板(2)和滤布(3),所述筒体(1)为开式反应釜结构、具有夹套(10),所述筒体(1)上部侧壁上设置有进料口(4)和氮气口(6),所述筒体(1)底部设置有出料口(5),所述筒体(1)上盖(8)为快开式,所述上盖(8)上具有放空口(9),所述过滤孔板(2)设置于所述筒体(1)的内腔下部,所述滤布(3)固定于所述过滤孔板(2)上。本实用新型间苯二腈废水初处理用热压滤器,能在比较高的温度下将溶解的物质和不溶解杂质分离,大大降低了成本,降低喷淋水用量,减少了废水量。

标签:
废水处理
江苏 - 泰州 来源:北方有色网 2023-03-19
化工含盐废水环保焚烧炉

本实用新型公开了一种化工含盐废水环保焚烧炉,包括上、中、下三段,上部为冷却沉降室、中部为一次焚烧室、下部为二次焚烧熔融室,在冷却沉降室的侧部设有废气出口,在一次焚烧室和二次焚烧熔室的中部均设置有辅助燃烧器,在一次燃烧室的辅助燃烧器的上部设有雾化喷枪装置,该雾化喷枪装置连接相应的废液供应设施和高压供气设施。本实用新型化工含盐废水环保焚烧炉,通过设置三级结构,具有燃烧充分、出渣方便、排放干净,利于环保,并且能够回收余热等优点。

标签:
废水处理
江苏 - 泰州 来源:北方有色网 2023-03-19
含铬废水处理方法
含铬废水处理方法 967     
 0

含铬废水处理方法,包括以下步骤:步骤①:准备→步骤②:还原→步骤③:中和沉淀→步骤④:微电解处理→步骤⑤:二级中和沉淀,检测;能高效、廉价、可靠的处理含铬废水,达到电镀污染物GB21900‑2008的排放标准。

标签:
废水处理
江苏 - 泰州 来源:北方有色网 2023-03-19
印刷废水处理并循环使用设备

一种印刷废水处理并循环使用设备,过滤池内设有过滤网装置,过滤池的顶端设有喷雾装置,进水口通过冲洗管连接纯水池的出水口,冲洗管上设有进水泵,过滤池的底端设有电动磁阀,电动磁阀通过回水管连接原液池的回水口,回水管上设有增压泵,过滤池的一侧通过水管与水处理池和纯水池依次连接;通过对原液池内的废水进行过滤实现对水中的悬浮物进行隔离,通过在水处理池内投放洁净剂使废水经过处理后流向纯水池,通过过滤池内的喷雾装置可以定期对滤网装置进行冲刷清理,冲刷后的污水将经过回水管重新回到原液池进行过滤,不仅能够有效处理印刷造成的污水,同时能够将这些处理后的碱性水拿来清洗设备。

标签:
废水处理
江苏 - 泰州 来源:北方有色网 2023-03-19
含镍废水处理装置
含镍废水处理装置 1179     
 0

本实用新型公开了一种含镍废水处理装置,包括依次相连的沉淀池、过滤池、第一反应池和第二反应池,过滤池的内部设置有挡板和由上至下依次安装的第一过滤网和第二过滤网,挡板的顶端固定于过滤池的顶端,第一过滤网和第二过滤网的两侧分别固定于过滤池靠近沉淀池一侧的侧壁和挡板上,过滤池、第一反应池和第二反应池的顶端均设置有清水入口,底端均设置有污水出口,清水入口通过管路连通清水储罐,污水出口均通过回流管路连通沉淀池的进水口。本实用新型可以有效过滤废水中的杂质,提高废水处理效率,且可避免水资源的浪费。

标签:
废水处理
江苏 - 泰州 来源:北方有色网 2023-03-19
丙烯酸废水处理装置中的喷嘴

本实用新型涉及废水处理装置技术领域,尤其是一种丙烯酸废水处理装置中的高粘度输送喷嘴,包括壳体,所述壳体上安装有喷雾出口,所述喷雾出口内有若干层环形圈,所述环形圈堆成圆锥形,所述环形圈上镀有耐高温防腐涂层。采用本实用新型的技术方案的有益效果是:本实用新型的高粘度输送喷嘴涂有耐高温防腐蚀涂层,可以避免在焚烧废液的时候将高粘度输送喷嘴烧坏,而且也可以减轻废液对高粘度输送喷嘴的腐蚀程度,延长使用寿命,将高粘度输送喷嘴出口设为环形圈状,可以减小废液蒸汽喷出时对高粘度输送喷嘴的冲击力,延长使用寿命。

标签:
废水处理
江苏 - 泰州 来源:北方有色网 2023-03-19
有机废水的污泥泥水去除装置

本实用新型涉及一种有机废水的污泥泥水去除装置,包括进水机构、捣碎机构、支撑机构、过滤机构和返排机构,所述进水机构、捣碎机构和过滤机构依次连通,所述返排机构分别与过滤机构和进水机构连通,所述捣碎机构设置在支撑机构上,所述捣碎机构包括壳体、电机、转轴和刀片,所述进水机构包括进水罩、进水箱和进水管,所述过滤机构包括出水管、过滤网和集水箱,所述返排机构包括导水管、蓄水箱和返排管,该有机废水的污泥泥水去除装置设计巧妙,首先通过捣碎装置能够将泥水中的大颗粒泥沙打碎,然后通过过滤机构对泥沙进行过滤,并且通过返排机构将未过滤完全的泥水返排过滤,提升了对泥沙过滤的处理效果。

标签:
废水处理
江苏 - 泰州 来源:北方有色网 2023-03-19
二苯乙烷含苯废水处理回用装置

本实用新型涉及一种二苯乙烷含苯废水处理回用装置,包括接二苯乙烷含苯废水的原水箱、一级水泵、第一曝气塔、二级水泵、第二曝气塔、风机、中转水箱、冷凝箱,原水箱经一级水泵接第一曝气塔上部进水,第一曝气塔底部经二级水泵接第二曝气塔上部进水,风机分别接第一、二曝气塔底部进气,第二曝气塔底部接中转水箱,第一、二曝气塔顶部接冷凝箱中部,冷凝箱顶部接尾气处理装置,冷凝箱底部接原水箱。该装置能有效回收苯原料,降低生产成本和废水处理成本。

标签:
废水处理
江苏 - 泰州 来源:北方有色网 2023-03-19
废水中苯酚萃取剂DW503的制备方法

本发明公开了一种废水中苯酚高效萃取剂DW503的制备方法,该方法包括以下步骤:1)将二异辛胺和负载酸催化剂放到酰胺化反应釜中,氮气置换并充氮气至0.1MPa左右;2)开启搅拌,升温到180~240℃,缓慢泵入冰醋酸进行反应,生成水通过冷凝器到油水分离器中;3)泵毕后,保温反应,取样直到原料二异辛胺<0.5%合格,否则适量补加冰醋酸;4)油水分离器中生成水回到下批次中反应;5)酰胺化反应釜中合格物料压入精馏釜,精馏即得萃取剂DW503成品,产品含量>98%,收率>96%;本发明得到的萃取剂用于废水苯酚萃取实验,其废水脱酚率可达99.99%以上,非常高效,性质稳定,可以反复使用。

标签:
废水处理
江苏 - 泰州 来源:北方有色网 2023-03-19
纺织印染废水净化设备

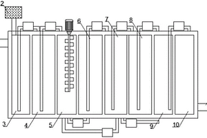
本实用新型涉及一种纺织印染废水净化设备,包括壳体,壳体上设有废水进口和清水出口,壳体内部设有初级静置过滤腔室、中和腔室、反应腔室和再静置过滤腔室,初级静置过滤腔室、中和腔室、反应腔室和再静置过滤腔室之间通过水通道分别连接,初级静置过滤腔室内部废水进口端设有格栅,中和腔室顶部连接中和剂添加管,反应腔室内部设有化学剂添加管,再静置过滤腔室内部设有超滤膜,初级静置过滤腔室、中和腔室、反应腔室和再静置过滤腔室底部均连接集杂腔室。本实用新型与现有技术相比具有下列优点:整体结构简单,操作方便,在使用时无需人员看守,全自动运行,节省劳动力,净化效果好,符合所需要求。

标签:
废水处理
江苏 - 泰州 来源:北方有色网 2023-03-19
蓄电池铅酸废水处理净化器

本实用新型公开一种蓄电池铅酸废水处理净化器,包括进水口和隔油沉淀池,所述进水口的右端安装有隔油沉淀池,所述隔油沉淀池的右侧设置有调节池,所述调节池的右侧设置有PH调节槽,所述PH调节槽的右侧设置有PAC反应槽,所述PAC反应槽的右侧设置有斜板沉淀池,所述斜板沉淀池的右侧设置有PH回调槽,所述PH回调槽的右侧设置有砂滤池,所述砂滤池的右侧设置有清水池,所述清水池的右侧下端设置有排水口,所述隔油沉淀池的上端设置有臭气吸收装置,所述臭气吸收装置包括导气管、容量池和活性炭,废水在沉淀的时间中,废水会因为各种原因产生臭气,臭气会通过导气管,进入容量池内部的活性炭,活性炭会将臭气进行吸收,从而降低了废水处理厂臭味。

标签:
废水处理
江苏 - 泰州 来源:北方有色网 2023-03-19
纸板生产废水中细小纤维回收与再利用装置

本发明涉及一种纸板生产废水中细小纤维回收与再利用装置,其包括有:纤维回收池;舀勺,其设置于纤维回收池的上端面,所述舀勺通过电机控制其绕轴向旋转,舀勺中设置有至少一个沿其轴向延伸的开口端部,舀勺旋转过程中,其开口端部的侧壁与纤维回收池的废水上液面彼此相交;所述舀勺与纤维回收池之间设置有至少一个旋转机构;所述舀勺的端部对应位置设置有纤维回收管道与净水管道;采用上述技术方案的纸板生产废水中细小纤维回收与再利用装置,其可对纸浆生产过程中产生的废水进行回收再处理,既可将细小纤维与净水再次投入纸浆的生产,又可避免废水排放对环境造成的污染,从而在节省成本的同时实现了清洁生产。

标签:
废水处理
江苏 - 泰州 来源:北方有色网 2023-03-19
金属卟啉共价接枝光催化膜在有机废水处理中的应用

本发明涉及一种金属卟啉共价接枝光催化膜在有机废水处理中的应用,属于膜分离和水处理技术领域。本发明首先以氯乙酰氯对膜材料进行氯乙酰化改性,再将氨基金属卟啉与氯乙酰化后的膜材料反应,从而在膜材料表面共价接枝金属卟啉,将其应有于有机废水的处理。所得光催化膜中光催化剂以共价键连接基膜,克服了传统无机半导体光催化剂在基膜中稳定性差易流失和堵塞分离膜孔道的缺陷,其能够在紫外光和可见光光谱范围均具有较高的光解活性,能显著提高分离膜的抗污染和有机废水的处理能力,具有广泛的应用前景。

标签:
废水处理
江苏 - 泰州 来源:北方有色网 2023-03-19
用于废水处理的泡沫分离器

本实用新型公开了一种用于废水处理的泡沫分离器,包括一罐体,所述的罐体为竖直布置的筒状结构,其上端设置有一进水管,下端设置有一出水管,所述的用于废水处理的泡沫分离器还包括一漏板,所述的漏板水平布置在所述的罐体的内部,所述的进水管布置在所述的罐体的切线方向上。本实用新型的用于废水处理的泡沫分离器的优点是:带有切线方向布置的进水管和倾斜布置的底板,分离效果好,废水能够及时排出罐体,废水中的杂物不易淤积在罐体内部。

标签:
废水处理
江苏 - 泰州 来源:北方有色网 2023-03-19
用于微生物发酵的绿色环保废水处理设备

本实用新型公开了一种用于微生物发酵的绿色环保废水处理设备,包括初级过滤池和水位传感器,所述初级过滤池底部通过法兰连接有流转管道一,所述流转管道一底部通过法兰连接有次级过滤池,所述次级过滤池底部通过法兰连接有流转管道二,所述流转管道二底部通过法兰连接有澄清池,所述初级过滤池、所述次级过滤池以及所述澄清池内一侧壁上均通过螺栓固定有所述水位传感器。有益效果在于:本实用新型通过将设置电磁阀、操作面板以及水位传感器,可自动监控各级过滤池内的废水量,并自行管控废水流通的功能,有利于废水处理工作的无人化操作,提高了工作效率,节省了人力成本的投入。

标签:
废水处理
江苏 - 泰州 来源:北方有色网 2023-03-19
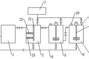
电镀园区含镍废水处理的实验方法

电镀园区含镍废水处理的实验方法,包括以下操作步骤:由镍废水收集池中取含镍原水倒入烧杯中,加入氢氧化钠调节溶液的PH,进行一级沉淀反应;往烧杯中加入聚合氯化铝反应,加入聚丙烯酰胺反应;将一级沉淀出水倒入装有催化剂填料的量筒之中,臭氧从量筒底部进气,控制臭氧发生器的进气流量接触反应;将反应之后的实验水倒入烧杯中并置于搅拌器上进行二级沉淀反应;首先加入氢氧化钠反应;然后加入聚合氯化铝反应;最后加入聚丙烯酰胺反应;静置后取上清液测量其镍的含量。本发明能对电镀园区含镍废水中的镍进行有效处理,避免了环境污染。

标签:
废水处理
江苏 - 泰州 来源:北方有色网 2023-03-19
壳聚糖改性的纳米TiO<Sub>2</Sub>光催化超滤膜在有机废水处理中的应用

本发明涉及一种壳聚糖改性的纳米TiO2光催化超滤膜在有机废水处理中的应用,属于膜分离和水处理技术领域。针对传统纳米TiO2易团聚,且复合于分离膜上易不断流失的技术问题,本发明开发出了一种改进的TiO2光催化超滤膜,将其应用于有机废水处理。本发明改进的TiO2光催化膜通过氨基硅烷偶联剂为桥梁,在纳米TiO2表面接枝疏松的交联壳聚糖,能有效打开纳米TiO2粒子的团聚,使其在分离膜上高度分散,且其粒径较未改性的膨胀了3‑5倍,有效阻止光催化膜运行中纳米TiO2的流失。本发明的改性光催化超滤膜在废水处理过程中能维持分离膜的长时间高效稳定运行,运行10h后水通量衰减系数远低于未改性的分离膜,具有广泛的应用前景。

标签:
废水处理
江苏 - 泰州 来源:北方有色网 2023-03-19
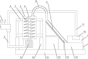
含氟废水的处理装置
含氟废水的处理装置 715     
 0

本申请提供了一种含氟废水的处理装置,属于废水处理技术领域。该含氟废水的处理装置包括调节腿,所述调节腿的顶部固定有支撑板,所述调节腿上连接有电动推杆,所述过滤箱的底部连接有底板,所述处理箱与所述过滤箱的一侧下方连通,所述处理箱上连接有混合件,所述处理箱的下方开设有排污槽,所述密封连接板设置在所述排污槽的下方,所述处理箱的外部一侧安装有第二电机,所述第一螺纹杆和所述第二螺纹杆上螺纹连接有清洁件,所述处理箱的下方放置有收集箱,有利于对含氟废水进行初步过滤,减少了处理装置内发生於塞的概率,提高了氟化物的去除率,能够将沉淀物从处理装置内清除,提高了对含氟废水的处理效果。

标签:
废水处理
江苏 - 泰州 来源:北方有色网 2023-03-19
清洗研磨废水处理设备

本实用新型公开了一种清洗研磨废水处理设备,包括电气控制系统、废水处理设备和污泥处理设备,所述废水处理设备包括依次相连的调节池、PAC反应罐、PAM反应罐、斜管沉淀槽、中间水箱、过滤器和回用水箱,还包括若干加药装置,若干所述加药装置与PAC反应罐、PAM反应罐均相连,所述PAC反应罐、PAM反应罐与外部压缩空气系统相连,所述污泥处理设备包括固液分离设备和污泥浓缩箱,所述固液分离设备与污泥浓缩箱通过气动隔膜泵相连,所述固液分离设备与调节池相连,所述污泥浓缩箱与斜管沉淀槽相连。本实用新型所提供的废水处理设备充分考虑二次污染的防治,且耐冲击负荷,灵活性好,可以适应水质水量的变化。

标签:
废水处理
江苏 - 泰州 来源:北方有色网 2023-03-19
废水除菌装置
废水除菌装置 930     
 0

一种废水除菌装置,所述的吸油腔内设有吸油膜,所述的吸油腔的下端设有杀菌腔,所述的搅拌辊轴通过联轴器连接搅拌电机,所述的杀菌腔的一侧设有电动磁阀I,所述的电动磁阀I的另一端连接过滤腔,所述的过滤腔内设有RO过滤棉和石英过滤网,所述的出水口处设有电动磁阀II,所述的过滤腔的上方设有紫外灭菌灯管I,所述的杀菌腔的下方设有紫外灭菌灯管II;通过吸油膜可以将废水中的油质过滤出来,通过杀菌腔内的杀菌剂使废水进行杀菌处理,通过搅拌辊轴使废水与杀菌剂能快速融合,通过紫外灭菌灯管I和紫外灭菌灯管II可以对顽固性病菌进行灭菌处理,使杀菌更加彻底,通过RO过滤棉和石英过滤网将灭菌后的废水再次进行过滤,实现达标排放。

标签:
废水处理
江苏 - 泰州 来源:北方有色网 2023-03-19
上一页 6 7 8 9 10 ... 14 下一页
共14页    到第

北方有色为您提供最新的江苏泰州有色金属废水处理技术理论与应用信息,涵盖发明专利、权利要求、说明书、技术领域、背景技术、实用新型内容及具体实施方式等有色技术内容。打造最具专业性的有色金属技术理论与应用平台!

全国热门有色金属设备推荐
展开更多 +
全国热门有色金属技术推荐
展开更多 +

 

江西省隆恩特环保设备有限公司
宣传

报名参会
更多+

报告下载

有色专家
更多+

有研科技集团有限公司
中国工程院 院士
长沙矿冶研究院有限责任公司
中国工程院院士
中国瑞林工程技术有限公司
中国工程院院士
矿冶科技集团有限公司工程公司
副总经理
任灵宝金源矿业股份有限公司
技术发展部经理
赤泥综合利用研究报告2025
推广

热门技术
更多+

推荐企业
更多+

福建省金龙稀土股份有限公司
宣传

发布

在线客服

公众号

电话

顶部
咨询电话:
010-88793500-807