青岛垚鑫智能科技有限公司
宣传

位置:北方有色 >

有色技术频道 >

> 加工技术

分类:
全部
矿山技术
冶金技术
材料制备及加工技术
环境保护技术
分析检测技术
 
全部
功能材料技术
复合材料技术
新能源材料技术
合金材料技术
加工技术
地区:
全部
北京
天津
上海
重庆
河北
山西
辽宁
吉林
黑龙江
江苏
浙江
安徽
福建
江西
山东
河南
湖北
湖南
广东
海南
四川
贵州
云南
陕西
甘肃
青海
内蒙
广西
西藏
宁夏
新疆
其他
其他
展开
 
全部
其他

其他有色金属加工技术理论与应用

免费发布技术信息>>
锂离子二次电池负极用碳材料、含浸低结晶性碳的锂离子二次电池负极用碳材料、负极电极板及锂离子二次电池

本发明得到初始充放电时气体产生少、能够快速充放电的锂离子二 次电池负极用碳材料,含浸低结晶性碳的锂离子二次电池负极用碳材 料,负极电极板以及锂离子二次电池。其是由在碳质骨材中配合、混捏 粘合剂而成的组合物得到加压成形体并进行碳化,将对其进行石墨化处 理所得的人造石墨块粉碎、进行粒度调整而得到的锂离子二次电池负极 用碳材料,显示如下特性,即,在使用波长532nm的Nd : YAG激光的 拉曼光谱中,以D带与G带之比定义的R值=(I1360/I1580)≥0.2;在采 用学振法算出的结晶学参数中d(002)≥0.336nm、且Lc(002)≤50nm。 该碳材料用于锂离子二次电池的负极板或使用了该负极板的锂离子二 次电池。

标签:
加工技术
其他 - 其他 来源:北方有色网 2023-03-18
锂二次电池用负极材料及其制备方法和使用该负极材料的锂二次电池用负极和锂二次电池

本发明提供一种优异的用于锂二次电池的石墨负极材料,当以高电极密度使用时,该负极材材料能制成以下锂二次电池,该锂二次电池的放电容量大,充放电效率高,表现出优异的负荷特性,并且充电时的电极膨胀小。所述石墨负极材料含有石墨复合物混合粉末(C),所述石墨复合物混合粉末(C)包含:纵横比为1.2~4.0的石墨(D)与取向不同于所述石墨(D)的石墨(E)复合的石墨复合物粉末(A);和人工石墨粉末(B)。

标签:
加工技术
其他 - 其他 来源:北方有色网 2023-03-18
锂二次电池用负极、其制备方法以及包含该锂二次电池用负极的锂二次电池

本发明提供了一种锂二次电池用负极,所述锂二次电池用负极包含:负极集电器;和负极活性材料层,所述负极活性材料层形成在所述负极集电器上,并且包含含有硅类材料的负极活性材料,其中所述负极活性材料包含通过预锂化而嵌入的锂,并且通过特定式计算出的所述负极活性材料的预锂化程度为5%至50%。

标签:
加工技术
其他 - 其他 来源:北方有色网 2023-03-18
锂二次电池用正极活性物质及其制造方法、锂二次电池用正极以及锂二次电池

本发明涉及锂二次电池用正极活性物质及其制造方法、锂二次电池用正极以及锂二次电池。本发明的课题是提供一种使含有橄榄石的聚阴离子系活性物质的容量和倍率特性得到提高、高容量且高倍率特性的锂二次电池用正极活性物质及其制造方法。其解决手段为一种以化学式LiMPO4(M包括Fe、Mn、Co、及Ni中的至少一种)表示的锂二次电池用正极活性物质,利用TEM观察得到的粒径为10nm以上200nm以下,所述粒径d和由通过X射线衍射得到的半值宽求得的微晶直径D的比d/D为1以上1.35以下,被覆所述正极活性物质的碳的量为1wt%以上10wt%以下。

标签:
加工技术
其他 - 其他 来源:北方有色网 2023-03-18
硫化物系锂离子传导性固体电解质玻璃、全固体锂二次电池及全固体锂二次电池的制造方法

本发明容易且廉价地制造充放电输出电流密度大、充放电循环寿命优异的全固体锂二次电池。全固体锂二次电池的制造方法中,通过将在各种硫化物系锂离子传导性固体电解质中混合Α-氧化铝得到的混合电解质玻璃化来得到其离子传导性被改善了的新锂离子传导体。构成使用了该锂离子传导体的电解质层8以及由正负电极合材3、7形成的正负电极(I)、(II)。接着,将这些正负电极(I)、(II)中的至少1层与电解质层8层叠,在电解质不会结晶化的条件下,通过加热和压缩而一体化来制作电池。

标签:
加工技术
其他 - 其他 来源:北方有色网 2023-03-18
锂二次电池用正极材料及其制造方法、以及锂二次电池用正极及锂二次电池

本发明的目的在于提供一种锂二次电池用正极活性物质材料,其在用作锂二次电池正极材料时,可以在谋求低成本化及高容量化的同时实现高安全性、性能优异的锂二次电池。为此,本发明提供下述锂二次电池正极材料用锂过渡金属类化合物粉末及其制造方法、以及锂二次电池用正极及锂二次电池,所述锂二次电池正极材料用锂过渡金属类化合物粉末包含具有能够嵌入和脱嵌锂离子功能的锂过渡金属类化合物,其中,该粉末的粒子内部包含具有利用SEM-EDX法检测到的来自下述元素的峰的化合物,所述元素为选自周期表第3周期以后的第16族元素中的至少一种元素、以及选自第5周期及第6周期的第5~7族元素中的至少一种元素。

标签:
加工技术
其他 - 其他 来源:北方有色网 2023-03-18
锂二次电池用负极和包含所述锂二次电池用负极的锂二次电池

本发明涉及一种锂二次电池用负极,其包含:锂金属层;和碳基薄膜层,其中多个多孔碳材料沿着一个水平方向排列;和包含所述锂二次电池用负极的锂二次电池。

标签:
加工技术
其他 - 其他 来源:北方有色网 2023-03-18
锂磷系复合氧化物碳复合体、其制造方法、锂二次电池用正极活性物质及锂二次电池

本发明提供一种电极密度高且能够提高锂二次电池的倍率特性的锂磷系复合氧化物碳复合体。一种锂磷系复合氧化物碳复合体,其特征在于,其为通式(1):LiMPO4(1)(式中,M表示选自Fe、Mn、Co、Ni及V组成的组中的一种以上的金属元素)所表示的锂磷系复合氧化物颗粒介由导电性碳材料聚集而成的聚集体,该聚集体的平均粒径为1~30μm,该聚集体的振实密度为0.8g/cm3以上。

标签:
加工技术
其他 - 其他 来源:北方有色网 2023-03-18
锂离子二次电池用正极电极、锂离子二次电池用电极糊料、锂离子二次电池

本发明的目的在于得到安全性高、且具有高能量密度、可由放电电压推定电池的残存容量的锂离子电池。本发明为以重量比x:y:z(0.10≤x≤0.60、0.10≤y≤0.70、0.10≤z≤0.40、x+y+z=1)含有磷酸铁锂颗粒、磷酸锰铁锂颗粒和层状氧化物系活性物质颗粒的锂离子二次电池用正极电极。本发明为在由放电电压和放电容量形成的放电曲线中,在2个平坦区域之间具有1个非平坦区域,非平坦区域的宽度换算为SOC为20%以上的锂离子二次电池。

标签:
加工技术
其他 - 其他 来源:北方有色网 2023-03-18
氟化锂在锂金属表面的沉积及使用其的锂二次电池

在使用锂金属以增加锂二次电池的容量时,由于枝晶等而降低了充放电的可逆性。根据本发明的其上沉积有LiF的锂金属对于可逆性的降低具有高稳定性,由此具有高的充放电可逆性。另外,在沉积有LiF时,优点在于作为现有技术负极的锂金属本身不被消耗,锂金属电极的形状本身不会大幅改变。

标签:
加工技术
其他 - 其他 来源:北方有色网 2023-03-18
锂电池用电解液、包括它的锂电池和运行该锂电池的方法

本发明涉及用于锂电池的电解液,包括所述电解液的锂电池以及运行所述锂电池的方法,所述锂电池包括具有镍-钴-锰类活性材料的正极,所述电解液包括非水有机溶剂和锂盐,所述非水有机溶剂包括碳酸亚乙酯和碳酸二甲酯。

标签:
加工技术
其他 - 其他 来源:北方有色网 2023-03-18
锂离子二次电池负极用浆料组合物、锂离子二次电池负极以及锂二次电池

本发明提供锂离子二次电池负极用浆料组合物、锂离子二次电池用负极以及锂离子二次电池,所述锂离子二次电池负极用浆料组合物可以提供:在低温下的锂离子吸纳性优异、且可以提高负极板的密合强度、寿命特性优异的锂离子二次电池。本发明涉及的锂离子二次电池负极用浆料组合物含有负极活性物质、增稠剂、由聚合物粒子构成的粘合剂、以及水,所述负极活性物质包含碳材料,所述碳材料的石墨层间距离(X射线衍射法测定的(002)面的面间隔(d值))为0.340~0.370nm,所述增稠剂是聚合度为1400~3000的高分子,所述聚合物粒子是由包含1~10质量%单羧酸单体的单体组合物聚合得到的物质,并且,通过电导率滴定测定,每1g所述聚合物粒子的聚合物粒子表面的酸基量为0.1~1.0mmol。

标签:
加工技术
其他 - 其他 来源:北方有色网 2023-03-18
用于锂金属和无阳极电池的含二氟(草酸)硼酸锂和四氟硼酸锂盐的电解质

本发明提供了用于锂金属或无阳极可充电电池组电池的包含二氟(草酸)硼酸锂和四氟硼酸锂以及溶剂组分的电解质溶液,以及使用该电解质溶液提高电池组电池容量保持率的方法。还提供了包括锂金属或无阳极电池组电池和电解质溶液的可充电电池组系统,该电解质溶液包含二氟(草酸)硼酸锂和四氟硼酸锂以及溶剂组分。本发明所述系统表现出提高的容量保持率。

标签:
加工技术
其他 - 其他 来源:北方有色网 2023-03-18
锂离子二次电池正极用浆料组合物、锂离子二次电池用正极及锂离子二次电池

本发明提供可以进一步提高锂离子二次电池的性能、尤其是循环特性及速率特性、并且粘度稳定性优异的锂离子二次电池正极用浆料组合物。本发明的锂离子二次电池正极用浆料组合物包含正极活性物质、导电材料、粘结材料及有机溶剂,导电材料的BET比表面积为400m2/g以上,粘结材料包含(1)含氟聚合物X、(2)含有10~50质量%的含腈基单体单元的聚合物Y、(3)含有50~90质量%的(甲基)丙烯酸烷基酯单体单元的聚合物Z,且粘结材料中含氟聚合物X的比例为50~95质量%。

标签:
加工技术
其他 - 其他 来源:北方有色网 2023-03-18
预锂化的方法、包括该方法的制造锂二次电池的方法以及由该制造方法制造的锂二次电池

本发明涉及一种预锂化的方法,且特别地,涉及一种将锂大量均匀地预掺杂到至少一个单元电池中的预锂化的方法。根据本发明的一个方面,提供一种包括如下的预锂化的方法:准备至少一个单元电池,所述单元电池包含正极、负极以及设置在所述正极和所述负极之间的隔膜;将准备的所述至少一个单元电池设置在反应槽中,并连接具有相同极性的电极;将电解液添加到所述反应槽中,将锂金属板设置在所述电解液中,并将所述锂金属板连接至所述负极,以及对所述负极进行掺杂。根据本发明,通过降低负极的初始不可逆容量并且防止正极金属离子渗透到负极表面上的SEI中,可以提高电池的容量和循环寿命。

标签:
加工技术
其他 - 其他 来源:北方有色网 2023-03-18
锂二次电池用正极活性物质、正极活性物质的前体的制造方法、正极活性物质的制造方法、锂二次电池用正极和锂二次电池

本发明提供伴随充放电循环的活性物质粒子的破裂得到了抑制的充放电循环性能优异的锂二次电池用正极活性物质及其制造方法以及使用其的锂二次电池。所述锂二次电池用正极活性物质含有锂过渡金属复合氧化物,所述锂过渡金属复合氧化物具有α-NaFeO2结构,具有使用CuKα射线的粉末X射线衍射图的2θ=44±1°处的衍射峰和2θ=18.6±1°处的衍射峰,并且,相对于所述2θ=44±1°处的衍射峰的半峰宽FWHM(104)的2θ=18.6±1°处的衍射峰的半峰宽FWHM(003)的比FWHM(003)/FWHM(104)中,相对于放电末期状态的FWHM(003)/FWHM(104),紧接其后的充电末期状态的FWHM(003)/FWHM(104)的比为0.72以上。

标签:
加工技术
其他 - 其他 来源:北方有色网 2023-03-18
锂离子二次电池用正极材料、锂离子二次电池用电极及锂离子二次电池

本发明提供一种锂离子二次电池用正极材料、锂离子二次电池用电极及锂离子二次电池。所述锂离子二次电池用正极材料包含凝聚粒子,所述凝聚粒子是多个被碳质覆膜包覆的下述通式(1)所示的正极活性物质的一次粒子凝聚而成,所述锂离子二次电池用正极材料的特征在于,相对于所述正极活性物质的微晶直径的碳量为0.008质量%/nm以上且0.050质量%/nm以下,通过拉曼光谱测量而得到的拉曼光谱的D带及G带的峰强度比即ID/IG为0.85以上且1.15以下。LixAyDzPO4(1);其中,A为选自由Co、Mn、Ni、Fe、Cu及Cr组成的组中的至少一种,D为选自由Mg、Ca、Sr、Ba、Ti、Zn、B、Al、Ga、In、Si、Ge、Sc及Y组成的组中的至少一种,0.9<x<1.1,0<y≤1,0≤z<1,0.9<y+z<1.1。

标签:
加工技术
其他 - 其他 来源:北方有色网 2023-03-18
锂离子二次电池、锂离子二次电池的层叠结构、锂离子二次电池的制造方法

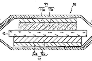
锂离子二次电池(1)具有:包含正极活性物质的正极层(20)、包含显示锂离子传导性的无机固体电解质的固体电解质层(30)、以及作为负极侧的电极发挥作用的负极集电体层(50),负极集电体层(50)具备保持层(51)和被覆保持层(51)的被覆层(52),保持层(51)包含由金属钛构成且在厚度方向上分别延伸的多个柱状晶体。该锂离子二次电池(1)中,随着充电动作而在存在于保持层(51)内部的晶界形成由金属锂构成的负极(40)。由此抑制全固体锂离子二次电池的内部剥离。

标签:
加工技术
其他 - 其他 来源:北方有色网 2023-03-18
尖晶石型锂锰镍类复合氧化物的制造方法、锂二次电池用正极合剂和锂二次电池

本发明提供一种尖晶石型锂锰镍类复合氧化物的制造方法,所述尖晶石型锂锰镍类复合氧化物不用共沉淀法,充放电循环特性优异,且库伦效率及5V/(5V+4V)的放电容量区域比率升高。所述制造方法包括如下工序:喷雾原料浆料制备工序,得到固体成分的平均粒径为1.00μm以下的喷雾原料浆料;喷雾干燥工序,得到喷雾干燥物;加热处理工序,将该喷雾干燥物进行加热处理,得到平均粒径为5.0~20.0μm、且粒径1.0μm以下的微颗粒成分的含量为0.5质量%以下的加热处理物;烧制工序,将该加热处理物与锂源进行混合,得到烧制原料混合物,接着,将该烧制原料混合物在850~1100℃进行烧制,得到烧制物;和退火处理工序,将该烧制物在500~700℃进行退火处理,得到LixNiyMnzMaO4-w(1)所示的尖晶石型锂锰镍类复合氧化物。

标签:
加工技术
其他 - 其他 来源:北方有色网 2023-03-18
锂蓄电池用负极材料、其制备方法以及用该材料的锂蓄电池

锂蓄电池用负极材料是利用覆盖碳材料覆盖芯材的碳材料的结晶的边缘部分的一部分或全部,成几乎为球形或椭圆体形的碳材料。本发明还提供了该碳材料的制备方法,以及该碳材料作为构成要素的锂蓄电池。

标签:
加工技术
其他 - 其他 来源:北方有色网 2023-03-18
锂二次电池电解液和包括锂二次电池电解液的锂二次电池

本公开涉及锂二次电池电解液和包括锂二次电池电解液的锂二次电池,该锂二次电池电解液包括:非水有机溶剂,该非水有机溶剂包括由式1表示的支链酯类溶剂;和锂盐。

标签:
加工技术
其他 - 其他 来源:北方有色网 2023-03-18
锂二次电池用负极及锂二次电池

一种锂二次电池用负极,具备片状集电体和担载于所述集电体上的活性物质层,所述活性物质层含有多数的柱状粒子,所述活性物质层含有选自含硅和氧的化合物、含硅和氮的化合物、不与锂形成合金的金属元素M与硅的合金、以及它们的组合之中的至少1种,所述柱状粒子相对于所述集电体的法线方向倾斜,所述柱状粒子之间存在空隙,所述活性物质层中的包含所述空隙在内的全部空隙的比例,即空隙率P为10%≤P≤70%。

标签:
加工技术
其他 - 其他 来源:北方有色网 2023-03-18
钛酸锂、其制造方法、所述制造方法中所用的浆料、含有所述钛酸锂的电极活性材料和使用所述电极活性材料的锂二次电池

本发明公开了一种钛酸锂,其在用作具有金属锂负极的锂二次电池中的正极活性材料时,提供了在0.25C放电速率下放电容量的至少75%的在30C放电速率下的放电容量。所述钛酸锂可如下获得:干燥和然后在惰性气氛中烧制至少含有锂化合物、钛化合物、表面活性剂和碳材料的浆料。所述钛酸锂可用作具有优异电池特性、特别是速率特性的锂二次电池中的活性材料。

标签:
加工技术
其他 - 其他 来源:北方有色网 2023-03-18
锂二次电池的负极的制造方法、锂二次电池的负极及锂二次电池

本发明提供可以对锂二次电池赋予高的循环特性的锂二次电池的负极的制造方法。一种锂二次电池(1)的负极(11)的制造方法,其具备下述工序:将可溶于水性溶剂的四羧酸化合物的衍生物、可溶于水性溶剂的二胺化合物、和平均粒径为0.1μm~0.5μm的聚四氟乙烯树脂在水性溶剂中混合,得到负极粘结剂混合液的工序。

标签:
加工技术
其他 - 其他 来源:北方有色网 2023-03-18
锂二次电池用阴极合剂及利用其的锂二次电池用阴极及锂二次电池

本发明涉及一种锂二次电池,更详细地,涉及一种锂二次电池用阴极合剂及利用其的锂二次电池,所述阴极合剂包含阴极活性物质、粘合剂、粒径为200nm至200μm的金属氧化物填料及溶剂,从而能够提供电解液的浸渍特性得到改善,循环特性及高温存储特性优异,并且单位体积的容量密度大的高密度阴极。

标签:
加工技术
其他 - 其他 来源:北方有色网 2023-03-18
锂电极和包含所述锂电极的锂电池

本申请涉及一种锂电极和包含所述锂电极的锂电池。

标签:
加工技术
其他 - 其他 来源:北方有色网 2023-03-18
锂离子电池用正极活性物质、锂离子电池用正极以及锂离子电池

本发明提供一种具有良好电池特性的锂离子电池用正极活性物质。锂离子电池用正极活性物质如以下组成式所示:LixNi1-yMyO2+α(前述式中,M为选自Sc、Ti、V、Cr、Mn、Fe、Co、Cu、Zn、Ga、Ge、Al、Bi、Sn、Mg、Ca、B和Zr中的1种以上,0.9≤x≤1.1,0<y≤0.7,0.05≤α≤0.2),并且,所述锂离子电池用正极活性物质含有一次粒子,振实密度为1.3~2.6g/cm3;前述一次粒子的平均粒径为0.3~3.0μm,比表面积为0.3~2.3m2/g。

标签:
加工技术
其他 - 其他 来源:北方有色网 2023-03-18
锂二次电池用电解液及其含有该锂二次电池用电解液的锂二次电池

本发明涉及锂二次电池用电解液及其含有该锂二次电池用电解液的锂二次电池,上述电解液含有二季戊四醇六丙烯酸酯和(甲基)丙烯酸酯化合物作为电解液添加剂,该(甲基)丙烯酸酯化合物含有具备碳原子数为4至12的直链状或者支链状的烷基,从而能够提高电池的安全性的同时改进性能特性,特别是寿命特性。

标签:
加工技术
其他 - 其他 来源:北方有色网 2023-03-18
锂二次电池的正极材料、采用它的锂二次电池及制备锂二次电池正极材料的方法

一种用于锂二次电池的正极材料,其特征在于它包含锂过渡金属复合氧化物的次级颗粒,所述锂过渡金属复合氧化物包含硼和/或铋,且次级颗粒表面部分的硼和铋的原子总数与硼和铋之外的其它金属的原子数之比,是整个次级颗粒中相应比例的5~70倍。该正极材料具有增强的容量和增强的输出功率,并且抑制输出功率在重复的充放电过程中降低。

标签:
加工技术
其他 - 其他 来源:北方有色网 2023-03-18
锂电池用正极活性物质以及含有该锂电池用正极活性物质的锂电池

提供了正极活性物质以及含有该正极活性物质的锂电池,该正极活性物质在锂电池中使用时与以往的锂电池相比能够提高放电容量。锂电池用正极活性物质,其特征在于,由下述组成式(1)表示并且晶体结构为岩盐型:Li2Ni1-x-yCoxMnyTiO4组成式(1)(上述组成式(1)中,x和y是满足x>0、y>0且x+y<1的实数)。

标签:
加工技术
其他 - 其他 来源:北方有色网 2023-03-18
上一页 423 424 425 426 427 ... 436 下一页
共436页    到第

北方有色为您提供最新的其他有色金属加工技术理论与应用信息,涵盖发明专利、权利要求、说明书、技术领域、背景技术、实用新型内容及具体实施方式等有色技术内容。打造最具专业性的有色金属技术理论与应用平台!

全国热门有色金属设备推荐
展开更多 +
全国热门有色金属技术推荐
展开更多 +

 

江西省隆恩特环保设备有限公司
宣传

报名参会
更多+

报告下载

有色专家
更多+

中南大学
中国工程院院士
长春黄金研究院有限公司
总经理
南方科技大学
外籍院士
长沙矿冶研究院有限责任公司
中国工程院院士
武汉理工大学
外籍院士/教授
赤泥综合利用研究报告2025
推广

热门技术
更多+

推荐企业
更多+

福建省金龙稀土股份有限公司
宣传

发布

在线客服

公众号

电话

顶部
咨询电话:
010-88793500-807