青岛垚鑫智能科技有限公司
宣传

位置:中冶有色 >

有色技术频道 >

分类:
全部
矿山技术
冶金技术
材料制备及加工技术
环境保护技术
分析检测技术
 
全部
废水处理技术
大气治理技术
固/危废处置技术
土壤修复技术
地区:
全部
北京
天津
上海
重庆
河北
山西
辽宁
吉林
黑龙江
江苏
浙江
安徽
福建
江西
山东
河南
湖北
湖南
广东
海南
四川
贵州
云南
陕西
甘肃
青海
内蒙
广西
西藏
宁夏
新疆
其他
其他
展开
 
全部
沈阳
大连
鞍山
抚顺
本溪
丹东
锦州
营口
阜新
辽阳
盘锦
铁岭
朝阳
葫芦岛

辽宁大连有色金属环境保护技术理论与应用

免费发布技术信息>>
钢铁冶金高盐废水资源化利用的处理系统及方法

本发明涉及钢铁冶金高盐废水资源化利用的处理系统及方法,通过调节池、软化反应池、浓缩沉淀池、管式微滤装置去除高盐废水中氟化物、硅垢、重金属、悬浮物等杂质,再经过一级RO装置、二级RO装置处理后的清水回收利用,一级RO装置产生的浓水依次通过臭氧催化氧化装置、活性炭吸附装置和树脂软化装置,依次降低浓水中的硬度和COD,树脂软化装置出水进入纳滤装置,纳滤装置浓水进入冷冻结晶装置和蒸发结晶装置析出硫酸钠盐后外售。纳滤装置产水分别进入高压反渗透装置、除氟装置、电渗析装置和双极膜电渗析装置后生成稀盐酸和稀碱液,本发明的优点是:低成本处理、分步去除高盐废水中多种有害物质,实现废水废物资源化合理利用。

标签:
废水处理
辽宁 - 大连 来源:中冶有色网 2023-03-19
一体式的沼液废水处理系统

本实用新型属于水体处理、沼液废水处理技术领域,公开了一种一体式的沼液废水处理系统及其处理工艺。包括依次连接的混凝沉淀单元、短程硝化反硝化厌氧氨氧化单元、沉淀回流单元、缓冲调节单元、反硝化单元、亚硝化单元、二级沉淀回流单元;沉淀回流单元与短程硝化反硝化厌氧氨氧化单元构成回流支路,二级沉淀回流单元与反硝化单元构成回流支路。本实用新型通过一个集装箱形式的一种一体式的沼液废水处理系统,可随载货车机动灵活的解决各处产生小水量沼液的工厂,无需建设大型的沼液处理设施,减少环保设施占地并节省环保建设费用。本实用新型的处理系统可以解决沼液及类似废水的污染物处理问题。

标签:
废水处理
辽宁 - 大连 来源:中冶有色网 2023-03-19
钢铁冶金高盐废水资源化利用的处理系统

本实用新型涉及钢铁冶金高盐废水资源化利用的处理系统,通过调节池、软化反应池、浓缩沉淀池、管式微滤装置去除高盐废水中氟化物、硅垢、重金属、悬浮物等杂质,再经过一级RO装置、二级RO装置处理后的清水回收利用,一级RO装置产生的浓水依次通过臭氧催化氧化装置、活性炭吸附装置和树脂软化装置,依次降低浓水中的硬度和COD,树脂软化装置出水进入纳滤装置,纳滤装置浓水进入冷冻结晶装置和蒸发结晶装置析出硫酸钠盐后外售。纳滤装置产水分别进入高压反渗透装置、除氟装置、电渗析装置和双极膜电渗析装置后生成稀盐酸和稀碱液,本发明的优点是:低成本处理、分步去除高盐废水中多种有害物质,实现废水废物资源化合理利用。

标签:
废水处理
辽宁 - 大连 来源:中冶有色网 2023-03-19
废水样品自动稀释装置

本实用新型属于稀释设备领域,尤其是一种废水样品自动稀释装置,针对全球疫情爆发以来,手工稀释目视比色的传统方法遭遇大批量来自疫区的高风险废水,实验人员的感染风险激增,现提出如下方案,其包括底板,所述底板的顶部固定安装有对称设置的两个立板,两个立板相互靠近的一侧固定安装有同一个安装板,所述安装板的顶部可脱离活动卡装有标准管和稀释管,所述标准管和稀释管的底部均延伸至安装板的下方,本实用新型,实验人员无需手动操作仪器,仅需按对应按钮即可操作仪器,不会直接接触到废水,能够避免实验人员感染废水中的病毒或细菌。

标签:
废水处理
辽宁 - 大连 来源:中冶有色网 2023-03-19
降低沸石分子筛生产废水的化学耗氧量的方法

本发明公开了一种一步光照法降低沸石分子筛生产废水的化学耗氧量的方法。其特征在于向沸石分子筛生产废水中加入双氧水,在紫外光照射下,产生具有超强氧化能力的羟基自由基,从而将沸石分子筛生产废水中的有机含氮化合物氧化降解,所述有机含氮化合物为季铵盐、季胺碱和有机胺的一种或几种。相比于传统方法,简化了处理过程,节约处理时间,易操作。对于含季胺碱、有机胺废水,本申请不用加酸对其中和,可直接进行处理,处理后水样接近中性。

标签:
废水处理
辽宁 - 大连 来源:中冶有色网 2023-03-19
处理低阶煤分质转化含酚废水的低损高效脱酚萃取剂

本发明公开了一种适用于处理低阶煤分质转化含酚废水的低损高效脱酚萃取剂,其由磷酸二辛酯、煤油、三烷基胺和异构β‑支链伯醇构成。所述萃取剂的使用方法是:常温下,将低阶煤分质转化产生的废水pH值用酸调到1‑6,破乳去除乳化油和悬浮物后,加入本发明的萃取剂进行萃取,得到萃取相(萃取剂)和萃余相(萃取后的废水),萃取相采用碱液处理后,得到再生的萃取剂,循环使用。本发明有效解决了现有萃取剂萃取工艺复杂、脱酚效率偏低、萃取剂损失大,造成设备投资高、操作复杂、运行成本高等问题。

标签:
废水处理
辽宁 - 大连 来源:中冶有色网 2023-03-19
二尖梅奇酵母菌及处理高盐废水的方法

本发明公开一种二尖梅奇酵母菌(Metschnikowia bicuspidate已保藏在中国微生物菌种保藏管理委员会普通微生物中心,保藏号为CGMCC No.18674。以二尖梅奇酵母菌处理高盐废水的方法,按照如下步骤进行:将所述二尖梅奇酵母菌种子液逐渐扩大培养;将扩大培养多倍体积的菌液加入高盐废水中培养。不仅操作简单、成本低廉,而且海带加工产高盐废水COD去除率为82.92%,裙带菜加工产高盐废水COD去除率为85.60%,达到城市管网排放标准。

标签:
废水处理
辽宁 - 大连 来源:中冶有色网 2023-03-19
改性硅藻土处理含铜废水工艺

改性硅藻土处理含铜废水工艺,在硅藻土中加入改性剂氢氧化钠和硫酸铝,搅拌均匀后置于20-30℃恒温水浴振荡器中振荡30-50min,过滤,用蒸馏水将滤饼洗涤至中性,放入电热鼓风干燥箱中于50-60℃干燥3-5小时,得改性硅藻土。本发明改性硅藻土对含铜废水具有良好的吸附作用,处理质量浓度为1718mg/L的含铜废水,硅藻土投加量为20g,pH值为8.5,吸附时间为20min,去除率最高可达到90.4%,处理后溶液中Cu2+的质量浓度低于0.22mg/L,达到了国家污水排放一级标准的要求。

标签:
废水处理
辽宁 - 大连 来源:中冶有色网 2023-03-19
应用于焦化废水深度处理去除COD及脱色的组合药剂和应用

应用于焦化废水深度处理去除COD及脱色的组合药剂和应用,药剂按重量份包括100~200份季铵盐、100~200份复配铁盐、200~400份改性活性炭、1~2份阴离子聚丙烯酰胺。复配铁盐包括700~900份聚合硫酸铁或聚合氯化铁、100‑300份聚合硅酸铝铁;改性活性炭包括7~8份活性炭、1~1.5份硫酸铝、0.5~1份石灰。分别将季铵盐原液、复配铁盐配制成10%溶液,改性活性炭配制成5%溶液,阴离子聚丙烯酰胺配制成0.1‰溶液,投入焦化厂经生化处理后COD为300~500mg/L、色度为150~250倍的焦化废水中,强化复合混凝后测定焦化废水出水COD<100mg/L,达到炼焦行业的间接排放标准。且出水色度<20倍。本发明在吸附和强化絮凝的协同作用下,COD去除效率高,沉淀效果佳,运行成本低,能广泛适用于不同规模焦化厂的废水深度处理。

标签:
废水处理
辽宁 - 大连 来源:中冶有色网 2023-03-19
精对苯二甲酸精制生产工序废水处理装置

本实用新型公开了一种精对苯二甲酸精制生产废水处理装置,所述废水处理装置包括:预过滤器、PT酸吸附罐、钴锰离子交换罐、钠离子交换罐、产品水罐、PT酸罐和钴锰罐;所述预过滤器、PT酸吸附罐、钴锰离子交换罐、钠离子交换罐、产品水罐从上游侧到下游侧依次通过管路连接;所述PT酸罐设于PT酸吸附罐的出口处;所述钴锰罐设于钴锰离子交换罐的出口处。本实用新型提供的精对苯二甲酸精制生产工序废水处理装置,操作成本低、运行维护便捷,处理吸附效果好,可完成PT酸和钴锰催化器的回收,无污染排放且处理过的废水可回用到精对苯二甲酸工艺中。

标签:
废水处理
辽宁 - 大连 来源:中冶有色网 2023-03-19
降低沸石分子筛生产废水的总有机碳含量的方法

本发明公开了一种一步光照法降低沸石分子筛生产废水的总有机碳含量的方法。其特征在于向沸石分子筛生产废水中加入双氧水,在紫外光照射下,产生具有超强氧化能力的羟基自由基,从而将沸石分子筛生产废水中的有机含氮化合物氧化降解,所述有机含氮化合物为季铵盐、季胺碱和有机胺的一种或几种。相比于传统方法,简化了处理过程,节约处理时间,易操作。对于含季胺碱、有机胺废水,本申请不用加酸对其中和,可直接进行处理,处理后水样接近中性。

标签:
废水处理
辽宁 - 大连 来源:中冶有色网 2023-03-19
处理含油废水的方法
处理含油废水的方法 1051     
 0

本发明提供了一种处理含油废水的方法,其特征在于,使用如下组分的组合物处理含油废水:活性炭、沸石矿物、蒙脱石、聚丙烯酰胺、聚合氯化铝。本发明可以高效、快速地吸附、去除含油废水中的有机物和无机物等杂质,实现废水的达标排放,而且该方法成本低、无毒、无腐蚀性。

标签:
废水处理
辽宁 - 大连 来源:中冶有色网 2023-03-19
处理造纸废水的方法
处理造纸废水的方法 783     
 0

本发明提供了一种处理造纸废水的方法,其特征在于,使用如下组分的组合物处理造纸废水:活性炭、沸石矿物、蒙脱石、聚丙烯酰胺、氢氧化钙。本发明可以高效、快速地吸附、去除造纸废水中的有机物和无机物等杂质,实现废水的达标排放,而且该方法成本低、无毒、无腐蚀性。

标签:
废水处理
辽宁 - 大连 来源:中冶有色网 2023-03-19
利用污泥裂解液强化Cr(VI)废水生物处理的方法

本发明属于环境工程废水处理技术领域,涉及一种利用污泥裂解液强化Cr(VI)废水生物处理的方法。采用剩余污泥制备的污泥裂解液作为微生物生长代谢的基质,并将其加入含铬废水的生物处理过程中,利用污泥裂解液内丰富的有机质及腐殖酸,实现Cr(VI)生物处理过程中碳源的补充及Cr(VI)的强化降解。污泥裂解液的制备工艺简单、成本低,无二次污染。可以有效的克服含铬废水生物处理过程中碳源不足以及处理效率低的技术瓶颈。为剩余污泥的资源化利用和减量化提供新途径。

标签:
废水处理
辽宁 - 大连 来源:中冶有色网 2023-03-19
镁法脱硫废水射流氧化-气浮装置

本实用新型涉及一种镁法脱硫废水射流氧化‑气浮装置,属于镁法脱硫废水处理技术领域。所述镁法脱硫废水射流氧化‑气浮装置包括循环泵;所述循环泵的出口与若干个射流曝气器连接;所述射流曝气器的扩散管出口与氧化槽连接,且射流曝气器主轴线与氧化槽的径向夹角≥65°并≤85°;所述氧化槽设有絮凝剂入口;所述氧化槽的上部设有刮泥板与污泥槽;所述氧化槽的底部与循环泵连接。本实用新型所述装置可以提高亚硫酸镁的氧化率和氧化速率。

标签:
废水处理
辽宁 - 大连 来源:中冶有色网 2023-03-19
废水零排放超高浓缩反渗透装置

本实用新型公开了一种废水零排放超高浓缩反渗透装置,涉及废水处理技术领域。本实用新型包括反渗透箱、反渗透组件和清洗侧箱,反渗透箱的内部竖直设置有三个等间距分布的反渗透组件,反渗透箱的侧面固定有清洗侧箱,清洗侧箱的外侧面上固定有电动伸缩杆,电动伸缩杆的活动端穿过清洗侧箱与反渗透组件的侧面固定连接,反渗透组件通过电动伸缩杆自由穿梭在清洗侧箱与反渗透箱之间。本实用新型通过设置清洗侧箱、电动伸缩杆和更换进出口,使得反渗透组件便于拆卸更换和清洗,通过设置三个反渗透组件,使得该反渗透装置可进行多级反渗透处理,废水能达到零排效果,解决了现有的反渗透装置清洗更换不方便,且处理效果不够理想的问题。

标签:
废水处理
辽宁 - 大连 来源:中冶有色网 2023-03-19
脉冲放电等离子体诱导光催化处理有机废水方法及装置

脉冲放电等离子体诱导光催化处理有机废水方法及装置属于环境污染治理技术领域。本发明是根据电晕流光放电原理,采用形成强不均匀电场的电极结构,窄脉冲高压电源供电,在水中形成脉冲电晕流光放电,应用放电产生的流光和火花作为光源,诱导电场中半导体催化剂的光催化活性,也应用电场阻止电子-空穴复合和脉冲放电等离子体等的协同效应,在水体中产生多的强氧化性基团,达到降解废水中溶解有机物的目的。本发明具有原理简单、有机物降解效果好的优点。适用于难生化降解有机废水的处理,也能够用来处理有机废气。

标签:
废水处理
辽宁 - 大连 来源:中冶有色网 2023-03-19
汽车架桥车间工件清洗废水处理回用系统

本实用新型提出一种汽车架桥车间工件清洗废水处理回用系统,包括脱脂槽、第一漂洗槽、钝化槽和第二漂洗槽;前两者连通至碱性废水储槽,后两者连通至酸性废水储槽;碱、酸性废水储槽连通至批处理槽,其配套pH控制系统、CaCl2加药泵和PAM加药泵,其排泥口接压滤机,其上清液出口连中间水槽;中间水槽连蒸发系统,其晶浆出口接离心机,离心机母液出口引至蒸发系统;蒸发系统冷凝水出口连回用水槽,其经稳压供水系统引至脱脂槽和第一漂洗槽;回用水槽依次连UV‑TOC降解设备、混床系统、反渗透系统、纯水槽,纯水槽引至混床系统、钝化槽和第二漂洗槽。本实用新型成本低、占地小、处理效果好。

标签:
废水处理
辽宁 - 大连 来源:中冶有色网 2023-03-19
含酚废水与气化废焦混合焚烧系统

一种含酚废水与气化废焦混合焚烧系统,属于环境科学技术三废处理与综合利用技术领域,循环流化床焚烧锅炉的烟气出口与旋风分离器连通,所述的旋风分离器上端与二次燃烧室连通,其下端则与返料器连通,返料器分别与松料和送料风机连接,与循环流化床焚烧锅炉连通,所述的二次燃烧室与高温烟气冷却室连通,高温烟气冷却室侧端与锅炉本体对流管束连通,锅炉本体对流管束通过管路与布袋除尘器连通,布袋除尘器通过引风机和管路与烟囱连通。充分考虑含酚废水和气化废焦粉物理与化学特性,对煤粉和含酚废水在焚烧炉内进行充分的分解和燃烧,充分实现了废弃物的无害化、减量化、资源化,是一个环保、节能、资源化利用系统。

标签:
废水处理
辽宁 - 大连 来源:中冶有色网 2023-03-19
高级氧化处理有机废水的Fe2O3/Al2O3催化剂及其制备方法

水处理领域中的一种高级氧化处理有机废水的 Fe2O3/Al2O3 催化剂及其制备方法,包括催化剂活性组分和催化剂 载体,特征:活性组分是 Fe2O3 ,其担载量为3%~5%,载体为球形活性 Al2O3 ,其直径为1~7mm;制备步骤:活性 Al2O3于浓度为4%~8%硝酸铁溶液中浸渍4-24h,取出后, 用1~2倍浸渍液体积的去离子水洗2~3次,再在80℃~150 ℃下干燥;然后,于300℃~600℃下焙烧2~8h;应用时采用 催化剂与双氧水配合,催化剂为10℃~50g/L,双氧水1.5~ 10.0mmol/L,在温度为20℃~85℃,保持20~150min,可对 苯酚、硝基酚等难降解有机废水产生较好的去除率。优点:成 本低,在高级氧化反应中有较高的催化活性,去除率大,矿化 度高;易与废水分离;工艺简单,无二次污染;反应后金属离 子溶出极少,稳定性好。

标签:
废水处理
辽宁 - 大连 来源:中冶有色网 2023-03-19
从环氧氯丙烷废水中回收催化剂的方法

本发明提供了一种从环氧氯丙烷废水中回收催化剂的方法,该方法包括:用H2O2水溶液作氧源,在磷钨杂多酸盐或磷钼杂多酸盐催化剂的作用下,在无溶剂的条件下将氯丙烯氧化,生成环氧氯丙烷,催化剂析出重复使用,整个过程只产生少量废水,但其废水中有极微量的催化剂,对其反应废水进行微旋流分离,以去除其中含有的催化剂颗粒,并回收利用催化剂,分离后的废水进一步生化降解处理。

标签:
废水处理
辽宁 - 大连 来源:中冶有色网 2023-03-19
焚烧废水节能蒸发浓缩系统及其使用方法

本发明公开一种焚烧废水节能蒸发浓缩系统及其使用方法,系统包括包括废水储罐、加热器、冷凝器、浓缩液储罐和制冷剂储罐,所述加热器的顶部连通有汽液分离器,还包括热量回收组件、冷却循环水装置和加热循环水装置。焚烧废水节能蒸发浓缩系统的使用方法采用下述方法进行。本发明通过热量回收装置将通过冷凝器升温的冷却循环水热量回收,回收的热量将通过加热器降温的加热循环水升温,正常运转过程中不消耗生蒸汽,实现了热能循环利用,彻底解决水资源浪费、热量损失的问题,大大减轻环境热污染。

标签:
废水处理
辽宁 - 大连 来源:中冶有色网 2023-03-19
利用低品位热能处理有机废水的系统及方法

本发明属于低品位热能利用技术领域,涉及一种利用低品位热能处理有机废水的系统及方法。整个系统由气隙扩散蒸馏器、逆电渗析反应器、加热器、冷却器、储液箱、溶液泵及管路等组成。该方法将初始溶液在气隙扩散蒸馏器中实现浓缩至给定浓度同时分离出产品水,并储存在浓、稀溶液储存箱中。当浓、稀溶液储存箱储液量达到设定值时,释放浓、稀溶液进入逆电渗析反应器中进行浓差能利用,在阴阳两极发生氧化还原反应以降解有机废水;随后从逆电渗析装置中流出的稀、浓溶液储存在各自独立的出液箱中,继续循环使用。本发明有效利用低品位热能,可实现利用低品位热能处理有机废水,保护环境;闭式循环,可自动化控制;结构简单紧凑,运行安静,操作方便。

标签:
废水处理
辽宁 - 大连 来源:中冶有色网 2023-03-19
蓝藻联合CANON处理氨氮废水的方法

本发明公开了一种蓝藻联合CANON处理氨氮废水的方法,属于含氮废水生物处理技术领域。将氨氮废水作为处理原水,先经过CANON反应器处理;将CANON反应器的出水通向藻类光生物反应器,向藻类光生物反应器中间歇性补充新鲜蓝藻,蓝藻定期收割留用;藻类光生物反应器的出水分为两个支路:一个支路回流至CANON反应器,另一个支路通入沉淀池,再次富集蓝藻并收割;将收割的蓝藻送入LIPP罐厌氧消化产沼气,沼气经脱硫脱CO2净化后,将生物天然气甲烷并入城市燃气管网,CO2通入藻类光生物反应器为藻类提供碳源,反应产生的厌氧消化液通入CANON反应器作为原水补充。

标签:
废水处理
辽宁 - 大连 来源:中冶有色网 2023-03-19
高浓度含盐废水干法环保处理回收固态盐系统

本发明为一种高浓度含盐废水干法环保处理回收固态盐系统,主要包括废液预处理系统、空气预热系统、干燥系统和尾气净化系统。预处理系统采用了外加热自然循环与真空负压方式蒸发器,主要包括预热器、蒸发器和冷凝器;空气预热系统包括空气过滤器、鼓风机、电加热器;干燥系统包括废液泵、雾化喷枪、热空气分布器和干燥塔本体;尾气净化系统包括旋风分离器、活性炭吸附塔、布袋除尘器、引风机和排气口。本发明实现腈纶废水等高浓度含盐废水减量化、无害化处理,同时回收干燥过程中产生的化工原料。

标签:
废水处理
辽宁 - 大连 来源:中冶有色网 2023-03-19
污泥裂解液的制备及其在高盐废水厌氧处理的应用

本发明属于高盐废水处理技术领域,涉及一种污泥裂解液的制备及其在高盐废水厌氧处理的应用。将污水处理站的二沉池污泥自然沉降,去除上清液,调节污泥浓度为20‑25g/L;用物理化学联合的方法对污泥中的微生物进行破胞,释放出微生物的内溶物,制得污泥裂解液。将污泥裂解液加入到高盐废水的生化反应池中,厌氧条件下充分混合均匀。本发明有效的缩短了常规的耐盐微生物的驯化的周期,污泥裂解液的制备方式简单、耗能低且无污染,实现了污泥的减量化和资源化再利用,经济且稳定可靠。

标签:
废水处理
辽宁 - 大连 来源:中冶有色网 2023-03-19
塑料再生清洗废水处理方法及系统

本发明公开一种塑料再生清洗废水处理方法及系统,涉及废水处理技术领域。该废水处理系统,包括物理过滤室、高效一体化物化反应室、A/O生化反应室和深度过滤室,高效一体化物化反应室中包括均化区、加药区、物化反应区等,A/O生化反应室中设置有水解酸化区、好氧区和沉淀区;该方法对废水进行过滤处理后,再依次进行均化处理、复配反应、水解酸化、好氧反应等,最后进行沉淀,实现泥水分离,得到上清液,对上清液深度过滤。该方法处理效率高、运行成本低、操作简单,可以高效的去除塑料再生清洗废水中的污染物。

标签:
废水处理
辽宁 - 大连 来源:中冶有色网 2023-03-19
一体式的沼液废水处理系统及其处理工艺

本发明属于水体处理、沼液废水处理技术领域,公开了一种一体式的沼液废水处理系统。包括依次连接的混凝沉淀单元、短程硝化反硝化厌氧氨氧化单元、沉淀回流单元、缓冲调节单元、反硝化单元、亚硝化单元、二级沉淀回流单元;沉淀回流单元与短程硝化反硝化厌氧氨氧化单元构成回流支路,二级沉淀回流单元与反硝化单元构成回流支路。本发明通过一个集装箱形式的一种一体式的沼液废水处理系统,可随载货车机动灵活的解决各处产生小水量沼液的工厂,无需建设大型的沼液处理设施,减少环保设施占地并节省环保建设费用。本发明的处理系统和处理工艺可以解决沼液及类似废水的污染物处理问题。

标签:
废水处理
辽宁 - 大连 来源:中冶有色网 2023-03-19
含铜重金属废水处理系统

本发明公开了一种含铜重金属废水处理系统,包括水池、加药机、搅拌单元和检测单元,所述水池包括依次设置的预处理池、废水调节池、混凝反应池、砂滤池、虹吸滤池、中和池和中间水池;所述加药机包括固体加药机和液体加药机,所述固体加药机固定于所述混凝反应池壁体上端,所述液体加药机固定于所述预处理池、所述中和池、所述虹吸滤池和所述废水调节池壁体上端;所述搅拌单元包括固定架、电机、转轴和叶轮;所述检测单元包括水位检测仪和PH检测仪。本发明涉及的一种含铜重金属废水处理系统,处理效果好,安全可靠,实现了自动加药和自动清洗,节约水资源。

标签:
废水处理
辽宁 - 大连 来源:中冶有色网 2023-03-19
高效超声臭氧光催化氧化废水处理系统

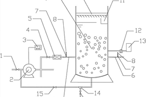
本发明公开一种对高盐、高氨氮及高浓度有机物废水处理效果显著的高效超声臭氧光催化氧化废水处理系统,设有废水罐(1),废水罐(1)通过废水泵(2)、文丘里管(3)与紫外超声臭氧反应室(5)相接,与文丘里管(3)相接有臭氧机(9),所述紫外超声臭氧反应室(5)内左侧从上至下设有紫外灯排(4)、右侧从上至下设有板式超声波发生器(6),所述紫外超声臭氧反应室(5)通过清水泵(7)与清水储罐(8)相接。

标签:
废水处理
辽宁 - 大连 来源:中冶有色网 2023-03-19
上一页 40 41 42 43 44 ... 52 下一页
共52页    到第

中冶有色为您提供最新的辽宁大连有色金属环境保护技术理论与应用信息,涵盖发明专利、权利要求、说明书、技术领域、背景技术、实用新型内容及具体实施方式等有色技术内容。打造最具专业性的有色金属技术理论与应用平台!

全国热门有色金属设备推荐
展开更多 +
全国热门有色金属技术推荐
展开更多 +

 

江西省隆恩特环保设备有限公司
宣传

报名参会
更多+

报告下载

有色专家
更多+

武汉科技大学
校学术委员会主任 / 教授
矿冶科技集团有限公司
所长/研究员级高工
赣州江钨钨合金有限公司
工程师
中国矿业大学
副院长/教授
北京科技大学
副院长/教授
赤泥综合利用研究报告2025
推广

热门技术
更多+

推荐企业
更多+

福建省金龙稀土股份有限公司
宣传

发布

在线客服

公众号

电话

顶部
咨询电话:
010-88793500-807