青岛垚鑫智能科技有限公司
宣传

位置:中冶有色 >

有色技术频道 >

> 新能源材料技术

分类:
全部
矿山技术
冶金技术
材料制备及加工技术
环境保护技术
分析检测技术
 
全部
功能材料技术
复合材料技术
新能源材料技术
合金材料技术
加工技术
地区:
全部
北京
天津
上海
重庆
河北
山西
辽宁
吉林
黑龙江
江苏
浙江
安徽
福建
江西
山东
河南
湖北
湖南
广东
海南
四川
贵州
云南
陕西
甘肃
青海
内蒙
广西
西藏
宁夏
新疆
其他
其他
展开
 
全部
天津

天津有色金属新能源材料技术理论与应用

免费发布技术信息>>
新能源汽车电机防震保护壳

本实用新型公开一种新能源汽车电机防震保护壳,包括安装壳,所述安装壳两侧外侧面的下端均固定设置有橡胶块,所述橡胶块的另一端固定设置有防护壳,所述防护壳靠近安装壳一侧的侧面上固定设置有若干个第一弹簧,所述第一弹簧的另一端与安装壳连接,所述第一弹簧之间设置有水袋,所述水袋安装在安装壳的外表面上,所述防护壳的外表面设置有若干个减震机构,所述减震机构由固定轴、第一减震板、第二减震板和第二弹簧组成,所述固定轴安装在防护壳远离安装壳一侧的外表面上,所述第一减震板和第二减震板均通过开设圆孔活动设置在固定轴上。本实用新型结构简单,设计合理,有很好的减震散热性能,对电机进行保护,安装拆卸简单,更加符合市场需求。

标签:
新能源
天津 - 天津 来源:中冶有色网 2023-03-18
新能源汽车交流充电桩

本实用新型公开了一种新能源汽车交流充电桩,所述充电桩采用MSP430F147单片机, 通过输出PWM波形与汽车通讯,主回路采用20A继电器控制充放电,汽车充电充满后,会自动切换,导致PWM波形电压降低,确认充电完成,导引电路采用单光隔芯片TLP521?1,采用CSE7759对充电过程的电量进行计量。本实用新型的有益效果为,具有调速精度高、响应速度快、调速范围宽和损耗低的特点。

标签:
新能源
天津 - 天津 来源:中冶有色网 2023-03-18
新能源开发用蓄电池放电测试装置

本实用新型公开了一种新能源开发用蓄电池放电测试装置,包括底座、蓄电池充放电测试仪本体和电池放置仓,所述底座顶部通过安装槽安装有电池放置仓,所述电池放置仓内通过螺丝安装有绝缘隔板,所述电池放置仓一端通过安装座安装有蓄电池充放电测试仪本体,所述电池放置仓另一端通过固定槽安装有立板,所述立板一端通过安装盒放置有蓝牙热敏打印机,所述立板顶端一侧设置有位移横板,所述立板另一侧通过螺丝固定有滑轨,所述位移横板一端连接有滑块。本实用新型方便快速接线,还方便定时以提醒人员掌握时间,可以方便运输蓄电池,从而方便进行批量测试,能方便打印贴标,适合被广泛推广和使用。

标签:
新能源
天津 - 天津 来源:中冶有色网 2023-03-18
新能源的发电装置
新能源的发电装置 969     
 0

本实用新型公开了一种新能源的发电装置,包括两个支撑柱,每个所述支撑柱上均设有显示器,所述支撑柱上均设有固定块,两个所述固定块之间设有支撑杆,所述支撑杆上设有两个平行设置的连接块,所述连接块的上端设有固定板,所述固定板上设有太阳能电池板放置槽,所述太阳能电池板放置槽的内部设有太阳能电池板,所述连接块远离固定板的一端设有吊挂装置,两个所述固定块远离支撑杆的一侧均开设有第一卡槽,所述第一卡槽的内部均设有第一卡块,所述第一卡块远离固定块的一侧均设有驱动轴。本实用新型结构简单,不仅仅可以用来吊挂物品,节省了人力和物力,而且通过电能和风能相互结合的使用,大大的降低了能源的消耗,十分的实用。

标签:
新能源
天津 - 天津 来源:中冶有色网 2023-03-18
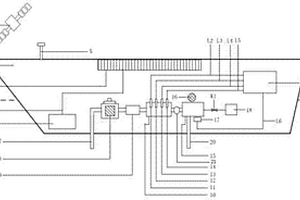
基于新能源无人船平台的智能水质监测系统

本发明涉及一种基于新能源无人船平台的智能水质监测系统,包括安装在无人船船体上端的天线,船舱后端的控制系统;船体底部的取水管,取水管与滤网、水泵、第二测试室、第一测试室、排水管依次连接;第二测试室内设有多个常规水质传感器,且上述常规水质传感器分别与控制系统相连;第一测试室的后端还安装有探针试剂室;第一测试室的上端还安装有紫外光源,下端安装有摄像头;摄像头也与控制系统相连;控制系统与天线电性连接,将测量数据通过北斗卫星传输给用户端,实现水质监测。本发明的监测系统可以完成多种水质参数的长期、实时在线检测,达到智能监测水质的目的。

标签:
新能源
天津 - 天津 来源:中冶有色网 2023-03-18
新能源封闭型电池模组的散热结构

本发明涉及一种新能源封闭型电池模组的散热结构,包括盖板、底板、电池模组及负极板、正极板,盖板与底板平行设置,在盖板与底板之间嵌装电池模组,在盖板外侧面设置有负极板,在底板外侧面且与负极板对应设置有正极板,其特征在于:所述底板为一四方槽板,在该四方槽板的相对侧板上分别均布间隔连通安装有风扇组及进风滤网组,进风滤网组在对应该风扇组侧板的另一侧侧板上安装。本散热结构设计了科学的电池模组布置方式,以及设计了边角弧板,可使散热通风得到最大效果,通过测算,通风效率即散热效果提高了20%以上,通风顺畅,散热效果极佳。

标签:
新能源
天津 - 天津 来源:中冶有色网 2023-03-18
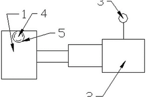
新能源汽车电池散热冷却装置

本发明公开了一种新能源汽车电池散热冷却装置,包括箱体、箱体上盖,箱体上盖通过螺栓密封固定连接在箱体的顶端,在箱体的内部设置有由多个柱状电池组成的电池组;所述柱状电池固定在电池架上,电池架包括相互平行的上板和下板,柱状电池竖直固定在上板和下板之间;电池架的上板通过螺栓紧固在箱体内壁的安装板上,电池架的下板通过减震垫放置于箱体底面;在每个柱状电池的外周分别设置有螺旋冷却管,通过向螺旋冷却管内通循环冷却水,大大增强了对电池的冷却控温能力;同时本发明结构合理,便于组装,减震效果好。

标签:
新能源
天津 - 天津 来源:中冶有色网 2023-03-18
多功能新能源汽车的除雾装置

本发明提供了一种多功能新能源汽车的除雾装置,包括安装在汽车前挡风玻璃上下的两个导轨,所述的两个导轨之间安装有电加热棒,所述的电加热棒的一端内部设有驱动电机,所述的驱动电机的输出轴连接与导轨相配合的转动轮,所述的上导轨的上部还设有示高示宽灯。本发明的有益效果是结构简单、除雾效果好,在夜间行车还能标示车宽和车高。

标签:
新能源
天津 - 天津 来源:中冶有色网 2023-03-18
电动伸缩的新能源汽车双后视镜

本发明提供了一种电动伸缩的新能源汽车双后视镜,包括后视镜体,所述的后视镜体安装在伸缩杆的末端,所述的伸缩杆固定在车体侧面,伸缩杆由设置在方向盘上的控制按钮控制其伸缩,所述的后视镜体上还设有凹凸镜。本发明的有益效果是后视镜体可以根据需要伸缩,可以调节从而去除车辆的视觉死角,便于驾驶人员进行观察路况等,提高驾驶的安全性。

标签:
新能源
天津 - 天津 来源:中冶有色网 2023-03-18
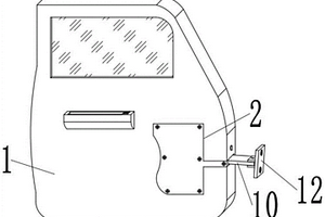
新能源汽车车门开闭机构

本实用新型公开了一种新能源汽车车门开闭机构,包括门体,门体的正面外壁上开设有安装槽,且安装槽的内部开设有放置槽,放置槽的内部设置有安装块,且安装块的顶部外壁上通过螺栓安装有传动块,传动块的内部开设有两个传动槽,且两个传动槽的内部通过轴承分别安装有稳定轮和齿轮,安装块的内部通过螺栓安装有电机,且电机的输出端通过联轴器与齿轮呈传动连接。本实用新型通过设置的电机,当操作者启动电机时,电机通过齿轮、传动杆和安装板的相互搭配使用带动门体进行运动,进而便于操作者对门体的开启与闭合功能,通过设置的稳定轮,稳定轮通过与稳定槽的相互搭配使用来增加传动杆移动过程中的稳定性。

标签:
新能源
天津 - 天津 来源:中冶有色网 2023-03-18
用于新能源建筑的采暖装置

本实用新型公开了一种用于新能源建筑的采暖装置,包括底板,所述底板的顶面开设有滑动槽,所述底板的右侧面设置有调节组件,所述底板的上侧设置有太阳能板本体,所述太阳能板本体通过伸缩软管连接有储水罐。通过设置螺纹杆、移动块和支撑杆,在设置调节太阳能板本体的放置角度时,通过打开电机带动螺纹杆的旋转,在螺纹杆旋转的同时,移动块随着螺纹杆的转动在滑动槽的内部移动,又因为支撑杆的两端分别与移动块和太阳能板本体转动连接,因此在移动块移动的过程中太阳能板本体随着其移动的距离角度发生变化,从而可以在晴天时可以将太阳能板本体随着太阳的移动变化调节其角度,进而使太阳能板本体可以最大效率的对太阳能的热量进行采集吸收。

标签:
新能源
天津 - 天津 来源:中冶有色网 2023-03-18
新能源汽车用电机支架

本实用新型公开了一种新能源汽车用电机支架,包括上放置架和固定架,所述固定架和上放置架垂直设置,且上放置架的一端与固定架的一端连接,所述上放置架和固定架为一体式结构,所述上放置架上开设有电机穿孔,所述电机穿孔内安装有固定环,所述上放置架位于电机穿孔的周围设有螺纹固定孔,且螺纹固定孔设有多组,所述固定架上开设有安装槽,且安装槽并排设有两组,所述安装槽内设有螺钉固定结构。本实用新型通过在上放置架的电机穿孔上安装固定环,并在内环槽内设置挤压弹簧,当固定环安装在电机穿孔后,凸环与弹簧连接,在固定环受到震动时,利用挤压弹簧的弹性缓解震动,减少对电机支架的影响,避免过多的震动使得电机支架的安装产生松动。

标签:
新能源
天津 - 天津 来源:中冶有色网 2023-03-18
新能源汽车用散热性能好的电机控制器

本实用新型公开了一种新能源汽车用散热性能好的电机控制器,包括电机控制器主体、第一散热机构和第二散热机构,所述电机控制器主体一侧表面设有接头,所述电机控制器主体内部底端安装有电子元器件,所述第一散热机构和第二散热机构分别位于电机控制器主体顶端、底端,所述第一散热机构包括散热风箱和多组双向引风组件,所述散热风箱固定安装在电机控制器主体顶端。本实用新型通过设置第一散热机构和第二散热机构,可以利用第一散热机构上的多组双向引风组件同步进行引风工作,并将引入到散热风箱内部的气流通过导风座送入到电机控制器主体内部进行散热,同时可以利用第二散热机构的多组散热片进行散热,保证散热效果好。

标签:
新能源
天津 - 天津 来源:中冶有色网 2023-03-18
新能源电池组装架
新能源电池组装架 721     
 0

本实用新型公开了一种新能源电池组装架,包括上顶盖,所述上顶盖顶端固定安装有轨道,所述上顶盖的底端活动安装有下移动盖,所述下移动盖的底端安装有控制杆,所述上顶盖的内部一侧均活动安装有上活动固定板,所述下移动盖的内部活动安装有下活动固定板,所述上活动固定板与下活动固定板的内部均安装有连接柱,所述连接柱的内部安装有弹簧,所述弹簧的一侧端点连接于上活动固定板与下活动固定板,所述弹簧远离上活动固定板与下活动固定板的一侧连接于上顶盖与下移动盖的内部。本实用新型具有结构简单,不仅可以使更多的电池进入到装置内,对其进行固定组装,且不会限制电池的大小,还可以快速的对电池粘连在一起,使电池都紧密的粘合在一起。

标签:
新能源
天津 - 天津 来源:中冶有色网 2023-03-18
新型的新能源充电枪
新型的新能源充电枪 1145     
 0

本实用新型公开了一种新型的新能源充电枪,包括枪体,所述枪体外侧的右侧通过螺栓固定连接有外壳,所述活动片底部的中部焊接有活动柱,所述活动柱的底部粘接有伸缩板,所述外壳内壁顶部的中部粘接有导轨,所述导轨的内腔活动卡接有活动块,所述活动块的底部粘接有防护罩,所述侧板的顶部开设有滑槽,所述侧板的顶部贯穿连接有活动杆,所述活动杆外侧的中部套接有背板,所述背板左侧的背面粘接有保护套。本实用新型通过枪体、外壳、把手、活动片、伸缩板、导轨、活动块和防护罩的使用,解决了充电枪防水功能相对较弱的问题,通过外壳、侧板、滑槽、活动杆、背板和保护套的使用,解决了充电枪的保护装置不易定位以及容易丢失的问题。

标签:
新能源
天津 - 天津 来源:中冶有色网 2023-03-18
新能源汽车底盘冲压用边角料处理装置

本实用新型公开了一种新能源汽车底盘冲压用边角料处理装置,包括第一箱体、第二箱体、熔融腔和底座,所述底座底端的四个拐角处均设置有万向轮,所述底座底端的两侧设置有第三电机,且第三电机的底端设置有支撑板,所述底座的顶端设置有第二箱体,且第二箱体的一侧安装有控制面板,所述控制面板的内部安装有单片机,所述第二箱体的顶端设置有第一箱体,且第一箱体两侧的顶端均安装有负压风机。本实用新型通过设置有铸件加热器,被吸收进第一箱体内部的边角料首先被第一破碎辊轴和第二破碎辊轴破碎,接着掉入熔融腔,启动铸件加热器对边角料进行加热融化,使边角料可以回收再利用,节省资源不造成浪费,更加环保。

标签:
新能源
天津 - 天津 来源:中冶有色网 2023-03-18
防盗型新能源汽车充电桩

本实用新型涉及充电桩技术领域,尤其是一种防盗型新能源汽车充电桩,包括充电桩本体、安装机构和报警机构,充电桩本体底端设有安装机构,安装机构由底盘、夹紧柱、锥形填埋筒和压板组成,充电桩本体底端设有底盘,底盘四端的内部均设有一号穿孔,充电桩本体顶端设有压板,压板四端的内部均设有二号穿孔。通过在充电桩外侧设置安装机构,利用四个锥形填埋筒将整个充电桩装置固定在地表上,而每一安装步骤又都是紧密牢固的,加上泥土和混凝土的强化固定,使得整个充电桩装置更具防盗功能,同时在充电桩与压板之间设置报警机构,盗贼一旦取下压板,就会造成动静触点分离,从而触发报警器鸣笛,使人可以及时发现盗取行为,进一步起到防盗作用。

标签:
新能源
天津 - 天津 来源:中冶有色网 2023-03-18
方便搬运的新能源汽车电池

本实用新型公开了一种方便搬运的新能源汽车电池,包括壳体,所述壳体内部设置有若干蓄电池,若干所述蓄电池上端固定设置有顶板,所述顶板两侧与壳体之间通过螺丝固定连接,所述壳体两侧分别固定设置有固定框架,所述固定框架内部上端固定设置有螺杆,所述螺杆下端活动设置有万向轮,所述螺杆上端固定设置有连接块,所述螺杆之间通过皮带、皮带轮传动连接,所述壳体下端固定设置有功能仓,所述功能仓内部上端两侧分别固定设置有推杆电机,所述推杆电机的输出杆轴端固定设置有支撑板。本实用新型结构简单使用效果好,可以方便对蓄电池进行搬运,并且还可以方便将蓄电池从壳体内部取出。

标签:
新能源
天津 - 天津 来源:中冶有色网 2023-03-18
新能源电池生产电池液调配设备

本实用新型提供一种新能源电池生产电池液调配设备,涉及电池液调配技术领域,包括支撑装置、固定装置、安装板、调配装置和驱动轴杆,所述支撑装置的上端与固定装置的下端螺纹固定连接,所述调配装置贯穿固定装置设置在支撑装置的上端,所述安装板的上端焊接有斜撑柱。本实用新型,能够把该固定装置固定在支撑装置上端,实现了对固定装置的安装和拆卸,能够对配液装置进行固定,便于配液装置能够稳定地电池液进行调配,并方便后续对配液桶的内部进行清理,能够对搅拌桶内部的电池液进行搅拌,使其搅拌桶内部的材料能够均匀混合在一起,使得该电池液的使用时间更加长久,使其该实用新型更符合市场需求,更便于后续的推广使用。

标签:
新能源
天津 - 天津 来源:中冶有色网 2023-03-18
具备安全预警功能的新能源汽车监控终端设备

本实用新型公开了一种具备安全预警功能的新能源汽车监控终端设备,包括终端设备本体,所述终端设备本体的上表面固定连接有固定底座,所述固定底座的前表面开设有固定孔,所述终端设备本体的内部后端固定连接有主板,所述主板的前表面固定连接有连接端口;通过设计的固定块、弹性卡块、限位卡块和限位滚轮,便于该装置在使用过程中,通过扭簧带动转动挡板,可以防止连接端口在不使用时灰尘的进入,此外通过将插头活动套接在导向卡套内,然后在限位卡套的作用下向一侧移动与连接端口固定连接,避免插头在插入过程中出现位置偏差,解决了现有装置在安装时连接端口内部引脚极易损坏的问题。

标签:
新能源
天津 - 天津 来源:中冶有色网 2023-03-18
新能源配电柜
新能源配电柜 1052     
 0

本实用新型公开了一种新能源配电柜,包括配电柜本体,所述配电柜本体侧壁开设有放置槽,所述放置槽两侧侧壁均转动连接有柜门板,所述柜门板设置有开门机构,所述放置槽底端侧壁固定连接有定位板,所述定位板两侧均通过滑动机构连接有移动板,所述柜门板与移动板之间设置有连动机构,所述放置槽底端侧壁设置有收集机构,所述移动板底端设有清洁板,所述清洁板底端抵在放置槽侧壁上。本实用新型通过定位板、移动板、清洁板、定位轴、调节杆、连动杆和缓冲弹簧,可以在柜门板打开转动时带动对应一侧的清洁板移动,从而对配电柜内底面上的灰尘进行清理,有效的提高了配电柜的清洁度。

标签:
新能源
天津 - 天津 来源:中冶有色网 2023-03-18
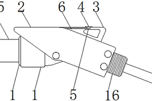
新能源汽车充电桩用充电枪保护盖

本实用新型提供一种新能源汽车充电桩用充电枪保护盖,包括枪头壳和保护盖本体,枪头壳包括固定板、安装块、密封胶圈和卡块,安装块设置于固定板的上下两端,密封胶圈设置于安装块内侧,固定板中央开设有插接座容纳槽,插接座容纳槽内对称设置有卡块,保护盖本体的左端面上开设有安装孔,安装孔内安装有旋拧块,旋拧块右端设置有干燥剂容纳盒,保护盖本体外侧壁对称开设有滑入槽A,保护盖本体外侧壁沿周向开设有滑入槽B,滑入槽B另一端开设有卡槽,两个密封胶圈并形成密封圈,防止雨水进入保护壳本体内部,干燥剂可以吸收保护壳内部的水分和潮气,弹性卡销与卡槽配合使其无法旋转,卡块位于滑入槽B中无法拔出,增加了连接牢固性。

标签:
新能源
天津 - 天津 来源:中冶有色网 2023-03-18
新能源车辆用高压电缆
新能源车辆用高压电缆 1019     
 0

本实用新型公开了一种新能源车辆用高压电缆,属于电缆技术领域,其特征在于:包括设于中心的导气管,所述导气管外侧依次设有导体层、无纺布绕包层和挤包层;所述导气管自内向外依次为导气层、铠装层和防护层,所述导体层包括束绞单元,所述束绞单元绞合构成复绞单元,所述复绞单元绞合构成所述导体层。本实用新型所述高压电缆,通过电缆自身中心位置所具有的导气管带走导体内部因传导电流而产生的热量,以此来提高电缆的载流能力和减小因短路时的电流增加对电缆绝缘层带来的冲击老化。本实用新型通过提高电缆的载流能力,增加电缆的寿命,可减小导体截面,进而达到电缆的轻量化及降低铜材耗用的目的。

标签:
新能源
天津 - 天津 来源:中冶有色网 2023-03-18
可辅助移动的新能源电气柜稳定装置

本实用新型公开了一种可辅助移动的新能源电气柜稳定装置,包括电气柜和底板,所述底板的一端固定安装有承载板,所述承载板与电气柜的底部卡接固定,所述螺纹孔内螺纹安装有定位螺丝,所述底板的底部设置有滚珠,所述底板的上端滑动安装有第一连接块,所述第一连接块上通过轴承转动安装有第一转轴,所述第一转轴上固定安装有第一转动杆,所述电气柜的侧壁上可拆卸安装有第二连接块,所述第二连接块上通过轴承转动安装有第二转轴,所述第二转轴上固定安装有第二转动杆,所述第一转动杆与第二转动杆之间通过弹簧连接。本实用新型可以便捷的移动,也可以快速固定,同时还具有侧部加强斜撑,增强防侧力的能力。

标签:
新能源
天津 - 天津 来源:中冶有色网 2023-03-18
新能源电池生产封膜装置

本实用新型公开了一种新能源电池生产封膜装置,包括底座,所述底座顶端固定设置若干固定支架,所述底座顶端通过固定支架固定设置有传送带,所述底座顶端一侧固定设置有第一电机,所述第一电机的输出端与传送带通过皮带和皮带轮传动连接,所述底座顶端在传送带一侧固定设置有第一限位板,所述底座顶端在传送带另一端固定设置有第二限位板,所述第一限位板和第二限位板一端均开设有第一凹槽,所述底座顶端在第一凹槽靠近第一限位板一侧固定设置有第一电动杆,所述第一电动杆的伸缩端固定设置有第一刀片。本实用新型结构简单,使用方便,可以快速的对电池进行封膜处理,且可以避免电池无法放入热缩膜的情况。

标签:
新能源
天津 - 天津 来源:中冶有色网 2023-03-18
新能源汽车换档和驻车锁止机构

本发明提供了一种新能源汽车换档和驻车锁止机构,减速电机通过末端齿轮带动拨叉轴和锁叉推轴的移动,即可实现换档或锁止/解锁功能。本发明可以适用于电动汽车变速器的换档和锁止控制,用途广泛。本机构结构简单、适应性强,采用齿轮双齿条结构,简化制造工艺,同时产品可靠性高。

标签:
新能源
天津 - 天津 来源:中冶有色网 2023-03-18
新能源多用型电动汽车

本发明提供一种新能源多用型电动汽车,包括车厢,车厢的两侧具有外侧板,车厢内具有调节板和两个内侧板,外侧板上靠近其前、后端处均具有纵向长孔,纵向长孔内具有滑杆,滑杆一端固定于内侧板侧面靠近内侧板下端面处;滑杆伸出外侧板外的部分上具有通孔,通孔内具有L型固定杆,L型固定杆的下端具有限位端块,上端向外弯折,当滑杆位于纵向长孔的顶端时,L型固定杆能与外侧板的顶面搭接;内侧板的内表面靠近其前后端面处具有纵向滑槽,调节板的侧面具有滑块;内侧板的外侧面上靠近其顶面处具有与纵向滑槽贯通的销孔,滑块上具有与销孔对应的固定槽。本发明的有益效果是结构上灵活多变,使用客货两用,实用性更强。

标签:
新能源
天津 - 天津 来源:中冶有色网 2023-03-18
新能源汽车电池组高效散热装置

本发明提供了一种新能源汽车电池组高效散热装置,包括由散热板围成的主架体,所述的主架体内设有若干个导热板,导热板将主架体内分割成若干个安装电池的空间,所述的主架体呈矩形,主架体的至少两个长边的散热板呈波浪形。本发明的有益效果是结构简单,装配空间小,工艺简单,噪声和振动小,寿命长,效率高,电气性能好。

标签:
新能源
天津 - 天津 来源:中冶有色网 2023-03-18
分布式新能源发电站电压调节暂态性能测试系统和方法

本发明涉及一种分布式新能源发电站电压调节暂态性能测试系统和方法,包括:计算机、报文映射装置、交换机、模拟量采集装置、时钟源装置、AVC子站和执行终端;所述计算机与报文映射装置相连接,所述报文映射装置与模拟量采集装置相连接,所述计算机还通过交换机与AVC子站相连接所述计算机还通过交换机与执行终端相连接,所述AVC子站的输出端与模拟量采集装置相连接,该AVC子站的输出端还与执行终端相连接,所述时钟源装置的输出端分别与AVC子站和计算机相连接。本发明通过两种方式可相互印证,提高测量准确性。

标签:
新能源
天津 - 天津 来源:中冶有色网 2023-03-18
轻量化新能源汽车框架的生产制作工艺

本发明涉及一种轻量化新能源汽车框架的生产制作工艺,包括以下步骤:铝合金型材表面的氧化膜用丙酮或乙醇清洗掉其表面的油污后,再将铝合金型材在低温下处理5‑6h;将低温处理后的铝合金型材浸润在盐酸溶液中,置于110℃下处理60min后冲洗干净;在进行冲压成型前,将铝合金型材放入淬火炉中一段时间后,将铝合金型材转移至10℃‑30℃的水中进行冷却;烘干冷却后的铝合金型材后,在冲压模具和铝合金型材表面均匀涂覆冲压油后,在冲压模具上进行热态冲压成形,并于冲压模具内淬火保压;对冲压后的铝合金型材进行冷后切边处理,对切边后焊接加工处理,即得到成品;本发明大大提高了铝合金型材冲压成型的合格率。

标签:
新能源
天津 - 天津 来源:中冶有色网 2023-03-18
上一页 30 31 32 33 34 ... 48 下一页
共48页    到第

中冶有色为您提供最新的天津有色金属新能源材料技术理论与应用信息,涵盖发明专利、权利要求、说明书、技术领域、背景技术、实用新型内容及具体实施方式等有色技术内容。打造最具专业性的有色金属技术理论与应用平台!

全国热门有色金属设备推荐
展开更多 +
全国热门有色金属技术推荐
展开更多 +

 

江西省隆恩特环保设备有限公司
宣传

报名参会
更多+

报告下载

有色专家
更多+

长春黄金研究院有限公司
总经理
武汉理工大学
副主任/研究员
矿冶科技集团有限公司
党委书记 / 董事长
昆明理工大学
教授
矿冶科技集团
副所长/研究员
赤泥综合利用研究报告2025
推广

热门技术
更多+

推荐企业
更多+

福建省金龙稀土股份有限公司
宣传

发布

在线客服

公众号

电话

顶部
咨询电话:
010-88793500-807