青岛垚鑫智能科技有限公司
宣传

位置:中冶有色 >

有色技术频道 >

> 废水处理技术

分类:
全部
矿山技术
冶金技术
材料制备及加工技术
环境保护技术
分析检测技术
 
全部
废水处理技术
大气治理技术
固/危废处置技术
土壤修复技术
地区:
全部
北京
天津
上海
重庆
河北
山西
辽宁
吉林
黑龙江
江苏
浙江
安徽
福建
江西
山东
河南
湖北
湖南
广东
海南
四川
贵州
云南
陕西
甘肃
青海
内蒙
广西
西藏
宁夏
新疆
其他
其他
展开
 
全部
合肥
芜湖
蚌埠
淮南
马鞍山
淮北
铜陵
安庆
黄山
阜阳
宿州
滁州
六安
宣城
池州
亳州

安徽合肥有色金属废水处理技术理论与应用

免费发布技术信息>>
单宁酸生产废水膜处理设备

本发明公开了一种单宁酸生产废水膜处理设备,包括有废水池,预处理装置、超滤膜浓缩系统、单宁酸回收系统、废水循环过滤系统,所述超滤膜浓缩系统用于单宁酸生产废水的超浓缩处理,所述单宁酸回收系统设有蒸发器、微波干燥器,用于对废水中提取出的单宁酸进行蒸发干燥处理,所述废水循环过滤系统用于将超滤浓缩后的废水进行再次超滤膜处理,增加单宁酸的回收率;本发明通过提供的单宁酸废水膜处理设备,不仅能够使处理后的废水排放达标,而且能回收残留在废水中单宁酸,增加单宁酸的产量,增加企业效益。

标签:
废水处理
安徽 - 合肥 来源:中冶有色网 2023-03-19
具有反冲洗功能的工业污水处理装置

本实用新型涉及污水处理装置,具体涉及一种具有反冲洗功能的工业污水处理装置,包括热回收箱和过滤箱,热回收箱顶部设有进水管,进水管上设有第一水泵,热回收箱内设有倾斜挡板,倾斜挡板之间设有第一滤网,热回收箱底部外壁设有第一散热块和储热环板,储热环板内壁设有与第一散热块配合的第二散热块,热回收箱底部通过第一连管与三通阀水平端的一端连通,第一连管上设有阀门和第二水泵,三通阀水平端的另一端与废水管连通,三通阀垂直端与竖管的一端连通,竖管的另一端伸入过滤箱内,竖管内设有第二滤网,竖管上方设有挡板;本实用新型所提供的技术方案能够克服现有技术所存在的不具有热回收功能、过滤净化效果较差、不具备反冲洗功能等缺陷。

标签:
废水处理
安徽 - 合肥 来源:中冶有色网 2023-03-19
基于物联网的工业环境检测设备

本发明公开了一种基于物联网的工业环境检测设备,包括水质检测仪、箱体、激光粉尘仪,箱体的内部安装有蓄电池组,蓄电池组上方的箱体内部安装有控制器,控制器一侧的箱体内部安装有单片机,取样盒一侧的支撑板上方安装有水质检测仪,水质检测仪一端的支撑板上方安装有湿度传感器,铰接轴的上方安装有电动推杆,安装板的上方安装有激光粉尘仪,安装板的下方安装有噪声测试仪,箱盖的内部安装有显示屏。本发明通过设置行走轮、激光粉尘仪、单片机、控制器、显示屏、噪声测试仪、湿度传感器、水质检测仪结构,解决了无法随时进行粉尘检测和无法随时检测噪音和废水污染情况的问题。

标签:
废水处理
安徽 - 合肥 来源:中冶有色网 2023-03-19
钢厂酸洗废水资源化处理工艺

本发明公开了一种钢厂酸洗废水资源化处理工艺,所述处理工艺包括:S1:物化前处理系统进行反应沉淀处理;S2:S1沉淀处理后的上清液进入膜处理系统进行过滤处理;S3:S2处理后的浓水进入苛化处理系统进行沉降压滤处理。本发明处理工艺将反渗透膜产水循环利用到生产工艺上,生产出的氢氧化钠循环利用,生产出的石膏和碳酸钙送去水泥厂协同处理生产水泥,提取出来纯度较高的氢氧化铁铁泥去铁前工艺继续炼铁,生化污泥去发电厂与煤协同焚烧发电、浓水中的氯化钠去蒸发结晶生产出副产工业氯化钠产品。

标签:
废水处理
安徽 - 合肥 来源:中冶有色网 2023-03-19
用于废水脱氨的双极膜电渗析和中空纤维膜接触器的集成装置和方法

本发明公开了一种用于废水脱氨的双极膜电渗析和中空纤维膜接触器的集成装置和方法,其特征是将双极膜电渗析的酸室溶液储存罐和中空纤维膜接触器的酸接收液储存罐进行合并,将氨氮废液通过蠕动泵打入到双极膜电渗析装置中的碱室进行加碱,提高pH至11左右,使铵根离子转化为游离态的氨气分子,再将加碱后的氨氮废液引入到中空纤维膜接触器中进行脱氨,可以实现双极膜电渗析解离盐生产的酸和碱在线供应于中空纤维膜接触器脱氨过程,与单一的中空纤维膜接触器脱氨过程相比,大大降低了化学试剂的消耗,使得氨氮分离过程更加经济环保,更适合进行工业化推广应用。

标签:
废水处理
安徽 - 合肥 来源:中冶有色网 2023-03-19
钢厂酸洗废水资源化处理装置

本发明公开了一种钢厂酸洗废水资源化处理装置,所述处理装置包括:物化前处理系统、膜处理系统、苛化处理系统。本发明处理装置将反渗透膜产水循环利用到生产工艺上,生产出的氢氧化钠循环利用,生产出的石膏和碳酸钙送去水泥厂协同处理生产水泥,提取出来纯度较高的氢氧化铁铁泥去铁前工艺继续炼铁,生化污泥去发电厂与煤协同焚烧发电、浓水中的氯化钠去蒸发结晶生产出副产工业氯化钠产品。

标签:
废水处理
安徽 - 合肥 来源:中冶有色网 2023-03-19
快速恢复厌氧处理煤化工废水效能的方法

本发明公开了一种快速恢复厌氧处理煤化工废水效能的方法,当厌氧反应器受到水质冲击后,停止或减少进水流量,向厌氧反应器内部通入空气,控制溶解氧浓度;经过停止曝气、静止沉淀或减少进水流量、恢复进水流量;重复上述处理流程,直至厌氧反应器内滞留的有毒污染物浓度下降至或低于正常水平,恢复正常连续进水条件,厌氧反应器将在短时间内达到或者超过稳定运行状态的处理效能。本发明具有操作灵活、适应范围广、运行成本低、处理效果好的优点。

标签:
废水处理
安徽 - 合肥 来源:中冶有色网 2023-03-19
含硫化物废水的资源化处理方法

本发明公开了一种含硫化物废水的资源化处理方法,是通过对碳毡表面进行原位修饰得Mn3O4/C复合材料,并将其应用于常温空气阴极燃料电池的阳极,催化氧化水溶液中的硫化物,使其定向转化为硫单质同时回收电能。该方法可以使水溶液中的硫化物定向转化为硫单质,转化率到达100%,电池库伦效率达到70%。

标签:
废水处理
安徽 - 合肥 来源:中冶有色网 2023-03-19
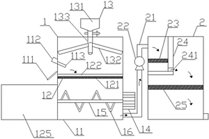
节能废水清洁处理装置
节能废水清洁处理装置 1015     
 0

本发明公开了一种节能废水清洁处理装置,包括反应池和入水箱,所述反应池顶部设有两个支撑座,所述入水箱架设在两个支撑座之间,在两个支撑座上分别设有第一电机和第二电机,所述入水箱内开设有入水斗,在反应池内底部中央设有杂物隔断箱,在入水斗内设有两个粉碎辊和两个挤压辊,挤压辊位于粉碎辊下方,在反应池顶面和入水箱底面之间设有波纹管,所述波纹管上下两端分别与反应池和入水箱螺纹连接,本装置通过粉碎辊和挤压辊的设置,对生活污水中存在的大块废弃物进行破碎,在连接管内设置金属筛网将粉碎后的废弃物进行集中收集,避免了堵塞现象的发生。

标签:
废水处理
安徽 - 合肥 来源:中冶有色网 2023-03-19
利用铬电镀漂洗废水处理产生的高铬污泥制备三氧化二铬的方法

本发明公开了一种利用铬电镀漂洗废水处理产生的高铬污泥制备三氧化二铬的方法,是通过高温焙烧使高铬污泥分解为绿铬矿(Cr2O3)和硫酸钠。本发明的方法使作为危险废物的高铬污泥转为具有高附加值的Cr2O3产品,操作简单、收益显著,解决了高铬污泥得不到资源化处理的难题。

标签:
废水处理
安徽 - 合肥 来源:中冶有色网 2023-03-19
防堵式工业污水处理装置

本实用新型涉及污水处理领域,尤其涉及一种防堵式工业污水处理装置,包括底座和处理箱,处理箱固定设置在底座上,所述处理箱两端开设有进水口及出水口;分离板,固定设置在处理箱内,分离板一侧设置有防堵机构;收集箱,固定设置在处理箱上且设置在分离板一侧;隔板,一端固定设置在分离板中部,隔板将处理箱分为上下两部分,处理箱上下两部分均开设有进料口,隔板另一端固定连接有导出板,导出板上开设有导出口;间歇开闭机构,安装在处理箱内;过滤板,安装在处理箱内且设置在导出口废水导出端。本实用新型提供的防堵式工业污水处理装置不仅可以对对污水进行处理,且能够防止污染物堵塞装置,同时能够对污水进行过滤,操作简单,实用性较强。

标签:
废水处理
安徽 - 合肥 来源:中冶有色网 2023-03-19
工业污水处理吸附剂
工业污水处理吸附剂 880     
 0

本发明公开了一种工业污水处理吸附剂,其原料按重量份包括:凹凸棒石30~40份,陶土30~40份,膨胀石墨环糊精复合物20~30份,竹炭10~18份,碳纳米管10~20份,丝瓜络5~10份,黏合剂8~18份,絮凝剂20~35份,氧化杀菌剂3~5份。本发明利用凹凸棒石粘土进行工业污水处理,针对含重金属的废水吸附,效果高,成本低廉,经济效益可观。

标签:
废水处理
安徽 - 合肥 来源:中冶有色网 2023-03-19
合成及发酵类制药工业污水的处理方法

本发明涉及污水处理的技术领域,具体地涉及一种合成及发酵类制药工业污水的处理方法。生活污水预处理、生产污水预处理和在综合污水处理;将生产污水和生活污水单独预处理后充分混合,更进一步保障生化系统进水的持续稳定;同时在针对合成及发酵类制药废水的水质水量特点,通过Fenton高级氧化技术将废水的毒性降低、可生化性提高且通过絮凝沉淀作用去除絮体,通过A2/O的同步脱氮除磷工艺将污水处理出水水质稳定且总水力停留时间缩短,深度处理段的活性砂滤池是一种集混凝、澄清、过滤为一体的高效过滤系统且降低能耗、节约资源。

标签:
废水处理
安徽 - 合肥 来源:中冶有色网 2023-03-19
用于低浓度含磷废水处理吸附剂的制备方法

本发明提供一种用于低浓度含磷废水处理吸附剂的制备方法,涉及水处理技术领域。所述吸附剂是由稀土金属锆盐对天然麦饭石进行改性而获得。本发明克服了现有技术的不足,所制备的吸附剂在弥补天然麦饭石本身缺陷的基础上,显著提高了对水中磷酸盐的吸附去除能力,可用于含磷污水的深度处理,此外,该吸附剂对磷的吸附速度快,吸附量受环境pH和共存离子变化的影响较小,本发明还具有绿色环保,无毒无害,成本低,操作简单等优点。

标签:
废水处理
安徽 - 合肥 来源:中冶有色网 2023-03-19
工业重金属废液净化药剂及其生产方法

本发明公开了一种工业重金属废液净化药剂及其生产方法,其包含如下重量份的原料:无机物絮凝剂占 25‑30 份,重金属捕捉剂占 28‑30 份,吸附剂占 20‑40 份,硫化钡占 30‑40 份,硫酸铁占 20‑30 份,氢氧化钙占 5 份,锌钡白占 5 份。与现有技术相比,本发明的有益效果为:该污水处理药剂对冶金、重金属、矿山、印染、纺织、建筑、铸造、化工、电力、皮革和造纸等工业废水及城市综合性污水处理均有良好效果。适应水质的pH 范围广,pH 值在4‑10 范围内均有净化效果。污水中加入该药剂后,混凝反应迅速,絮团强度高,沉淀快速,容易澄清分层,效率高。

标签:
废水处理
安徽 - 合肥 来源:中冶有色网 2023-03-19
内循环多维电催化废水处理装置

本发明公开了一种内循环多维电催化废水处理装置,其特征是设置圆筒状器体,在圆筒状器体内,自下而上依次设置进水布水管、曝气管、电极反应区、整流区、出水区和浮渣收集区。本发明集电催化氧化和气浮作用于一体,处理效果好、能耗低、电极寿命长。

标签:
废水处理
安徽 - 合肥 来源:中冶有色网 2023-03-19
用于含藻废水处理的高效复合式净化系统

本实用新型公开了一种用于含藻废水处理的高效复合式净化系统,包括一净化容器,其特征在于:净化容器由下至上依次由过滤室(1)、等离子体反应室(2)、絮凝室(3)和集水室(4)组成,所述过滤室(1)与等离子体反应室(2)之间设有滤网,所述等离子体反应室与絮凝室之间设有筛网层;所述净化容器位于过滤室处设有进水口,位于集水室处设有出水口。本实用新型采用集成化组合工艺,占地面积小、除藻效率高、药剂使用量小、出水水质好;系统采用等离子体放电氧化除藻,大大降低了恶臭气体的散发,降低了恶臭气体对大气环境的污染,该系统不仅具有高效除藻率,而且对于SS、CODCr也有较好的去除效果。

标签:
废水处理
安徽 - 合肥 来源:中冶有色网 2023-03-19
环氧树脂工业生产方法
环氧树脂工业生产方法 1011     
 0

本发明涉及一种环氧树脂工业生产方法,经过在反应釜内通入氮气,入双酚基丙烷,加入ECH,加入氢氧化钠,当ECH回流稳定时开始加碳酸钠,脱水,一脱ECH,粗树脂泵入刮膜蒸发器连续进行二脱ECH,将MIBK放入精致釜,将粗树脂转入精致釜,加软水,然后加碳酸钠,完成后在86~88度下保温三个小时,加入MIBK,加软水,将底部和废聚物分离,废聚物抽滤浓缩,废水二次沉降后处理,树脂液泵入受槽,通过过滤器过滤,脱MIBK,成品树脂在混合罐内混合,混合好后通过过滤器再次过滤,完成。本发明提供了一种环氧树脂工业生产方法,可以提升环氧树脂工业生产的产量和质量。

标签:
废水处理
安徽 - 合肥 来源:中冶有色网 2023-03-19
基于复叠朗肯循环和两级水蓄热的工业余热回收发电系统

本发明涉及基于复叠朗肯循环和两级水蓄热的工业余热回收发电系统。包括余热回收蓄热回路、一级蒸汽朗肯循环发电回路和二级有机朗肯循环发电回路;工作时,余热介质温度为150~400℃,余热介质为中低温余热烟气、余热蒸汽、废水中的一种。当系统处于正常工作模式时,水工质吸收余热介质中的热量,吸热后的水工质可处于液态,气态或气液两相。余热介质的温度越高,水工质吸热后的干度越高,其中产生蒸汽具有较为的品位,通过复叠朗肯循环将热量转换为功,而液态水品位较低,通过二级有机朗肯循环将热量转换为功。本发明的技术方案可以保证系统发电的稳定性,并对工业余热进行高效利用。

标签:
废水处理
安徽 - 合肥 来源:中冶有色网 2023-03-19
工业污水净化处理系统
工业污水净化处理系统 1146     
 0

本实用新型涉及工业污水处理技术领域,更具体地说是涉及一种工业污水净化处理系统,包括一号过滤罐和二号过滤罐,一号过滤罐包括罐体、过滤口和除臭箱,罐体设有进液管和出口阀,二号过滤罐通过输送管和输送泵与一号过滤罐连接,二号过滤罐包括陶瓷层、实心壁和活性炭层,实心壁设有通口;过滤口拦截和快速分离、收集工业污水中的固体废物;向除臭箱中添加除臭药液,既除去污水的臭味,也除去固体废物的臭味,改善后续工作人员倾倒固体废物时的工作环境;本实用新型快速处理拦截的固体废物,改善工作环境,结构稳定可靠,适合在工业废水处理车间推广使用。

标签:
废水处理
安徽 - 合肥 来源:中冶有色网 2023-03-19
用于电镀废水的净零排放回收设备及其回收方法

本发明公开了用于电镀废水的净零排放回收设备及其回收方法,包括底箱,底箱内顶壁中部插设有空心轴,底箱内中下部设有锥形过滤罩,空心轴的底端部与锥形过滤罩的顶端部贯穿固接,空心轴内插设有竖轴,竖轴的底端部设有锥形盘;空心轴的中部套设有套筒,套筒的中部套设有内环,底箱内设有外环,外环与内环之间设有过滤组件;底箱的顶面两侧设有一对侧板,一对侧板之间设有横板,横板通过往复机构与外环连接,一对侧板之间设有横轴,横轴通过联动机构与底箱连接。本发明便于对电镀废水中的杂质进行清理,通过多重过滤作用,提高了过滤效果。

标签:
废水处理
安徽 - 合肥 来源:中冶有色网 2023-03-19
从废水处理中回收电能的微生物燃料电池

一种从废水处理中回收电能的微生物燃料电池,其特征是由封闭的圆柱形或方形池体构成微生物燃料电池的阳极室,阳极悬挂于阳极室内,阴极固定于阳极室的侧壁,阴极的内表面与阳极室连通,外表面与空气接触,空气中的氧气自阴极外表面自由扩散至内表面,进水口位于池壁底部,出水口位于池壁上部,自阳极引出的导线在阳极室外部与阴极外表面连接构成外部电路,在外部电路中设置用于回收或电能利用的电气元件。本实用新型结构简单,不受阳极与阴极间距离限制,可构建适合生产规模的装置,无需外加动力来提高阴极表面的氧含量,不使用质子交换膜,构建和运行成本低,可在从生物质中回收电能的同时净化废水。

标签:
废水处理
安徽 - 合肥 来源:中冶有色网 2023-03-19
利用丙烯腈生产废水制备高吸水性树脂的方法

本发明公开了一种利用丙烯腈生产废水制备高吸水性树脂的方法,是以丙烯腈生产废水中聚合提取的聚丙烯腈为原料,通过水解转化成一定水解度的聚丙烯酰胺,再以碳原子数为1~3的脂肪醛作为交联剂进行交联反应制备得到聚丙烯酰胺高吸水性树脂。本发明制备方法生产成本低、利润高、设备投资少、操作简单、变废为利,具有较大的实施价值和社会经济效益。

标签:
废水处理
安徽 - 合肥 来源:中冶有色网 2023-03-19
电厂脱硫废水协同利用系统

本实用新型公开了一种电厂脱硫废水协同利用系统,包括预处理系统、电除尘系统及干渣系统,所述预处理系统包括由中和箱、沉淀箱和絮凝箱依次连接组成的三联箱,所述絮凝箱出水口依次连接有澄清器和出水箱;还包括喷洒装置,所述喷洒装置包括浓盐水水箱、高压气罐及雾化喷头,所述浓盐水水箱的进水口与出水箱连接,浓盐水水箱进水口还连接有工业水源,浓盐水水箱的出水口连接有变频喷雾泵;所述雾化喷头为多组,一组雾化喷头设在电除尘器入口烟道处,一组雾化喷头设在干渣系统干渣输送线上方,雾化喷头的入口端通过管道与变频喷雾泵出水口及高压气罐连接,本实用新型的优点在于,无需对无机盐进行处理即可重新利用脱硫废水,降低污染物的排放。

标签:
废水处理
安徽 - 合肥 来源:中冶有色网 2023-03-19
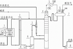
工业含氨污水的预处理及热回收装置及方法

本发明公开了一种工业含氨污水的预处理及热回收装置及方法,采用单塔蒸馏工艺,通过将蒸馏废水闪蒸后的二次蒸汽增压作为补充汽源,对原料含氨污水进行蒸馏预处理,生产出浓氨水产品;同时通过合理利用余热回收系统,分段回收蒸馏废水中的低品位余热,实现能量的梯级利用,有效降低了装置的运行成本。本发明方法工艺流程简单可靠,主要产品能耗达到了国内先进水平。外排的废水温度以及各项指标,均满足进入生化处理的基本要求,实现了环境友好和经济效益的双赢。

标签:
废水处理
安徽 - 合肥 来源:中冶有色网 2023-03-19
处理印染废水中亚甲基蓝的方法

本发明公开了一种处理印染废水中亚甲基蓝的方法,采用复合材料进行处理,且复合材料的投加量为不少于100mg/m3,所述复合材料由以下按照重量份的原料组成:凹凸棒土33?41份、5?硝基愈创木酚钠3?7份、羟乙基纤维素7?15份、己酸二乙氨基乙醇酯12?20份、椰油酸21?29份。本发明采用复合材料处理印染废水中亚甲基蓝,具有处理效果好、针对性强、用量少、不造成二次污染的优点。本发明中使用的复合材料是经将凹凸棒土、5?硝基愈创木酚钠、羟乙基纤维素、己酸二乙氨基乙醇酯与椰油酸剪切混合,经过预热反应、氢气煅烧制得。本发明处理工艺简单,所采用的原料少、制备工艺易操作、易控制,适于大规模工业化生产推广使用。

标签:
废水处理
安徽 - 合肥 来源:中冶有色网 2023-03-19
亚甲基蓝染料废水处理方法及催化剂制备方法

亚甲基蓝染料废水处理方法及催化剂制备方法, 其特征是采用多相催化氧化的方法,以锰的纳米结构氧化物为 催化剂,在常温下催化 H2O2氧化分解亚甲基蓝染料。本发明是一种无需光照、无二次 污染、常温催化过氧化氢氧化分解染料废水的方法,原料和操 作费用低廉,催化效率高。

标签:
废水处理
安徽 - 合肥 来源:中冶有色网 2023-03-19
用于抗生素废水处理的系统

本实用新型公开了一种用于抗生素废水处理的系统,涉及净水技术领域。它包括微渗区和纳渗区;微渗区包括第一储罐、第一泵及第一膜组件,第一储罐的出液口通过第一泵与第一膜组件相连通,第一膜组件又与第一储罐相连通;纳渗区包括第二储罐、第二泵及第三膜组件,第二储罐通过第二泵与第三膜组件相连通,第三膜组件又与第二储罐相连通;第一膜组件还与第二储罐相连通。本申请通过采用膜过滤处理和吸附法处理,实现对工业废水中抗生素的浓缩提纯,使得其成为可回用于生产线的工艺用水。

标签:
废水处理
安徽 - 合肥 来源:中冶有色网 2023-03-19
用于含油废水处理的油水分离装置

本发明公开了一种用于含油废水处理的油水分离装置,包括沉淀箱和油水分离箱,所述沉淀箱内壁的左侧安装有格栅箱,格栅箱的上方设置有进水管,该进水管的出水端位于格栅箱的内侧,所述沉淀箱右侧面中部的出水口处安装有导管,所述导管上安装有离心泵和压力表,所述油水分离箱的内部由右至左竖向设置有第一隔板和第二隔板。该用于含油废水处理的油水分离装置,通过旋流器及聚合板能有效分离油水混合物中的浮油、分散油以及细小的乳化油,并且分离效率高,在油水分离区内水位上升到第一隔板顶端所在平面时,经过聚合板和网孔电极板处理过的水流由溢流区溢出到微生物反应区内,利用微生物反应区内的微生物能够对水中的残留油和有机物进行微生物反应,处理较为彻底。

标签:
废水处理
安徽 - 合肥 来源:中冶有色网 2023-03-19
利用碳酸钙回收废水中铜的方法

一种利用碳酸钙回收废水中铜的方法,涉及碳酸钙粉体及其复合废弃物用于污水处理技术领域。室温条件下,采用CaCO3或其亲水性废弃物与含Cu2+废水混合,搅拌一段时间后静置得到沉淀物,过滤出沉淀物并进行干燥或煅烧即可获得铜水合物或铜氧化物。回收方法中,CaCO3可选择工业生产的CaCO3粉体,CaCO3亲水性废弃物可选择纸屑或涂料等。本发明以CaCO3粉体或含CaCO3废弃物为廉价原料,通过室温共沉淀法将废液中的Cu2+、Ca2+和SO42‑等离子完全沉淀下来,实现了重金属脱除和水体软化双重效能,为重金属脱除和回收提供了一种新的途径。

标签:
废水处理
安徽 - 合肥 来源:中冶有色网 2023-03-19
上一页 29 30 31 32 33 ... 38 下一页
共38页    到第

中冶有色为您提供最新的安徽合肥有色金属废水处理技术理论与应用信息,涵盖发明专利、权利要求、说明书、技术领域、背景技术、实用新型内容及具体实施方式等有色技术内容。打造最具专业性的有色金属技术理论与应用平台!

全国热门有色金属设备推荐
展开更多 +
全国热门有色金属技术推荐
展开更多 +

 

江西省隆恩特环保设备有限公司
宣传

报名参会
更多+

报告下载

有色专家
更多+

太原理工大学
院长/教授
北京科技大学
教授
西安建筑科技大学
教授
中南大学、中国工程院
院士
北京工业大学、中国工程院
中国工程院 院士
赤泥综合利用研究报告2025
推广

热门技术
更多+

推荐企业
更多+

福建省金龙稀土股份有限公司
宣传

发布

在线客服

公众号

电话

顶部
咨询电话:
010-88793500-807